вконтакте

Контактный телефон: +7 (981) 121-46-93, +7 (800) 200-90-76 , Email: parts-katalog@yandex.ru, где купить

 
 

  Логин:

Пароль:

Регистрация

www.partskatalog.ru Все каталоги Запчасти Mercury Запчасти Suzuki Запчасти Tohatsu Запчасти Honda Контакты


Вернуться к началу выбора


Мощность Вашего двигателя: 9.90 л.с.

Год выпуска: 1991 год

Тип двигателя: 1622

Модификация двигателя: Evinrude E10ELEIR 1991

   Выберите раздел

найти расходники на лодочные моторы Evinrude


Выберите раздел

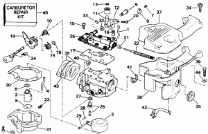
Карбюратор (Carburetor)

Карбюратор (Carburetor)

Коленвал & Поршень (Crankshaft & Piston)

Коленвал & Поршень (Crankshaft & Piston)

Цилиндр & Картер двигателя (Cylinder & Crankcase)

Цилиндр & Картер двигателя (Cylinder & Crankcase)

Electric Primer System (Electric Primer System)

Electric Primer System (Electric Primer System)

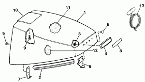
Крышка двигателя (капот) - Evinrude (Engine Cover - Evinrude)

Крышка двигателя (капот) - Evinrude (Engine Cover - Evinrude)

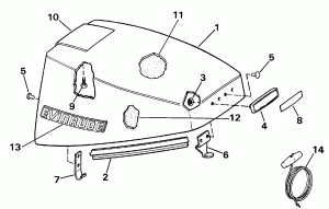
Крышка двигателя (капот) - Johnson (Engine Cover - Johnson)

Крышка двигателя (капот) - Johnson (Engine Cover - Johnson)

Удлинитель корпуса (Exhaust Housing)

Удлинитель корпуса (Exhaust Housing)

Топливный насос - Electric Start Models (Fuel Pump - Electric Start Models)

Топливный насос - Electric Start Models (Fuel Pump - Electric Start Models)

Топливный насос - Шнур Start Models (Fuel Pump - Rope Start Models)

Топливный насос - Шнур Start Models (Fuel Pump - Rope Start Models)

Топливный бак (Fuel Tank)

Топливный бак (Fuel Tank)

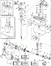
Редуктор (Gearcase)

Редуктор (Gearcase)

Ignition (Ignition)

Ignition (Ignition)

Впускной коллектор (Intake Manifold)

Впускной коллектор (Intake Manifold)

Нижняя крышка двигателя (Lower Engine Cover)

Нижняя крышка двигателя (Lower Engine Cover)

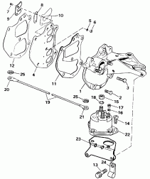
Midsection (10sel Only) (Midsection (10sel Only))

Midsection (10sel Only) (Midsection (10sel Only))

Midsection (all Models Except Sel) (Midsection (all Models Except Sel))

Midsection (all Models Except Sel) (Midsection (all Models Except Sel))

Motor Кабели (Motor Cable)

Motor Кабели (Motor Cable)

Краска Chart (Paint Chart)

Краска Chart (Paint Chart)

Rewind Стартер (Rewind Starter)

Rewind Стартер (Rewind Starter)

Двигатель стартера (Starter Motor)

Двигатель стартера (Starter Motor)

Румпель & Управление дросселем (Steering Handle & Throttle Control)

Румпель & Управление дросселем (Steering Handle & Throttle Control)

evinrude

Время выполнения запроса 0.24785494804382 сек.


 
 

данный сайт носит информационный характер и не является публичной офертой

склад запчастей для водомоторной техники