вконтакте

Контактный телефон: +7 (981) 121-46-93, +7 (800) 200-90-76 , Email: parts-katalog@yandex.ru, где купить

 
 

  Логин:

Пароль:

Регистрация

www.partskatalog.ru Все каталоги Запчасти Mercury Запчасти Suzuki Запчасти Tohatsu Запчасти Honda Контакты



УВАЖАЕМЫЕ КЛИЕНТЫ!
C 19 ДЕКАБРЯ 2025 ПО 02 МАРТА 2026 ГОДА ОТДЕЛ ЗАПЧАСТЕЙ И СЕРВИС РАБОТАТЬ НЕ БУДУТ
ПРОДАЖА ЛОДОЧНЫХ МОТОРОВ В ШТАТНОМ РЕЖИМЕ
ОБ ИЗМЕНЕНИЯХ В ГРАФИКЕ РАБОТЫ ЧИТАЙТЕ НА САЙТА




Вернуться к началу выбора


Мощность Вашего двигателя: 4 л.с.

Год выпуска: 1991 год

Тип двигателя: 1625

Модификация двигателя: Evinrude E4RDHLEIA 1991

   Выберите раздел

найти расходники на лодочные моторы Evinrude


Выберите раздел

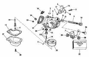
Карбюратор (Carburetor)

Карбюратор (Carburetor)

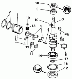
Коленвал & Поршень (Crankshaft & Piston)

Коленвал & Поршень (Crankshaft & Piston)

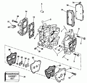
Цилиндр, Картер двигателя, & Впускной коллектор (Cylinder, Crankcase, & Intake Manifold)

Цилиндр, Картер двигателя, & Впускной коллектор (Cylinder, Crankcase, & Intake Manifold)

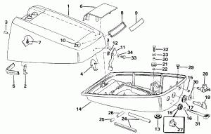
Крышка двигателя (капот) (Engine Cover)

Крышка двигателя (капот) (Engine Cover)

Топливный насос (Fuel Pump)

Топливный насос (Fuel Pump)

Топливный бак (Fuel Tank)

Топливный бак (Fuel Tank)

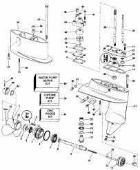
Редуктор (Gearcase)

Редуктор (Gearcase)

Ignition (Ignition)

Ignition (Ignition)

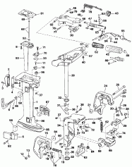
Midsection (Midsection)

Midsection (Midsection)

Краска Chart (Paint Chart)

Краска Chart (Paint Chart)

Rewind Стартер (Rewind Starter)

Rewind Стартер (Rewind Starter)

evinrude

Время выполнения запроса 0.25615406036377 сек.


 
 

данный сайт носит информационный характер и не является публичной офертой

склад запчастей для водомоторной техники