вконтакте

Контактный телефон: +7 (981) 121-46-93, +7 (800) 200-90-76 , Email: parts-katalog@yandex.ru, где купить

 
 

  Логин:

Пароль:

Регистрация

www.partskatalog.ru Все каталоги Запчасти Mercury Запчасти Suzuki Запчасти Tohatsu Запчасти Honda Контакты



УВАЖАЕМЫЕ КЛИЕНТЫ!
C 19 ДЕКАБРЯ 2025 ПО 02 МАРТА 2026 ГОДА ОТДЕЛ ЗАПЧАСТЕЙ И СЕРВИС РАБОТАТЬ НЕ БУДУТ
ПРОДАЖА ЛОДОЧНЫХ МОТОРОВ В ШТАТНОМ РЕЖИМЕ
ОБ ИЗМЕНЕНИЯХ В ГРАФИКЕ РАБОТЫ ЧИТАЙТЕ НА САЙТА




Все разделы каталога запчастей на этот двигатель

назад Раздел:   вперёд

вернуться к списку узлов и деталей

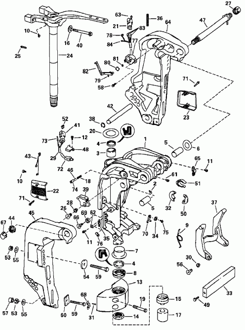
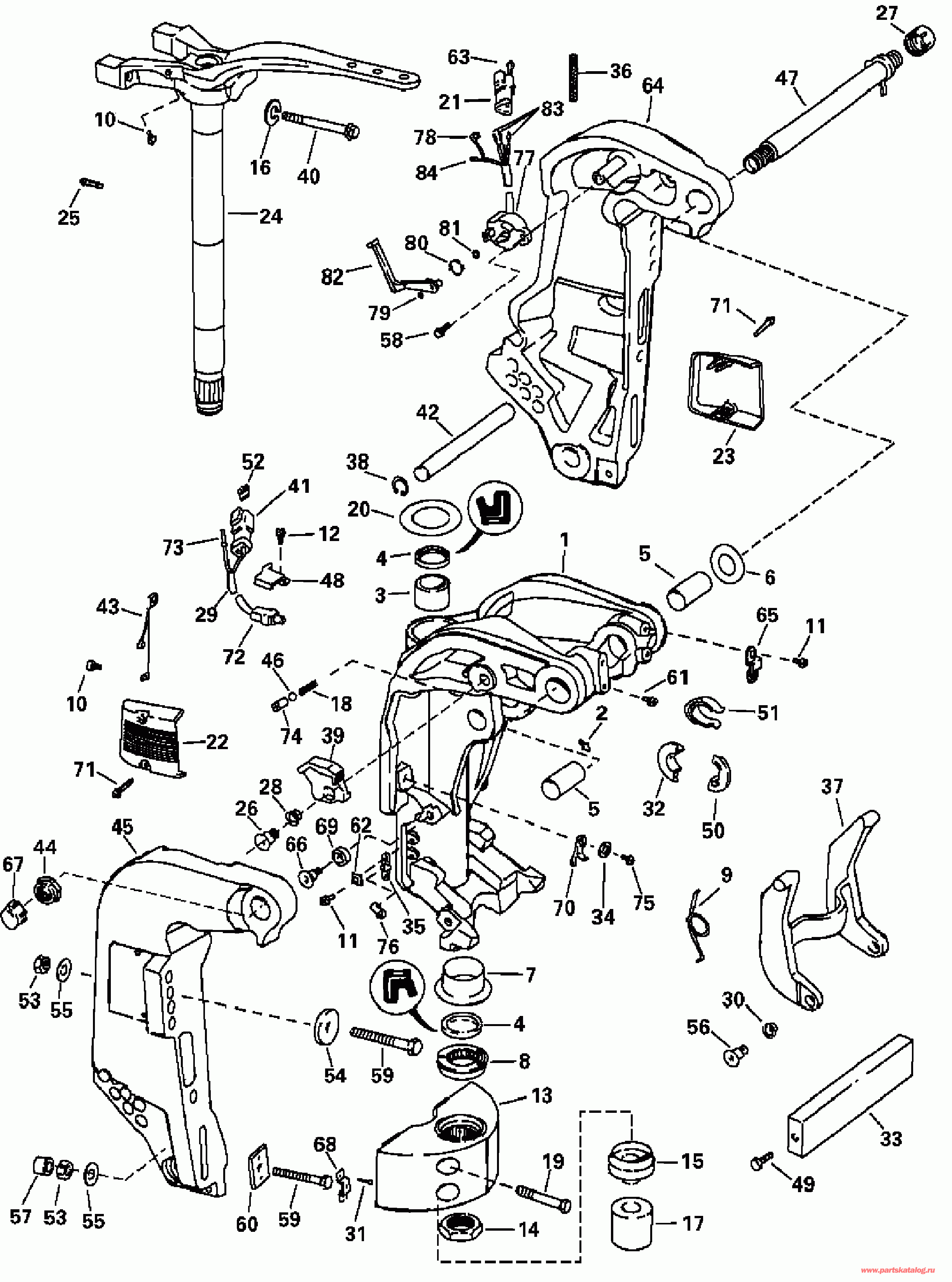
ДЕТАЛИРОВКА ДЛЯ МОДЕЛИ: EVINRUDE E250FCZSNF Ficht RAM Injection, 30 in.,

MIDSECTION | MIDSECTION;


Лодочный подвесной мотор Evinrude E250FCZSNF Ficht RAM Injection, 30 in.,   - dsection

Номер на
рисунке
АртикулНаименованиеКол-во
на складе
Цена
1 0434691

Поворотный кронштейн. (FPL Models.) (SWIVEL BRACKET. (FPL Models.))

нет в наличии, поставок нет
1 0435005

   (последний код) BRACKET AY,SWIVEL

нет в наличии, поставок нет
1 0434724

Поворотный кронштейн. (FPX & FCX Models.) (SWIVEL BRACKET. (FPX & FCX Models.))

нет в наличии, поставок нет
1 0435006

   (последний код) BRACKET AY,SWIVEL

нет в наличии, поставок нет
1 0438084

Поворотный кронштейн. (FPZ Models.) (SWIVEL BRACKET. (FPZ Models.))

нет в наличии, поставок нет
2 0313607

*FITTING, Lubrication (FITTING, Lubrication)

нет в наличии, поставок нет
2 3852121

   (последний код) FITTING,LUB

нет в наличии, поставок нет
3 0320962

*Втулка (BUSHING)

нет в наличии, поставок нет
4 0335686

*Сальник (SEAL)

нет в наличии, поставок нет
5 0337579

*Втулка, Поворотный кронштейн (BUSHING, Swivel bracket)

нет в наличии, поставок нет
6 0910992

*Упорная шайба, Tilt Трубка (THRUST WASHER, Tilt tube)

нет в наличии, поставок нет
6 0327699

   (последний код) THRUST-WASHE

нет в наличии, поставок нет
7 0336819

*Втулка, нижний Стержень Вал (BUSHING, Lower pivot shaft)

нет в наличии, поставок нет
7 0335468

   (последний код) BUSHING,PIVO

нет в наличии, поставок нет
8 0327696

KEEPER, Стержень Вал (KEEPER, Pivot shaft)

нет в наличии, поставок нет
9 0336210

Пружина, Trail lock to Кронштейн (SPRING, Trail lock to bracket)

нет в наличии, поставок нет
10 0335200

Винт, Заземление lead (SCREW, Ground lead)

нет в наличии, поставок нет
10 3852212

   (последний код) SCREW

нет в наличии, поставок нет
11 0335200

Винт, Фиксатор (SCREW, Retainer)

нет в наличии, поставок нет
11 3852212

   (последний код) SCREW

нет в наличии, поставок нет
12 0335200

Винт, Кронштейн, tilt limit (SCREW, Bracket, tilt limit)

нет в наличии, поставок нет
12 3852212

   (последний код) SCREW

нет в наличии, поставок нет
13 0340006

Монтажный кронштейн. (FPL Models.) (MOUNT BRACKET. (FPL Models.))

нет в наличии, поставок нет
13 0339305

   (последний код) BRACKET,MOUN

нет в наличии, поставок нет
13 0338744

Монтажный кронштейн. (FPX & FCX Models. FPZ Models.) (MOUNT BRACKET. (FPX & FCX Models. FPZ Models.))

нет в наличии, поставок нет
13 0339306

   (последний код) BRACKET,MOUNT

нет в наличии, поставок нет
14 0320746

Гайка, Монтажный кронштейн (NUT, Mount bracket)

нет в наличии, поставок нет
15 0912233

Фиксатор, Стержень Вал Сальник. (FPX & FCX Models. FPZ Models.) (RETAINER, Pivot shaft seal. (FPX & FCX Models. FPZ Models.))

нет в наличии, поставок нет
16 0313169

Шайба с блокировкой, Крепление Болт (LOCK WASHER, Mount bolt)

нет в наличии, поставок нет
17 0911312

Сальник, Рулевая система Трубка. (FPX & FCX Models. FPZ Models.) (SEAL, Steering tube. (FPX & FCX Models. FPZ Models.))

нет в наличии, поставок нет
18 0336230

Фиксатор пружины, tilt lock (SPRING, Detent, tilt lock)

нет в наличии, поставок нет
19 0334936

Винт, Крепление (SCREW, Mount)

нет в наличии, поставок нет
20 0320866

THRUST Опорная шайба Вал (THRUST WASHER, Pivot shaft)

нет в наличии, поставок нет
21 0514686

Коннектор, Sending unit, 3-Штифт (CONNECTOR, Sending unit, 3-pin)

нет в наличии, поставок нет
22 0335474

Крышка, Кронштейн транца, Stbd. (Опции.) (COVER, Stern bracket, Stbd. (Optional.))

нет в наличии, поставок нет
23 0335475

Крышка, Кронштейн транца, Port. (Опции.) (COVER, Stern bracket, Port. (Optional.))

нет в наличии, поставок нет
24 0439471

Рулевая система Рычаг в сборе. (FPL Models.) (STEERING ARM Assy. (FPL Models.))

нет в наличии, поставок нет
24 0437698

Рулевая система Рычаг в сборе. (FPX & FCX Models.) (STEERING ARM Assy. (FPX & FCX Models.))

нет в наличии, поставок нет
24 0435018

   (последний код) ARM&SHAFT AY,STRG

нет в наличии, поставок нет
24 0437699

Рулевая система Рычаг в сборе. (FPZ Models.) (STEERING ARM Assy. (FPZ Models.))

нет в наличии, поставок нет
24 0435019

   (последний код) ARM&SHAFT AY,STRG

нет в наличии, поставок нет
25 0123692

Коннектор, Speedo Шланг. (FPL Models.) (CONNECTOR, Speedo hose. (FPL Models.))

нет в наличии, поставок нет
26 0335481

Винт, Рычаг наклона to Кронштейн (SCREW, Tilt lever to bracket)

нет в наличии, поставок нет
27 0337586

WIPER, Tilt Трубка (WIPER, Tilt tube)

нет в наличии, поставок нет
27 0983678

   (последний код) NUT & WIPER

нет в наличии, поставок нет
28 0335486

Втулка, Рычаг наклона (BUSHING, Tilt lever)

нет в наличии, поставок нет
29 0512937

Гильза, Tilt limit lead (SLEEVE, Tilt limit lead)

нет в наличии, поставок нет
30 0335701

Втулка, Trail Рычаг (BUSHING, Trail arm)

нет в наличии, поставок нет
31 0319886

Винт, Transom Винт Фиксатор (SCREW, Transom screw retainer)

нет в наличии, поставок нет
32 0337592

Воротник, Tilt limit, top (COLLAR, Tilt limit, top)

нет в наличии, поставок нет
33 0433580

Анод, Кронштейн транца (ANODE, Stern bracket)

нет в наличии, поставок нет
33 5007089

   (последний код) ANODE AY

нет в наличии, поставок нет
34 0328702

Шайба, Зажим (WASHER, Clip)

нет в наличии, поставок нет
34 3852183

   (последний код) WASHER

нет в наличии, поставок нет
35 0336467

SвышеPORT, Trail lock (SUPPORT, Trail lock)

нет в наличии, поставок нет
36 0513817

Гильза, Sending unit leads (SLEEVE, Sending unit leads)

нет в наличии, поставок нет
37 0335470

Рычаг, Trail lock (ARM, Trail lock)

нет в наличии, поставок нет
37 0341252

   (последний код) ARM,TRAIL LOCK

нет в наличии, поставок нет
38 0336529

Стопорное кольцо, Тяга (RETAINING RING, Rod)

нет в наличии, поставок нет
39 0335485

Рычаг блокировки наклона (LEVER, Tilt lock)

нет в наличии, поставок нет
40 0912345

Винт, верхний Крепление (SCREW, Upper mount)

нет в наличии, поставок нет
41 0514696

Коннектор, 2-Штифт (CONNECTOR, 2-pin)

нет в наличии, поставок нет
42 0336525

Тяга, Trim limiter (ROD, Trim limiter)

нет в наличии, поставок нет
43 0584262

LEAD в сборе, Заземление (LEAD Assy, Ground)

нет в наличии, поставок нет
44 0335554

Гайка, Tilt Трубка (NUT, Tilt tube)

нет в наличии, поставок нет
45 0336506

Кронштейн транца, Starboard (STERN BRACKET, Starboard)

нет в наличии, поставок нет
45 0351922

   (последний код) BRACKET,STERN-STBD

нет в наличии, поставок нет
46 0336209

Шарик, Detent, tilt lock (BALL, Detent, tilt lock)

нет в наличии, поставок нет
47 0435007

TILT Трубка в сборе (TILT TUBE Assy)

нет в наличии, поставок нет
47 0433592

   (последний код) TUBE-AY,TILT

нет в наличии, поставок нет
48 0336171

Кронштейн, Переключатель ограничителя налона (BRACKET, Tilt limit switch)

нет в наличии, поставок нет
49 0324816

Винт, Анод (SCREW, Anode)

нет в наличии, поставок нет
50 0337593

Воротник, Tilt limit, tilt Трубка (COLLAR, Tilt limit, tilt tube)

нет в наличии, поставок нет
51 0337591

CAM, Переключатель ограничителя налона (CAM, Tilt limit switch)

нет в наличии, поставок нет
52 0514697

WEDGE, 2-Штифт (WEDGE, 2-pin)

нет в наличии, поставок нет
53 0313623

Гайка, Кронштейн транца Винт (NUT, Stern bracket screw)

нет в наличии, поставок нет
53 0321861

   (последний код) NUT

нет в наличии, поставок нет
54 0307238

Монтажная шайба Винтs (WASHER, Mounting screws)

нет в наличии, поставок нет
55 0320248

Монтажная шайба Винтs (WASHER, Mounting screws)

нет в наличии, поставок нет
55 0312910

   (последний код) WASHER

нет в наличии, поставок нет
56 0335487

Винт, Trail Рычаг to Кронштейн (SCREW, Trail arm to bracket)

нет в наличии, поставок нет
57 0318572

Монтажная крышка Винтs (CAP, Mounting screws)

нет в наличии, поставок нет
58 0328744

Винт, Sending unit (SCREW, Sending unit)

нет в наличии, поставок нет
58 0308741

   (последний код) SCREW

нет в наличии, поставок нет
59 0327053

Винт, Кронштейн to transom, 3 дюйм (76 мм) (SCREW, Bracket to transom, 3 in. (76mm))

нет в наличии, поставок нет
59 0318573

Винт, Кронштейн to transom 3? дюйм (82 мм) (SCREW, Bracket to transom 3? in. (82mm))

нет в наличии, поставок нет
59 3852153

   (последний код) BOLT

нет в наличии, поставок нет
59 0336676

Винт, Кронштейн to transom, 4 3 / 4 дюйм (121 мм), стандарт (SCREW, Bracket to transom, 4 3/4 in. (121mm), standard)

нет в наличии, поставок нет
59 0336675

   (последний код) BOLT

нет в наличии, поставок нет
59 0331578

Винт, Кронштейн to transom, 5 дюйм (127 мм) (SCREW, Bracket to transom, 5 in. (127mm))

нет в наличии, поставок нет
59 0321577

Винт, Кронштейн to transom, 6 дюйм (152 мм) (SCREW, Bracket to transom, 6 in. (152mm))

нет в наличии, поставок нет
60 0318272

Пластина, Креплениеing Винтs (PLATE, Mounting screws)

нет в наличии, поставок нет
61 0335200

Винт, Поворотный кронштейн (SCREW, Swivel bracket)

нет в наличии, поставок нет
61 3852212

   (последний код) SCREW

нет в наличии, поставок нет
62 0336853

Зажим, Sвышеport (CLIP, Support)

нет в наличии, поставок нет
63 0514682

WEDGE, 3-Штифт (WEDGE, 3-pin)

нет в наличии, поставок нет
64 0336505

Кронштейн транца, Port (STERN BRACKET, Port)

нет в наличии, поставок нет
64 0351921

   (последний код) BRACKET,STERN-PORT

нет в наличии, поставок нет
65 0513787

Фиксатор, Limit Переключатель leads (RETAINER, Limit switch leads)

нет в наличии, поставок нет
66 0335487

Винт, Thrust Ролик, Поворотный кронштейн (SCREW, Thrust roller, swivel bracket)

нет в наличии, поставок нет
67 0317894

Колпачок, Tilt Трубка (CAP, Tilt tube)

нет в наличии, поставок нет
67 3852150

   (последний код) CAP

нет в наличии, поставок нет
68 0318273

Фиксатор, Креплениеing Винтs (RETAINER, Mounting screws)

нет в наличии, поставок нет
69 0335949

THRUST Ролик (THRUST ROLLER)

нет в наличии, поставок нет
70 0336172

Фиксатор, Trail Рычаг (RETAINER, Trail arm)

нет в наличии, поставок нет
71 0337580

Винт, Крышка to Кронштейн транца. (Опции.) (SCREW, Cover to stern bracket. (Optional.))

нет в наличии, поставок нет
71 0336390

   (последний код) SCREW

нет в наличии, поставок нет
72 0586405

Переключатель ограничителя наклона (SWITCH Assy., Tilt limit)

нет в наличии, поставок нет
73 0514679

*Клемма, Штифт (TERMINAL, Pin)

нет в наличии, поставок нет
74 0334241

Направляющая, Шарик detent, tilt lock (GUIDE, Ball detent, tilt lock)

нет в наличии, поставок нет
75 0342191

Винт, Фиксатор to Кронштейн (SCREW, Retainer to bracket)

нет в наличии, поставок нет
75 0336753

   (последний код) SCREW

нет в наличии, поставок нет
76 0335814

Фиксатор, Trail lock Пружина (RETAINER, Trail lock spring)

нет в наличии, поставок нет
76 0325525

   (последний код) RETAINER

нет в наличии, поставок нет
77 0586408

SENDING UNIT в сборе (SENDING UNIT Assy)

нет в наличии, поставок нет
77 0587144

   (последний код) SENDING UNIT AY

нет в наличии, поставок нет
78 0513871

*Клемма, Кольцо (TERMINAL, Ring)

нет в наличии, поставок нет
78 0513711

   (последний код) TERMINAL,RIN

нет в наличии, поставок нет
79 0511527

*Фиксатор (RETAINER)

нет в наличии, поставок нет
79 3852232

   (последний код) RETAINER

нет в наличии, поставок нет
80 0511528

*Пружина (SPRING)

нет в наличии, поставок нет
81 0320689

*Гайка (NUT)

нет в наличии, поставок нет
81 3852164

   (последний код) NUT

нет в наличии, поставок нет
82 0342386

*Рычаг (ARM)

нет в наличии, поставок нет
82 0335708

   (последний код) ARM,SENDING

нет в наличии, поставок нет
83 0514679

*Клемма, Штифт (TERMINAL, Pin)

нет в наличии, поставок нет
84 3854047

*Клемма, Кольцо (TERMINAL, Ring)

нет в наличии, поставок нет
84 0987008

   (последний код) GROUND-STRAP

нет в наличии, поставок нет
evinrude

Время выполнения запроса 1.24897813797 сек.


 
 

данный сайт носит информационный характер и не является публичной офертой

склад запчастей для водомоторной техники