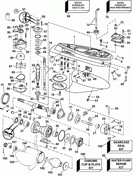
Номер на рисунке | Артикул | Наименование | Кол-во на складе | Цена |
| | 5004992 | Редуктор в сборе, комплект (GEARCASE Assy, Complete) | нет в наличии, поставок нет |
| | 5004633 | (последний код) G-CASE, MAG/STD-RO | нет в наличии, поставок нет |
| 1 | 5001589 | *Редуктор в сборе с подшипником (GEARCASE & BEARING Assy) | нет в наличии, поставок нет |
| 2 | 0387817 | **Подшипник, Шестерня (BEARING, Pinion) | нет в наличии, поставок нет |
| 3 | 0324852 | **Винт, Шестерня Подшипник (SCREW, Pinion bearing) | нет в наличии, поставок нет |
| 4 | 0332584 | ***Сальник, Шестерня brg Винт (SEAL, Pinion brg screw) | нет в наличии, поставок нет |
| 5 | 0305749 | **Колпачок, Pitot Трубка fitting (CAP, Pitot tube fitting) | нет в наличии, поставок нет |
| 6 | 0336535 | **Ниппель, Pitot Трубка (NIPPLE, Pitot tube) | 7 шт | 470 руб. |
| 7 | 0341220 | **Винт, Pitot Сальник (SCREW, Pitot seal) | нет в наличии, поставок нет |
| 8 | 0437330 | **Шайба & Сальник в сборе, Pitot. (Contents of Комплект сальников редуктора.) (WASHER & SEAL Assy, Pitot. (Contents of GEARCASE SEAL KIT.)) | нет в наличии, поставок нет |
| 9 | 0341219 | **Винт, Анод (SCREW, Anode) | нет в наличии, поставок нет |
| 10 | 0436745 | **Анод, Редуктор (ANODE, Gearcase) | нет в наличии, поставок нет |
| 10 | 0393023 | (последний код) ANODE&INSERT AY | нет в наличии, поставок нет |
| 11 | 0307161 | **Блокирующая шайба анода (LOCK WASHER, Anode) | нет в наличии, поставок нет |
| 12 | 0346462 | *Кольцо, Гребной винт Сальник (RING, Propeller seal) | нет в наличии, поставок нет |
| 13 | 0345998 | *Шайба, Wedge Винт (WASHER, Wedge screw) | нет в наличии, поставок нет |
| 14 | 0349001 | *WEDGE, Вал гребного винта hsg to GC (WEDGE, Propshaft hsg to GC) | нет в наличии, поставок нет |
| 14 | 0345999 | (последний код) WEDGE | нет в наличии, поставок нет |
| 15 | 0916070 | *Винт, Wedge (SCREW, Wedge) | нет в наличии, поставок нет |
| 15 | 3853661 | (последний код) SCREW | нет в наличии, поставок нет |
| 16 | 0160084 | *Шарик, Detent (BALL, Detent) | нет в наличии, поставок нет |
| 16 | 3852023 | (последний код) BALL | нет в наличии, поставок нет |
| 17 | 0328702 | *Шайба, Переключающая тяга Крышка Винт (WASHER, Shift rod cover screw) | нет в наличии, поставок нет |
| 17 | 3852183 | (последний код) WASHER | нет в наличии, поставок нет |
| 18 | 0314728 | *Уплотнительное кольцо, DriveВал Подшипник hsg. (Contents of Комплект сальников редуктора.) (O-RING, Driveshaft bearing hsg. (Contents of GEARCASE SEAL KIT.)) | нет в наличии, поставок нет |
| 18 | 0354731 | (последний код) O-RING | 1 шт | 850 руб. |
| 19 | 0317624 | *Винт, Корпус to Редуктор (SCREW, Housing to gearcase) | нет в наличии, поставок нет |
| 20 | 5001601 | *Подшипник HSG в сборе, Fwd Шестерня (BEARING HSG Assy, Fwd Gear) | нет в наличии, поставок нет |
| 21 | 0389039 | ** Подшипник, Fwd Шестерня ( BEARING, Fwd Gear) | нет в наличии, поставок нет |
| 21 | 3852223 | (последний код) BEARING-AY,N | нет в наличии, поставок нет |
| 22 | 0331880 | **Штифт, Корпус (PIN, Housing) | нет в наличии, поставок нет |
| 23 | 0911962 | *Фиксатор пружины (SPRING, Detent) | нет в наличии, поставок нет |
| 23 | 0915955 | (последний код) SPRING | нет в наличии, поставок нет |
| 24 | 0334163 | *CRADLE, Переключательer (CRADLE, Shifter) | 5 шт | 1880 руб. |
| 24 | 0322900 | (последний код) CRADLE-SHIFT | нет в наличии, поставок нет |
| 25 | 0322938 | *Рычаг переключателя (LEVER, Shift) | нет в наличии, поставок нет |
| 26 | 0348483 | *Переключающий вал (SHAFT, Shift) | нет в наличии, поставок нет |
| 27 | 0317274 | *Штифт, Рычаг переключения (PIN, Shift lever) | нет в наличии, поставок нет |
| 28 | 0350271 | *Винт, Фиксатор tab (SCREW, Retainer tab) | нет в наличии, поставок нет |
| 28 | 0341541 | (последний код) SCREW | нет в наличии, поставок нет |
| 29 | 5004765 | *Вал гребного винта (PROPELLER SHAFT) | нет в наличии, поставок нет |
| 29 | 0436740 | (последний код) SHAFT AY,PROPELLER | нет в наличии, поставок нет |
| 30 | 0389042 | *THRUST Подшипник, Reverse Шестерня (THRUST BEARING, Reverse gear) | нет в наличии, поставок нет |
| 31 | 0389042 | *THRUST Подшипник, Fwd Шестерня (THRUST BEARING, Fwd gear) | нет в наличии, поставок нет |
| 32 | 0333957 | *TAB, Фиксатор (TAB, Retainer) | нет в наличии, поставок нет |
| 33 | 0349193 | *THRUST Шайба шестерни заднего хода (THRUST WASHER, Reverse gear) | нет в наличии, поставок нет |
| 34 | 0324670 | *Прокладка, Переключающая тяга Крышка. (Contents of Комплект сальников редуктора.) (GASKET, Shift rod cover. (Contents of GEARCASE SEAL KIT.)) | нет в наличии, поставок нет |
| 34 | 0352165 | (последний код) GASKET | 2 шт | 550 руб. |
| 35 | 5001587 | *Подшипник HSG в сборе, Вал гребного винта (BEARING HSG Assy, Propshaft) | нет в наличии, поставок нет |
| 35 | 5007248 | (последний код) HSG AY,PROPSHAFT | нет в наличии, поставок нет |
| 36 | 0382407 | **Игольчатый подшипник в сборе, Front (NEEDLE BEARING Assy, Front) | 1 шт | 5500 руб. |
| 37 | 0436752 | **Игольчатый подшипник в сборе, Rear (NEEDLE BEARING Assy, Rear) | нет в наличии, поставок нет |
| 38 | 0334950 | **Сальник, Вал гребного винта. (Contents of Комплект сальников редуктора.) (SEAL, Propshaft. (Contents of GEARCASE SEAL KIT.)) | нет в наличии, поставок нет |
| 39 | 0326849 | ** Уплотнительное кольцо, Вал гребного винта Корпус. (Contents of Комплект сальников редуктора.) ( O-RING, Propshaft housing. (Contents of GEARCASE SEAL KIT.)) | нет в наличии, поставок нет |
| 40 | 0431708 | **Анод, Подшипник Корпус (ANODE, Bearing housing) | нет в наличии, поставок нет |
| 40 | 0397111 | (последний код) ANODE-AY | нет в наличии, поставок нет |
| 41 | 0908158 | **Винт, Анод (SCREW, Anode) | нет в наличии, поставок нет |
| 41 | 3852050 | (последний код) SCREW | нет в наличии, поставок нет |
| 42 | 0314730 | *Гайка, Шестерня to driveВал (NUT, Pinion to driveshaft) | нет в наличии, поставок нет |
| 43 | 5004991 | *Шестерня SET, Fwd, Rev, Шестерня (GEAR SET, Fwd, Rev, Pinion) | нет в наличии, поставок нет |
| 43 | 5001582 | (последний код) GEARSET/FWD/PIN/RE | нет в наличии, поставок нет |
| 44 | 0387656 | *THRUST Подшипник, DriveВал (THRUST BEARING, Driveshaft) | нет в наличии, поставок нет |
| 44 | 0383248 | (последний код) BEARING | нет в наличии, поставок нет |
| 45 | 0327656 | *Упорная шайба приводного валаt (THRUST WASHER, Driveshaft) | нет в наличии, поставок нет |
| 45 | 0314729 | (последний код) THRUST-WASHE | нет в наличии, поставок нет |
| 46 | 0321008 | *Пыльник, Exh hsg to Переключающая тяга (GROMMET, Exh hsg to shift rod) | нет в наличии, поставок нет |
| 47 | 0350038 | *Шайба, Шестерня Гайка (WASHER, Pinion nut) | нет в наличии, поставок нет |
| 48 | 0337774 | *Переключатель собачки сцепления (SHIFTER, Clutch dog) | нет в наличии, поставок нет |
| 48 | 0910995 | (последний код) SHIFTER | нет в наличии, поставок нет |
| 49 | 0313448 | *Штифт сцепления dog (PIN, Clutch dog) | нет в наличии, поставок нет |
| 50 | 0324369 | *Пружина, Сцепление dog Штифт (SPRING, Clutch dog pin) | нет в наличии, поставок нет |
| 50 | 0313454 | (последний код) SPRING | нет в наличии, поставок нет |
| 51 | 0318544 | *Винт, Fill & drain. (Contents of Комплект сальников редуктора.) (SCREW, Fill & drain. (Contents of GEARCASE SEAL KIT.)) | нет в наличии, поставок нет |
| 51 | 0912624 | (последний код) SCREW | нет в наличии, поставок нет |
| 52 | 0311598 | **Сальник, Fill & Дренажный винт (SEAL, Fill & drain screw) | нет в наличии, поставок нет |
| 52 | 3852105 | (последний код) WASHER | нет в наличии, поставок нет |
| 53 | 0323362 | *Регулировочная шайба, 0.003 дюйм (0.07 мм) (SHIM, 0.003 in. (0.07mm)) | нет в наличии, поставок нет |
| 53 | 0323361 | *Регулировочная шайба, 0.004 дюйм (0.10 мм) (SHIM, 0.004 in. (0.10mm)) | нет в наличии, поставок нет |
| 53 | 0314745 | *Регулировочная шайба, 0.005 дюйм (0.12 мм) (SHIM, 0.005 in. (0.12mm)) | нет в наличии, поставок нет |
| 54 | 0327669 | *Упорная шайба, дляward Шестерня (THRUST WASHER, Forward gear) | нет в наличии, поставок нет |
| 54 | 0324805 | (последний код) THRUST-WASHE | нет в наличии, поставок нет |
| 55 | 5004598 | *Крышка & Сальник в сборе, Переключающая тяга (COVER & SEAL Assy, Shift rod) | нет в наличии, поставок нет |
| 55 | 5006241 | (последний код) COVER AY,SHIFT ROD | нет в наличии, поставок нет |
| 56 | 0318372 | **Уплотнительное кольцо, Переключающая тяга. (Contents of Комплект сальников редуктора.) (O-RING, Shift rod. (Contents of GEARCASE SEAL KIT.)) | нет в наличии, поставок нет |
| 57 | 0439476 | *Подшипник HSG в сборе, DriveВал (BEARING HSG Assy, Driveshaft) | нет в наличии, поставок нет |
| 57 | 0438963 | (последний код) HOUSING AY,BEARING | нет в наличии, поставок нет |
| 58 | 0329922 | **Сальник, верхний (Contents of Комплект сальников редуктора.) (SEAL, Upper. (Contents of GEARCASE SEAL KIT.)) | нет в наличии, поставок нет |
| 59 | 0329923 | **Сальник, нижний (Contents of Комплект сальников редуктора.) (SEAL, Lower. (Contents of GEARCASE SEAL KIT.)) | нет в наличии, поставок нет |
| 60 | 0347371 | *DRIVEВал, нижний (DRIVESHAFT, Lower) | нет в наличии, поставок нет |
| 61 | 0302325 | *Винт крышки переключающей тяги (SCREW, Shift rod cover) | нет в наличии, поставок нет |
| 62 | 0338504 | *Фиксатор приводного вала (RETAINER, Driveshaft) | нет в наличии, поставок нет |
| 63 | 0311538 | *ROLL Штифт, DriveВал (ROLL PIN, Driveshaft) | нет в наличии, поставок нет |
| 64 | 0328743 | *Шайба, Tab Винт (WASHER, Tab screw) | нет в наличии, поставок нет |
| 64 | 3852191 | (последний код) WASHER | нет в наличии, поставок нет |
| 65 | 0347377 | *DETENT, Переключательer (DETENT, Shifter) | нет в наличии, поставок нет |
| 66 | 5005063 | *WATER SCREEN KIT, High flow (WATER SCREEN KIT, High flow) | нет в наличии, поставок нет |
| 67 | 0337061 | **Винт, Water Система впуска screens (SCREW, Water intake screens) | нет в наличии, поставок нет |
| 68 | 0350264 | **SCREEN, Wtr Система впуска-high flow, Port (SCREEN, Wtr intake-high flow, Port) | нет в наличии, поставок нет |
| 68 | 0349162 | (последний код) SCREEN,WATER INLET | нет в наличии, поставок нет |
| 69 | 0350265 | **SCREEN, Wtr Система впуска-high flow, Stbd (SCREEN, Wtr intake-high flow, Stbd) | нет в наличии, поставок нет |
| 70 | 5005124 | WATER SCREEN KIT, High Perf (WATER SCREEN KIT, High Perf) | нет в наличии, поставок нет |
| | 0337061 | *Винт, Water Система впуска screens. (Not shown.) (SCREW, Water intake screens. (Not shown.)) | нет в наличии, поставок нет |
| | 0348479 | *SCREEN, Wtr Система впуска-high perf, Port. (Not shown.) (SCREEN, Wtr intake-high perf, Port. (Not shown.)) | нет в наличии, поставок нет |
| | 0348480 | *SCREEN, Wtr Система впуска-high perf, Stbd. (Not shown.) (SCREEN, Wtr intake-high perf, Stbd. (Not shown.)) | нет в наличии, поставок нет |
| 71 | 5000624 | Приводной вал, верхний (FPX Models.) (DRIVESHAFT Assy, Upper. (FPX Models.)) | нет в наличии, поставок нет |
| 71 | 0436235 | (последний код) UPPER D/S AY - 25" | нет в наличии, поставок нет |
| 71 | 5000615 | Приводной вал, верхний (FPL Models.) (DRIVESHAFT Assy, Upper. (FPL Models.)) | нет в наличии, поставок нет |
| 71 | 0436234 | (последний код) KIT,UPPER D/S-20" | нет в наличии, поставок нет |
| 72 | 0349591 | Переключающая тяга. (FPX Models.) (SHIFT ROD. (FPX Models.)) | нет в наличии, поставок нет |
| 72 | 0349590 | Переключающая тяга. (FPL Models.) (SHIFT ROD. (FPL Models.)) | нет в наличии, поставок нет |
| 73 | 0321122 | Проставка, Переключающая тяга Крышка. (FPX Models.) (SPACER, Shift rod cover. (FPX Models.)) | нет в наличии, поставок нет |
| 74 | 0331409 | Сальник, Пластина трима (SEAL, Trim tab) | нет в наличии, поставок нет |
| 75 | 0338742 | Пластина трима (TRIM TAB) | нет в наличии, поставок нет |
| 75 | 0327810 | (последний код) TRIM TAB | нет в наличии, поставок нет |
| 76 | 0313715 | Винт, Пластина трима (SCREW, Trim tab) | нет в наличии, поставок нет |
| 77 | 0330263 | Винт, Креплениеing, 3 / 8 дюйм X 3.50 дюйм (SCREW, Mounting, 3/8 in. X 3.50 in.) | нет в наличии, поставок нет |
| 77 | 0914534 | (последний код) SCREW | нет в наличии, поставок нет |
| 78 | 0330265 | Монтажная шайба Винт, 7 / 16 дюйм (WASHER, Mounting screw, 7/16 in.) | нет в наличии, поставок нет |
| 79 | 0331998 | Винт, Креплениеing, 7 / 16 дюйм X 3.50 дюйм (SCREW, Mounting, 7/16 in. X 3.50 in.) | нет в наличии, поставок нет |
| 79 | 0914535 | (последний код) SCREW | нет в наличии, поставок нет |
| 80 | 0331999 | Винт, Креплениеing, 3 / 8 дюйм X 1.75 дюйм (SCREW, Mounting, 3/8 in. X 1.75 in.) | нет в наличии, поставок нет |
| 80 | 0910457 | (последний код) SCREW | нет в наличии, поставок нет |
| 81 | 0330266 | Монтажная шайба Винт, 3 / 8 дюйм (WASHER, Mounting screw, 3/8 in.) | нет в наличии, поставок нет |
| 81 | 3852200 | (последний код) WASHER | нет в наличии, поставок нет |
| 82 | 5001595 | Ремкомплект водяного насоса, (WATER PUMP REPAIR KIT,) | нет в наличии, поставок нет |
| 82 | 0435929 | (последний код) KIT AY,WATER PUMP | нет в наличии, поставок нет |
| 83 | 0320943 | *Пыльник, Помпа to exh Корпус (GROMMET, Pump to exh housing) | 1 шт | 300 руб. |
| 84 | 0338486 | *Cвыше, Крыльчатка- (Stainless) (CUP, Impeller-(Stainless)) | нет в наличии, поставок нет |
| 85 | 0306643 | *Винт, Крышка to Крыльчатка hsg (SCREW, Cover to impeller hsg) | нет в наличии, поставок нет |
| 85 | 3852066 | (последний код) SCREW | нет в наличии, поставок нет |
| 86 | 0331353 | *Сальник, Крыльчатка Корпус Пластина (SEAL, Impeller housing plate) | 1 шт | 790 руб. |
| 87 | 5001593 | *Крыльчатка в сборе (IMPELLER Assy) | нет в наличии, поставок нет |
| 87 | 0435821 | (последний код) KIT AY,IMPELLER | нет в наличии, поставок нет |
| 88 | 0331107 | *Ключ, Крыльчатка (KEY, Impeller) | нет в наличии, поставок нет |
| 89 | 0302035 | *Уплотнительное кольцо между крыльчаткой и пластиной (O-RING, Impeller to plate) | нет в наличии, поставок нет |
| 90 | 0338485 | *Пластина корпуса крыльчатки- (Stainless) (PLATE, Impeller hsg-(Stainless)) | нет в наличии, поставок нет |
| 91 | 0314008 | *Пыльник водяной трубки to Крышка (GROMMET, Water tube to cover) | нет в наличии, поставок нет |
| 92 | 0435959 | *Крыльчатка Корпус (IMPELLER HOUSING) | нет в наличии, поставок нет |
| 93 | 0302325 | *Винт, Крыльчатка Корпус (SCREW, Impeller housing) | нет в наличии, поставок нет |
| 94 | 0331188 | *Уплотнительное кольцо, Cвыше to Корпус (O-RING, Cup to housing) | 5 шт | 370 руб. |
| 95 | 0338893 | *Колпак крыльчатки Корпус (COVER, Impeller housing) | нет в наличии, поставок нет |
| 95 | 0321159 | (последний код) COVER-IMP-HS | нет в наличии, поставок нет |
| 96 | 0338484 | *Прокладка крыльчатки Пластина. (Contents of Комплект сальников редуктора.) (GASKET, Impeller plate. (Contents of GEARCASE SEAL KIT.)) | нет в наличии, поставок нет |
| 96 | 0324701 | (последний код) GASKET,-DRL5 | нет в наличии, поставок нет |
| 97 | 0338601 | *Пыльник, Гильза to exh hsg. (FPX Models.) (GROMMET, Sleeve to exh hsg. (FPX Models.)) | 1 шт | 520 руб. |
| 99 | 0338636 | *Гильза, Крышка помпы Удлинитель. (FPX Models.) (SLEEVE, Pump cover extension. (FPX Models.)) | нет в наличии, поставок нет |
| 100 | 0435526 | CHROME Cвыше & Пластина KIT (CHROME CUP & PLATE KIT) | нет в наличии, поставок нет |
| 100 | 0395059 | (последний код) CHROME PUMP KIT | нет в наличии, поставок нет |
| | 0338551 | *Cвыше, Крыльчатка- (Chrome) (Not shown.) (CUP, Impeller-(Chrome). (Not shown.)) | нет в наличии, поставок нет |
| | 0338552 | *Пластина корпуса крыльчатки- (Chrome) (Not shown.) (PLATE, Impeller hsg-(Chrome). (Not shown.)) | нет в наличии, поставок нет |
| 101 | 0126870 | Упорная втулка, 3-blade (std) (THRUST BUSHING, 3-blade (std)) | нет в наличии, поставок нет |
| 101 | 3852020 | (последний код) BUSHING,THRUST | нет в наличии, поставок нет |
| 101 | 0126869 | Упорная втулка, 4-blade (THRUST BUSHING, 4-blade) | нет в наличии, поставок нет |
| 101 | 0128740 | (последний код) BUSHING,THRUST | нет в наличии, поставок нет |
| 102 | 0 | Гребной винт. (Refer to EVINRUDE / JOHNSON Genuine Parts Гребной винт Chart.) (PROPELLER. (Refer to EVINRUDE / JOHNSON Genuine Parts Propeller Chart.)) | нет в наличии, поставок нет |
| 103 | 0387157 | *Втулка, Alum. Гребной винт (BUSHING, Alum. Propeller) | нет в наличии, поставок нет |
| 103 | 0175401 | *Втулка, S.S.Гребной винт (BUSHING, S.S.propeller) | нет в наличии, поставок нет |
| 104 | 0332394 | *CONVERGING Кольцо, Prop (std) (CONVERGING RING, Prop (std)) | нет в наличии, поставок нет |
| 104 | 3854241 | (последний код) RING, CONVERGING | нет в наличии, поставок нет |
| 105 | 0313926 | *Гильза, Гребной винт Втулка (SLEEVE, Propeller bushing) | нет в наличии, поставок нет |
| 105 | 3850831 | (последний код) SLEEVE-PROP | нет в наличии, поставок нет |
| 106 | 0320570 | Проставка гайки гребного винта (SPACER, Propeller nut) | нет в наличии, поставок нет |
| 106 | 3852163 | (последний код) SPACER,PROP | нет в наличии, поставок нет |
| 107 | 0398042 | Гайка & KEEPER, Гребной винт (NUT & KEEPER, Propeller) | нет в наличии, поставок нет |
| 107 | 3850984 | (последний код) NUT&KEEPER AY,PROP | нет в наличии, поставок нет |
| 108 | 0306394 | Шплинт, Гайка гребного винта (COTTER PIN, Propeller nut) | нет в наличии, поставок нет |
| 108 | 3852056 | (последний код) PIN,COTTER | нет в наличии, поставок нет |
| 109 | 5000411 | Комплект сальников редуктора (GEARCASE SEAL KIT) | нет в наличии, поставок нет |
| 109 | 5006373 | (последний код) KIT AY,SEAL-GC | нет в наличии, поставок нет |