вконтакте

Контактный телефон: +7 (981) 121-46-93, +7 (800) 200-90-76 , Email: parts-katalog@yandex.ru, где купить

 
 

  Логин:

Пароль:

Регистрация

www.partskatalog.ru Все каталоги Запчасти Mercury Запчасти Suzuki Запчасти Tohatsu Запчасти Honda Контакты



УВАЖАЕМЫЕ КЛИЕНТЫ!
C 19 ДЕКАБРЯ 2025 ПО 02 МАРТА 2026 ГОДА ОТДЕЛ ЗАПЧАСТЕЙ И СЕРВИС РАБОТАТЬ НЕ БУДУТ
ПРОДАЖА ЛОДОЧНЫХ МОТОРОВ В ШТАТНОМ РЕЖИМЕ
ОБ ИЗМЕНЕНИЯХ В ГРАФИКЕ РАБОТЫ ЧИТАЙТЕ НА САЙТА




Все разделы каталога запчастей на этот двигатель

назад Раздел:   вперёд

вернуться к списку узлов и деталей

ДЕТАЛИРОВКА ДЛЯ МОДЕЛИ: EVINRUDE E105WELSIF commercial, elec start, 20 in

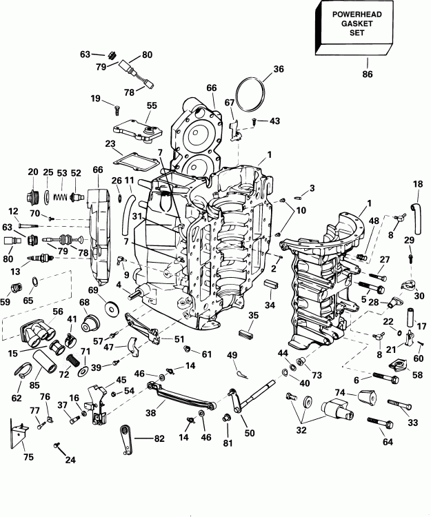
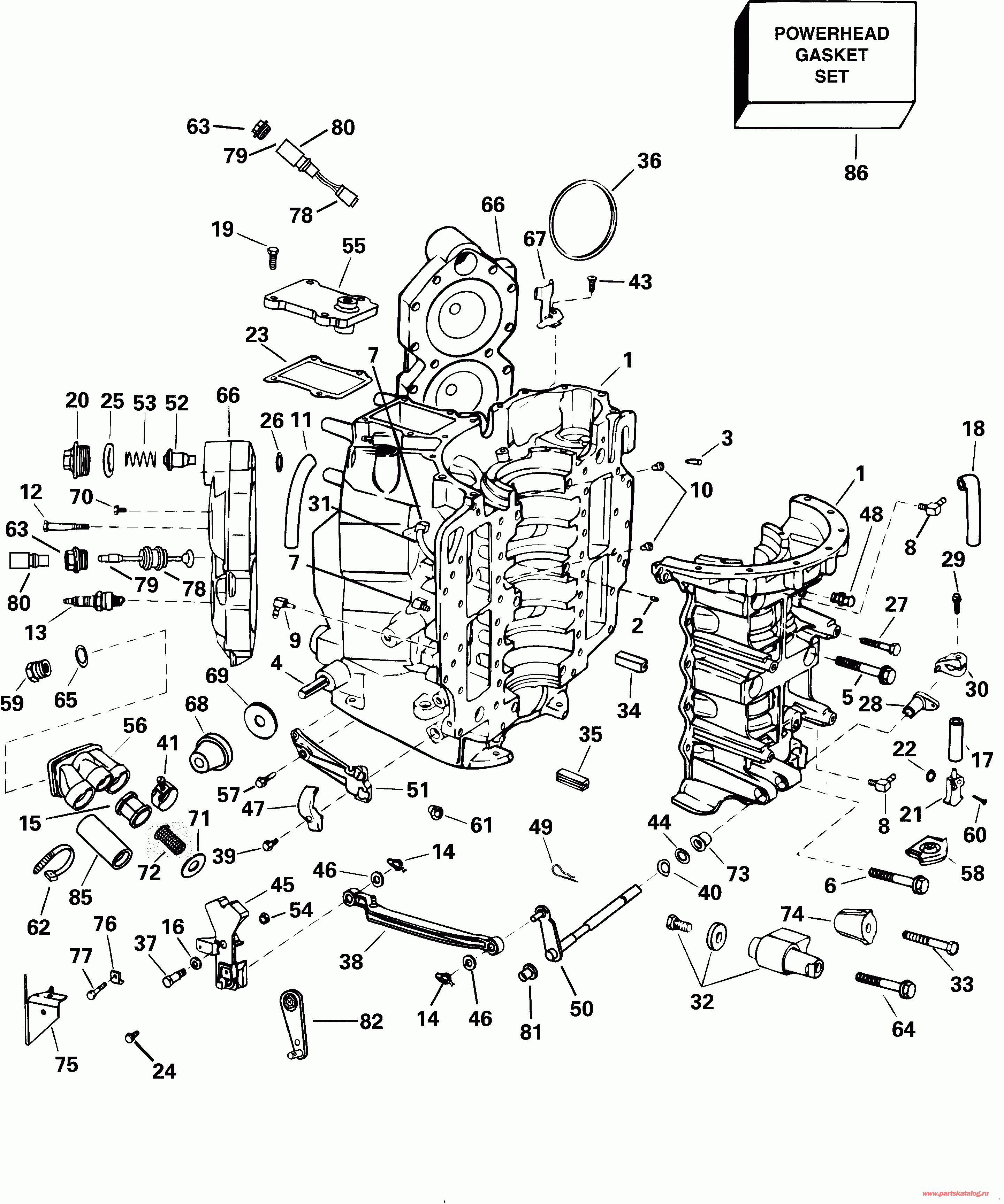
ЦИЛИНДР & КАРТЕР ДВИГАТЕЛЯ | CYLINDER & CRANKCASE;


Лодочный мотор EVINRUDE E105WELSIF commercial, elec start, 20 in  - linder & Crankcase / linder & Картер двигателя

Номер на
рисунке
АртикулНаименованиеКол-во
на складе
Цена
1 0438921

Цилиндр & Картер двигателя в сборе. (CYLINDER & CRANKCASE ASSY.)

нет в наличии, поставок нет
1 0438114

   (последний код) C-CS90/115EAGLE

нет в наличии, поставок нет
2 0304178

*Шпонка Подшипник (PIN, Dowel bearing)

нет в наличии, поставок нет
3 0305070

*Штифт кривошипаcase to block (PIN, Crankcase to block)

нет в наличии, поставок нет
4 0336630

*Штифт, Roll (PIN, Roll)

нет в наличии, поставок нет
5 0336166

*Винт, Цилиндр to Картер двигателя (SCREW, Cylinder to crankcase)

нет в наличии, поставок нет
6 0335611

*Винт, Цилиндр to Картер двигателя (SCREW, Cylinder to crankcase)

нет в наличии, поставок нет
6 0908738

   (последний код) STUD-EXH--MA

нет в наличии, поставок нет
7 0335369

*Ниппель, Drain (NIPPLE, Drain)

нет в наличии, поставок нет
8 0335369

*Ниппель, Drain, vent, Главный подшипник, верх и низ (NIPPLE, Drain, vent, main bearing, upper & lower)

нет в наличии, поставок нет
9 0437784

*Обратный клапан в сборе. (CHECK VALVE ASSY.)

нет в наличии, поставок нет
10 0437773

*Обратный клапан, Main Верхний подшипник & center (CHECK VALVE, Main bearing, upper & center)

нет в наличии, поставок нет
10 0437613

   (последний код) VALVE AY,CHECK

нет в наличии, поставок нет
11 0

*Шланг, Vent, 13 дюйм (330 мм) (сокращёная длина from P / N 327228.) (HOSE, Vent, 13 in. (330mm). (Cut to Length from P/N 327228.))

нет в наличии, поставок нет
12 0306500

Винт, Головка блока цилиндра (SCREW, Cylinder head)

нет в наличии, поставок нет
13 0437929

Свеча зажигания, Champion, QL78YC (SPARK PLUG, Champion, QL78YC)

нет в наличии, поставок нет
13 0772346

Свеча зажигания, Champion, QL78YC-SS (Stainless Steel) (SPARK PLUG, Champion, QL78YC-SS (Stainless Steel))

нет в наличии, поставок нет
14 0333774

Зажим, Соединитель (CLIP, Link)

нет в наличии, поставок нет
15 0342916

LINER, Струбцина. (105WE Models Only.) (LINER, Clamp. (105WE Models Only.))

нет в наличии, поставок нет
16 0304051

Шайба, Винт, adapter. (105WE Models Only.) (WASHER, Screw, adapter. (105WE Models Only.))

нет в наличии, поставок нет
16 0328703

   (последний код) WASHER

нет в наличии, поставок нет
17 0

Шланг, нижний main drain to stbd. bal. Трубка, 15 дюйм (381 мм) (сокращёная длина from P / N 336317.) (HOSE, Lower main drain to stbd. bal. tube, 15 in. (381mm). (Cut to Length from P/N 336317.))

нет в наличии, поставок нет
18 0

Шланг, верхний main to ccase vent Ниппель, 9 1 / 2 дюйм (242 мм) (сокращёная длина from P / N 340848.) (HOSE, Upper main to ccase vent nipple, 9 1/2 in. (242mm). (Cut to Length from P/N 340848.))

нет в наличии, поставок нет
19 0328744

Винт, Пластина to block (SCREW, Plate to block)

нет в наличии, поставок нет
19 0308741

   (последний код) SCREW

нет в наличии, поставок нет
20 0338632

Крышка термостата (COVER, Thermostat)

нет в наличии, поставок нет
21 0340767

Ниппель, нижний drain (NIPPLE, Lower drain)

нет в наличии, поставок нет
22 0324677

Уплотнительное кольцо, Ниппель, нижний drain (O-RING, Nipple, lower drain)

нет в наличии, поставок нет
23 0342291

Сальник, Регулятор (SEAL, Regulator)

нет в наличии, поставок нет
23 0350357

   (последний код) GASKET

нет в наличии, поставок нет
24 0909533

Винт зажима, Рычаг переключения. (105WE Models Only.) (SCREW, Clamp, shift lever. (105WE Models Only.))

нет в наличии, поставок нет
24 0324429

   (последний код) SCREW,IMP HSG

нет в наличии, поставок нет
25 0331188

Уплотнительное кольцо крышки термостата (O-RING, Thermostat cover)

5 шт370 руб.
26 0335981

Сальник термостата (SEAL, Thermostat)

нет в наличии, поставок нет
27 0328744

Винт, Цилиндр to Картер двигателя (SCREW, Cylinder to crankcase)

нет в наличии, поставок нет
27 0308741

   (последний код) SCREW

нет в наличии, поставок нет
28 0330935

Втулка, Рычаг переключения (BUSHING, Shift lever)

нет в наличии, поставок нет
29 0335020

Винт, Рычаг тяги переключения (SCREW, Shift rod lever)

нет в наличии, поставок нет
29 0318139

   (последний код) SCREW

нет в наличии, поставок нет
30 0433817

Рычаг в сборе., Переключающая тяга (LEVER ASSY., Shift rod)

нет в наличии, поставок нет
31 0

Дренажный шланг system. (сокращёная длина from P / N 340848.) (HOSE, Drain system. (Cut to Length from P/N 340848.))

нет в наличии, поставок нет
32 5004323

Монтажная резинка в сборе., верхний (RUBBER MOUNT ASSY., Upper)

нет в наличии, поставок нет
33 0330263

Винт, верхний Крепление retention (SCREW, Upper mount retention)

нет в наличии, поставок нет
33 0914534

   (последний код) SCREW

нет в наличии, поставок нет
34 0335499

Сальник, Block to Нижняя часть корпуса, port (SEAL, Block to lower cover, port)

нет в наличии, поставок нет
35 0335500

Сальник, Block to Нижняя часть корпуса, stbd. (SEAL, Block to lower cover, stbd.)

нет в наличии, поставок нет
36 0335523

Уплотнительное кольцо, Головка блока цилиндра (O-RING, Cylinder head)

1 шт770 руб.
37 0330933

Винт, Рычаг переключения to block (SCREW, Shift arm to block)

нет в наличии, поставок нет
38 0343118

Переключающая тяга Рычаг to Рычаг переключения (LINK, Shift lever to shift arm)

нет в наличии, поставок нет
38 0335382

   (последний код) LINK,SHIFT-LEVE

нет в наличии, поставок нет
39 0328725

Винт, Крышка, trunnion (SCREW, Cover, trunnion)

нет в наличии, поставок нет
39 3852187

   (последний код) SCREW

нет в наличии, поставок нет
40 0306012

Шайба вала переключения (WASHER, Shift shaft)

нет в наличии, поставок нет
41 0336136

Струбцина, Пыльник, Выхлоп (CLAMP, Grommet, exhaust)

нет в наличии, поставок нет
42 0304051

Шайба, Переключающая тяга (WASHER, Shift rod)

нет в наличии, поставок нет
42 0328703

   (последний код) WASHER

нет в наличии, поставок нет
43 0316195

Винт направляющей to block (SCREW, Guide to block)

нет в наличии, поставок нет
44 0202026

Шайба, Рычаг переключения (WASHER, Shift arm)

нет в наличии, поставок нет
45 0344127

ADAPTER, Interlock. (105WE Models Only.) (ADAPTER, Interlock. (105WE Models Only.))

нет в наличии, поставок нет
45 0436902

Рычаг переключения. (105WP Models Only.) (SHIFT LEVER. (105WP Models Only.))

нет в наличии, поставок нет
46 0328702

Шайба, Соединитель to Рычаг переключения (WASHER, Link to shift arm)

нет в наличии, поставок нет
46 3852183

   (последний код) WASHER

нет в наличии, поставок нет
47 0335528

Крышка, Trunnion (COVER, Trunnion)

нет в наличии, поставок нет
47 0349060

   (последний код) COVER,TRUNNION

нет в наличии, поставок нет
48 0303492

Ниппель, Pulse (NIPPLE, Pulse)

нет в наличии, поставок нет
49 0330941

Штифт, Рычаг переключения (PIN, Shift arm)

нет в наличии, поставок нет
50 5000470

Переключающий вал & Рычаг в сборе.. (105WE Models Only.) (SHIFT SHAFT & ARM ASSY.. (105WE Models Only.))

нет в наличии, поставок нет
50 0436822

   (последний код) ARM&SHAFT AY,SHIFT

нет в наличии, поставок нет
50 5001838

Переключающий вал & Рычаг в сборе.. (105WP Models Only.) (SHIFT SHAFT & ARM ASSY.. (105WP Models Only.))

нет в наличии, поставок нет
51 0349061

TRUNNION BLOCK (TRUNNION BLOCK)

нет в наличии, поставок нет
51 0345672

   (последний код) BLOCK,TRUNNION

нет в наличии, поставок нет
52 0435491

Термостат в сборе. (THERMOSTAT ASSY.)

нет в наличии, поставок нет
53 0338174

Пружина, Термостат (SPRING, Thermostat)

нет в наличии, поставок нет
54 0313022

Гайка, Рычаг тяги переключения (NUT, Shift rod lever)

нет в наличии, поставок нет
54 3852118

   (последний код) NUT,LOCK

нет в наличии, поставок нет
55 0342293

Пластина, Крышка. (105WE Models Only.) (PLATE, Cover. (105WE Models Only.))

нет в наличии, поставок нет
56 0437223

Пыльник & INSERT, Выхлоп relief (GROMMET & INSERT, Exhaust relief)

нет в наличии, поставок нет
56 0439953

Пыльник, Выхлоп relief. (105WP Models Only.) (GROMMET, Exhaust relief. (105WP Models Only.))

нет в наличии, поставок нет
56 0437827

   (последний код) GROMMET AY,EXH REL

нет в наличии, поставок нет
57 0328744

Винт, Trunnion to block (SCREW, Trunnion to block)

нет в наличии, поставок нет
57 0308741

   (последний код) SCREW

нет в наличии, поставок нет
58 0335316

Сальник, Переключающая тяга (SEAL, Shift rod)

нет в наличии, поставок нет
59 0436857

Заглушка & NOZZLE, Overbrd. Индикатор (PLUG & NOZZLE, Overbrd. indicator)

нет в наличии, поставок нет
59 0336217

   (последний код) NOZZLE,OVBD DRAIN

нет в наличии, поставок нет
60 0328649

Винт, нижний Дренажный ниппель (SCREW, Lower drain nipple)

нет в наличии, поставок нет
60 0337541

   (последний код) SCREW

нет в наличии, поставок нет
61 0311015

Пыльник, Рычаг переключения (GROMMET, Shift lever)

нет в наличии, поставок нет
61 3852094

   (последний код) BUSHING

нет в наличии, поставок нет
62 0320107

Крепёжный хомут (TIE STRAP)

нет в наличии, поставок нет
62 5035626

   (последний код) BAND,REM CON

нет в наличии, поставок нет
63 0342923

Крышка головки цилиндра. (105WE Models Only.) (COVER, Cylinder head. (105WE Models Only.))

нет в наличии, поставок нет
64 0348449

Винт, верхний Крепление (110-130 фут lbs.) (SCREW, Upper mount (110-130 ft. lbs.))

нет в наличии, поставок нет
65 0301967

Уплотнительное кольцо, Overboard Индикатор (O-RING, Overboard indicator)

нет в наличии, поставок нет
66 0342795

Головка блока цилиндра (CYLINDER HEAD)

нет в наличии, поставок нет
67 0337478

Направляющая, Статор Проводs (GUIDE, Stator wires)

нет в наличии, поставок нет
68 0328584

Крепление нижнее Крышка (MOUNT, Lower cover)

нет в наличии, поставок нет
68 0349557

   (последний код) MOUNT

нет в наличии, поставок нет
69 0329749

Шайба, Крепление (WASHER, Mount)

нет в наличии, поставок нет
69 0349556

   (последний код) WASHER

нет в наличии, поставок нет
70 0332135

Заглушка, Головка блока цилиндра pressure tap (PLUG, Cylinder head pressure tap)

нет в наличии, поставок нет
70 0340808

   (последний код) PLUG

нет в наличии, поставок нет
71 0315189

Шайба, Фильтр (WASHER, Filter)

нет в наличии, поставок нет
72 0341689

Фильтр, Overboard. (105WE Models Only.) (FILTER, Overboard. (105WE Models Only.))

нет в наличии, поставок нет
73 0335521

Втулка, Рычаг переключения to block (BUSHING, Shift lever to block)

нет в наличии, поставок нет
74 0340418

Фиксатор, верхний Крепление (RETAINER, Upper mount)

нет в наличии, поставок нет
75 0344749

Кронштейн, Interlock Кабели mtg.. (105WE Models Only.) (BRACKET, Interlock cable mtg.. (105WE Models Only.))

нет в наличии, поставок нет
75 0342794

   (последний код) BRACKET

нет в наличии, поставок нет
76 0328456

Струбцина кронштейна тросика. (105WE Models Only.) (CLAMP, Cable bracket. (105WE Models Only.))

нет в наличии, поставок нет
77 0328731

Винт, Кабели Кронштейн. (105WE Models Only.) (SCREW, Cable bracket. (105WE Models Only.))

нет в наличии, поставок нет
77 0329265

   (последний код) SCREW

нет в наличии, поставок нет
78 0585023

температура Переключатель в сборе., Port (TEMPERATURE SWITCH ASSY.,Port)

нет в наличии, поставок нет
78 0514388

   (последний код) SWITCH,TEMPERATURE

нет в наличии, поставок нет
78 0585184

температура Переключатель в сборе., Stbd. (TEMPERATURE SWITCH ASSY., Stbd.)

нет в наличии, поставок нет
78 0586094

   (последний код) SWITCH AY,TEMP

нет в наличии, поставок нет
79 0511469

*Клемма, Штифт (TERMINAL, Pin)

нет в наличии, поставок нет
79 3852229

   (последний код) TERMINAL,PIN

нет в наличии, поставок нет
80 0512746

*Коннектор (CONNECTOR)

нет в наличии, поставок нет
81 0340734

Втулка, Рычаг переключения (BUSHING, Shift arm)

нет в наличии, поставок нет
82 0439118

Рычаг переключения. (105WE Models Only.) (SHIFT LEVER. (105WE Models Only.))

нет в наличии, поставок нет
85 0343398

Шланг, Выхлоп Пыльник. (105WP Models Only.) (HOSE, Exhaust Grommet. (105WP Models Only.))

нет в наличии, поставок нет
86 0439559

POWERHEAD Комплект прокладок (POWERHEAD GASKET SET)

нет в наличии, поставок нет
86 0437779

   (последний код) PWHD GASKET SET V4

нет в наличии, поставок нет
evinrude

Время выполнения запроса 3.3244678974152 сек.


 
 

данный сайт носит информационный характер и не является публичной офертой

склад запчастей для водомоторной техники