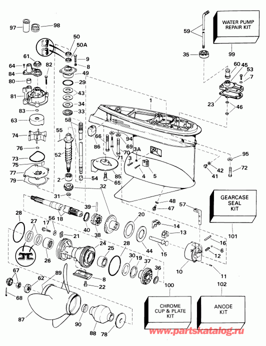
Номер на рисунке | Артикул | Наименование | Кол-во на складе | Цена |
| 0439982 | Редуктор в сборе., комплект. (Not Shown.) (GEARCASE ASSY., Complete. (Not Shown.)) | нет в наличии, поставок нет |
| 5005744 | (последний код) G-CASE .44 OS WHT | нет в наличии, поставок нет |
1 | 0439972 | *Редуктор в сборе с подшипником. (GEARCASE & BEARING ASSY.) | нет в наличии, поставок нет |
1 | 5007022 | (последний код) GCASE & BRG AY,"O" | нет в наличии, поставок нет |
2 | 0387817 | **Подшипник, Шестерня (BEARING, Pinion) | нет в наличии, поставок нет |
3 | 0324852 | **RETAINING Винт (RETAINING SCREW) | нет в наличии, поставок нет |
3A | 0332584 | ***Сальник (SEAL) | нет в наличии, поставок нет |
4 | 0337061 | **Винт, Water Система впуска (SCREW, Water intake) | нет в наличии, поставок нет |
5 | 0337778 | **Водяной экран Система впуска (SCREEN, Water intake) | нет в наличии, поставок нет |
6 | 0160084 | *Шарик, Detent (BALL, Detent) | нет в наличии, поставок нет |
6 | 3852023 | (последний код) BALL | нет в наличии, поставок нет |
7 | 0328702 | *Шайба (WASHER) | нет в наличии, поставок нет |
7 | 3852183 | (последний код) WASHER | нет в наличии, поставок нет |
8 | 0431708 | *Анод (ANODE) | нет в наличии, поставок нет |
8 | 0397111 | (последний код) ANODE-AY | нет в наличии, поставок нет |
9 | 0317624 | *Винт, Корпус to Редуктор (SCREW, Housing to gearcase) | нет в наличии, поставок нет |
10 | 0389455 | *Корпус & Подшипник в сборе. (HOUSING & BEARING ASSY.) | нет в наличии, поставок нет |
11 | 0331880 | **Штифт, Корпус (PIN, Housing) | нет в наличии, поставок нет |
12 | 0911962 | *Фиксатор пружины (SPRING, Detent) | нет в наличии, поставок нет |
12 | 0915955 | (последний код) SPRING | нет в наличии, поставок нет |
13 | 0334163 | *CRADLE, Переключательer (CRADLE, Shifter) | 5 шт | 1880 руб. |
13 | 0322900 | (последний код) CRADLE-SHIFT | нет в наличии, поставок нет |
14 | 0322938 | *Рычаг переключателя (LEVER, Shift) | нет в наличии, поставок нет |
15 | 0322941 | *Вал (SHAFT) | нет в наличии, поставок нет |
16 | 0328825 | *Штифт, Рычаг переключения (PIN, Shift lever) | нет в наличии, поставок нет |
17 | 0341541 | *Винт & Сальник в сборе. (SCREW & SEAL ASSY.) | нет в наличии, поставок нет |
18 | 0435022 | *Вал гребного винта в сборе. (PROPELLER SHAFT ASSY.) | нет в наличии, поставок нет |
18 | 5004765 | (последний код) PROPSHAFT AY,SERV | нет в наличии, поставок нет |
19 | 0382408 | *THRUST BRG. в сборе., Reverse Шестерня (THRUST BRG. ASSY., Reverse gear) | нет в наличии, поставок нет |
20 | 0389042 | *THRUST BRG. в сборе., Fwd. Шестерня (THRUST BRG. ASSY., Fwd. gear) | нет в наличии, поставок нет |
21 | 0333957 | *TAB, Фиксатор (TAB, Retainer) | нет в наличии, поставок нет |
22 | 0908158 | *Винт, Анод (SCREW, Anode) | нет в наличии, поставок нет |
22 | 3852050 | (последний код) SCREW | нет в наличии, поставок нет |
23 | 0324670 | *Прокладка, Переключающая тяга Крышка. (Contents of Комплект сальников редуктора.) (GASKET, Shift rod cover. (Contents of Gearcase Seal Kit.)) | нет в наличии, поставок нет |
23 | 0352165 | (последний код) GASKET | 2 шт | 550 руб. |
24 | 5000363 | *Подшипник Корпус Сальник в сборе. (BEARING HOUSING SEAL ASSY.) | нет в наличии, поставок нет |
24 | 5004257 | (последний код) HSG AY, PROPSHAFT | нет в наличии, поставок нет |
25 | 0382407 | **Игольчатый подшипник в сборе. (NEEDLE BEARING ASSY.) | 1 шт | 5500 руб. |
26 | 0436752 | **Игольчатый подшипник в сборе. (NEEDLE BEARING ASSY.) | нет в наличии, поставок нет |
27 | 0334950 | **Сальник. (Contents of Комплект сальников редуктора.) (SEAL. (Contents of Gearcase Seal Kit.)) | нет в наличии, поставок нет |
28 | 0305123 | **Уплотнительное кольцо, Вал гребного винта hsg.. (Contents of Комплект сальников редуктора.) (O-RING, Propeller shaft hsg.. (Contents of Gearcase Seal Kit.)) | нет в наличии, поставок нет |
28 | 0321119 | (последний код) O-RING,-DLR | нет в наличии, поставок нет |
29 | 0314728 | *Уплотнительное кольцо, DriveВал Подшипник. (Contents of Комплект сальников редуктора.) (O-RING, Driveshaft bearing. (Contents of Gearcase Seal Kit.)) | нет в наличии, поставок нет |
29 | 0354731 | (последний код) O-RING | 1 шт | 850 руб. |
30 | 0314731 | *THRUST Шайба шестерни заднего хода (THRUST WASHER, Reverse gear) | нет в наличии, поставок нет |
31 | 0314730 | *Гайка, Шестерня to driveВал (100-110 футlbs.) (NUT, Pinion to driveshaft (100-110 ft.lbs.)) | нет в наличии, поставок нет |
32 | 0435123 | *Шестерня & Комплект шестерёнок. (GEAR & PINION ASSY.) | нет в наличии, поставок нет |
32 | 0433841 | (последний код) GEARSET | нет в наличии, поставок нет |
33 | 0387656 | *THRUST Подшипник, Шестерня (THRUST BEARING, Pinion) | нет в наличии, поставок нет |
33 | 0383248 | (последний код) BEARING | нет в наличии, поставок нет |
34 | 0327656 | *Упорная шайба шестерни Шестерня (THRUST WASHER, Pinion) | нет в наличии, поставок нет |
34 | 0314729 | (последний код) THRUST-WASHE | нет в наличии, поставок нет |
35 | 0321008 | *Пыльник, Exh. hsg. to Переключающая тяга. (Contents of Ремкомплект водяного насоса.) (GROMMET, Exh. hsg. to shift rod. (Contents of Water Pump Repair Kit.)) | нет в наличии, поставок нет |
36 | 0336565 | *Упорная шайба (THRUST WASHER) | нет в наличии, поставок нет |
37 | 0336574 | *Шестерня обратного хода (GEAR, Reverse) | нет в наличии, поставок нет |
38 | 0337774 | *Переключатель собачки сцепления (SHIFTER, Clutch dog) | нет в наличии, поставок нет |
38 | 0910995 | (последний код) SHIFTER | нет в наличии, поставок нет |
39 | 0313448 | *Штифт сцепления dog (PIN, Clutch dog) | нет в наличии, поставок нет |
40 | 0324369 | *Пружина, Сцепление dog Штифт (SPRING, Clutch dog pin) | нет в наличии, поставок нет |
40 | 0313454 | (последний код) SPRING | нет в наличии, поставок нет |
41 | 0318544 | *Заглушка, Fill & drain (PLUG, Fill & drain) | нет в наличии, поставок нет |
41 | 0912624 | (последний код) SCREW | нет в наличии, поставок нет |
42 | 0311598 | **Шайба. (Contents of Комплект сальников редуктора.) (WASHER. (Contents of Gearcase Seal Kit.)) | нет в наличии, поставок нет |
42 | 3852105 | (последний код) WASHER | нет в наличии, поставок нет |
43 | 0323362 | *Регулировочная шайба, 0.003 дюйм (0, 07 мм) (SHIM, 0.003 in. (0,07mm)) | нет в наличии, поставок нет |
43 | 0323361 | *Регулировочная шайба, 0.004 дюйм (0, 10 мм) (SHIM, 0.004 in. (0,10mm)) | нет в наличии, поставок нет |
43 | 0314745 | *Регулировочная шайба, 0.005 дюйм (0, 12 мм) (SHIM, 0.005 in. (0,12mm)) | нет в наличии, поставок нет |
44 | 0397566 | *Упорная шайба, дляward Шестерня (THRUST WASHER, Forward gear) | нет в наличии, поставок нет |
44 | 0327760 | (последний код) SHIM---.029 | нет в наличии, поставок нет |
45 | 0435482 | *Крышка & Сальник в сборе. (COVER & SEAL ASSY.) | нет в наличии, поставок нет |
45 | 5006241 | (последний код) COVER AY,SHIFT ROD | нет в наличии, поставок нет |
46 | 0318372 | **Уплотнительное кольцо, Переключающая тяга. (Contents of Комплект сальников редуктора.) (O-RING, Shift rod. (Contents of Gearcase Seal Kit.)) | нет в наличии, поставок нет |
47 | 0318544 | *Винт дренажный & fill (SCREW, Drain & fill) | нет в наличии, поставок нет |
47 | 0912624 | (последний код) SCREW | нет в наличии, поставок нет |
48 | 0311598 | **Шайба. (Contents of Комплект сальников редуктора.) (WASHER. (Contents of Gearcase Seal Kit.)) | нет в наличии, поставок нет |
48 | 3852105 | (последний код) WASHER | нет в наличии, поставок нет |
49 | 0439476 | *Подшипник Корпус & Сальник (BEARING HOUSING & SEAL) | нет в наличии, поставок нет |
49 | 0438963 | (последний код) HOUSING AY,BEARING | нет в наличии, поставок нет |
50 | 0329922 | **Сальник, верхний (Contents of Комплект сальников редуктора.) (SEAL, Upper. (Contents of Gearcase Seal Kit.)) | нет в наличии, поставок нет |
50A | 0329923 | **Сальник, нижний (Contents of Комплект сальников редуктора.) (SEAL, Lower. (Contents of Gearcase Seal Kit.)) | нет в наличии, поставок нет |
52 | 0345905 | *DRIVEВал, нижний (DRIVESHAFT, Lower) | нет в наличии, поставок нет |
52 | 0335677 | (последний код) DRIVESHAFT,L | нет в наличии, поставок нет |
53 | 0302325 | *Винт, Крышка (SCREW, Cover) | нет в наличии, поставок нет |
54 | 0338504 | *Фиксатор (RETAINER) | нет в наличии, поставок нет |
55 | 0311538 | *Штифт, верхний to нижний driveВал (PIN, Upper to lower driveshaft) | нет в наличии, поставок нет |
56 | 0328743 | *Шайба, Винт, tab (WASHER, Screw, tab) | нет в наличии, поставок нет |
56 | 3852191 | (последний код) WASHER | нет в наличии, поставок нет |
57 | 0915954 | *DETENT, Переключательer (DETENT, Shifter) | нет в наличии, поставок нет |
57 | 0323946 | (последний код) DETENT | нет в наличии, поставок нет |
58 | 5000615 | Приводной вал., верхний (105WPL Models Only.) (DRIVESHAFT ASSY., Upper. (105WPL Models Only.)) | нет в наличии, поставок нет |
58 | 0436234 | (последний код) KIT,UPPER D/S-20" | нет в наличии, поставок нет |
58 | 5000624 | Приводной вал., верхний (105WPX Models Only.) (DRIVESHAFT ASSY., Upper. (105WPX Models Only.)) | нет в наличии, поставок нет |
58 | 0436235 | (последний код) UPPER D/S AY - 25" | нет в наличии, поставок нет |
58 | 5000616 | Приводной вал., верхний (105WEL Models Only.) (DRIVESHAFT ASSY., Upper. (105WEL Models Only.)) | нет в наличии, поставок нет |
58 | 0439583 | (последний код) DRIVESHAFT AY, UPR | нет в наличии, поставок нет |
59 | 0342994 | Переключающая тяга. (105WPL Models Only.) (SHIFT ROD. (105WPL Models Only.)) | нет в наличии, поставок нет |
59 | 0342995 | Переключающая тяга. (105WPX Models Only.) (SHIFT ROD. (105WPX Models Only.)) | нет в наличии, поставок нет |
59 | 0335509 | Переключающая тяга. (105WEL Models Only.) (SHIFT ROD. (105WEL Models Only.)) | нет в наличии, поставок нет |
60 | 0321122 | Проставка, Переключающая тяга. (105WPX Models Only.) (SPACER, Shift rod. (105WPX Models Only.)) | нет в наличии, поставок нет |
61 | 0320943 | Пыльник, Крыльчатка Корпус. (Contents of Ремкомплект водяного насоса.) (GROMMET, Impeller housing. (Contents of Water Pump Repair Kit.)) | 1 шт | 300 руб. |
62 | 0320570 | Проставка гайки гребного винта (SPACER, Propeller nut) | нет в наличии, поставок нет |
62 | 3852163 | (последний код) SPACER,PROP | нет в наличии, поставок нет |
63 | 0338486 | Cвыше, Крыльчатка. (Contents of Ремкомплект водяного насоса.) (CUP, Impeller. (Contents of Water Pump Repair Kit.)) | нет в наличии, поставок нет |
63 | 0338551 | Cвыше, Крыльчатка, chrome (CUP, Impeller, chrome) | нет в наличии, поставок нет |
64 | 0306643 | Винт, Крышка to Крыльчатка. (Contents of Ремкомплект водяного насоса.) (SCREW, Cover to impeller. (Contents of Water Pump Repair Kit.)) | нет в наличии, поставок нет |
64 | 3852066 | (последний код) SCREW | нет в наличии, поставок нет |
65 | 0313715 | Винт, Пластина трима (SCREW, Trim tab) | нет в наличии, поставок нет |
66 | 0330263 | Винт, Редуктор to hsg., rear (SCREW, Gearcase to hsg., rear) | нет в наличии, поставок нет |
66 | 0914534 | (последний код) SCREW | нет в наличии, поставок нет |
67 | 0398042 | Гайка & KEEPER, Гребной винт (NUT & KEEPER, Propeller) | нет в наличии, поставок нет |
67 | 3850984 | (последний код) NUT&KEEPER AY,PROP | нет в наличии, поставок нет |
68 | 0314502 | Шплинт, Гайка гребного винта (COTTER PIN, Propeller nut) | нет в наличии, поставок нет |
69 | 0330265 | Шайба (WASHER) | нет в наличии, поставок нет |
70 | 0331998 | Винт, Редуктор to Корпус (SCREW, Gearcase to housing) | нет в наличии, поставок нет |
70 | 0914535 | (последний код) SCREW | нет в наличии, поставок нет |
71 | 0328096 | Винт, Анод (SCREW, Anode) | нет в наличии, поставок нет |
71 | 0327046 | (последний код) SCREW | нет в наличии, поставок нет |
72 | 0331999 | Винт, Редуктор to hsg., short (SCREW, Gearcase to hsg., short) | нет в наличии, поставок нет |
72 | 0910457 | (последний код) SCREW | нет в наличии, поставок нет |
73 | 0331353 | Сальник, Крыльчатка Корпус Пластина. (Contents of Ремкомплект водяного насоса.) (SEAL, Impeller housing plate. (Contents of Water Pump Repair Kit.)) | 1 шт | 790 руб. |
74 | 0435821 | Крыльчатка в сборе.. (Contents of Ремкомплект водяного насоса.) (IMPELLER ASSY.. (Contents of Water Pump Repair Kit.)) | нет в наличии, поставок нет |
74 | 5001593 | (последний код) KIT AY,IMPELLER | нет в наличии, поставок нет |
75 | 0331107 | *CAM, DriveВал to Крыльчатка. (Contents of Ремкомплект водяного насоса.) (CAM, Driveshaft to impeller. (Contents of Water Pump Repair Kit.)) | нет в наличии, поставок нет |
76 | 0302035 | *Уплотнительное кольцо. (Contents of Ремкомплект водяного насоса.) (O-RING. (Contents of Water Pump Repair Kit.)) | нет в наличии, поставок нет |
77 | 0338485 | Пластина корпуса крыльчатки. (Contents of Ремкомплект водяного насоса.) (PLATE, Impeller housing. (Contents of Water Pump Repair Kit.)) | нет в наличии, поставок нет |
77 | 0338552 | Пластина корпуса крыльчатки, chrome (PLATE, Impeller housing, chrome) | нет в наличии, поставок нет |
78 | 0127084 | Упорная втулка, 3-blade (THRUST BUSHING, 3-blade) | нет в наличии, поставок нет |
78 | 0384574 | (последний код) BUSHING | нет в наличии, поставок нет |
78 | 0127212 | Упорная втулка, 4-blade (THRUST BUSHING, 4-blade) | нет в наличии, поставок нет |
79 | 0338484 | Прокладка крыльчатки hsg. Пластина. (Contents of Ремкомплект водяного насоса. Contents of Комплект сальников редуктора.) (GASKET, Impeller hsg. Plate. (Contents of Water Pump Repair Kit. Contents of Gearcase Seal Kit.)) | нет в наличии, поставок нет |
79 | 0324701 | (последний код) GASKET,-DRL5 | нет в наличии, поставок нет |
80 | 0314008 | Пыльник водяной трубки. (Contents of Ремкомплект водяного насоса.) (GROMMET, Water tube. (Contents of Water Pump Repair Kit.)) | нет в наличии, поставок нет |
81 | 0435959 | Крыльчатка Корпус, Редуктор. (Contents of Ремкомплект водяного насоса.) (IMPELLER HOUSING, Gearcase. (Contents of Water Pump Repair Kit.)) | нет в наличии, поставок нет |
82 | 0302325 | Винт, Крыльчатка Корпус, 1 дюйм. (Contents of Ремкомплект водяного насоса.) (SCREW, Impeller housing, 1 in.. (Contents of Water Pump Repair Kit.)) | нет в наличии, поставок нет |
83 | 0331188 | Уплотнительное кольцо. (Contents of Ремкомплект водяного насоса.) (O-RING. (Contents of Water Pump Repair Kit.)) | 5 шт | 370 руб. |
84 | 0338893 | Колпак крыльчатки Корпус. (Contents of Ремкомплект водяного насоса.) (COVER, Impeller housing. (Contents of Water Pump Repair Kit.)) | нет в наличии, поставок нет |
84 | 0321159 | (последний код) COVER-IMP-HS | нет в наличии, поставок нет |
85 | 0338742 | Пластина трима, Редуктор (TRIM TAB, Gearcase) | нет в наличии, поставок нет |
85 | 0327810 | (последний код) TRIM TAB | нет в наличии, поставок нет |
86 | 0436745 | Анод (ANODE) | нет в наличии, поставок нет |
86 | 0393023 | (последний код) ANODE&INSERT AY | нет в наличии, поставок нет |
87 | 0 | Гребной винт. (Refer to Genuine Parts Гребной винт Chart.) (PROPELLER. (Refer to Genuine Parts Propeller Chart.)) | нет в наличии, поставок нет |
88 | 0387157 | *Втулка в сборе., Гребной винт, alum. (BUSHING ASSY., Propeller, alum.) | нет в наличии, поставок нет |
88 | 0175401 | *Втулка в сборе., Гребной винт, SST (BUSHING ASSY., Propeller, SST) | нет в наличии, поставок нет |
89 | 0332394 | *CONVERGING Кольцо, Std. prop. (CONVERGING RING, Std. prop.) | нет в наличии, поставок нет |
89 | 3854241 | (последний код) RING, CONVERGING | нет в наличии, поставок нет |
90 | 0313926 | *Гильза (SLEEVE) | нет в наличии, поставок нет |
90 | 3850831 | (последний код) SLEEVE-PROP | нет в наличии, поставок нет |
94 | 0307161 | Блокирующая шайба анода (LOCK WASHER, Anode) | нет в наличии, поставок нет |
95 | 0330266 | Шайба шестерниcase (WASHER, Gearcase) | нет в наличии, поставок нет |
95 | 3852200 | (последний код) WASHER | нет в наличии, поставок нет |
97 | 0338636 | Гильза, Водяной насос to outer exh. hsg. (Contents of Ремкомплект водяного насоса. 105WPX Models Only.) (SLEEVE, Water pump to outer exh. hsg. (Contents of Water Pump Repair Kit. 105WPX Models Only.)) | нет в наличии, поставок нет |
98 | 0338601 | Пыльник, Гильза. (Contents of Ремкомплект водяного насоса. 105WPX Models Only.) (GROMMET, Sleeve. (Contents of Water Pump Repair Kit. 105WPX Models Only.)) | 1 шт | 520 руб. |
99 | 0435929 | Ремкомплект водяного насоса, (Includes Корпус) (WATER PUMP REPAIR KIT, (Includes housing)) | нет в наличии, поставок нет |
99 | 5001595 | (последний код) KIT AY,WATER PUMP | нет в наличии, поставок нет |
100 | 0435526 | CHROME Cвыше & Пластина KIT (CHROME CUP & PLATE KIT) | нет в наличии, поставок нет |
100 | 0395059 | (последний код) CHROME PUMP KIT | нет в наличии, поставок нет |
101 | 5000411 | Комплект сальников редуктора (GEARCASE SEAL KIT) | нет в наличии, поставок нет |
101 | 5006373 | (последний код) KIT AY,SEAL-GC | нет в наличии, поставок нет |
102 | 0392160 | Анод KIT, (Includes 71 & 86) (ANODE KIT, (Includes 71 & 86)) | нет в наличии, поставок нет |
102 | 0392160 | Анод KIT, (Includes 71 & 86) (ANODE KIT, (Includes 71 & 86)) | нет в наличии, поставок нет |