вконтакте

Контактный телефон: +7 (981) 121-46-93, +7 (800) 200-90-76 , Email: parts-katalog@yandex.ru, где купить

 
 

  Логин:

Пароль:

Регистрация

www.partskatalog.ru Все каталоги Запчасти Mercury Запчасти Suzuki Запчасти Tohatsu Запчасти Honda Контакты


Все разделы каталога запчастей на этот двигатель

назад Раздел:   вперёд

вернуться к списку узлов и деталей

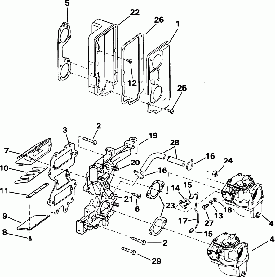
ДЕТАЛИРОВКА ДЛЯ МОДЕЛИ: EVINRUDE E40WRLSIR commercial, rope start, 20 in

ВПУСКНОЙ КОЛЛЕКТОР & AIR ГЛУШИТЕЛЬ | INTAKE MANIFOLD & AIR SILENCER;


Мотор EVINRUDE E40WRLSIR commercial, rope start, 20 in   - take Коллектор & Air Глушитель / take Manifold & Air Silencer

Номер на
рисунке
АртикулНаименованиеКол-во
на складе
Цена
1 0329396

Крышка, Air Глушитель (COVER, Air silencer)

нет в наличии, поставок нет
1 0320403

   (последний код) COVER

нет в наличии, поставок нет
2 0306409

Винт, Коллектор to Картер двигателя (SCREW, Manifold to crankcase)

нет в наличии, поставок нет
3 0335633

Прокладка коллектора to Картер двигателя (GASKET, Manifold to crankcase)

нет в наличии, поставок нет
3 0317504

   (последний код) GASKET

нет в наличии, поставок нет
4 0

Карбюратор в сборе.. (See Карбюратор Pages для Detail Сервис Parts.) (CARBURETOR ASSY.. (See Carburetor Pages for Detail Service Parts.))

нет в наличии, поставок нет
5 0330910

Прокладка, Air Глушитель Основание to carb. (GASKET, Air silencer base to carb.)

нет в наличии, поставок нет
6 0306474

Винт, Reed box to Коллектор (SCREW, Reed box to manifold)

нет в наличии, поставок нет
7 0389823

REED BOX в сборе. (REED BOX ASSY.)

нет в наличии, поставок нет
7 0394430

   (последний код) LEAF-PLATE-A

нет в наличии, поставок нет
8 0327074

*Винт (SCREW)

нет в наличии, поставок нет
8 0307129

   (последний код) SCREW

нет в наличии, поставок нет
9 0323601

*STOP, Reed (STOP, Reed)

нет в наличии, поставок нет
10 0317739

*Язычковый клапан (REED VALVE)

нет в наличии, поставок нет
10 0329777

   (последний код) LEAF-VALVE-&

нет в наличии, поставок нет
11 0323412

*Регулировочная шайба, Leaf Клапан (SHIM, Leaf valve)

нет в наличии, поставок нет
12 0328694

Винт, Основание to Карбюратор (SCREW, Base to carburetor)

нет в наличии, поставок нет
12 0911122

   (последний код) SCREW

нет в наличии, поставок нет
13 0328735

Шайба, Винт (WASHER, Screw)

нет в наличии, поставок нет
13 3852188

   (последний код) WASHER

нет в наличии, поставок нет
14 0329418

Рычаг, Synchronization adjustment (LEVER, Synchronization adjustment)

нет в наличии, поставок нет
15 0318165

Фиксатор, Synch. Соединитель to Карбюратор (RETAINER, Synch. link to carburetor)

нет в наличии, поставок нет
16 0320107

Крепёжный хомут, Шланг (TIE STRAP, Hose)

нет в наличии, поставок нет
16 5035626

   (последний код) BAND,REM CON

нет в наличии, поставок нет
17 0329888

Соединитель, Synchronization (LINK, Synchronization)

нет в наличии, поставок нет
17 0321070

   (последний код) LINK

нет в наличии, поставок нет
18 0303701

Шайба с блокировкой, Винт (LOCK WASHER, Screw)

нет в наличии, поставок нет
19 0431988

Коллектор в сборе. (MANIFOLD ASSY.)

нет в наличии, поставок нет
20 0314497

*Шпилька, Карбюратор Креплениеing (STUD, Carburetor mounting)

нет в наличии, поставок нет
21 0325659

*Ниппель, Коллектор (NIPPLE, Manifold)

нет в наличии, поставок нет
22 0431994

Основание, Air Глушитель (BASE, Air silencer)

нет в наличии, поставок нет
22 0395361

   (последний код) BASE & NIPPLE

нет в наличии, поставок нет
23 0325092

Прокладка карбюратора (GASKET, Carburetor)

нет в наличии, поставок нет
23 0314477

   (последний код) GASKET

нет в наличии, поставок нет
24 0315204

Гайка, Карбюратор Креплениеing (NUT, Carburetor mounting)

нет в наличии, поставок нет
24 0316355

   (последний код) NUT

нет в наличии, поставок нет
25 0329239

Винт, Крышка to Основание (SCREW, Cover to base)

нет в наличии, поставок нет
26 0330698

Прокладка, Основание to Крышка (GASKET, Base to cover)

нет в наличии, поставок нет
26 0316091

   (последний код) GSKT-BASE

нет в наличии, поставок нет
27 0328714

Винт (SCREW)

нет в наличии, поставок нет
27 0204027

   (последний код) SCREW

нет в наличии, поставок нет
28 0

Шланг, Air Глушитель to Коллектор, 5 дюйм (125 мм) (сокращёная длина from P / N 336317 (HOSE, Air silencer to manifold, 5 in. (125mm). (Cut to Length from P/N 336317)

нет в наличии, поставок нет
29 0306418

Винт, Коллектор to Картер двигателя (SCREW, Manifold to crankcase)

нет в наличии, поставок нет
evinrude

Время выполнения запроса 0.60067296028137 сек.


 
 

данный сайт носит информационный характер и не является публичной офертой

склад запчастей для водомоторной техники