вконтакте

Контактный телефон: +7 (981) 121-46-93, +7 (800) 200-90-76 , Email: parts-katalog@yandex.ru, где купить

 
 

  Логин:

Пароль:

Регистрация

www.partskatalog.ru Все каталоги Запчасти Mercury Запчасти Suzuki Запчасти Tohatsu Запчасти Honda Контакты


Все разделы каталога запчастей на этот двигатель

назад Раздел:   вперёд

вернуться к списку узлов и деталей

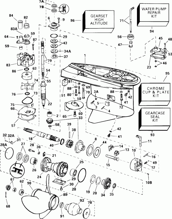
ДЕТАЛИРОВКА ДЛЯ МОДЕЛИ: EVINRUDE E175FSLSSV FFI, Elec Start, TNT, 20 IN.

РЕДУКТОР - СТАНДАРТ ROTATION - FSL, FS, FPX, FX MODELS | GEARCASE - STANDARD ROTATION - FSL, FS, FPX, FX MODELS &NB;


Мотор Evinrude E175FSLSSV FFI, Elec Start, TNT, 20 IN.   - стандарт Rotation - Fsl, Fs, Fpx, Fx Models / Standard Rotation - Fsl, Fs, Fpx, Fx Models

Номер на
рисунке
АртикулНаименованиеКол-во
на складе
Цена
5001614

Редуктор в сборе., комплект (GEARCASE ASSY., Complete)

нет в наличии, поставок нет
5005401

   (последний код) G-CASE*V6/STD/OFFS

нет в наличии, поставок нет
1 0439972

*Редуктор в сборе с подшипником. (GEARCASE & BEARING ASSY.)

нет в наличии, поставок нет
1 5007022

   (последний код) GCASE & BRG AY,"O"

нет в наличии, поставок нет
2 0387817

**Подшипник, Шестерня (BEARING, Pinion)

нет в наличии, поставок нет
3 0324852

**RETAINING Винт (RETAINING SCREW)

нет в наличии, поставок нет
3A 0332584

***Сальник (SEAL)

нет в наличии, поставок нет
4 0337061

**Винт, Screens (SCREW, Screens)

нет в наличии, поставок нет
5 0337778

**SCREEN (SCREEN)

нет в наличии, поставок нет
5 0339247

*SCREEN, High volume - Z. Опции (SCREEN, High volume - Z. Optional)

нет в наличии, поставок нет
6 0439476

*Подшипник Корпус & Сальник (BEARING HOUSING & SEAL)

нет в наличии, поставок нет
6 0438963

   (последний код) HOUSING AY,BEARING

нет в наличии, поставок нет
7A 0329922

**Сальник, верхний - Y. Contents of Комплект сальников редуктора (SEAL, Upper - Y. Contents of Gearcase Seal Kit)

нет в наличии, поставок нет
7B 0329923

**Сальник, нижний - Y. Contents of Комплект сальников редуктора (SEAL, Lower - Y. Contents of Gearcase Seal Kit)

нет в наличии, поставок нет
8 0389042

*THRUST BRG. в сборе., Fwd. Шестерня (THRUST BRG. ASSY., Fwd. gear)

нет в наличии, поставок нет
9 0317624

*Винт, Корпус to Редуктор (SCREW, Housing to gearcase)

нет в наличии, поставок нет
10 0389455

*Корпус & Подшипник в сборе. (HOUSING & BEARING ASSY.)

нет в наличии, поставок нет
10B 0331880

**Штифт, Корпус (PIN, Housing)

нет в наличии, поставок нет
11 0915954

*DETENT, Переключательer (DETENT, Shifter)

нет в наличии, поставок нет
11 0323946

   (последний код) DETENT

нет в наличии, поставок нет
12 0911962

*Фиксатор пружины (SPRING, Detent)

нет в наличии, поставок нет
12 0915955

   (последний код) SPRING

нет в наличии, поставок нет
13 0334163

*CRADLE, Переключательer (CRADLE, Shifter)

5 шт1880 руб.
13 0322900

   (последний код) CRADLE-SHIFT

нет в наличии, поставок нет
14 0322938

*ПереключательER (SHIFTER)

нет в наличии, поставок нет
15 0322941

*Вал (SHAFT)

нет в наличии, поставок нет
16 0328825

*Штифт, Рычаг переключения (PIN, Shift lever)

нет в наличии, поставок нет
17 0314728

*Уплотнительное кольцо, DriveВал Подшипник - Y. Contents of Комплект сальников редуктора (O-RING, Driveshaft bearing - Y. Contents of Gearcase Seal Kit)

нет в наличии, поставок нет
17 0354731

   (последний код) O-RING

1 шт850 руб.
18 0435022

*Вал гребного винта в сборе. (PROPELLER SHAFT ASSY.)

нет в наличии, поставок нет
18 5004765

   (последний код) PROPSHAFT AY,SERV

нет в наличии, поставок нет
19 0314731

*THRUST Шайба шестерни заднего хода (THRUST WASHER, Reverse gear)

нет в наличии, поставок нет
20 0382408

*THRUST Подшипник, Reverse Шестерня (THRUST BEARING, Reverse gear)

нет в наличии, поставок нет
21 0349001

WEDGE (WEDGE)

нет в наличии, поставок нет
21 0345999

   (последний код) WEDGE

нет в наличии, поставок нет
22 0345905

*DRIVEВал, нижний (DRIVESHAFT, Lower)

нет в наличии, поставок нет
22 0335677

   (последний код) DRIVESHAFT,L

нет в наличии, поставок нет
23 0324670

*Прокладка, Переключающая тяга Крышка - Y. Contents of Комплект сальников редуктора (GASKET, Shift rod cover - Y. Contents of Gearcase Seal Kit)

нет в наличии, поставок нет
23 0352165

   (последний код) GASKET

2 шт550 руб.
24 5000605

*Подшипник Корпус & Сальник в сборе. (BEARING HOUSING & SEAL ASSY.)

нет в наличии, поставок нет
24 5004257

   (последний код) HSG AY, PROPSHAFT

нет в наличии, поставок нет
25 0382407

**Игольчатый подшипник в сборе. (NEEDLE BEARING ASSY.)

1 шт5500 руб.
26 0436752

**Игольчатый подшипник в сборе. (NEEDLE BEARING ASSY.)

нет в наличии, поставок нет
27 0334950

**Сальник - Y. Contents of Комплект сальников редуктора (SEAL - Y. Contents of Gearcase Seal Kit)

нет в наличии, поставок нет
28 0305123

**Уплотнительное кольцо, Подшипник Корпус - Y. Contents of Комплект сальников редуктора (O-RING, Bearing housing - Y. Contents of Gearcase Seal Kit)

нет в наличии, поставок нет
28 0321119

   (последний код) O-RING,-DLR

нет в наличии, поставок нет
28A 0305123

**Уплотнительное кольцо, Подшипник Задний корпус - S. Original Редуктор Only (O-RING, Bearing housing, rear - S. Original Gearcase Only)

нет в наличии, поставок нет
28A 0321119

   (последний код) O-RING,-DLR

нет в наличии, поставок нет
29 0431708

**Анод, Подшипник Корпус (ANODE, Bearing housing)

нет в наличии, поставок нет
29 0397111

   (последний код) ANODE-AY

нет в наличии, поставок нет
30 0908158

**Винт, Анод (SCREW, Anode)

нет в наличии, поставок нет
30 3852050

   (последний код) SCREW

нет в наличии, поставок нет
31 0349001

*WEDGE - R. Replacement Редуктор (WEDGE - R. Replacement Gearcase)

нет в наличии, поставок нет
31 0345999

   (последний код) WEDGE

нет в наличии, поставок нет
32 0916070

*Винт, Wedge - R. Replacement Редуктор (SCREW, Wedge - R. Replacement Gearcase)

нет в наличии, поставок нет
32 3853661

   (последний код) SCREW

нет в наличии, поставок нет
32A 0345998

*Пружинная шайба - R. Replacement Редуктор (SPRING WASHER - R. Replacement Gearcase)

нет в наличии, поставок нет
33 5004218

*Шестерня & Комплект шестерёнок. (GEAR & PINION ASSY.)

нет в наличии, поставок нет
33 5001547

   (последний код) GEARSET

нет в наличии, поставок нет
34 0336561

**Шестерня обратного хода (GEAR, Reverse)

нет в наличии, поставок нет
34A 0327656

*Упорная шайба шестерни Шестерня (THRUST WASHER, Pinion)

нет в наличии, поставок нет
34A 0314729

   (последний код) THRUST-WASHE

нет в наличии, поставок нет
35 0336565

*Упорная шайба (THRUST WASHER)

нет в наличии, поставок нет
36 0330266

*Шайба, Винт (WASHER, Screw)

нет в наличии, поставок нет
36 3852200

   (последний код) WASHER

нет в наличии, поставок нет
37 0387656

*THRUST Подшипник, Шестерня (THRUST BEARING, Pinion)

нет в наличии, поставок нет
37 0383248

   (последний код) BEARING

нет в наличии, поставок нет
38 0337774

*Переключатель собачки сцепления (SHIFTER, Clutch dog)

нет в наличии, поставок нет
38 0910995

   (последний код) SHIFTER

нет в наличии, поставок нет
39 0313448

*Штифт сцепления dog (PIN, Clutch dog)

нет в наличии, поставок нет
40 0324369

*Пружина, Сцепление dog Штифт (SPRING, Clutch dog pin)

нет в наличии, поставок нет
40 0313454

   (последний код) SPRING

нет в наличии, поставок нет
41 0318544

*Заглушка, Fill & drain (PLUG, Fill & drain)

нет в наличии, поставок нет
41 0912624

   (последний код) SCREW

нет в наличии, поставок нет
42 0311598

**Шайба - Y (WASHER - Y)

нет в наличии, поставок нет
42 3852105

   (последний код) WASHER

нет в наличии, поставок нет
43 0323362

*Регулировочная шайба, 0.003 дюйм (0, 07 мм) (SHIM, 0.003 in. (0,07mm))

нет в наличии, поставок нет
43 0323361

*Регулировочная шайба, 0.004 дюйм (0, 10 мм) (SHIM, 0.004 in. (0,10mm))

нет в наличии, поставок нет
43 0314745

*Регулировочная шайба, 0.005 дюйм (0, 12 мм) (SHIM, 0.005 in. (0,12mm))

нет в наличии, поставок нет
44 0327669

*Упорная шайба, дляward Шестерня (THRUST WASHER, Forward gear)

нет в наличии, поставок нет
44 0324805

   (последний код) THRUST-WASHE

нет в наличии, поставок нет
45 0435482

*Крышка & Сальник в сборе. (COVER & SEAL ASSY.)

нет в наличии, поставок нет
45 5006241

   (последний код) COVER AY,SHIFT ROD

нет в наличии, поставок нет
46 0318372

**Уплотнительное кольцо, Переключающая тяга - Y. Contents of Комплект сальников редуктора (O-RING, Shift rod - Y. Contents of Gearcase Seal Kit)

нет в наличии, поставок нет
47 0321122

*Проставка, Переключающая тяга - T. FPX, FX Models (SPACER, Shift rod - T. FPX, FX Models)

нет в наличии, поставок нет
48 0302325

*Винт, Крышка (SCREW, Cover)

нет в наличии, поставок нет
49 0160084

*Шарик, Detent (BALL, Detent)

нет в наличии, поставок нет
49 3852023

   (последний код) BALL

нет в наличии, поставок нет
50 0328096

*Винт, Анод (SCREW, Anode)

нет в наличии, поставок нет
50 0327046

   (последний код) SCREW

нет в наличии, поставок нет
51 0436745

*Анод (ANODE)

нет в наличии, поставок нет
51 0393023

   (последний код) ANODE&INSERT AY

нет в наличии, поставок нет
52 0341541

*Винт (SCREW)

нет в наличии, поставок нет
53 0328702

*Шайба (WASHER)

нет в наличии, поставок нет
53 3852183

   (последний код) WASHER

нет в наличии, поставок нет
54 0311538

*ROLL Штифт, DriveВал (ROLL PIN, Driveshaft)

нет в наличии, поставок нет
55 0338504

*Фиксатор приводного вала (RETAINER, Driveshaft)

нет в наличии, поставок нет
56 0321008

*Пыльник, Exh. hsg. to Переключающая тяга - X. Contents of Ремкомплект водяного насоса (GROMMET, Exh. hsg. to shift rod - X. Contents of Water Pump Repair Kit)

нет в наличии, поставок нет
57 0338484

*Прокладка крыльчатки hsg. Пластина - X, Y. Contents of Ремкомплект водяного насоса, Contents of Gea (GASKET, Impeller hsg. Plate - X,Y. Contents of Water Pump Repair Kit, Contents of Gea)

нет в наличии, поставок нет
57 0324701

   (последний код) GASKET,-DRL5

нет в наличии, поставок нет
58 0314730

*Гайка, Шестерня to driveВал (NUT, Pinion to driveshaft)

нет в наличии, поставок нет
59 0314008

Пыльник водяной трубки - X. Contents of Ремкомплект водяного насоса (GROMMET, Water tube - X. Contents of Water Pump Repair Kit)

нет в наличии, поставок нет
60 0338742

Пластина трима, Редуктор (TRIM TAB, Gearcase)

нет в наличии, поставок нет
60 0327810

   (последний код) TRIM TAB

нет в наличии, поставок нет
61 0320943

Пыльник, Крыльчатка Корпус - X. Contents of Ремкомплект водяного насоса (GROMMET, Impeller housing - X. Contents of Water Pump Repair Kit)

1 шт300 руб.
62 0320570

Проставка гайки гребного винта (SPACER, Propeller nut)

нет в наличии, поставок нет
62 3852163

   (последний код) SPACER,PROP

нет в наличии, поставок нет
63 0338486

Cвыше, Крыльчатка - W, X. Stainless Steel, Contents of Ремкомплект водяного насоса (CUP, Impeller - W,X. Stainless Steel, Contents of Water Pump Repair Kit)

нет в наличии, поставок нет
63 0338551

Cвыше, Крыльчатка Корпус - V. хромированная пластина (CUP, Impeller housing - V. Chrome Plated)

нет в наличии, поставок нет
64 0306643

Винт, Крышка to Крыльчатка - X. Contents of Ремкомплект водяного насоса (SCREW, Cover to impeller - X. Contents of Water Pump Repair Kit)

нет в наличии, поставок нет
64 3852066

   (последний код) SCREW

нет в наличии, поставок нет
65 0313715

Винт, Пластина трима (SCREW, Trim tab)

нет в наличии, поставок нет
66 0338485

Пластина корпуса крыльчатки - W, X. Stainless Steel, Contents of Ремкомплект водяного насоса (PLATE, Impeller housing - W,X. Stainless Steel, Contents of Water Pump Repair Kit)

нет в наличии, поставок нет
66 0338552

Пластина корпуса крыльчатки - V. хромированная пластина (PLATE, Impeller housing - V. Chrome Plated)

нет в наличии, поставок нет
67 0398042

Гайка & KEEPER, Гребной винт (NUT & KEEPER, Propeller)

нет в наличии, поставок нет
67 3850984

   (последний код) NUT&KEEPER AY,PROP

нет в наличии, поставок нет
68 0306394

Шплинт, Гайка гребного винта (COTTER PIN, Propeller nut)

нет в наличии, поставок нет
68 3852056

   (последний код) PIN,COTTER

нет в наличии, поставок нет
69 0330265

Шайба, Винт, long (WASHER, Screw, long)

нет в наличии, поставок нет
70 0331998

Винт, Редуктор to Корпус (SCREW, Gearcase to housing)

нет в наличии, поставок нет
70 0914535

   (последний код) SCREW

нет в наличии, поставок нет
71 0342994

Переключающая тяга - U. FSL, FS Models Only (SHIFT ROD - U. FSL, FS Models Only)

нет в наличии, поставок нет
71 0342995

Переключающая тяга - T. FPX, FX Models (SHIFT ROD - T. FPX, FX Models)

нет в наличии, поставок нет
72 0331999

Винт, Редуктор to Корпус (SCREW, Gearcase to housing)

нет в наличии, поставок нет
72 0910457

   (последний код) SCREW

нет в наличии, поставок нет
73 0331353

Сальник, Крыльчатка Корпус Пластина - X. Contents of Ремкомплект водяного насоса (SEAL, Impeller housing plate - X. Contents of Water Pump Repair Kit)

1 шт790 руб.
74 5001593

Крыльчатка в сборе. - X. Contents of Ремкомплект водяного насоса (IMPELLER ASSY. - X. Contents of Water Pump Repair Kit)

нет в наличии, поставок нет
74 0435821

   (последний код) KIT AY,IMPELLER

нет в наличии, поставок нет
75 0331107

*CAM, Крыльчатка - X. Contents of Ремкомплект водяного насоса (CAM, Impeller - X. Contents of Water Pump Repair Kit)

нет в наличии, поставок нет
76 0302035

*Уплотнительное кольцо, Крыльчатка - X. Contents of Ремкомплект водяного насоса (O-RING, Impeller - X. Contents of Water Pump Repair Kit)

нет в наличии, поставок нет
78 0126870

Упорная втулка, 3-blade (THRUST BUSHING, 3-blade)

нет в наличии, поставок нет
78 3852020

   (последний код) BUSHING,THRUST

нет в наличии, поставок нет
78 0126869

Упорная втулка, 4-blade (THRUST BUSHING, 4-blade)

нет в наличии, поставок нет
78 0128740

   (последний код) BUSHING,THRUST

нет в наличии, поставок нет
79 5000615

Приводной вал., верхний (Incl. #54 & 55) - U. FSL, FS Models Only (DRIVESHAFT ASSY., Upper (Incl. #54 & 55) - U. FSL, FS Models Only)

нет в наличии, поставок нет
79 0436234

   (последний код) KIT,UPPER D/S-20"

нет в наличии, поставок нет
79 5000624

Приводной вал., верхний (Incl. #54 & 55) - T. FPX, FX Models (DRIVESHAFT ASSY., Upper (Incl. #54 & 55) - T. FPX, FX Models)

нет в наличии, поставок нет
79 0436235

   (последний код) UPPER D/S AY - 25"

нет в наличии, поставок нет
80 0330263

Винт, Редуктор, rear (SCREW, Gearcase, rear)

нет в наличии, поставок нет
80 0914534

   (последний код) SCREW

нет в наличии, поставок нет
81 0328701

LOCKШайба, Анод (LOCKWASHER, Anode)

нет в наличии, поставок нет
81 3852182

   (последний код) WASHER,LOCK

нет в наличии, поставок нет
82 0338601

Пыльник, Помпа to Корпус - T, X. FPX, FX Models, Contents of Ремкомплект водяного насоса (GROMMET, Pump to housing - T,X. FPX, FX Models, Contents of Water Pump Repair Kit)

1 шт520 руб.
83 0435959

Крыльчатка Корпус, Редуктор - X. Contents of Ремкомплект водяного насоса (IMPELLER HOUSING, Gearcase - X. Contents of Water Pump Repair Kit)

нет в наличии, поставок нет
83A 0338893

Колпак крыльчатки Корпус - X. Contents of Ремкомплект водяного насоса (COVER, Impeller housing - X. Contents of Water Pump Repair Kit)

нет в наличии, поставок нет
83A 0321159

   (последний код) COVER-IMP-HS

нет в наличии, поставок нет
84 0338636

Гильза, Помпа to Корпус - T, X. FPX, FX Models, Contents of Ремкомплект водяного насоса (SLEEVE, Pump to housing - T,X. FPX, FX Models, Contents of Water Pump Repair Kit)

нет в наличии, поставок нет
86 0331188

Уплотнительное кольцо, Cвыше to Корпус - X. Contents of Ремкомплект водяного насоса (O-RING, Cup to housing - X. Contents of Water Pump Repair Kit)

5 шт370 руб.
87 0302325

Винт, Крыльчатка Корпус, 1 дюйм - X. Contents of Ремкомплект водяного насоса (SCREW, Impeller housing, 1 in. - X. Contents of Water Pump Repair Kit)

нет в наличии, поставок нет
88 0330266

Шайба (WASHER)

нет в наличии, поставок нет
88 3852200

   (последний код) WASHER

нет в наличии, поставок нет
89 0

Гребной винт. Refer to OMC® Genuine Parts Гребной винт Chart (PROPELLER. Refer to OMC® Genuine Parts Propeller Chart)

нет в наличии, поставок нет
90 0332394

*CONVERGING Кольцо, 3-blade (CONVERGING RING, 3-blade)

нет в наличии, поставок нет
90 3854241

   (последний код) RING, CONVERGING

нет в наличии, поставок нет
91 0313926

*Гильза, Втулка (SLEEVE, Bushing)

нет в наличии, поставок нет
91 3850831

   (последний код) SLEEVE-PROP

нет в наличии, поставок нет
92 0387157

*Втулка в сборе., Prop., 3-blade, alum. (BUSHING ASSY., Prop., 3-blade, alum.)

нет в наличии, поставок нет
92 0175401

*Втулка в сборе., Prop., 3-blade, SST (BUSHING ASSY., Prop., 3-blade, SST)

нет в наличии, поставок нет
92 0431730

*Втулка в сборе., Prop., 4-blade (BUSHING ASSY., Prop., 4-blade)

нет в наличии, поставок нет
93 5000411

Комплект сальников редуктора (GEARCASE SEAL KIT)

нет в наличии, поставок нет
93 5006373

   (последний код) KIT AY,SEAL-GC

нет в наличии, поставок нет
94 5001595

Ремкомплект водяного насоса, Includes Крыльчатка Корпус (WATER PUMP REPAIR KIT, Includes impeller housing)

нет в наличии, поставок нет
94 0435929

   (последний код) KIT AY,WATER PUMP

нет в наличии, поставок нет
95 0435526

CHROME Cвыше & Пластина KIT (CHROME CUP & PLATE KIT)

нет в наличии, поставок нет
95 0395059

   (последний код) CHROME PUMP KIT

нет в наличии, поставок нет
96 0438493

ШестерняSET, High altitude, 13: 26 (50) - Z. Опции (GEARSET, High altitude, 13:26 (.50) - Z. Optional)

нет в наличии, поставок нет
evinrude

Время выполнения запроса 2.3992841243744 сек.


 
 

данный сайт носит информационный характер и не является публичной офертой

склад запчастей для водомоторной техники