вконтакте

Контактный телефон: +7 (981) 121-46-93, +7 (800) 200-90-76 , Email: parts-katalog@yandex.ru, где купить

 
 

  Логин:

Пароль:

Регистрация

www.partskatalog.ru Все каталоги Запчасти Mercury Запчасти Suzuki Запчасти Tohatsu Запчасти Honda Контакты


Все разделы каталога запчастей на этот двигатель

назад Раздел:   вперёд

вернуться к списку узлов и деталей

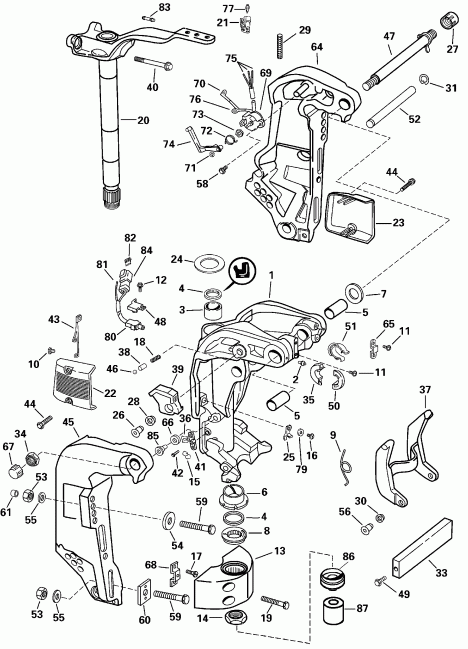
ДЕТАЛИРОВКА ДЛЯ МОДЕЛИ: EVINRUDE E115FPXSSH FFI, Elec Start, TNT, 25 IN.s

MIDSECTION | MIDSECTION;


Подвесной двигатель Evinrude E115FPXSSH FFI, Elec Start, TNT, 25 IN.s  - dsection

Номер на
рисунке
АртикулНаименованиеКол-во
на складе
Цена
1 0435005

Поворотный кронштейн - Z. FPL, FL Models (SWIVEL BRACKET - Z. FPL, FL Models)

нет в наличии, поставок нет
1 0434691

   (последний код) BRCKT AY,SWVL 20"

нет в наличии, поставок нет
1 0435006

Поворотный кронштейн - Y. FSL, FS Models (SWIVEL BRACKET - Y. FSL, FS Models)

нет в наличии, поставок нет
1 0434724

   (последний код) BRKT,SWIVEL 25"

нет в наличии, поставок нет
2 0313607

*LUBRICATION FITTING (LUBRICATION FITTING)

нет в наличии, поставок нет
2 3852121

   (последний код) FITTING,LUB

нет в наличии, поставок нет
3 0320962

*Втулка, верхний (BUSHING, Upper)

нет в наличии, поставок нет
4 0335686

*Сальник (SEAL)

нет в наличии, поставок нет
5 0337579

*Втулка, Tilt Трубка (BUSHING, Tilt tube)

нет в наличии, поставок нет
6 0336819

*Втулка, нижний Стержень Вал (BUSHING, Lower pivot shaft)

нет в наличии, поставок нет
6 0335468

   (последний код) BUSHING,PIVO

нет в наличии, поставок нет
7 0910992

*Шайба, Tilt Трубка (WASHER, Tilt tube)

нет в наличии, поставок нет
7 0327699

   (последний код) THRUST-WASHE

нет в наличии, поставок нет
8 0327696

KEEPER, Стержень Вал (KEEPER, Pivot shaft)

нет в наличии, поставок нет
9 0336210

Пружина, Trail lock to Кронштейн (SPRING, Trail lock to bracket)

нет в наличии, поставок нет
10 0328724

Винт, Заземление lead (SCREW, Ground lead)

нет в наличии, поставок нет
10 3852186

   (последний код) SCREW

нет в наличии, поставок нет
11 0328724

Винт (SCREW)

нет в наличии, поставок нет
11 3852186

   (последний код) SCREW

нет в наличии, поставок нет
12 0328724

Винт, Переключатель ограничителя налона (SCREW, Tilt limit switch)

нет в наличии, поставок нет
12 3852186

   (последний код) SCREW

нет в наличии, поставок нет
13 0340006

Монтажный кронштейн - Y, Z. FSL, FS Models, FPL, FL Models (MOUNT BRACKET - Y,Z. FSL, FS Models, FPL, FL Models)

нет в наличии, поставок нет
13 0339305

   (последний код) BRACKET,MOUN

нет в наличии, поставок нет
13 0338744

Монтажный кронштейн - X. FPX, FX Models (MOUNT BRACKET - X. FPX, FX Models)

нет в наличии, поставок нет
13 0339306

   (последний код) BRACKET,MOUNT

нет в наличии, поставок нет
14 0320746

Гайка, Монтажный кронштейн (NUT, Mount bracket)

нет в наличии, поставок нет
15 0335814

Фиксатор, Trail lock Пружина (RETAINER, Trail lock spring)

нет в наличии, поставок нет
15 0325525

   (последний код) RETAINER

нет в наличии, поставок нет
16 0336753

Винт, Фиксатор to Кронштейн (SCREW, Retainer to bracket)

нет в наличии, поставок нет
16 0342191

   (последний код) SCREW,.25X20-.500

нет в наличии, поставок нет
17 0319886

Винт (SCREW)

нет в наличии, поставок нет
18 0336230

Фиксатор пружины, tilt lock (SPRING, Detent, tilt lock)

нет в наличии, поставок нет
19 0334936

Винт, Крепление (SCREW, Mount)

нет в наличии, поставок нет
20 0436982

Рулевая система Рычаг в сборе. - Y, Z. FSL, FS Models, FPL, FL Models (STEERING ARM ASSY. - Y,Z. FSL, FS Models, FPL, FL Models)

нет в наличии, поставок нет
20 0433282

   (последний код) ARM&SHAFT AY,STRG

нет в наличии, поставок нет
20 0436983

Рулевая система Рычаг в сборе. - X. FPX, FX Models (STEERING ARM ASSY. - X. FPX, FX Models)

нет в наличии, поставок нет
20 0433283

   (последний код) ARM&SHAFT AY,STRG

нет в наличии, поставок нет
21 0514686

Коннектор, Sending unit, 3-Штифт (CONNECTOR, Sending unit, 3-pin)

нет в наличии, поставок нет
22 0335474

Крышка, Кронштейн транца, stbd. - W. Опции (COVER, Stern bracket, stbd. - W. Optional)

нет в наличии, поставок нет
23 0335475

Крышка, Кронштейн транца, port - W. Опции (COVER, Stern bracket, port - W. Optional)

нет в наличии, поставок нет
24 0320866

THRUST Опорная шайба Вал (THRUST WASHER, Pivot shaft)

нет в наличии, поставок нет
25 0336172

Фиксатор, Trail Рычаг (RETAINER, Trail arm)

нет в наличии, поставок нет
26 0335481

Винт, Рычаг наклона to Кронштейн (SCREW, Tilt lever to bracket)

нет в наличии, поставок нет
27 0337586

WIPER, Tilt Трубка (WIPER, Tilt tube)

нет в наличии, поставок нет
27 0983678

   (последний код) NUT & WIPER

нет в наличии, поставок нет
28 0335486

Втулка, Рычаг наклона (BUSHING, Tilt lever)

нет в наличии, поставок нет
29 0513817

Гильза, Lead (SLEEVE, Lead)

нет в наличии, поставок нет
30 0335701

Втулка, Trail Рычаг (BUSHING, Trail arm)

нет в наличии, поставок нет
31 0336529

Стопорное кольцо, Trim Тяга (RETAINING RING, Trim rod)

нет в наличии, поставок нет
33 0433580

Анод, Кронштейн транца (ANODE, Stern bracket)

нет в наличии, поставок нет
33 5007089

   (последний код) ANODE AY

нет в наличии, поставок нет
34 0335554

Гайка, Tilt Трубка (NUT, Tilt tube)

нет в наличии, поставок нет
35 0337592

Воротник, верхний , tilt limit (COLLAR, Upper, tilt limit)

нет в наличии, поставок нет
36 0336853

Зажим, Винт, Фиксатор (CLIP, Screw, retainer)

нет в наличии, поставок нет
37 0335470

Рычаг, Trail lock (ARM, Trail lock)

нет в наличии, поставок нет
37 0341252

   (последний код) ARM,TRAIL LOCK

нет в наличии, поставок нет
38 0334241

Направляющая, Шарик detent, tilt lock (GUIDE, Ball detent, tilt lock)

нет в наличии, поставок нет
39 0335485

Рычаг блокировки наклона (LEVER, Tilt lock)

нет в наличии, поставок нет
40 0344277

Винт, верхний Крепление (SCREW, Upper mount)

нет в наличии, поставок нет
40 0343024

   (последний код) SCREW

нет в наличии, поставок нет
41 0336467

SвышеPORT (SUPPORT)

нет в наличии, поставок нет
42 0328724

Винт, Sвышеport (SCREW, Support)

нет в наличии, поставок нет
42 3852186

   (последний код) SCREW

нет в наличии, поставок нет
43 0584136

LEAD в сборе., Заземление (LEAD ASSY., Ground)

нет в наличии, поставок нет
44 0337580

Винт, Крышка to Кронштейн транца (SCREW, Cover to stern bracket)

нет в наличии, поставок нет
44 0336390

   (последний код) SCREW

нет в наличии, поставок нет
45 0335489

Кронштейн транца, Starboard (STERN BRACKET, Starboard)

нет в наличии, поставок нет
45 0351922

   (последний код) BRACKET,STERN-STBD

нет в наличии, поставок нет
46 0336209

Шарик, Detent, tilt lock (BALL, Detent, tilt lock)

нет в наличии, поставок нет
47 0435007

TILT Трубка в сборе. (TILT TUBE ASSY.)

нет в наличии, поставок нет
47 0433592

   (последний код) TUBE-AY,TILT

нет в наличии, поставок нет
48 0336171

Кронштейн, Переключатель ограничителя налона (BRACKET, Tilt limit switch)

нет в наличии, поставок нет
49 0324816

Винт, Анод (SCREW, Anode)

нет в наличии, поставок нет
50 0337593

Воротник, нижний , Переключатель ограничителя налона (COLLAR, Lower, tilt limit switch)

нет в наличии, поставок нет
51 0337591

CAM, Переключатель ограничителя налона (CAM, Tilt limit switch)

нет в наличии, поставок нет
52 0336525

Тяга, Trim limiter (ROD, Trim limiter)

нет в наличии, поставок нет
53 0313623

Гайка, Кронштейн транца Винт (NUT, Stern bracket screw)

нет в наличии, поставок нет
53 0321861

   (последний код) NUT

нет в наличии, поставок нет
54 0307238

Шайба (WASHER)

нет в наличии, поставок нет
55 0320248

Шайба, Гайка (WASHER, Nut)

нет в наличии, поставок нет
55 0312910

   (последний код) WASHER

нет в наличии, поставок нет
56 0335487

Винт, Trail Рычаг to Кронштейн (SCREW, Trail arm to bracket)

нет в наличии, поставок нет
58 0328744

Винт, Sending unit (SCREW, Sending unit)

нет в наличии, поставок нет
58 0308741

   (последний код) SCREW

нет в наличии, поставок нет
59 0327053

Винт, Кронштейн to transom, 3 дюйм (76 мм) (SCREW, Bracket to transom, 3 in. (76mm))

нет в наличии, поставок нет
59 0318573

Винт, Кронштейн to transom 3? дюйм (89 мм) (SCREW, Bracket to transom 3? in. (89mm))

нет в наличии, поставок нет
59 3852153

   (последний код) BOLT

нет в наличии, поставок нет
59 0313327

Винт, Кронштейн to transom, 4 дюйм (102 мм) (SCREW, Bracket to transom, 4 in. (102mm))

нет в наличии, поставок нет
59 0336676

   (последний код) 4 3/4" TRNSM BOLT

нет в наличии, поставок нет
59 0336676

Винт, Кронштейн to transom, 4? дюйм (114 мм), std. (SCREW, Bracket to transom, 4? in. (114mm), std.)

нет в наличии, поставок нет
59 0336675

   (последний код) BOLT

нет в наличии, поставок нет
59 0331578

Винт, Кронштейн to transom, 5 дюйм (127 мм) (SCREW, Bracket to transom, 5 in. (127mm))

нет в наличии, поставок нет
59 0321577

Винт, Кронштейн to transom, 6 дюйм (152 мм) (SCREW, Bracket to transom, 6 in. (152mm))

нет в наличии, поставок нет
60 0318272

Пластина (PLATE)

нет в наличии, поставок нет
61 0318572

Колпачок (CAP)

нет в наличии, поставок нет
64 0335416

Кронштейн транца, Port (STERN BRACKET, Port)

нет в наличии, поставок нет
64 0351921

   (последний код) BRACKET,STERN-PORT

нет в наличии, поставок нет
65 0513787

Фиксатор, Limit Переключатель (RETAINER, Limit switch)

нет в наличии, поставок нет
66 0335949

THRUST Ролик (THRUST ROLLER)

нет в наличии, поставок нет
67 0317894

Колпачок, Tilt Трубка (CAP, Tilt tube)

нет в наличии, поставок нет
67 3852150

   (последний код) CAP

нет в наличии, поставок нет
68 0318273

Фиксатор (RETAINER)

нет в наличии, поставок нет
69 0586160

SENDING UNIT в сборе. (SENDING UNIT ASSY.)

нет в наличии, поставок нет
70 0513871

*Клемма, Кольцо (TERMINAL, Ring)

нет в наличии, поставок нет
70 0513711

   (последний код) TERMINAL,RIN

нет в наличии, поставок нет
71 0511527

*Фиксатор (RETAINER)

нет в наличии, поставок нет
71 3852232

   (последний код) RETAINER

нет в наличии, поставок нет
72 0511528

*Пружина (SPRING)

нет в наличии, поставок нет
73 0320689

*Гайка (NUT)

нет в наличии, поставок нет
73 3852164

   (последний код) NUT

нет в наличии, поставок нет
74 0342386

*Рычаг (ARM)

нет в наличии, поставок нет
74 0335708

   (последний код) ARM,SENDING

нет в наличии, поставок нет
75 0514679

*Клемма, Штифт (TERMINAL, Pin)

нет в наличии, поставок нет
76 0913927

*Клемма, Кольцо (TERMINAL, Ring)

нет в наличии, поставок нет
77 0514682

LOCK WEDGE, 3-Штифт (LOCK WEDGE, 3-pin)

нет в наличии, поставок нет
79 0328702

Шайба, Зажим (WASHER, Clip)

нет в наличии, поставок нет
79 3852183

   (последний код) WASHER

нет в наличии, поставок нет
80 0586156

Переключатель ограничителя наклона (SWITCH ASSY., Tilt limit)

нет в наличии, поставок нет
81 0514679

*Клемма, Bullet (TERMINAL, Bullet)

нет в наличии, поставок нет
82 0514697

LOCK WEDGE (LOCK WEDGE)

нет в наличии, поставок нет
83 0123692

Коннектор, Speedo Шланг (CONNECTOR, Speedo hose)

нет в наличии, поставок нет
84 0514696

Коннектор, 2-Штифт (CONNECTOR, 2-pin)

нет в наличии, поставок нет
85 0335487

Винт, Thrust Ролик, Поворотный кронштейн (SCREW, Thrust roller, swivel bracket)

нет в наличии, поставок нет
86 0912233

Фиксатор, Стержень Вал Сальник - X. FPX, FX Models (RETAINER, Pivot shaft seal - X. FPX, FX Models)

нет в наличии, поставок нет
87 0911312

Сальник, Стержень Вал - X. FPX, FX Models (SEAL, Pivot shaft - X. FPX, FX Models)

нет в наличии, поставок нет
evinrude

Время выполнения запроса 1.4829668998718 сек.


 
 

данный сайт носит информационный характер и не является публичной офертой

склад запчастей для водомоторной техники