вконтакте

Контактный телефон: +7 (981) 121-46-93, +7 (800) 200-90-76 , Email: parts-katalog@yandex.ru, где купить

 
 

  Логин:

Пароль:

Регистрация

www.partskatalog.ru Все каталоги Запчасти Mercury Запчасти Suzuki Запчасти Tohatsu Запчасти Honda Контакты


Все разделы каталога запчастей на этот двигатель

назад Раздел:   вперёд

вернуться к списку узлов и деталей

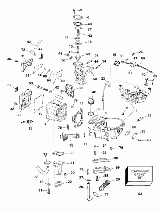
ДЕТАЛИРОВКА ДЛЯ МОДЕЛИ: EVINRUDE E6R4SSB 4-Stroke, Rope Start, Tiller, 15

ЦИЛИНДР И КАРТЕР ДВИГАТЕЛЯ | CYLINDER AND CRANKCASE;


Лодочный подвесной мотор EVINRUDE E6R4SSB 4-Stroke, Rope Start, Tiller, 15  - linder и Картер двигателя - linder And Crankcase

Номер на
рисунке
АртикулНаименованиеКол-во
на складе
Цена
1 0440219

Блок цилиндра & Крышка в сборе (CYLINDER BLOCK & cover assy)

нет в наличии, поставок нет
2 0441107

*Винт, Block (SCREW, Block)

нет в наличии, поставок нет
3 0441110

*Шпонка (PIN, Dowel)

нет в наличии, поставок нет
4 0441192

*Гильза, Dipstick (SLEEVE, Dipstick)

нет в наличии, поставок нет
5 0911009

*Шайба, Винт, Крышка to block (WASHER, Screw, cover to block)

нет в наличии, поставок нет
5 0301250

   (последний код) WASHER

нет в наличии, поставок нет
6 0440195

Крышка термостата (COVER, Thermostat)

нет в наличии, поставок нет
6 0441065

   (последний код) COVER,THERMOSTAT

нет в наличии, поставок нет
7 0440159

Головка блока цилиндра & Седло в сборе. (CYLINDER HEAD & SEAT ASSY.)

нет в наличии, поставок нет
9 0446099

Винт, Крышка термостата (SCREW, Cover, thermostat)

нет в наличии, поставок нет
10 0436195

Термостат в сборе. (THERMOSTAT ASSY.)

нет в наличии, поставок нет
11 0441043

Прокладка головки блока цилиндра (GASKET, Cylinder head)

нет в наличии, поставок нет
11 0441801

   (последний код) GASKET - CYL HEAD

нет в наличии, поставок нет
12 0441021

Сальник, Крышка головки цилиндра (SEAL, Cover, cylinder head)

нет в наличии, поставок нет
13 0336179

Пружина, Термостат (SPRING, Thermostat)

нет в наличии, поставок нет
14 0446009

Винт, Reed stop (SCREW, Reed stop)

нет в наличии, поставок нет
15 0449537

Свеча зажигания, Champion, RP1OH (SPARK PLUG, Champion, RP1OH)

нет в наличии, поставок нет
15 0445098

   (последний код) SP-PLUG P10Y

нет в наличии, поставок нет
16 0445037

OIL Переключатель (OIL SWITCH)

нет в наличии, поставок нет
17 0345330

*Винт, Oil Переключатель (SCREW, Oil switch)

нет в наличии, поставок нет
18 0437694

Диафрагма & Cвыше в сборе. (DIAPHRAGM & CUP ASSY.)

нет в наличии, поставок нет
19 0446078

Шайба, Выхлоп Трубка (WASHER, Exhaust tube)

нет в наличии, поставок нет
20 0441193

Ниппель, Выхлоп Трубка (NIPPLE, Exhaust tube)

нет в наличии, поставок нет
21 0441244

Трубка в сборе., Выхлоп (TUBE ASSY., Exhaust)

нет в наличии, поставок нет
22 0446074

Сальник выхлопной трубки (SEAL, Exhaust tube)

нет в наличии, поставок нет
23 0441295

Прокладка выхлопной трубы to cyl. head (GASKET, Exhaust tube to cyl. head)

нет в наличии, поставок нет
24 0446081

RELIEF Клапан (RELIEF VALVE)

нет в наличии, поставок нет
25 0446080

Пружина освобождения клапана (SPRING, Relief valve)

нет в наличии, поставок нет
26 0341193

Заглушка, Emission measure Крепление (PLUG, Emission measure mount)

нет в наличии, поставок нет
27 0446311

Струбцина масляного шланга to Корпус (CLAMP, Oil hose to housing)

нет в наличии, поставок нет
28 0446085

Масляный шланг suction (HOSE, Oil suction)

нет в наличии, поставок нет
29 0338520

SCREEN, Oil (SCREEN, Oil)

нет в наличии, поставок нет
31 0441121

Крышка в сборе, Сапун (COVER ASSY., Breather)

нет в наличии, поставок нет
32 0446099

Винт, Крышка головки цилиндра (SCREW, Cylinder head cover)

нет в наличии, поставок нет
33 0440174

DIPSTICK, Oil (DIPSTICK, Oil)

нет в наличии, поставок нет
34 0441161

Винт, Система впуска to Головка блока цилиндра (SCREW, Intake to cylinder head)

нет в наличии, поставок нет
35 0441073

DEFLECTOR, Water passage (DEFLECTOR, Water passage)

нет в наличии, поставок нет
36 0446008

Винт, Сапун to Головка блока цилиндра (SCREW, Breather to cylinder head)

нет в наличии, поставок нет
37 0336185

Шайба, Крышка to Диафрагма (WASHER, Cover to diaphragm)

нет в наличии, поставок нет
38 0441294

Прокладка впускного коллектора (GASKET, Intake manifold)

нет в наличии, поставок нет
39 0446111

Уплотнительное кольцо, Oil fill Заглушка (O-RING, Oil fill plug)

нет в наличии, поставок нет
40 0446110

Заглушка, Oil fill (PLUG, Oil fill)

нет в наличии, поставок нет
41 0441268

Проставка, Фиксатор пружины (SPACER, Spring retainer)

нет в наличии, поставок нет
42 0446121

Шайба, Головка блока цилиндра to block (WASHER, Cylinder head to block)

нет в наличии, поставок нет
43 0446477

Пружина давления relief (SPRING, Pressure relief)

нет в наличии, поставок нет
44 0441063

Впускной коллектор (INTAKE MANIFOLD)

нет в наличии, поставок нет
47 0330151

Струбцина, Шланг (CLAMP, Hose)

нет в наличии, поставок нет
47 3852199

   (последний код) CLAMP,"J"

нет в наличии, поставок нет
48 0441066

Прокладка крышки термостата (GASKET, Thermostat cover)

нет в наличии, поставок нет
49 0307551

Заглушка, Flushing (PLUG, Flushing)

нет в наличии, поставок нет
49 0982851

   (последний код) SCREW-PLUG

нет в наличии, поставок нет
50 0311598

*Шайба (WASHER)

нет в наличии, поставок нет
50 3852105

   (последний код) WASHER

нет в наличии, поставок нет
51 0446314

Винт, Выхлоп Трубка to cyl. head (SCREW, Exhaust tube to cyl. head)

нет в наличии, поставок нет
52 0441162

Винт, Система впуска to Головка блока цилиндра (SCREW, Intake to cylinder head)

нет в наличии, поставок нет
53 0446119

Винт, Cyl. head to cyl. block (SCREW, Cyl. head to cyl. block)

нет в наличии, поставок нет
58 0446122

Шпилька, Впускной коллектор (STUD, Intake manifold)

нет в наличии, поставок нет
59 0336178

Корпус, Термостат (HOUSING, Thermostat)

нет в наличии, поставок нет
60 0441124

Крышка головки цилиндра (COVER, Cylinder head)

нет в наличии, поставок нет
61 0441006

Сальник, Крышка сапуна (SEAL, Cover, breather)

нет в наличии, поставок нет
62 0441200

MESH, Сапун (MESH, Breather)

нет в наличии, поставок нет
63 0441008

Пластина (PLATE)

нет в наличии, поставок нет
64 0441014

REED, Сапун (REED, Breather)

нет в наличии, поставок нет
65 0441018

STOP, Reed (STOP, Reed)

нет в наличии, поставок нет
66 0445044

Крышка & LEAD в сборе. (COVER & LEAD ASSY.)

нет в наличии, поставок нет
67 0446166

*Крышка (COVER)

нет в наличии, поставок нет
68 0510780

*Клемма, Кольцо (TERMINAL, Ring)

нет в наличии, поставок нет
68 3852226

   (последний код) TERMINAL,RIN

нет в наличии, поставок нет
69 0512947

*Клемма, Bullet (TERMINAL, Bullet)

нет в наличии, поставок нет
69 0910462

   (последний код) TERM.-60766-

нет в наличии, поставок нет
70 0513185

*Гильза (SLEEVE)

нет в наличии, поставок нет
70 0512948

   (последний код) SLEEVE

нет в наличии, поставок нет
72 0320107

Крепёжный хомут (TIE STRAP)

нет в наличии, поставок нет
72 5035626

   (последний код) BAND,REM CON

нет в наличии, поставок нет
73 0446083

Масляная трубка Шланг (TUBE, Oil hose)

нет в наличии, поставок нет
75 0449534

Фильтр & Уплотнительное кольцо в сборе. (FILTER & O-RING ASSY.)

нет в наличии, поставок нет
75 0445013

   (последний код) FILTER&COVER AY

нет в наличии, поставок нет
76 0446209

*Уплотнительное кольцо, Крышка to Корпус (O-RING, Cover to housing)

нет в наличии, поставок нет
77 0446210

*Уплотнительное кольцо, Фильтр to Корпус (O-RING, Filter to housing)

нет в наличии, поставок нет
78 0446107

Шпонка., oil sump to block (PIN, Dowel., oil sump to block)

нет в наличии, поставок нет
79 0446048

Шпонка, Головка блока цилиндра (PIN, Dowel, cylinder head)

нет в наличии, поставок нет
82 0

Шланг сапуна, 12-1 / 2 дюйм (320 мм) сокращёная длина from P / N 446340 - 5 / 16 дюйм I.D. (HOSE, Breather, 12-1/2 in. (320mm). Cut to Length from P/N 446340 - 5/16 in. I.D.)

нет в наличии, поставок нет
83 0446283

Удлинитель (EXTENSION)

нет в наличии, поставок нет
83 0441061

   (последний код) EXTENSION

нет в наличии, поставок нет
85 0441042

Пластина (PLATE)

нет в наличии, поставок нет
86 0441084

Прокладка, Пластина (GASKET, Plate)

нет в наличии, поставок нет
87 0446043

Винт, Пластина to block (SCREW, Plate to block)

нет в наличии, поставок нет
88 0441163

Винт, Relief Клапан Крышка (SCREW, Relief valve cover)

нет в наличии, поставок нет
89 0441057

Крышка предохранительного клапана (COVER, Relief valve)

нет в наличии, поставок нет
90 0441086

Прокладка крышки (GASKET, Cover)

нет в наличии, поставок нет
92 0441131

Шланг, Выхлоп Трубка to sump (HOSE, Exhaust tube to sump)

нет в наличии, поставок нет
93 0444513

POWERHEAD Комплект прокладок (POWERHEAD GASKET SET)

нет в наличии, поставок нет
evinrude

Время выполнения запроса 10.203301906586 сек.


 
 

данный сайт носит информационный характер и не является публичной офертой

склад запчастей для водомоторной техники