| |
Все разделы каталога запчастей на этот двигатель
вернуться к списку узлов и деталей ДЕТАЛИРОВКА ДЛЯ МОДЕЛИ: EVINRUDE SE225NXECC 1998
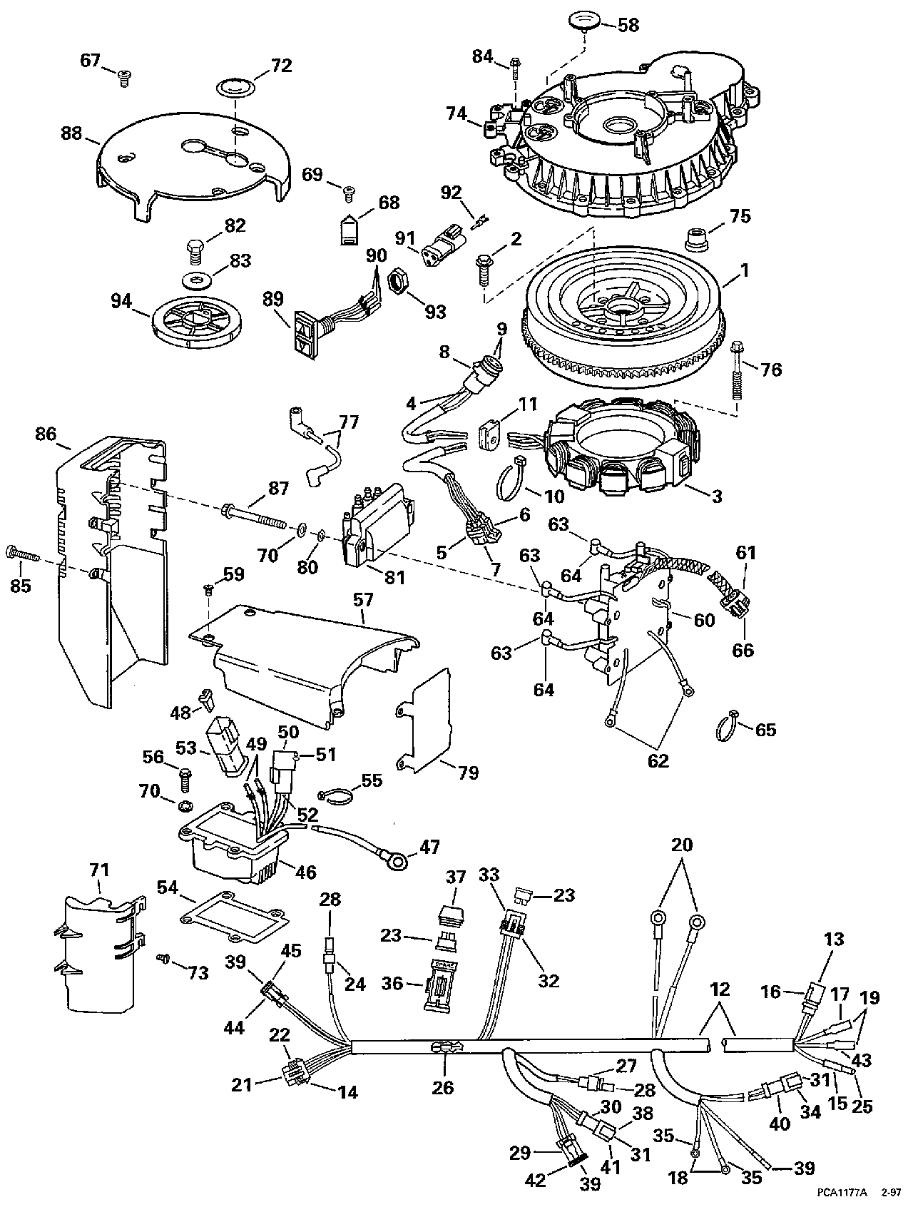
НИЖНЯЯ КРЫШКА ДВИГАТЕЛЯ | LOWER ENGINE COVER;
Номер на рисунке | Артикул | Наименование | Кол-во на складе | Цена |
| 1 | 0308532 | Втулка, Latch Рычаг (BUSHING, Latch lever) | нет в наличии, поставок нет |
| 1 | 0122475 | (последний код) BUSHING | нет в наличии, поставок нет |
| 2 | 0309485 | Гайка, Шаровое соединение (NUT, Ball joint) | нет в наличии, поставок нет |
| 2 | 0132520 | (последний код) NUT | нет в наличии, поставок нет |
| 3 | 0339575 | Винт, Шаровое соединение (SCREW, Ball joint) | нет в наличии, поставок нет |
| 4 | 0337784 | Крючок спереди & rear (HOOK, Front & rear) | нет в наличии, поставок нет |
| 5 | 0328735 | Шайба, Шаровое соединение (WASHER, Ball joint) | нет в наличии, поставок нет |
| 5 | 3852188 | (последний код) WASHER | нет в наличии, поставок нет |
| 6 | 0328584 | Крепление нижнее Крышка (MOUNT, Lower cover) | нет в наличии, поставок нет |
| 6 | 0349557 | (последний код) MOUNT | нет в наличии, поставок нет |
| 7 | 0308743 | Винт, Кронштейн, Пыльник (SCREW, Bracket, grommet) | нет в наличии, поставок нет |
| 7 | 0342422 | (последний код) SCREW | нет в наличии, поставок нет |
| 8 | 0340721 | Пыльник тросика управленияs & Топливный шлангs (GROMMET, Control cables & fuel hoses) | нет в наличии, поставок нет |
| 8 | 0342290 | Пыльник тросика управленияs & Топливный шлангs. Опции для use with Larger Кабелиs (GROMMET, Control cables & fuel hoses. Optional for use with Larger Cables) | нет в наличии, поставок нет |
| 9 | 0341099 | Кронштейн, Пыльник to Крышка (BRACKET, Grommet to cover) | нет в наличии, поставок нет |
| 10 | 0437146 | Крышка двигателя (капот) & Сальник в сборе., Stbd. (ENGINE COVER & SEAL ASSY., Stbd.) | нет в наличии, поставок нет |
| 11 | 0341015 | Сальник, верхний (SEAL, Upper) | нет в наличии, поставок нет |
| 12 | 0341016 | Сальник, нижний (SEAL, Lower) | нет в наличии, поставок нет |
| 13 | 0330651 | Бампер, Нижняя часть корпуса (BUMPER, Lower cover) | нет в наличии, поставок нет |
| 14 | 0435026 | LATCH HANDLE (LATCH HANDLE) | нет в наличии, поставок нет |
| 15 | 0341264 | Крышка двигателя (капот), Port (ENGINE COVER, Port) | нет в наличии, поставок нет |
| 15 | 0345160 | (последний код) COVER,MOTOR-LWR | нет в наличии, поставок нет |
| 16 | 0912127 | Винт, Handle to latch (SCREW, Handle to latch) | нет в наличии, поставок нет |
| 17 | 0331896 | Пыльник, Заглушка, Крышка двигателя (капот) (GROMMET, Plug, engine cover) | нет в наличии, поставок нет |
| 18 | 0333011 | Заглушка (PLUG) | нет в наличии, поставок нет |
| 19 | 0202893 | Уплотнительное кольцо, Обратный клапан (O-RING, Check valve) | нет в наличии, поставок нет |
| 19 | 3852033 | (последний код) O-RING | нет в наличии, поставок нет |
| 20 | 0337574 | Винт, Нижняя часть корпуса (SCREW, Lower cover) | нет в наличии, поставок нет |
| 21 | 0330234 | Пружинная шайба, Latch handle (SPRING WASHER, Latch handle) | нет в наличии, поставок нет |
| 22 | 0328703 | Шайба, Крючок (WASHER, Hook) | нет в наличии, поставок нет |
| 22 | 3852184 | (последний код) WASHER | нет в наличии, поставок нет |
| 23 | 0329749 | Шайба, Крепление (WASHER, Mount) | нет в наличии, поставок нет |
| 23 | 0349556 | (последний код) WASHER | нет в наличии, поставок нет |
| 24 | 0341240 | Пыльник, Power trim leads (GROMMET, Power trim leads) | нет в наличии, поставок нет |
| 25 | 0329743 | Шпилька, Нижняя часть корпуса (STUD, Lower cover) | нет в наличии, поставок нет |
| 27 | 0436048 | Обратный клапан в сборе. (CHECK VALVE ASSY.) | нет в наличии, поставок нет |
| 28 | 0307256 | FITTING (FITTING) | нет в наличии, поставок нет |
| 29 | 0436726 | Заглушка, Overboard Индикатор (PLUG, Overboard indicator) | нет в наличии, поставок нет |
| 29 | 0338780 | (последний код) NOZZLE,OVERB | нет в наличии, поставок нет |
| 30 | 0301967 | Уплотнительное кольцо, Overboard Индикатор (O-RING, Overboard indicator) | нет в наличии, поставок нет |
| 31 | 0337782 | Пыльник в сборе. (GROMMET ASSY.) | нет в наличии, поставок нет |
| 31 | 0345586 | (последний код) GROMMET & INSERT | нет в наличии, поставок нет |
| 32 | 0912627 | Струбцина, Пыльник to adapter (CLAMP, Grommet to adapter) | нет в наличии, поставок нет |
| 32 | 3852602 | (последний код) CLAMP | нет в наличии, поставок нет |
| 33 | 0340383 | LINER, Струбцина (LINER, Clamp) | нет в наличии, поставок нет |
| 34 | 0320107 | Крепёжный хомут (TIE STRAP) | нет в наличии, поставок нет |
| 34 | 5035626 | (последний код) BAND,REM CON | нет в наличии, поставок нет |

Время выполнения запроса 2.2543649673462 сек.
|
|