вконтакте

Контактный телефон: +7 (981) 121-46-93, +7 (800) 200-90-76 , Email: parts-katalog@yandex.ru, где купить

 
 

  Логин:

Пароль:

Регистрация

www.partskatalog.ru Все каталоги Запчасти Mercury Запчасти Suzuki Запчасти Tohatsu Запчасти Honda Контакты


Все разделы каталога запчастей на этот двигатель

назад Раздел:   вперёд

вернуться к списку узлов и деталей

ДЕТАЛИРОВКА ДЛЯ МОДЕЛИ: EVINRUDE SE35RWECS 1998

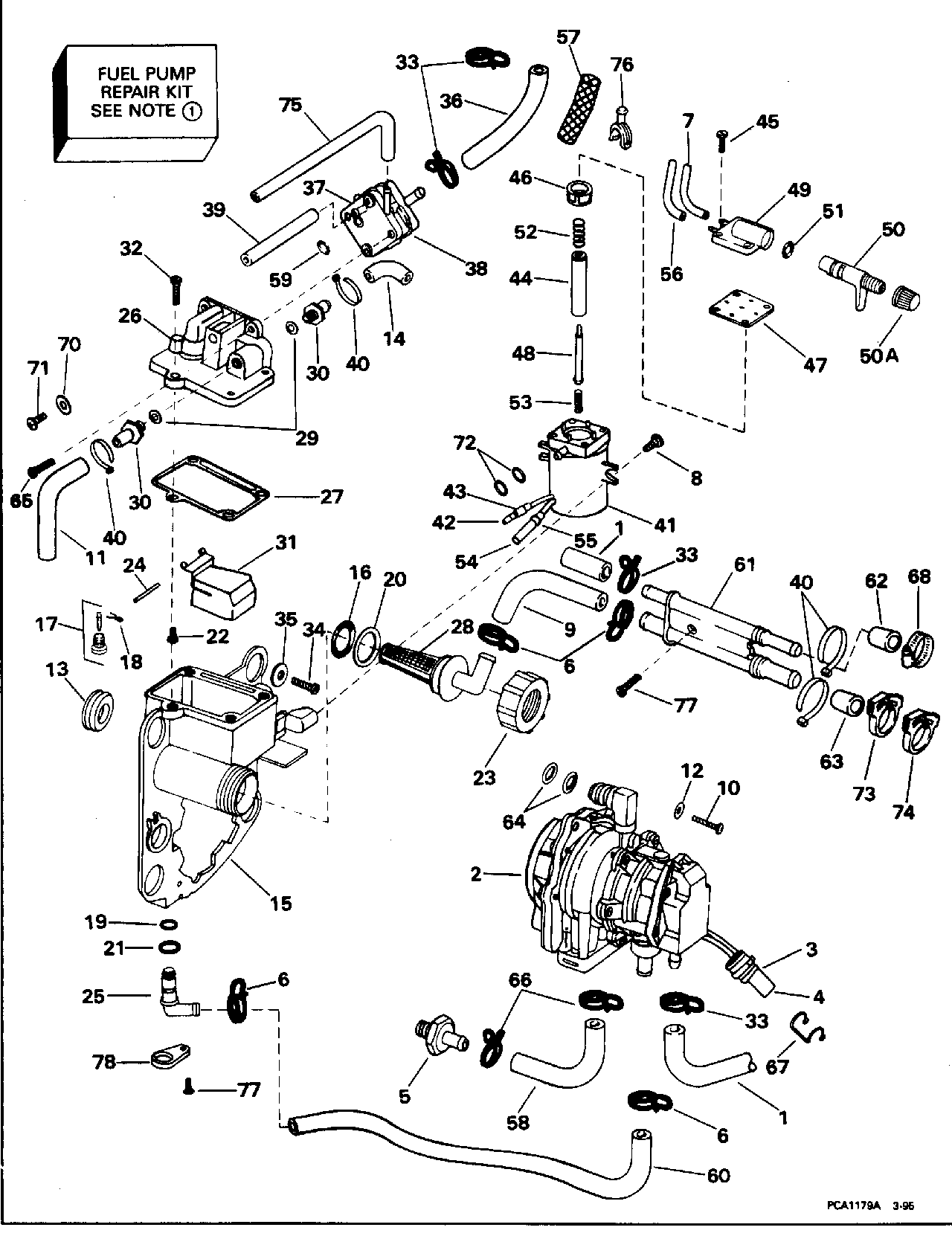
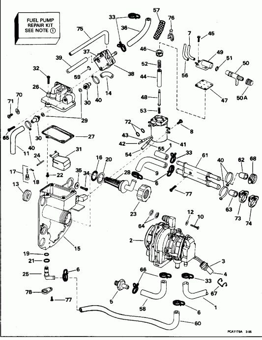
ЦИЛИНДР & КАРТЕР ДВИГАТЕЛЯ | CYLINDER & CRANKCASE;


 Эвинруд SE35RWECS 1998  - linder & Crankcase

Номер на
рисунке
АртикулНаименованиеКол-во
на складе
Цена
0438067 0438067

Цилиндр & Картер двигателя в сборе.. Not Shown (CYLINDER & CRANKCASE ASSY.. Not Shown)

нет в наличии, поставок нет
0438067 0436135

   (последний код) CYL&CRKC AY

нет в наличии, поставок нет
1 0304178

Шпонка, Главный подшипник (DOWEL PIN, Main bearing)

нет в наличии, поставок нет
2 0340891

Штифт, Tank Кронштейн (PIN, Tank bracket)

нет в наличии, поставок нет
3 0339430

Винт, Картер двигателя to Цилиндр, M10 (SCREW, Crankcase to cylinder, M10)

нет в наличии, поставок нет
4 0339817

Винт, Картер двигателя to Цилиндр, верхний , M10 (SCREW, Crankcase to cylinder, upper, M10)

нет в наличии, поставок нет
5 0339094

ELBOW, Recirc., верх и низ main (ELBOW, Recirc., upper & lower main)

нет в наличии, поставок нет
6 0303492

Ниппель, Pulse (NIPPLE, Pulse)

нет в наличии, поставок нет
7 0340887

DOWEL (DOWEL)

нет в наличии, поставок нет
8 0332406

ROLL Штифт, Нижняя часть корпуса Крепление (ROLL PIN, Lower cover mount)

нет в наличии, поставок нет
10 0339094

ELBOW, Boost port (ELBOW, Boost port)

нет в наличии, поставок нет
11 0437773

Обратный клапан, Картер двигателя (CHECK VALVE, Crankcase)

нет в наличии, поставок нет
11 0437613

   (последний код) VALVE AY,CHECK

нет в наличии, поставок нет
12 0438569

Обратный клапан, Transfer port (CHECK VALVE, Transfer port)

нет в наличии, поставок нет
12 0436210

   (последний код) VALVE AY,CHECK

нет в наличии, поставок нет
13 0436079

Термостат в сборе. (THERMOSTAT ASSY.)

нет в наличии, поставок нет
14 0436195

Термостат (THERMOSTAT)

нет в наличии, поставок нет
15 0339257

Корпус, Термостат (HOUSING, Thermostat)

нет в наличии, поставок нет
16 0301967

Уплотнительное кольцо, Термостат Корпус. Included in Powerhead Комплект прокладок (O-RING, Thermostat housing. Included in Powerhead Gasket Set)

нет в наличии, поставок нет
17 0336179

Пружина (SPRING)

нет в наличии, поставок нет
18 0437694

Диафрагма & Cвыше (DIAPHRAGM & CUP)

нет в наличии, поставок нет
19 0336211

Пружина, Relief (SPRING, Relief)

нет в наличии, поставок нет
20 0336185

Шайба (WASHER)

нет в наличии, поставок нет
21 0308458

Уплотнительное кольцо крышки термостата. Included in Powerhead Комплект прокладок (O-RING, Thermostat cover. Included in Powerhead Gasket Set)

нет в наличии, поставок нет
22 0339256

Крышка термостата (COVER, Thermostat)

нет в наличии, поставок нет
23 0585023

температура Переключатель (TEMPERATURE SWITCH)

нет в наличии, поставок нет
23 0514388

   (последний код) SWITCH,TEMPERATURE

нет в наличии, поставок нет
24 0329562

Крышка, температура Переключатель (COVER, Temperature switch)

нет в наличии, поставок нет
27 0511469

Клемма, Штифт (TERMINAL, Pin)

нет в наличии, поставок нет
27 3852229

   (последний код) TERMINAL,PIN

нет в наличии, поставок нет
28 0513357

Коннектор, 2-Штифт (CONNECTOR, 2-pin)

нет в наличии, поставок нет
28 3854845

   (последний код) CONNECTOR 513357

нет в наличии, поставок нет
29 0344228

Головка блока цилиндра (CYLINDER HEAD)

нет в наличии, поставок нет
29 0341563

   (последний код) HEAD,CYLINDER

нет в наличии, поставок нет
30 0341961

Винт, Головка блока цилиндра, M8 (SCREW, Cylinder head, M8)

нет в наличии, поставок нет
31 0325569

TEE, Recirc. (TEE, Recirc.)

нет в наличии, поставок нет
32 0332135

Заглушка, Pressure tap (PLUG, Pressure tap)

нет в наличии, поставок нет
32 0340808

   (последний код) PLUG

нет в наличии, поставок нет
33 0437684

Свеча зажигания, Champion, QL86C (SPARK PLUG, Champion, QL86C)

нет в наличии, поставок нет
34 0337244

Винт, Картер двигателя, M6 (SCREW, Crankcase, M6)

нет в наличии, поставок нет
35 0341052

Винт, нижний tank Кронштейн, M8 (SCREW, Lower tank bracket, M8)

нет в наличии, поставок нет
36 0342246

HEAT SHIELD. Included in Powerhead Комплект прокладок (HEAT SHIELD. Included in Powerhead Gasket Set)

нет в наличии, поставок нет
37 0341620

Уплотнительное кольцо, Головка блока цилиндра. Included in Powerhead Комплект прокладок (O-RING, Cylinder head. Included in Powerhead Gasket Set)

нет в наличии, поставок нет
37 0339303

   (последний код) O-RING

нет в наличии, поставок нет
38 0

Шланг, #1 Transfer port Обратный клапан to #3 boost port elbow, 4 1 / 2 дюйм (114 мм) сокращёная длина from P / N 341088 (HOSE,#1 Transfer port check valve to #3 boost port elbow, 4 1/2 in. (114mm). Cut to Length from P/N 341088)

нет в наличии, поставок нет
38 0

Шланг, #2 Transfer port Обратный клапан to #1 boost port elbow, 6 1 / 2 дюйм (165 мм) сокращёная длина from P / N 341088 (HOSE,#2 Transfer port check valve to #1 boost port elbow, 6 1/2 in. (165mm). Cut to Length from P/N 341088)

нет в наличии, поставок нет
39 0

Шланг, #3 Transfer port Обратный клапан to tee, 3 / 4 дюйм (18 мм) сокращёная длина from P / N 341088 (HOSE, #3 Transfer port check valve to tee, 3/4 in. (18mm). Cut to Length from P/N 341088)

нет в наличии, поставок нет
40 0

Шланг, #3 Коллектор elbow to tee, 3 дюйм (76 мм) сокращёная длина from P / N 341088 (HOSE, #3 Manifold elbow to tee, 3 in. (76mm). Cut to Length from P/N 341088)

нет в наличии, поставок нет
41 0

Шланг, Tee to #2 boost port elbow, 5 1 / 2 дюйм (140 мм) сокращёная длина from P / N 341088 (HOSE, Tee to #2 boost port elbow, 5 1/2 in. (140mm). Cut to Length from P/N 341088)

нет в наличии, поставок нет
42 0

Шланг, нижний main elbow to верхний main elbow, 1 1 / 2 дюйм (292 мм) сокращёная длина from P / N 341088 (HOSE, Lower main elbow to upper main elbow, 1 1/2 in. (292mm). Cut to Length from P/N 341088)

нет в наличии, поставок нет
43 0514005

Кронштейн коннектора, pack & Статор (BRACKET, Connector, pack & stator)

нет в наличии, поставок нет
44 0341992

Винт, Кронштейн to block, M5 (SCREW, Bracket to block, M5)

нет в наличии, поставок нет
45 0328701

Шайба с блокировкой, Заземление (LOCK WASHER, Ground)

нет в наличии, поставок нет
45 3852182

   (последний код) WASHER,LOCK

нет в наличии, поставок нет
46 0342496

Дроссель STOP (THROTTLE STOP)

нет в наличии, поставок нет
47 0341992

Винт дросселя stop to block, M5 (SCREW, Throttle stop to block, M5)

нет в наличии, поставок нет
48 0341632

Гильза (SLEEVE)

нет в наличии, поставок нет
49 0334338

Пружина (SPRING)

нет в наличии, поставок нет
50 0315164

Шарик (BALL)

нет в наличии, поставок нет
51 0339331

POWERHEAD Основание Прокладка. Included in Powerhead Комплект прокладок (POWERHEAD BASE GASKET. Included in Powerhead Gasket Set)

нет в наличии, поставок нет
52 0325262

Стопорное кольцо (RETAINING RING)

нет в наличии, поставок нет
53 0341902

Кронштейн (BRACKET)

нет в наличии, поставок нет
54 0315391

Колпачок, Pulse Ниппель (CAP, Pulse nipple)

нет в наличии, поставок нет
55 0305513

Винт, Кронштейн (SCREW, Bracket)

нет в наличии, поставок нет
55 0308739

   (последний код) SCREW

нет в наличии, поставок нет
56 0344468

Кронштейн фильтра Креплениеing (BRACKET, Filter mounting)

нет в наличии, поставок нет
57 0341052

Винт, Фильтр Кронштейн (SCREW, Filter bracket)

нет в наличии, поставок нет
58 0320107

Крепёжный хомут (TIE STRAP)

нет в наличии, поставок нет
58 5035626

   (последний код) BAND,REM CON

нет в наличии, поставок нет
59 0344132

Кронштейн, Заглушка Проводs (BRACKET, Plug wires)

нет в наличии, поставок нет
60 0341992

Винт, Кронштейн, M5 (SCREW, Bracket, M5)

нет в наличии, поставок нет
61 0338562

Винт, Заземление, M6 (SCREW, Ground, M6)

нет в наличии, поставок нет
62 0344455

Воздушный винт Глушитель sвышеport (SCREW, Air silencer support)

нет в наличии, поставок нет
63 0314416

Бампер (BUMPER)

нет в наличии, поставок нет
64 0337415

Гайка (NUT)

нет в наличии, поставок нет
65 0329241

Шайба (WASHER)

нет в наличии, поставок нет
65 3852193

   (последний код) WASHER

нет в наличии, поставок нет
66 0437910

POWERHEAD Комплект прокладок (POWERHEAD GASKET SET)

нет в наличии, поставок нет
67 0310967

Проставка (SPACER)

нет в наличии, поставок нет
evinrude

Время выполнения запроса 3.6954600811005 сек.


 
 

данный сайт носит информационный характер и не является публичной офертой

склад запчастей для водомоторной техники