вконтакте

Контактный телефон: +7 (981) 121-46-93, +7 (800) 200-90-76 , Email: parts-katalog@yandex.ru, где купить

 
 

  Логин:

Пароль:

Регистрация

www.partskatalog.ru Все каталоги Запчасти Mercury Запчасти Suzuki Запчасти Tohatsu Запчасти Honda Контакты


Все разделы каталога запчастей на этот двигатель

назад Раздел:   вперёд

вернуться к списку узлов и деталей

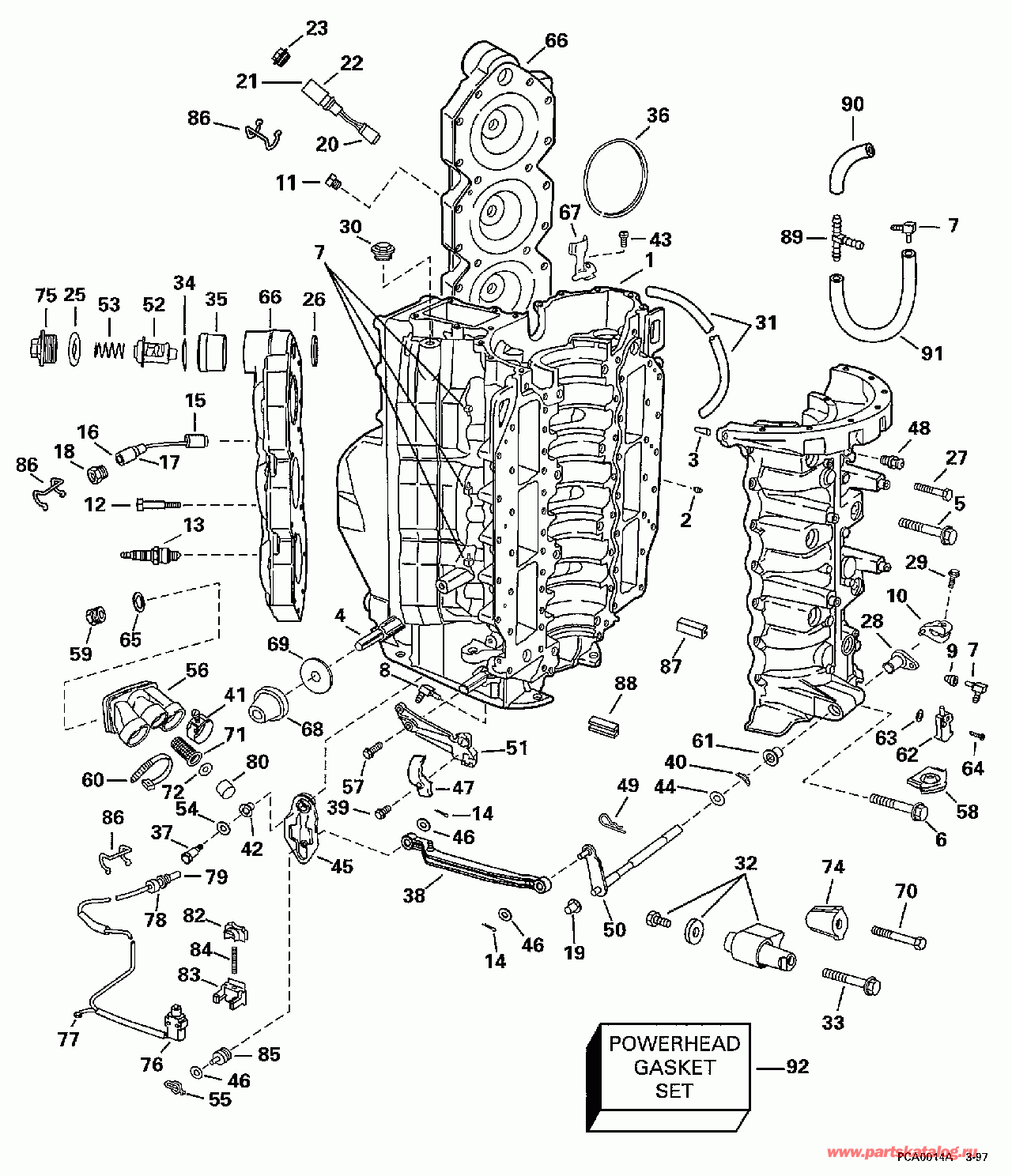
ДЕТАЛИРОВКА ДЛЯ МОДЕЛИ: EVINRUDE E175GLEUC 1997

ЦИЛИНДР & КАРТЕР ДВИГАТЕЛЯ | CYLINDER & CRANKCASE;


Подвесной двигатель EVINRUDE E175GLEUC 1997  - linder & Crankcase - linder & Картер двигателя

Номер на
рисунке
АртикулНаименованиеКол-во
на складе
Цена
1 0438902

Цилиндр & CCASE в сборе., 150GL, SL (CYLINDER & CCASE ASSY., 150GL, SL)

нет в наличии, поставок нет
1 0438421

   (последний код) CYL&CRKC 150 GT

нет в наличии, поставок нет
1 0438901

Цилиндр & CCASE в сборе., 150 (CYLINDER & CCASE ASSY., 150)

нет в наличии, поставок нет
1 5006010

   (последний код) CYL&C-CS (438901)

нет в наличии, поставок нет
1 0438903

Цилиндр & CCASE в сборе., 175 (CYLINDER & CCASE ASSY., 175)

нет в наличии, поставок нет
1 5006011

   (последний код) CYL& C-CS (438903)

нет в наличии, поставок нет
2 0304178

Шпонка Подшипник (PIN, Dowel bearing)

нет в наличии, поставок нет
3 0305070

Штифт, конус (PIN, Taper)

нет в наличии, поставок нет
4 0336630

Штифт, Roll (PIN, Roll)

нет в наличии, поставок нет
5 0336166

Винт, Цилиндр to Картер двигателя (SCREW, Cylinder to crankcase)

нет в наличии, поставок нет
6 0335611

Винт, Цилиндр to Картер двигателя (SCREW, Cylinder to crankcase)

нет в наличии, поставок нет
6 0908738

   (последний код) STUD-EXH--MA

нет в наличии, поставок нет
7 0335369

Ниппель, Drain (NIPPLE, Drain)

нет в наличии, поставок нет
8 0437784

Ниппель & Обратный клапан в сборе. (NIPPLE & CHECK VALVE ASSY.)

нет в наличии, поставок нет
9 0437773

Обратный клапан в сборе., верхний & center (CHECK VALVE ASSY., Upper & center)

нет в наличии, поставок нет
9 0437613

   (последний код) VALVE AY,CHECK

нет в наличии, поставок нет
10 0433817

Рычаг в сборе., Переключающая тяга (LEVER ASSY., Shift rod)

нет в наличии, поставок нет
11 0332135

Заглушка, Головка блока цилиндра pressure tap (PLUG, Cylinder head pressure tap)

нет в наличии, поставок нет
11 0340808

   (последний код) PLUG

нет в наличии, поставок нет
12 0306500

Винт, Головка блока цилиндра (SCREW, Cylinder head)

нет в наличии, поставок нет
13 0437929

Свеча зажигания, Champion, QL78YC (SPARK PLUG, Champion, QL78YC)

нет в наличии, поставок нет
13 0387633

Свеча зажигания, Champion, QL77JC4. Опции (SPARK PLUG, Champion, QL77JC4. Optional)

нет в наличии, поставок нет
13 0502180

   (последний код) Champion SPARK PLUG QL77JC4 MAR4

нет в наличии, поставок нет
13 0432424

Свеча зажигания, Champion, QL16V. Опции (SPARK PLUG, Champion, QL16V. Optional)

нет в наличии, поставок нет
13 0502178

   (последний код) Champion SPARK PLUG QL16V MAR4

нет в наличии, поставок нет
14 0305650

Шплинт (COTTER PIN)

нет в наличии, поставок нет
14 3852052

   (последний код) PIN,COTTER

нет в наличии, поставок нет
15 0585184

температура Переключатель, Stbd. (TEMPERATURE SWITCH, Stbd.)

нет в наличии, поставок нет
15 0586094

   (последний код) SWITCH AY,TEMP

нет в наличии, поставок нет
16 0511469

Клемма, Штифт (TERMINAL, Pin)

нет в наличии, поставок нет
16 3852229

   (последний код) TERMINAL,PIN

нет в наличии, поставок нет
17 0513357

Коннектор, 1-Штифт (CONNECTOR, 1-pin)

нет в наличии, поставок нет
17 3854845

   (последний код) CONNECTOR 513357

нет в наличии, поставок нет
18 0329562

Крышка, температура Переключатель (COVER, Temperature switch)

нет в наличии, поставок нет
19 0340734

Втулка, Рычаг переключения (BUSHING, Shift arm)

нет в наличии, поставок нет
20 0585023

температура Переключатель, Port (TEMPERATURE SWITCH, Port)

нет в наличии, поставок нет
20 0514388

   (последний код) SWITCH,TEMPERATURE

нет в наличии, поставок нет
21 0511469

Клемма, Штифт (TERMINAL, Pin)

нет в наличии, поставок нет
21 3852229

   (последний код) TERMINAL,PIN

нет в наличии, поставок нет
22 0512746

Коннектор, 2-Штифт (CONNECTOR, 2-pin)

нет в наличии, поставок нет
23 0329562

Крышка, температура Переключатель (COVER, Temperature switch)

нет в наличии, поставок нет
25 0331188

Уплотнительное кольцо крышки термостата. Included in Powerhead Комплект прокладок (O-RING, Thermostat cover. Included in Powerhead Gasket Set)

5 шт370 руб.
26 0335981

Сальник термостата. Included in Powerhead Комплект прокладок (SEAL, Thermostat. Included in Powerhead Gasket Set)

нет в наличии, поставок нет
27 0328744

Винт, Цилиндр to Картер двигателя (SCREW, Cylinder to crankcase)

нет в наличии, поставок нет
27 0308741

   (последний код) SCREW

нет в наличии, поставок нет
28 0330935

Втулка, Рычаг переключения (BUSHING, Shift lever)

нет в наличии, поставок нет
29 0328725

Винт, Рычаг тяги переключения (SCREW, Shift rod lever)

нет в наличии, поставок нет
29 3852187

   (последний код) SCREW

нет в наличии, поставок нет
30 0342923

Крышка головки цилиндра (COVER, Cylinder head)

нет в наличии, поставок нет
31 0

Дренажный шланг system. сокращёная длина from 25 фут (7, 6m) Roll, 340848 (HOSE, Drain system. Cut to Length from 25 ft. (7,6m) Roll, 340848)

нет в наличии, поставок нет
32 0436853

KIT, Монтажная резинка в сборе., верхний (KIT, Rubber mount assy., upper)

нет в наличии, поставок нет
32 0436603

   (последний код) MOUNT AY,UPPER

нет в наличии, поставок нет
33 0343024

Винт, верхний Крепление (SCREW, Upper mount)

нет в наличии, поставок нет
33 0344277

   (последний код) SCREW

нет в наличии, поставок нет
34 0339044

Прокладка, Термостат. "E" Suffix Models Only (GASKET, Thermostat. "E" Suffix Models Only)

нет в наличии, поставок нет
35 0343105

Гильза, Термостат. "E" Suffix Models Only (SLEEVE, Thermostat. "E" Suffix Models Only)

нет в наличии, поставок нет
36 0335523

Уплотнительное кольцо, Головка блока цилиндра. Included in Powerhead Комплект прокладок (O-RING, Cylinder head. Included in Powerhead Gasket Set)

1 шт770 руб.
37 0330933

Винт, Рычаг переключения to block (SCREW, Shift arm to block)

нет в наличии, поставок нет
38 0343118

Переключающая тяга Рычаг to Рычаг переключения (LINK, Shift lever to shift arm)

нет в наличии, поставок нет
38 0335382

   (последний код) LINK,SHIFT-LEVE

нет в наличии, поставок нет
39 0328725

Винт, Крышка, trunnion (SCREW, Cover, trunnion)

нет в наличии, поставок нет
39 3852187

   (последний код) SCREW

нет в наличии, поставок нет
40 0306012

Шайба вала переключения (WASHER, Shift shaft)

нет в наличии, поставок нет
41 0336136

Струбцина, Пыльник, Выхлоп (CLAMP, Grommet, exhaust)

нет в наличии, поставок нет
42 0311015

Втулка, Рычаг переключения (BUSHING, Shift lever)

нет в наличии, поставок нет
42 3852094

   (последний код) BUSHING

нет в наличии, поставок нет
43 0316195

Винт направляющей to block (SCREW, Guide to block)

нет в наличии, поставок нет
44 0202026

Шайба, Рычаг переключения (WASHER, Shift arm)

нет в наличии, поставок нет
45 0439333

Рычаг переключения (SHIFT LEVER)

нет в наличии, поставок нет
45 0435518

   (последний код) LEVER-AY,SHI

нет в наличии, поставок нет
46 0328702

Шайба, Соединитель to Рычаг переключения (WASHER, Link to shift arm)

нет в наличии, поставок нет
46 3852183

   (последний код) WASHER

нет в наличии, поставок нет
47 0335528

Крышка, Trunnion (COVER, Trunnion)

нет в наличии, поставок нет
47 0349060

   (последний код) COVER,TRUNNION

нет в наличии, поставок нет
48 0303492

Ниппель, Pulse, vapor Помпа (NIPPLE, Pulse, vapor pump)

нет в наличии, поставок нет
49 0330941

Штифт, Рычаг переключения (PIN, Shift arm)

нет в наличии, поставок нет
50 0436822

Переключающий вал & Рычаг в сборе. (SHIFT SHAFT & ARM ASSY.)

нет в наличии, поставок нет
50 5000470

   (последний код) ARM&SHAFT AY,SHIFT

нет в наличии, поставок нет
51 0340761

TRUNNION BLOCK (TRUNNION BLOCK)

нет в наличии, поставок нет
51 0349061

   (последний код) BLOCK,TRUNNION

нет в наличии, поставок нет
52 0437090

Термостат в сборе.. "E" Suffix Models Only (THERMOSTAT ASSY.. "E" Suffix Models Only)

нет в наличии, поставок нет
52 0436174

   (последний код) THERMOSTAT-A

нет в наличии, поставок нет
52 0435491

Термостат в сборе.. "C" Suffix Models Only (THERMOSTAT ASSY.. "C" Suffix Models Only)

нет в наличии, поставок нет
53 0337067

Пружина, Термостат. "E" Suffix Models Only (SPRING, Thermostat. "E" Suffix Models Only)

нет в наличии, поставок нет
53 0338174

Пружина, Термостат. "C" Suffix Models Only (SPRING, Thermostat. "C" Suffix Models Only)

нет в наличии, поставок нет
54 0328733

Пружинная шайба, Рычаг переключения (SPRING WASHER, Shift lever)

нет в наличии, поставок нет
55 0333774

Зажим, Переключатель Рычаг переключателя Рычаг (CLIP, Shift lever, shift arm)

нет в наличии, поставок нет
56 0433475

Пыльник & INSERT, Выхлоп relief (GROMMET & INSERT, Exhaust relief)

нет в наличии, поставок нет
57 0328744

Винт, Trunnion to block (SCREW, Trunnion to block)

нет в наличии, поставок нет
57 0308741

   (последний код) SCREW

нет в наличии, поставок нет
58 0335316

Сальник, Переключающая тяга (SEAL, Shift rod)

нет в наличии, поставок нет
59 0436857

Заглушка & NOZZLE, Overboard Индикатор (PLUG & NOZZLE, Overboard indicator)

нет в наличии, поставок нет
59 0336217

   (последний код) NOZZLE,OVBD DRAIN

нет в наличии, поставок нет
60 0320107

Крепёжный хомут (TIE STRAP)

нет в наличии, поставок нет
60 5035626

   (последний код) BAND,REM CON

нет в наличии, поставок нет
61 0335521

Втулка, Рычаг переключения to block (BUSHING, Shift lever to block)

нет в наличии, поставок нет
62 0340767

Ниппель, нижний drain (NIPPLE, Lower drain)

нет в наличии, поставок нет
63 0324677

Уплотнительное кольцо, Ниппель, нижний drain (O-RING, Nipple, lower drain)

нет в наличии, поставок нет
64 0328649

Винт, нижний Дренажный ниппель (SCREW, Lower drain nipple)

нет в наличии, поставок нет
64 0337541

   (последний код) SCREW

нет в наличии, поставок нет
65 0301967

Уплотнительное кольцо, Overboard Индикатор (O-RING, Overboard indicator)

нет в наличии, поставок нет
66 0337548

Головка блока цилиндра, 150 (CYLINDER HEAD, 150)

нет в наличии, поставок нет
66 0335195

   (последний код) HEAD,CYLINDE

нет в наличии, поставок нет
66 0338082

Головка блока цилиндра, 150JL (CYLINDER HEAD, 150JL)

нет в наличии, поставок нет
66 0338311

Головка блока цилиндра, 150GL, SL (CYLINDER HEAD, 150GL, SL)

нет в наличии, поставок нет
66 0338311

Головка блока цилиндра, 175 (CYLINDER HEAD, 175)

нет в наличии, поставок нет
67 0337478

Направляющая, Статор Проводs (GUIDE, Stator wires)

нет в наличии, поставок нет
68 0328584

Крепление (MOUNT)

нет в наличии, поставок нет
68 0349557

   (последний код) MOUNT

нет в наличии, поставок нет
69 0329749

Шайба, Крепление (WASHER, Mount)

нет в наличии, поставок нет
69 0349556

   (последний код) WASHER

нет в наличии, поставок нет
70 0330263

Винт, верхний Крепление retention (SCREW, Upper mount retention)

нет в наличии, поставок нет
70 0914534

   (последний код) SCREW

нет в наличии, поставок нет
71 0341689

Фильтр, Overboard Индикатор (FILTER, Overboard indicator)

нет в наличии, поставок нет
72 0315189

Шайба, Фильтр (WASHER, Filter)

нет в наличии, поставок нет
74 0340418

Фиксатор, верхний Крепление (RETAINER, Upper mount)

нет в наличии, поставок нет
75 0332944

Крышка термостата. "E" Suffix Models Only (COVER, Thermostat. "E" Suffix Models Only)

нет в наличии, поставок нет
75 0338632

Крышка термостата. "C" Suffix Models Only (COVER, Thermostat. "C" Suffix Models Only)

нет в наличии, поставок нет
76 0585013

Переключатель & Кабели. Except 150JL (SWITCH & CABLE. Except 150JL)

нет в наличии, поставок нет
77 0510818

Клемма, Кольцо (TERMINAL, Ring)

нет в наличии, поставок нет
77 3854243

   (последний код) TERMINAL,RIN

нет в наличии, поставок нет
78 0513356

Коннектор, 1-socket (CONNECTOR, 1-socket)

нет в наличии, поставок нет
79 0581656

Клемма, Socket (TERMINAL, Socket)

нет в наличии, поставок нет
79 3852257

   (последний код) TERMINAL AY,SCKT

нет в наличии, поставок нет
80 0342916

LINER, Пыльник (LINER, Grommet)

нет в наличии, поставок нет
82 0513811

Кронштейн, Slider. Except 150JL (BRACKET, Slider. Except 150JL)

нет в наличии, поставок нет
82 0513132

   (последний код) BRACKET

нет в наличии, поставок нет
83 0513134

Кронштейн, Защелка. Except 150JL (BRACKET, Snap. Except 150JL)

нет в наличии, поставок нет
84 0333749

Пружина переключателя assist. Except 150JL (SPRING, Shift assist. Except 150JL)

нет в наличии, поставок нет
85 0338990

Штифт, Переключатель assist. Except 150JL (PIN, Shift assist. Except 150JL)

нет в наличии, поставок нет
86 0512741

Фиксатор, Коннектор (RETAINER, Connector)

нет в наличии, поставок нет
87 0335499

Сальник, Block to Нижняя часть корпуса, port. Included in Powerhead Комплект прокладок (SEAL, Block to lower cover, port. Included in Powerhead Gasket Set)

нет в наличии, поставок нет
88 0335500

Сальник, Block to Нижняя часть корпуса, stbd.. Included in Powerhead Комплект прокладок (SEAL, Block to lower cover, stbd.. Included in Powerhead Gasket Set)

нет в наличии, поставок нет
89 0313537

TEE, Шлангs, vent (TEE, Hoses, vent)

нет в наличии, поставок нет
90 0

Шланг, Tee to air Глушитель, 2 1 / 4 дюйм (57 мм) сокращёная длина from 25 фут (7, 6m) Roll, 332219 (HOSE, Tee to air silencer, 2 1/4 in. (57mm). Cut to Length from 25 ft. (7,6m) Roll, 332219)

нет в наличии, поставок нет
91 0

Шланг, Tee to верхний Подшипник vent, 6 дюйм (152 мм) сокращёная длина from 25 фут (7, 6m) Roll, 340848 (HOSE, Tee to upper bearing vent,6 in. (152mm). Cut to Length from 25 ft. (7,6m) Roll, 340848)

нет в наличии, поставок нет
92 0437155

POWERHEAD Комплект прокладок (POWERHEAD GASKET SET)

нет в наличии, поставок нет
evinrude

Время выполнения запроса 2.7955100536346 сек.


 
 

данный сайт носит информационный характер и не является публичной офертой

склад запчастей для водомоторной техники