вконтакте

Контактный телефон: +7 (981) 121-46-93, +7 (800) 200-90-76 , Email: parts-katalog@yandex.ru, где купить

 
 

  Логин:

Пароль:

Регистрация

www.partskatalog.ru Все каталоги Запчасти Mercury Запчасти Suzuki Запчасти Tohatsu Запчасти Honda Контакты


Все разделы каталога запчастей на этот двигатель

назад Раздел:   вперёд

вернуться к списку узлов и деталей

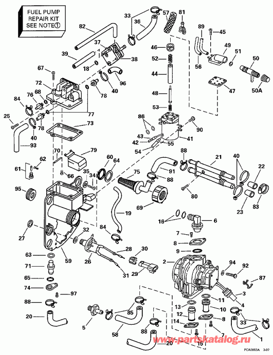
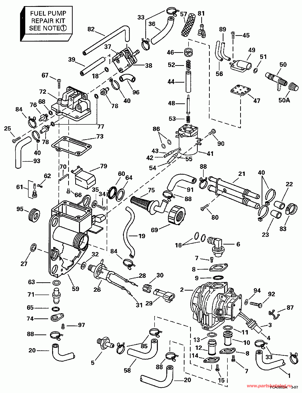
ДЕТАЛИРОВКА ДЛЯ МОДЕЛИ: EVINRUDE E175NXEUE 1997

FUEL КРОНШТЕЙН & COMPONENTS | FUEL BRACKET & COMPONENTS;


 Evinrude E175NXEUE 1997  - el Bracket & Components / el Кронштейн & Components

Номер на
рисунке
АртикулНаименованиеКол-во
на складе
Цена
1 0336128

Топливный шланг Коннектор to Помпа, oil (HOSE, Fuel connector to pump, oil)

нет в наличии, поставок нет
2 0438400

Топливный насос в сборе.. See Аксессуары Parts Catalog для Ремонтный комплект Part Numbers (FUEL PUMP ASSY.. See Accessories Parts Catalog for Repair Kit Part Numbers)

нет в наличии, поставок нет
2 5007420

   (последний код) KIT AY,F PUMP&LMTR

нет в наличии, поставок нет
3 0512749

Коннектор (CONNECTOR)

нет в наличии, поставок нет
3 3852241

   (последний код) CONN,4-SKT-P

нет в наличии, поставок нет
4 0581656

SOCKET (SOCKET)

нет в наличии, поставок нет
4 3852257

   (последний код) TERMINAL AY,SCKT

нет в наличии, поставок нет
5 0435009

PULSE LIMITER (PULSE LIMITER)

нет в наличии, поставок нет
5 3852225

   (последний код) LIMITER-AY,P

нет в наличии, поставок нет
6 0343163

FITTING, Fuel выход (FITTING, Fuel outlet)

нет в наличии, поставок нет
6 0345238

   (последний код) ELBOW,FUEL-OUT 6V6

нет в наличии, поставок нет
7 0124549

Винт, Фиксатор (SCREW, Retainer)

нет в наличии, поставок нет
8 0343172

Фиксатор, Fitting (RETAINER, Fitting)

нет в наличии, поставок нет
9 0335230

Уплотнительное кольцо, выход fitting (O-RING, Outlet fitting)

нет в наличии, поставок нет
10 0343852

FITTING, Fuel вход (FITTING, Fuel inlet)

нет в наличии, поставок нет
11 0124378

Уплотнительное кольцо, вход fitting (O-RING, Inlet fitting)

нет в наличии, поставок нет
11 3852011

   (последний код) O-RING

нет в наличии, поставок нет
12 0340186

FITTING, Pulse (FITTING, Pulse)

нет в наличии, поставок нет
13 0125203

Уплотнительное кольцо, Pulse fitting (O-RING, Pulse fitting)

нет в наличии, поставок нет
14 0340201

Фиксатор, Pulse fitting (RETAINER, Pulse fitting)

нет в наличии, поставок нет
15 0125212

Винт, Фиксатор (SCREW, Retainer)

нет в наличии, поставок нет
16 0335230

Уплотнительное кольцо, Fitting to Кронштейн (O-RING, Fitting to bracket)

нет в наличии, поставок нет
18 0332437

Уплотнительное кольцо, Vapor Помпа to sep. Крышка (O-RING, Vapor pump to sep. cover)

нет в наличии, поставок нет
19 0

Шланг, Vapor sep. to vacuum Переключатель, 5 1 / 2 дюйм (140 мм) сокращёная длина from 327228 - 5 / 32 дюйм I.D., 25 фут (7, 6m) Roll (HOSE, Vapor sep. to vacuum switch, 5 1/2 in. (140mm). Cut to Length from 327228 - 5/32 in. I.D., 25 ft. (7,6m) Roll)

нет в наличии, поставок нет
20 0334132

Шланг, Vapor sep. to Помпа в сборе. (HOSE, Vapor sep. to pump assy.)

нет в наличии, поставок нет
21 0335626

Ниппель, Fuel & oil (NIPPLE, Fuel & oil)

нет в наличии, поставок нет
22 0315391

Заглушка, Коннектор, oil (PLUG, Connector, oil)

нет в наличии, поставок нет
23 0331649

Заглушка, Топливный коннектор (PLUG, Connector, fuel)

нет в наличии, поставок нет
24 0335230

Уплотнительное кольцо, Топливный насос to Кронштейн (O-RING, Fuel pump to bracket)

нет в наличии, поставок нет
25 0335229

Винт, Vapor Помпа to Крышка (SCREW, Vapor pump to cover)

нет в наличии, поставок нет
25 0337540

   (последний код) SCREW

нет в наличии, поставок нет
26 0586034

VACUUM Переключатель в сборе. (VACUUM SWITCH ASSY.)

нет в наличии, поставок нет
26 0586544

   (последний код) KIT AY,VAC SWITCH

нет в наличии, поставок нет
27 0330523

Стопорное кольцо (RETAINING RING)

нет в наличии, поставок нет
28 0514485

Сальник, Подводящий провод (SEAL, Lead wire)

нет в наличии, поставок нет
29 0514665

Коннектор (CONNECTOR)

нет в наличии, поставок нет
30 0514675

LOCK (LOCK)

нет в наличии, поставок нет
31 0514716

Штифт, Клемма (PIN, Terminal)

нет в наличии, поставок нет
32 0909678

Уплотнительное кольцо, Vacuum Переключатель (O-RING, Vacuum switch)

нет в наличии, поставок нет
33 0339277

Струбцина под жгут проводов, pulse & oil Шланг (CLAMP, Wire, pulse & oil hose)

нет в наличии, поставок нет
34 0325402

Винт, Кронштейн to ccase Крышка (SCREW, Bracket to ccase cover)

нет в наличии, поставок нет
35 0336316

Шайба, Винт, Кронштейн to Крышка (WASHER, Screw, bracket to cover)

нет в наличии, поставок нет
36 0336318

Шланг, Pulse, vapor Помпа to ccase Крышка (HOSE, Pulse, vapor pump to ccase cover)

нет в наличии, поставок нет
37 0433352

Помпа в сборе., Vapor (PUMP ASSY., Vapor)

нет в наличии, поставок нет
38 0331307

Диафрагма, Main (DIAPHRAGM, Main)

1 шт360 руб.
38 0312617

   (последний код) DIAPHRAGM

1 шт280 руб.
39 0

Шланг, Vapor Помпа to нижний Подшипник vent Ниппель 17 дюйм (432 мм) сокращёная длина from 335802 - 7 / 64 дюйм I.D., 25 фут (7, 6, ) Roll (HOSE, Vapor pump to lower bearing vent nipple 17 in. (432mm). Cut to Length from 335802 - 7/64 in. I.D., 25 ft. (7,6,) Roll)

нет в наличии, поставок нет
40 0320107

Крепёжный хомут (TIE STRAP)

нет в наличии, поставок нет
40 5035626

   (последний код) BAND,REM CON

нет в наличии, поставок нет
41 0437232

Соленоид, в сборе., Primer (SOLENOID ASSY., Primer)

нет в наличии, поставок нет
41 0433374

   (последний код) SOLENOID AY,PRIMER

нет в наличии, поставок нет
42 0512947

Клемма, Bullet (TERMINAL, Bullet)

нет в наличии, поставок нет
42 0910462

   (последний код) TERM.-60766-

нет в наличии, поставок нет
43 0513185

Гильза (SLEEVE)

нет в наличии, поставок нет
43 0512948

   (последний код) SLEEVE

нет в наличии, поставок нет
44 0511809

Плунжер (PLUNGER)

нет в наличии, поставок нет
45 0330121

Винт, Крышка to Корпус (SCREW, Cover to housing)

нет в наличии, поставок нет
45 0326186

   (последний код) SCREW

нет в наличии, поставок нет
46 0332365

Фильтр, Клапан Корпус (FILTER, Valve housing)

нет в наличии, поставок нет
46 0511811

   (последний код) FILTER

нет в наличии, поставок нет
47 0341297

Прокладка, Корпус (GASKET, Housing)

нет в наличии, поставок нет
48 0333447

Клапан, Плунжер (VALVE, Plunger)

нет в наличии, поставок нет
48 0511988

   (последний код) VALVE

нет в наличии, поставок нет
49 0341071

Крышка, Solenoid (COVER, Solenoid)

нет в наличии, поставок нет
50 0175158

Клапан в сборе., Maintenance (VALVE ASSY., Maintenance)

нет в наличии, поставок нет
50A 0126341

Колпачок Клапан (CAP VALVE)

нет в наличии, поставок нет
51 0331365

Уплотнительное кольцо, Клапан (O-RING, Valve)

нет в наличии, поставок нет
51 0326721

   (последний код) O-RING

нет в наличии, поставок нет
52 0511986

Пружина клапана (SPRING, Valve)

нет в наличии, поставок нет
53 0511987

Пружина, Плунжер (SPRING, Plunger)

нет в наличии, поставок нет
54 0512876

Клемма, Socket (TERMINAL, Socket)

нет в наличии, поставок нет
54 3852244

   (последний код) TERMINAL,SOC

нет в наличии, поставок нет
55 0513186

Гильза (SLEEVE)

нет в наличии, поставок нет
55 3852248

   (последний код) SLEEVE,SKT-B

нет в наличии, поставок нет
56 0

Шланг, Primer solenoid to stbd. primer Ниппель, 14 дюйм (356 мм) сокращёная длина from 327229 - 0.0575 дюйм I.D., 25 фут (7, 6m) Roll (HOSE, Primer solenoid to stbd. primer nipple, 14 in. (356mm). Cut to Length from 327229 - 0.0575 in. I.D., 25 ft. (7,6m) Roll)

нет в наличии, поставок нет
57 0513816

Гильза, Pulse Шланг (SLEEVE, Pulse hose)

нет в наличии, поставок нет
58 0333407

Шланг, Pulse (HOSE, Pulse)

нет в наличии, поставок нет
58 0326597

   (последний код) HOSE

нет в наличии, поставок нет
0436695 0436695

Пароотделитель (VAPOR SEPARATOR)

нет в наличии, поставок нет
59 0335240

Кронштейн, Fuel components (BRACKET, Fuel components)

нет в наличии, поставок нет
60 0124369

Уплотнительное кольцо, Фильтр to Пароотделитель (O-RING, Filter to vapor separator)

нет в наличии, поставок нет
61 0396521

Клапан поплавка в сборе., Пароотделитель (FLOAT VALVE ASSY., Vapor separator)

нет в наличии, поставок нет
61 0678882

   (последний код) VALVE-&-SEAT

нет в наличии, поставок нет
62 0336842

Пружина Зажим (SPRING CLIP)

нет в наличии, поставок нет
62 0603145

   (последний код) CLIP

нет в наличии, поставок нет
63 0333639

Уплотнительное кольцо, Vapor sep. Ниппель to brkt. (O-RING, Vapor sep. nipple to brkt.)

нет в наличии, поставок нет
64 0327270

Прокладка, Топливный фильтр (GASKET, Fuel filter)

нет в наличии, поставок нет
64 0329716

   (последний код) GASKET

нет в наличии, поставок нет
65 0331365

Уплотнительное кольцо, Пароотделитель (O-RING, Vapor separator)

нет в наличии, поставок нет
65 0326721

   (последний код) O-RING

нет в наличии, поставок нет
66 0326164

Винт, Hinge Штифт to separator (SCREW, Hinge pin to separator)

нет в наличии, поставок нет
67 0328649

Винт, Separator to Кронштейн (SCREW, Separator to bracket)

нет в наличии, поставок нет
67 0337541

   (последний код) SCREW

нет в наличии, поставок нет
68 0332437

Уплотнительное кольцо, Vapor sep. vacuum Ниппель (O-RING, Vapor sep. vacuum nipple)

нет в наличии, поставок нет
69 0335112

Гайка, Топливный фильтр (NUT, Fuel filter)

нет в наличии, поставок нет
70 0336650

Штифт, Vapor Поплавок в сборе. (PIN, Vapor float assy.)

нет в наличии, поставок нет
71 0335234

Ниппель, Пароотделитель выход (NIPPLE, Vapor separator outlet)

нет в наличии, поставок нет
72 0335385

Крышка пароотделителя (COVER, Vapor separator)

нет в наличии, поставок нет
73 0335236

Сальник, Vapor sep. to Кронштейн (SEAL, Vapor sep. to bracket)

нет в наличии, поставок нет
74 0335685

Фиксатор, выход Ниппель to Кронштейн (RETAINER, Outlet nipple to bracket)

нет в наличии, поставок нет
75 0433190

Топливный фильтр в сборе. (FUEL FILTER ASSY.)

нет в наличии, поставок нет
76 0326467

Ниппель, Vapor sep., vacuum pick-выше (NIPPLE, Vapor sep., vacuum pick-up)

нет в наличии, поставок нет
76 0335235

   (последний код) NIPPLE

нет в наличии, поставок нет
77 0305739

Уплотнительное кольцо, Ниппель, Крышка to Коллектор (O-RING, Nipple, cover to manifold)

нет в наличии, поставок нет
77 0900224

   (последний код) O RING

нет в наличии, поставок нет
78 0343576

Ниппель, Fuel выход (NIPPLE, Fuel outlet)

нет в наличии, поставок нет
78 0335233

   (последний код) NIPPLE

нет в наличии, поставок нет
79 0433410

Поплавок & Рычаг в сборе., Vapor sep. (FLOAT & ARM ASSY., Vapor sep.)

нет в наличии, поставок нет
80 0315656

Винт, Fuel & oil Ниппель to Фиксатор (SCREW, Fuel & oil nipple to retainer)

нет в наличии, поставок нет
81 0329661

Заглушка / Держатель (PLUG/HOLDER)

нет в наличии, поставок нет
82 0

Шланг, Vapor Помпа to tee, 7 дюйм (178 мм) сокращёная длина from 335738 - 5 / 32 дюйм I.D., 25 фут (7, 6m) Roll (HOSE, Vapor pump to tee, 7 in. (178mm). Cut to Length from 335738 - 5/32 in. I.D., 25 ft. (7,6m) Roll)

нет в наличии, поставок нет
83 0123112

Струбцина (CLAMP)

нет в наличии, поставок нет
84 0339276

Струбцина под жгут проводов (CLAMP, Wire)

нет в наличии, поставок нет
85 0339278

Струбцина под жгут проводов (CLAMP, Wire)

нет в наличии, поставок нет
86 0335231

Уплотнительное кольцо, Primer solenoid to Кронштейн (O-RING, Primer solenoid to bracket)

нет в наличии, поставок нет
87 0512743

Фиксатор, sl VRO e Коннектор (RETAINER, sl VRO e connector)

нет в наличии, поставок нет
87 3852238

   (последний код) RETAINER,CON

нет в наличии, поставок нет
88 0339279

Струбцина под жгут проводов (CLAMP, Wire)

нет в наличии, поставок нет
89 0

Шланг, Primer solenoid to port primer Ниппельs, 10 1 / 2 дюйм (267 мм) сокращёная длина from 327229 - 0.0575 дюйм I.D., 25 фут (7, 6m) Roll (HOSE, Primer solenoid to port primer nipples, 10 1/2 in. (267mm). Cut to Length from 327229 - 0.0575 in. I.D., 25 ft. (7,6m) Roll)

нет в наличии, поставок нет
90 0315656

Винт, Primer solenoid to Кронштейн (SCREW, Primer solenoid to bracket)

нет в наличии, поставок нет
91 0336129

Топливный шланг Коннектор to Фильтр (HOSE, Fuel connector to filter)

нет в наличии, поставок нет
92 0328649

Винт, Помпа to Кронштейн (SCREW, Pump to bracket)

нет в наличии, поставок нет
92 0337541

   (последний код) SCREW

нет в наличии, поставок нет
93 0336131

Шланг, Кронштейн to stbd. Коллектор (HOSE, Bracket to stbd. manifold)

нет в наличии, поставок нет
94 0328735

Шайба, Винт, Помпа to Кронштейн (WASHER, Screw, pump to bracket)

нет в наличии, поставок нет
94 3852188

   (последний код) WASHER

нет в наличии, поставок нет
95 0329518

Пыльник, Кронштейн to powerhead (GROMMET, Bracket to powerhead)

нет в наличии, поставок нет
95 3852195

   (последний код) GROMMET

нет в наличии, поставок нет
96 0336132

Шланг, Кронштейн to port Коллектор (HOSE, Bracket to port manifold)

нет в наличии, поставок нет
97 0326164

Винт, Ниппель Фиксатор to Кронштейн (SCREW, Nipple retainer to bracket)

нет в наличии, поставок нет
evinrude

Время выполнения запроса 3.6364989280701 сек.


 
 

данный сайт носит информационный характер и не является публичной офертой

склад запчастей для водомоторной техники