вконтакте

Контактный телефон: +7 (981) 121-46-93, +7 (800) 200-90-76 , Email: parts-katalog@yandex.ru, где купить

 
 

  Логин:

Пароль:

Регистрация

www.partskatalog.ru Все каталоги Запчасти Mercury Запчасти Suzuki Запчасти Tohatsu Запчасти Honda Контакты



УВАЖАЕМЫЕ КЛИЕНТЫ!
C 19 ДЕКАБРЯ 2025 ПО 02 МАРТА 2026 ГОДА ОТДЕЛ ЗАПЧАСТЕЙ И СЕРВИС РАБОТАТЬ НЕ БУДУТ
ПРОДАЖА ЛОДОЧНЫХ МОТОРОВ В ШТАТНОМ РЕЖИМЕ
ОБ ИЗМЕНЕНИЯХ В ГРАФИКЕ РАБОТЫ ЧИТАЙТЕ НА САЙТА




Все разделы каталога запчастей на этот двигатель

назад Раздел:   вперёд

вернуться к списку узлов и деталей

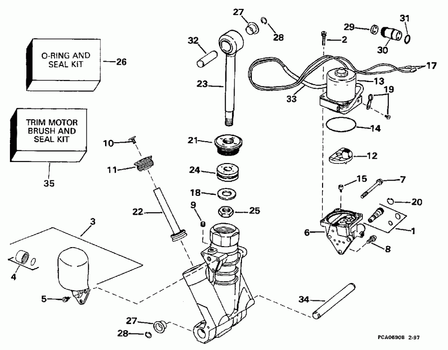
ДЕТАЛИРОВКА ДЛЯ МОДЕЛИ: EVINRUDE BE130TLEUB 1997

МЕХАНИЗИРОВАННЫЙ ДИФФЕРЕНТ НАКЛОНА HYDRAULIC ASSEMBLY | POWER TRIM/TILT HYDRAULIC ASSEMBLY;


Лодочный подвесной мотор Evinrude BE130TLEUB 1997  - wer Trim/tilt Hydraulic Assembly

Номер на
рисунке
АртикулНаименованиеКол-во
на складе
Цена
0434396 0434396

HYDRAULIC в сборе.. Not Shown (HYDRAULIC ASSY.. Not Shown)

нет в наличии, поставок нет
0434396 5005430

   (последний код) HYD AY (YC)

нет в наличии, поставок нет
1 0435260

ручной RELEASE Клапан & Сальник в сборе. (MANUAL RELEASE VALVE & SEAL ASSY.)

нет в наличии, поставок нет
2 0337494

Винт, Motor to Коллектор (SCREW, Motor to manifold)

нет в наличии, поставок нет
3 0435341

Резервуар & Колпачок в сборе (RESERVOIR & CAP ASSY.)

нет в наличии, поставок нет
4 0435342

Колпачок & Уплотнительное кольцо в сборе. (CAP & O-RING ASSY.)

нет в наличии, поставок нет
5 0336746

Винт, Резервуар to Коллектор (SCREW, Reservoir to manifold)

нет в наличии, поставок нет
6 0435343

Клапан Корпус в сборе. (VALVE BODY ASSY.)

нет в наличии, поставок нет
7 0337495

Винт, Клапан Корпус, long (SCREW, Valve body, long)

нет в наличии, поставок нет
8 0337517

Винт, Клапан Корпус, short (SCREW, Valve body, short)

нет в наличии, поставок нет
9 0337530

Заглушка, Screen (PLUG, Screen)

нет в наличии, поставок нет
10 0337496

THRUST PAD (THRUST PAD)

нет в наличии, поставок нет
11 0435345

TRIM Тяга END Колпачок & Сальник в сборе. (TRIM ROD END CAP & SEAL ASSY.)

нет в наличии, поставок нет
12 0337497

Фильтр в сборе. (FILTER ASSY.)

нет в наличии, поставок нет
13 0434496

MOTOR & Уплотнительное кольцо в сборе. (MOTOR & O-RING ASSY.)

нет в наличии, поставок нет
13 5005376

   (последний код) MOTOR & O-RING AY

нет в наличии, поставок нет
14 0321163

Уплотнительное кольцо (O-RING)

нет в наличии, поставок нет
14 3852166

   (последний код) O-RING

нет в наличии, поставок нет
15 0914053

DRIVE, Помпа (DRIVE, Pump)

нет в наличии, поставок нет
15 3852982

   (последний код) COUPLING,PUM

нет в наличии, поставок нет
17 0513667

Клемма (TERMINAL)

нет в наличии, поставок нет
17 3852253

   (последний код) TERMINAL,RCP

нет в наличии, поставок нет
18 0324385

Шайба (WASHER)

нет в наличии, поставок нет
18 0337535

   (последний код) WASHER,TILT

нет в наличии, поставок нет
19 0435261

Струбцина & Винт в сборе. (CLAMP & SCREW ASSY.)

нет в наличии, поставок нет
20 0914069

Стопорное кольцо (RETAINING RING)

нет в наличии, поставок нет
20 3852997

   (последний код) RETAINING RING

нет в наличии, поставок нет
21 0390006

Колпачок в сборе (CAP ASSY.)

нет в наличии, поставок нет
22 0436389

TRIM Тяга (TRIM ROD)

нет в наличии, поставок нет
23 0436390

Тяга и EYE (ROD AND EYE)

нет в наличии, поставок нет
24 0435263

Поршень в сборе. (PISTON ASSY.)

нет в наличии, поставок нет
25 0324390

Гайка (NUT)

нет в наличии, поставок нет
25 0337536

   (последний код) NUT,WASHER-C

нет в наличии, поставок нет
26 0434519

Уплотнительное кольцо & Комплект сальников (O-RING & SEAL KIT)

нет в наличии, поставок нет
27 0335479

Втулка, верх и низ Крепление (BUSHING, Upper & lower mount)

нет в наличии, поставок нет
28 0336534

Стопорное кольцо (RETAINING RING)

нет в наличии, поставок нет
29 0513665

Заглушка, Сальник (PLUG, Seal)

нет в наличии, поставок нет
29 3852251

   (последний код) PLUG,CONN SEAL

нет в наличии, поставок нет
30 0513664

Коннектор, Motor (CONNECTOR, Motor)

нет в наличии, поставок нет
30 3852250

   (последний код) CONN,2-CONT

нет в наличии, поставок нет
31 0911729

Уплотнительное кольцо (O-RING)

нет в наличии, поставок нет
32 0335480

Штифт, Цилиндр наклона (PIN, Tilt cylinder)

нет в наличии, поставок нет
33 0513816

Гильза, Motor leads (SLEEVE, Motor leads)

нет в наличии, поставок нет
34 0335463

Тяга, нижний Крепление (ROD, Lower mount)

нет в наличии, поставок нет
35 0585229

MOTOR Щётка & Комплект сальников (MOTOR BRUSH & SEAL KIT)

1 шт29600 руб.
evinrude

Время выполнения запроса 0.65818095207214 сек.


 
 

данный сайт носит информационный характер и не является публичной офертой

склад запчастей для водомоторной техники