вконтакте

Контактный телефон: +7 (981) 121-46-93, +7 (800) 200-90-76 , Email: parts-katalog@yandex.ru, где купить

 
 

  Логин:

Пароль:

Регистрация

www.partskatalog.ru Все каталоги Запчасти Mercury Запчасти Suzuki Запчасти Tohatsu Запчасти Honda Контакты



УВАЖАЕМЫЕ КЛИЕНТЫ!
C 19 ДЕКАБРЯ 2025 ПО 02 МАРТА 2026 ГОДА ОТДЕЛ ЗАПЧАСТЕЙ И СЕРВИС РАБОТАТЬ НЕ БУДУТ
ПРОДАЖА ЛОДОЧНЫХ МОТОРОВ В ШТАТНОМ РЕЖИМЕ
ОБ ИЗМЕНЕНИЯХ В ГРАФИКЕ РАБОТЫ ЧИТАЙТЕ НА САЙТА




Все разделы каталога запчастей на этот двигатель

назад Раздел:   вперёд

вернуться к списку узлов и деталей

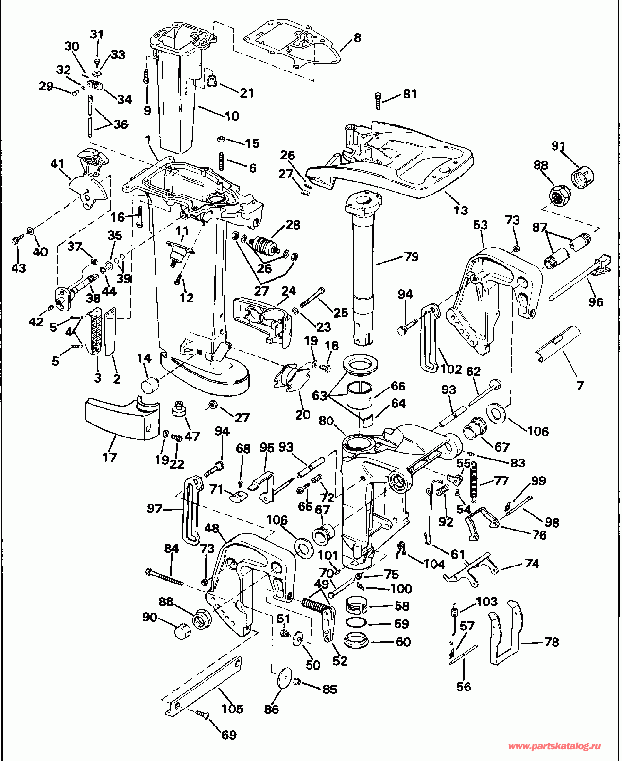
ДЕТАЛИРОВКА ДЛЯ МОДЕЛИ: EVINRUDE SE105RWYP 1997

STERN & ПОВОРОТНЫЙ КРОНШТЕЙН | STERN & SWIVEL BRACKET;


Двигатель Эвинруд SE105RWYP 1997  - ern & Swivel Bracket / ern & Поворотный кронштейн

Номер на
рисунке
АртикулНаименованиеКол-во
на складе
Цена
1 0398937

Поворотный кронштейн (SWIVEL BRACKET)

нет в наличии, поставок нет
2 0313607

LUBRICATION FITTING (LUBRICATION FITTING)

нет в наличии, поставок нет
2 3852121

   (последний код) FITTING,LUB

нет в наличии, поставок нет
3 0329291

Втулка (BUSHING)

нет в наличии, поставок нет
4 0320937

Сальник (SEAL)

нет в наличии, поставок нет
5 0329292

SвышеPORT Кольцо (SUPPORT RING)

нет в наличии, поставок нет
6 0330605

ANCHOR Винт (ANCHOR SCREW)

нет в наличии, поставок нет
6 0329664

   (последний код) SCREW SET

нет в наличии, поставок нет
7 0438082

Рулевая система Рычаг в сборе. (STEERING ARM ASSY.)

нет в наличии, поставок нет
8 0327696

KEEPER, Стержень Вал (KEEPER, Pivot shaft)

нет в наличии, поставок нет
9 0328696

Винт, Заземление lead (SCREW, Ground lead)

нет в наличии, поставок нет
10 0321035

Втулка, Поворотный кронштейн (BUSHING, Swivel bracket)

нет в наличии, поставок нет
11 0320866

THRUST Опорная шайба Вал (THRUST WASHER, Pivot shaft)

нет в наличии, поставок нет
12 0340006

Монтажный кронштейн (MOUNT BRACKET)

нет в наличии, поставок нет
12 0339305

   (последний код) BRACKET,MOUN

нет в наличии, поставок нет
13 0320746

Гайка, Монтажный кронштейн (NUT, Mount bracket)

нет в наличии, поставок нет
14 0553766

Волнистая шайба, Винт to Рычаг, port (WAVE WASHER, Screw to lever, port)

нет в наличии, поставок нет
14 0123886

   (последний код) SPRING-WASHE

нет в наличии, поставок нет
15 0307708

Шайба с блокировкой, Кронштейн to Проставка (LOCK WASHER, Bracket to spacer)

нет в наличии, поставок нет
15 0302865

   (последний код) LOCKWASHER

нет в наличии, поставок нет
16 0552968

Винт, Stern brkt. to Проставка, 1 7 / 16 дюйм (37 мм) (SCREW, Stern brkt. to spacer, 1 7/16 in. (37 mm))

нет в наличии, поставок нет
16 0321675

   (последний код) SCREW

нет в наличии, поставок нет
16 0318612

Винт, Stern brkt. to Проставка, 2 3 / 4 дюйм (70 мм) (SCREW, Stern brkt. to spacer, 2 3/4 in. (70 mm))

нет в наличии, поставок нет
16 0321737

   (последний код) SCREW

нет в наличии, поставок нет
17 0321920

Пружина блокировки задней передачи (SPRING, Reverse lock)

нет в наличии, поставок нет
18 0434632

RUBBER Крепление нижнее (RUBBER MOUNT, Lower)

нет в наличии, поставок нет
18 0391710

   (последний код) RUBBER MOUNT

нет в наличии, поставок нет
19 0334936

Винт, Крепление (SCREW, Mount)

нет в наличии, поставок нет
20 0301551

Шайба, Заземление lead (WASHER, Ground lead)

нет в наличии, поставок нет
21 0332697

Фиксатор пружины (RETAINER, Spring)

нет в наличии, поставок нет
22 0321052

TILT Трубка (TILT TUBE)

нет в наличии, поставок нет
23 0335554

Гайка, Tilt Трубка (NUT, Tilt tube)

нет в наличии, поставок нет
25 0318462

Пружина, Рулевая система friction (SPRING, Steering friction)

нет в наличии, поставок нет
26 0318372

Уплотнительное кольцо, Рулевая система friction (O-RING, Steering friction)

нет в наличии, поставок нет
27 0332688

Проставка, Tilt Замок румпеля (SPACER, Tilt lock handle)

нет в наличии, поставок нет
28 0301161

Шайба, Рулевая система friction (WASHER, Steering friction)

нет в наличии, поставок нет
29 0433458

Анод, Кронштейн транца (ANODE, Stern bracket)

нет в наличии, поставок нет
29 0398331

   (последний код) ANODE & INSERT AY

нет в наличии, поставок нет
30 0333350

Винт, Анод to Кронштейн транца (SCREW, Anode to stern bracket)

нет в наличии, поставок нет
31 0438110

HANDLE & Винт в сборе. (HANDLE & SCREW ASSY.)

нет в наличии, поставок нет
32 0332875

Соединитель, Блокировка задней передачи, port (LINK, Reverse lock, port)

нет в наличии, поставок нет
33 0332698

Пружина, Trail lock (SPRING, Trail lock)

нет в наличии, поставок нет
33 0349180

   (последний код) SPRING

нет в наличии, поставок нет
34 0332690

Проставка, Tilt lock Вал (SPACER, Tilt lock shaft)

нет в наличии, поставок нет
35 0332689

Пружина, Trail lock return (SPRING, Trail lock return)

нет в наличии, поставок нет
36 0397730

Рычаг и Вал (LEVER AND SHAFT)

нет в наличии, поставок нет
37 0909676

Установочный винт, Проставка to Стержень (SET SCREW, Spacer to pivot)

нет в наличии, поставок нет
38 0398304

SHOCK ABSORBER в сборе. (SHOCK ABSORBER ASSY.)

нет в наличии, поставок нет
39 0584136

LEAD в сборе., Заземление (LEAD ASSY., Ground)

нет в наличии, поставок нет
40 0328724

Винт, Заземление lead (SCREW, Ground lead)

нет в наличии, поставок нет
40 3852186

   (последний код) SCREW

нет в наличии, поставок нет
41 0343024

Винт, верхний Крепление (SCREW, Upper mount)

нет в наличии, поставок нет
41 0344277

   (последний код) SCREW

нет в наличии, поставок нет
43 0123077

Винт, Фиксатор to Кронштейн (SCREW, Retainer to bracket)

нет в наличии, поставок нет
44 0204757

Пружинная шайба, Вал блокировки задней передачи (SPRING WASHER, Reverse lock shaft)

нет в наличии, поставок нет
45 0333304

Кронштейн транца, Starboard (STERN BRACKET, Starboard)

нет в наличии, поставок нет
45 0331024

   (последний код) STERN-BRACKE

нет в наличии, поставок нет
46 0910992

Упорная шайба, Кронштейн транца (THRUST WASHER, Stern bracket)

нет в наличии, поставок нет
46 0327699

   (последний код) THRUST-WASHE

нет в наличии, поставок нет
47 0302858

Шплинт (COTTER PIN)

нет в наличии, поставок нет
47 3854480

   (последний код) PIN,COTTER

нет в наличии, поставок нет
48 0303887

Шайба, Блокировка задней передачи Штифт (WASHER, Reverse lock pin)

нет в наличии, поставок нет
49 0320792

Штифт, Цилиндр наклона (PIN, Tilt cylinder)

нет в наличии, поставок нет
50 0322481

Втулка, Цилиндр наклона (BUSHING, Tilt cylinder)

нет в наличии, поставок нет
50 0320941

   (последний код) BUSHING

нет в наличии, поставок нет
51 0319108

Винт, BellКривошип (SCREW, Bellcrank)

нет в наличии, поставок нет
51 0311512

   (последний код) SCREW

нет в наличии, поставок нет
52 0321054

Пружина Зажим (SPRING CLIP)

нет в наличии, поставок нет
53 0313623

Гайка, Кронштейн транца Винт (NUT, Stern bracket screw)

нет в наличии, поставок нет
53 0321861

   (последний код) NUT

нет в наличии, поставок нет
54 0307238

Шайба, Гайка (WASHER, Nut)

нет в наличии, поставок нет
55 0320248

Шайба (WASHER)

нет в наличии, поставок нет
55 0312910

   (последний код) WASHER

нет в наличии, поставок нет
56 0318273

Фиксатор (RETAINER)

нет в наличии, поставок нет
57 0319886

Винт (SCREW)

нет в наличии, поставок нет
58 0318572

Монтажная крышка Винтs (CAP, Mounting screws)

нет в наличии, поставок нет
59 0327053

Винт, Transom, 3 дюйм (76 мм) (SCREW, Transom, 3 in. (76mm))

нет в наличии, поставок нет
59 0318573

Винт, Transom, 3 1 / 2 дюйм (89 мм) (SCREW, Transom, 3 1/2 in. (89mm))

нет в наличии, поставок нет
59 3852153

   (последний код) BOLT

нет в наличии, поставок нет
59 0336676

Винт, Transom, 4 3 / 4 дюйм (121 мм) (SCREW, Transom, 4 3/4 in. (121mm))

нет в наличии, поставок нет
59 0336675

   (последний код) BOLT

нет в наличии, поставок нет
59 0331578

Винт, Transom, 5 дюйм (127 мм) (SCREW, Transom, 5 in. (127mm))

нет в наличии, поставок нет
59 0321577

Винт, Transom, 6 дюйм (152 мм) (SCREW, Transom, 6 in. (152mm))

нет в наличии, поставок нет
60 0318272

Пластина (PLATE)

нет в наличии, поставок нет
61 0436541

Упорный стержень в сборе. (THRUST ROD ASSY.)

нет в наличии, поставок нет
61 0387278

   (последний код) TH-ROD&RETAI

нет в наличии, поставок нет
62 0321053

Пружина, Стержень тяги (SPRING, Thrust rod)

нет в наличии, поставок нет
63 0321246

Втулка, Цилиндр наклона (BUSHING, Tilt cylinder)

нет в наличии, поставок нет
64 0333303

Кронштейн транца в сборе., Port (STERN BRACKET ASSY., Port)

нет в наличии, поставок нет
64 0331023

   (последний код) STERN-BRACKE

нет в наличии, поставок нет
65 0390442

LOCKING Рычаг, Тяга (LOCKING LEVER, Rod)

нет в наличии, поставок нет
65 5004427

   (последний код) LEVER&ROD AY

нет в наличии, поставок нет
66 0330889

Проставка, Кронштейн транца (SPACER, Stern bracket)

нет в наличии, поставок нет
67 0321591

Штифт тяги to locking Рычаг (PIN, Link to locking lever)

нет в наличии, поставок нет
68 0321592

Штифт тяги to Поворотный кронштейн (PIN, Link to swivel bracket)

нет в наличии, поставок нет
69 0332692

Тяга, Рычаг блокировки задней передачи (ROD, Reverse lock lever)

нет в наличии, поставок нет
70 0321695

Штифт, Shock absorber, нижний (PIN, Shock absorber, lower)

нет в наличии, поставок нет
71 0332687

Соединитель, Блокировка задней передачи, starboard (LINK, Reverse lock, starboard)

нет в наличии, поставок нет
72 0332691

BELLКривошип, Releasing Тяга (BELLCRANK, Releasing rod)

нет в наличии, поставок нет
73 0329109

SHOULDER Винт (SHOULDER SCREW)

нет в наличии, поставок нет
73 0321389

   (последний код) HH-SHOULDER

нет в наличии, поставок нет
74 0321750

LOCKING Рычаг, Блокировка задней передачи (LOCKING LEVER, Reverse lock)

нет в наличии, поставок нет
75 0334345

Фиксатор, Lock Пружина (RETAINER, Lock spring)

нет в наличии, поставок нет
75 0323594

   (последний код) RETAINER-REV

нет в наличии, поставок нет
77 0584120

Заземление LEAD (GROUND LEAD)

нет в наличии, поставок нет
78 0328696

Винт, Заземление lead (SCREW, Ground lead)

нет в наличии, поставок нет
80 0321735

SвышеPORT, Кронштейн транца (SUPPORT, Stern bracket)

нет в наличии, поставок нет
81 0552993

Шайба, Винт to Кронштейн (WASHER, Screw to bracket)

нет в наличии, поставок нет
81 0330266

   (последний код) WASHER

нет в наличии, поставок нет
82 0552938

LOCKГайка (LOCKNUT)

нет в наличии, поставок нет
82 0306319

   (последний код) NUT

нет в наличии, поставок нет
83 0332693

Воротник блокировки реверса release (COLLAR, Reverse lock release)

нет в наличии, поставок нет
84 0312863

Штифт, Trail lock Рычаг stop (PIN, Trail lock lever stop)

нет в наличии, поставок нет
85 0304221

Винт, Воротник (SCREW, Collar)

нет в наличии, поставок нет
evinrude

Время выполнения запроса 1.571622133255 сек.


 
 

данный сайт носит информационный характер и не является публичной офертой

склад запчастей для водомоторной техники