вконтакте

Контактный телефон: +7 (981) 121-46-93, +7 (800) 200-90-76 , Email: parts-katalog@yandex.ru, где купить

 
 

  Логин:

Пароль:

Регистрация

www.partskatalog.ru Все каталоги Запчасти Mercury Запчасти Suzuki Запчасти Tohatsu Запчасти Honda Контакты


Все разделы каталога запчастей на этот двигатель

назад Раздел:   вперёд

вернуться к списку узлов и деталей

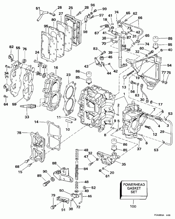
ДЕТАЛИРОВКА ДЛЯ МОДЕЛИ: EVINRUDE SE25RPV 1997

ЦИЛИНДР & КАРТЕР ДВИГАТЕЛЯ | CYLINDER & CRANKCASE;


 Эвинруд SE25RPV 1997  - linder & Crankcase - linder & Картер двигателя

Номер на
рисунке
АртикулНаименованиеКол-во
на складе
Цена
1 0435942

Цилиндр & Картер двигателя в сборе. (CYLINDER & CRANKCASE ASSY.)

нет в наличии, поставок нет
1 0433533

   (последний код) CYL&CRKC AY

нет в наличии, поставок нет
2 0331450

DOWEL, Подшипник (DOWEL, Bearing)

нет в наличии, поставок нет
3 0318622

Винт, Цилиндр to Картер двигателя (SCREW, Cylinder to crankcase)

нет в наличии, поставок нет
4 0305070

конус Штифт (TAPER PIN)

нет в наличии, поставок нет
5 0308353

Шпилька (STUD)

нет в наличии, поставок нет
6 0328932

Ниппель, Recirculation Шланг (NIPPLE, Recirculation hose)

нет в наличии, поставок нет
7 0308354

Шпилька, Стартер Кронштейн (STUD, Starter bracket)

нет в наличии, поставок нет
8 0385111

Обратный клапан (CHECK VALVE)

нет в наличии, поставок нет
9 0305344

SCREEN (SCREEN)

нет в наличии, поставок нет
10 0335603

DEFLECTOR, Water passage (DEFLECTOR, Water passage)

нет в наличии, поставок нет
10 0331851

   (последний код) PIN

нет в наличии, поставок нет
11 0335602

DEFLECTOR, Water passage (DEFLECTOR, Water passage)

нет в наличии, поставок нет
11 0326645

   (последний код) DEFLECTOR

нет в наличии, поставок нет
12 0303459

Винт (SCREW)

нет в наличии, поставок нет
12 3852048

   (последний код) SCREW

нет в наличии, поставок нет
13 0314416

Бампер, Spark adjustment Винт (BUMPER, Spark adjustment screw)

нет в наличии, поставок нет
14 0319661

Прокладка, Bypass Крышка. Included in Powerhead Комплект прокладок (GASKET, Bypass cover. Included in Powerhead Gasket Set)

нет в наличии, поставок нет
15 0300646

Винт, Bypass Крышка (SCREW, Bypass cover)

нет в наличии, поставок нет
16 0335635

Головка блока цилиндра в сборе. (CYLINDER HEAD ASSY.)

нет в наличии, поставок нет
16 0327672

   (последний код) CYL HEAD

нет в наличии, поставок нет
17 0328701

Шайба с блокировкой, Заземление lead (LOCK WASHER, Ground lead)

нет в наличии, поставок нет
17 3852182

   (последний код) WASHER,LOCK

нет в наличии, поставок нет
18 0307841

Гильза, Контрольный рычаг (SLEEVE, Control lever)

нет в наличии, поставок нет
19 0335762

Винт, Spark adjustment (SCREW, Spark adjustment)

нет в наличии, поставок нет
20 0329241

Шайба, Кронштейн (WASHER, Bracket)

нет в наличии, поставок нет
20 3852193

   (последний код) WASHER

нет в наличии, поставок нет
21 0434841

Термостат ASSEMBLY (THERMOSTAT ASSEMBLY)

нет в наличии, поставок нет
21 5005440

   (последний код) THERMOSTAT AY

нет в наличии, поставок нет
22 0329319

Прокладка, Термостат (GASKET, Thermostat)

нет в наличии, поставок нет
23 0329419

Прокладка головки блока цилиндра. Included in Powerhead Комплект прокладок (GASKET, Cylinder head. Included in Powerhead Gasket Set)

нет в наличии, поставок нет
23 0765012

   (последний код) GASKET, HEAD

нет в наличии, поставок нет
24 0305027

Винт, Головка блока цилиндра (SCREW, Cylinder head)

нет в наличии, поставок нет
25 0391465

Кожух выхлопной трубы, Outer (EXHAUST COVER, Outer)

нет в наличии, поставок нет
25 0324326

   (последний код) EXH-COVER

нет в наличии, поставок нет
26 0326712

Ниппель (NIPPLE)

нет в наличии, поставок нет
26 0326912

   (последний код) NIPPLE

нет в наличии, поставок нет
27 0324323

Прокладка, Exh. Крышка, outer to inner. Included in Powerhead Комплект прокладок (GASKET, Exh. cover, outer to inner. Included in Powerhead Gasket Set)

нет в наличии, поставок нет
28 0306418

Винт, Кожух выхлопной трубы (SCREW, Exhaust cover)

нет в наличии, поставок нет
29 0

Шланг, верхний to нижний Картер двигателя, 12 дюйм (305 мм) сокращёная длина from 327229 -- 0.0575 дюйм I.D., 25 фут (7, 6m) Roll (HOSE,Upper to lower crankcase, 12 in. (305mm). Cut to Length from 327229 -- 0.0575 in. I.D., 25 ft. (7,6m) Roll)

нет в наличии, поставок нет
30 0584472

Заземление LEAD в сборе. (GROUND LEAD ASSY.)

нет в наличии, поставок нет
31 0304454

Шайба, Кронштейн (WASHER, Bracket)

нет в наличии, поставок нет
32 0302290

Шайба с блокировкой, Стартер Кронштейнs (LOCK WASHER, Starter brackets)

нет в наличии, поставок нет
32 0338307

   (последний код) WASHER,LOCK

нет в наличии, поставок нет
33 0432424

Свеча зажигания, Champion QL16V. Radio Noise Sвышеpressor Заглушка (SPARK PLUG, Champion QL16V. Radio Noise Suppressor Plug)

нет в наличии, поставок нет
33 0502178

   (последний код) Champion SPARK PLUG QL16V MAR4

нет в наличии, поставок нет
33 0433627

Свеча зажигания, Champion L16V. Опции (SPARK PLUG, Champion L16V. Optional)

нет в наличии, поставок нет
33 0502894

   (последний код) Champion SPARK PLUG L16V MAR4 (CS12209)

нет в наличии, поставок нет
34 0308742

Винт, Крышка термостата boss (SCREW, Cover, thermostat boss)

нет в наличии, поставок нет
34 3852080

   (последний код) SCREW

нет в наличии, поставок нет
35 0325340

Кронштейн, Starboard (BRACKET, Starboard)

нет в наличии, поставок нет
37 0314979

Винт, Цилиндр to Картер двигателя (SCREW, Cylinder to crankcase)

нет в наличии, поставок нет
38 0303049

Шплинт (COTTER PIN)

нет в наличии, поставок нет
39 0438076

Контрольный рычаг & Штифт (CONTROL LEVER & PIN)

нет в наличии, поставок нет
40 0328741

Гайка, Spark adjustment (NUT, Spark adjustment)

нет в наличии, поставок нет
40 0304753

   (последний код) NUT

нет в наличии, поставок нет
41 0305831

Регулировочная шайба, Контрольный рычаг (SHIM, Control lever)

нет в наличии, поставок нет
42 0331036

Винт, Подшипник Струбцина (SCREW, Bearing clamp)

нет в наличии, поставок нет
42 0320468

   (последний код) SCREW

нет в наличии, поставок нет
43 0331448

Кронштейн, Контрольный рычаг (BRACKET, Control lever)

нет в наличии, поставок нет
44 0331919

Подшипник Струбцина, Рычаг, нижний (BEARING CLAMP, Lever, lower)

нет в наличии, поставок нет
45 0331918

Подшипник, Рычаг, нижний (BEARING, Lever, lower)

нет в наличии, поставок нет
46 0335326

Соединитель, Пускатель cam (LINK, Actuator cam)

нет в наличии, поставок нет
46 0325336

   (последний код) LINK

нет в наличии, поставок нет
47 0303398

Винт, Стартер Кронштейн, stbd. (SCREW, Starter bracket, stbd.)

нет в наличии, поставок нет
47 0330119

   (последний код) SCREW

нет в наличии, поставок нет
48 0325584

Пружина, Neutral start Плунжер (SPRING, Neutral start plunger)

нет в наличии, поставок нет
49 0325586

Фиксатор пружины (RETAINER, Spring)

нет в наличии, поставок нет
50 0396163

Рычаг & Ролик в сборе. (LEVER & ROLLER ASSY.)

нет в наличии, поставок нет
51 0

Шланг, Ovbd. Помпа ind., 16 дюйм (406 мм) сокращёная длина from 203909 -- 1 / 8 дюйм I.D., 20 дюйм (508 мм) Long Шланг (HOSE, Ovbd. pump ind., 16 in. (406mm). Cut to Length from 203909 -- 1/8 in. I.D., 20 in. (508mm) Long Hose)

нет в наличии, поставок нет
52 0120590

Шайба, Рычаг & Ролик в сборе. (WASHER, Lever & roller assy.)

нет в наличии, поставок нет
53 0320107

Крепёжный хомут, Шланг (TIE STRAP, Hose)

нет в наличии, поставок нет
53 5035626

   (последний код) BAND,REM CON

нет в наличии, поставок нет
54 0320374

Кронштейн, Port (BRACKET, Port)

нет в наличии, поставок нет
55 0327673

Крышка головки цилиндра (COVER, Cylinder head)

нет в наличии, поставок нет
55 0324320

   (последний код) COVER

нет в наличии, поставок нет
56 0303398

Винт, Стартер Кронштейн (SCREW, Starter bracket)

нет в наличии, поставок нет
56 0330119

   (последний код) SCREW

нет в наличии, поставок нет
58 0320524

Подшипник, Контрольный рычаг (BEARING, Control lever)

нет в наличии, поставок нет
59 0327674

Прокладка крышки головки блока цилиндра. Included in Powerhead Комплект прокладок (GASKET, Cylinder head cover. Included in Powerhead Gasket Set)

нет в наличии, поставок нет
59 0324325

   (последний код) GASKET

нет в наличии, поставок нет
60 0303398

Винт, Стартер Кронштейн, port (SCREW, Starter bracket, port)

нет в наличии, поставок нет
60 0330119

   (последний код) SCREW

нет в наличии, поставок нет
61 0121731

Гайка, Стартер Кронштейн mtg., stbd. (NUT, Starter bracket mtg., stbd.)

нет в наличии, поставок нет
61 3852005

   (последний код) NUT,LOCK

нет в наличии, поставок нет
62 0304221

Винт, Воротник to throt. Управление Тяга (SCREW, Collar to throt. control rod)

нет в наличии, поставок нет
63 0328701

Шайба с блокировкой, Заземление lead to Кронштейн (LOCK WASHER, Ground lead to bracket)

нет в наличии, поставок нет
63 3852182

   (последний код) WASHER,LOCK

нет в наличии, поставок нет
64 0300646

Винт, Крышка головки цилиндра (SCREW, Cylinder head cover)

нет в наличии, поставок нет
65 0320786

Стержень Штифт (PIVOT PIN)

нет в наличии, поставок нет
66 0320156

Тяга управления дросселем (ROD, Throttle control)

нет в наличии, поставок нет
67 0316368

Пружина (SPRING)

нет в наличии, поставок нет
68 0332203

Винт, Bypass Крышка (SCREW, Bypass cover)

нет в наличии, поставок нет
70 0320523

Струбцина, Подшипник (CLAMP, Bearing)

нет в наличии, поставок нет
71 0330151

Зажим кабеля & temp. sw. lead (CLAMP, Cable & temp. sw. lead)

нет в наличии, поставок нет
71 3852199

   (последний код) CLAMP,"J"

нет в наличии, поставок нет
72 0303715

Шайба (WASHER)

нет в наличии, поставок нет
73 0304222

Воротник (COLLAR)

нет в наличии, поставок нет
74 0307565

Штифт, Тяга, Стержень Штифт (PIN, Rod, pivot pin)

нет в наличии, поставок нет
75 0121731

Гайка, Стартер Кронштейн mtg., port (NUT, Starter bracket mtg., port)

нет в наличии, поставок нет
75 3852005

   (последний код) NUT,LOCK

нет в наличии, поставок нет
76 0328051

Пружина давления relief (SPRING, Pressure relief)

нет в наличии, поставок нет
76 0323586

   (последний код) SPRING

нет в наличии, поставок нет
77 0329241

Шайба, Стартер mtg. Кронштейн (WASHER, Starter mtg. bracket)

нет в наличии, поставок нет
77 3852193

   (последний код) WASHER

нет в наличии, поставок нет
78 0433567

BYPASS Крышка в сборе (BYPASS COVER ASSY.)

нет в наличии, поставок нет
78 0439912

   (последний код) COVER AY, BYPASS

нет в наличии, поставок нет
79 0327443

Винт, Блокировка стартераout. Стартер Interlock Models Only (SCREW, Starter lockout. Starter Interlock Models Only)

нет в наличии, поставок нет
79 0325588

   (последний код) SCREW

нет в наличии, поставок нет
79 0327768

Винт, Neutral start Рычаг. не-Interlock Models Only (SCREW, Neutral start lever. Non-Interlock Models Only)

нет в наличии, поставок нет
79 0323661

   (последний код) SCREW

нет в наличии, поставок нет
80 0326263

Кожух выхлопной трубы, Inner (EXHAUST COVER, Inner)

нет в наличии, поставок нет
82 0330151

Струбцина, Lockout Кабели to Крышка. Стартер Interlock Models Only (CLAMP, Lockout cable to cover. Starter Interlock Models Only)

нет в наличии, поставок нет
82 3852199

   (последний код) CLAMP,"J"

нет в наличии, поставок нет
83 0303398

Винт, Кронштейн to Кожух выхлопной трубы (SCREW, Bracket to exhaust cover)

нет в наличии, поставок нет
83 0330119

   (последний код) SCREW

нет в наличии, поставок нет
84 0325332

Плунжер (PLUNGER)

нет в наличии, поставок нет
85 0332610

Монтажная резинка, Корпус стартера (RUBBER MOUNT, Starter housing)

нет в наличии, поставок нет
86 0333071

Cвыше, Корпус стартера to Креплениеs (CUP, Starter housing to mounts)

нет в наличии, поставок нет
87 0551953

Опорная шайба Штифт (WASHER, Pivot pin)

нет в наличии, поставок нет
88 0325326

Кронштейн, Аварийный выключатель & Кабели. Стартер Interlock Models Only (BRACKET, Safety switch & cable. Starter Interlock Models Only)

нет в наличии, поставок нет
89 0122147

Винт, Кронштейн. Стартер Interlock Models Only (SCREW, Bracket. Starter Interlock Models Only)

нет в наличии, поставок нет
89 3852006

   (последний код) SCREW

нет в наличии, поставок нет
90 0328703

Шайба, Винт, brkt. to Двигатель. Стартер Interlock Models Only (WASHER, Screw, brkt. to engine. Starter Interlock Models Only)

нет в наличии, поставок нет
90 3852184

   (последний код) WASHER

нет в наличии, поставок нет
91 0325589

Рычаг, Блокировка стартераout. Стартер Interlock Models Only (LEVER, Starter lockout. Starter Interlock Models Only)

нет в наличии, поставок нет
95 0326264

Прокладка, Exh. Крышка inner to ccase. Included in Powerhead Комплект прокладок (GASKET, Exh. cover inner to ccase. Included in Powerhead Gasket Set)

нет в наличии, поставок нет
96 0203688

Гайка, Idle stop (NUT, Idle stop)

нет в наличии, поставок нет
96 0328710

   (последний код) NUT-SCREW-ID

нет в наличии, поставок нет
97 0303398

Винт, Кронштейн (SCREW, Bracket)

нет в наличии, поставок нет
97 0330119

   (последний код) SCREW

нет в наличии, поставок нет
98 0331446

Кронштейн, Idle stop (BRACKET, Idle stop)

нет в наличии, поставок нет
99 0308038

Гайка, Idle stop (NUT, Idle stop)

нет в наличии, поставок нет
100 0433941

POWERHEAD Комплект прокладок (POWERHEAD GASKET SET)

нет в наличии, поставок нет
100 0392615

   (последний код) PHEAD-GASKET

нет в наличии, поставок нет
evinrude

Время выполнения запроса 3.9397230148315 сек.


 
 

данный сайт носит информационный характер и не является публичной офертой

склад запчастей для водомоторной техники