вконтакте

Контактный телефон: +7 (981) 121-46-93, +7 (800) 200-90-76 , Email: parts-katalog@yandex.ru, где купить

 
 

  Логин:

Пароль:

Регистрация

www.partskatalog.ru Все каталоги Запчасти Mercury Запчасти Suzuki Запчасти Tohatsu Запчасти Honda Контакты


Все разделы каталога запчастей на этот двигатель

назад Раздел:   вперёд

вернуться к списку узлов и деталей

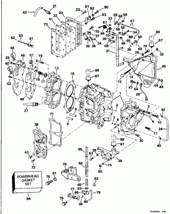
ДЕТАЛИРОВКА ДЛЯ МОДЕЛИ: EVINRUDE SE150WTPLB 1996

МЕХАНИЗИРОВАННЫЙ ДИФФЕРЕНТ НАКЛОНА ЭЛЕКТРИКА | POWER TRIM/TILT ELECTRICAL;


Двигатель Эвинруд SE150WTPLB 1996  - wer Trim / tilt Электрика - wer Trim/tilt Electrical

Номер на
рисунке
АртикулНаименованиеКол-во
на складе
Цена
1 0335572

Кронштейн, Trim & tilt Релеs (BRACKET, Trim & tilt relays)

нет в наличии, поставок нет
2 0315656

Винт, Реле to Кронштейн (SCREW, Relay to bracket)

нет в наличии, поставок нет
0584947 0584947

Реле & Кабели в сборе.. Not Shown (RELAY & CABLE ASSY.. Not Shown)

нет в наличии, поставок нет
3 0334191

Кронштейн, Tilt & trim Реле (BRACKET, Tilt & trim relay)

нет в наличии, поставок нет
3 3852210

   (последний код) BRACKET

нет в наличии, поставок нет
4 0512745

Коннектор, 2-socket (CONNECTOR, 2-socket)

нет в наличии, поставок нет
5 0584416

Реле в сборе. (RELAY ASSY.)

нет в наличии, поставок нет
5 0586224

   (последний код) RELAY AY

1 шт2730 руб.
6 0514685

Коннектор, 3-Штифт (CONNECTOR, 3-pin)

нет в наличии, поставок нет
7 0513663

Коннектор, 2-Внешняя розетка (CONNECTOR, 2-receptacle)

нет в наличии, поставок нет
7 3852249

   (последний код) CONN,2-CONT

нет в наличии, поставок нет
8 0585003

Кабели в сборе. (CABLE ASSY.)

нет в наличии, поставок нет
9 0204053

Клемма, Кольцо (TERMINAL, Ring)

нет в наличии, поставок нет
9 3852037

   (последний код) TERMINAL,RIN

нет в наличии, поставок нет
11 0513666

Клемма, Blade (TERMINAL, Blade)

нет в наличии, поставок нет
11 3852252

   (последний код) TERMINAL,BLA

нет в наличии, поставок нет
12 0514680

Клемма, Socket (TERMINAL, Socket)

нет в наличии, поставок нет
13 0514679

Клемма, Штифт (TERMINAL, Pin)

нет в наличии, поставок нет
14 0581656

Клемма, Socket (TERMINAL, Socket)

нет в наличии, поставок нет
14 3852257

   (последний код) TERMINAL AY,SCKT

нет в наличии, поставок нет
15 0512260

Гильза (SLEEVE)

нет в наличии, поставок нет
16 0513665

Сальник, Заглушка (SEAL, Plug)

нет в наличии, поставок нет
16 3852251

   (последний код) PLUG,CONN SEAL

нет в наличии, поставок нет
17 0513851

Клемма, Socket (TERMINAL, Socket)

нет в наличии, поставок нет
17 0513782

   (последний код) TERMINAL,SOC

нет в наличии, поставок нет
18 0514681

LOCK WEDGE (LOCK WEDGE)

нет в наличии, поставок нет
19 0514789

Сальник, Коннектор (SEAL, Connector)

нет в наличии, поставок нет
20 0514682

LOCK WEDGE (LOCK WEDGE)

нет в наличии, поставок нет
21 0514685

Коннектор, 3-socket (CONNECTOR, 3-socket)

нет в наличии, поставок нет
22 0584377

LEAD в сборе., Реле to trim limiting Переключатель (LEAD ASSY., Relay to trim limiting switch)

нет в наличии, поставок нет
23 0512947

Клемма, Bullet (TERMINAL, Bullet)

нет в наличии, поставок нет
23 0910462

   (последний код) TERM.-60766-

нет в наличии, поставок нет
24 0513185

Гильза (SLEEVE)

нет в наличии, поставок нет
24 0512948

   (последний код) SLEEVE

нет в наличии, поставок нет
25 0174490

TRIM / TILT GAUGE KIT, TECH SERIES. Опции (TRIM/TILT GAUGE KIT, TECH SERIES. Optional)

нет в наличии, поставок нет
25 0174679

   (последний код) TRIM GAUGE, TECH

нет в наличии, поставок нет
26 0125432

Лампочка, TECH SERIES Only (BULB, TECH SERIES Only)

нет в наличии, поставок нет
27 0122553

Лампочка SOCKET (BULB SOCKET)

нет в наличии, поставок нет
28 0126272

Кронштейн (BRACKET)

нет в наличии, поставок нет
29 0125411

Шайба с блокировкой (LOCK WASHER)

нет в наличии, поставок нет
30 0125410

Гайка (NUT)

нет в наличии, поставок нет
31 0319984

ADAPTER, Клемма (ADAPTER, Terminal)

нет в наличии, поставок нет
32 0172873

LEAD ASSEMBLY (LEAD ASSEMBLY)

нет в наличии, поставок нет
32 0172656

   (последний код) LEAD

нет в наличии, поставок нет
33 0309437

Клемма, Flag (TERMINAL, Flag)

нет в наличии, поставок нет
33 3852084

   (последний код) TERMINAL,SID

нет в наличии, поставок нет
34 0510905

Пыльник (GROMMET)

нет в наличии, поставок нет
35 0204036

Клемма, Кольцо (TERMINAL, Ring)

нет в наличии, поставок нет
35 3852035

   (последний код) TERMINAL,RIN

нет в наличии, поставок нет
36 0386682

LEAD ASSEMBLY (LEAD ASSEMBLY)

нет в наличии, поставок нет
36 0172657

   (последний код) LEAD

нет в наличии, поставок нет
37 0204036

Клемма, Кольцо (TERMINAL, Ring)

нет в наличии, поставок нет
37 3852035

   (последний код) TERMINAL,RIN

нет в наличии, поставок нет
38 0510905

Пыльник (GROMMET)

нет в наличии, поставок нет
39 0586074

Переключатель трима (TRIM SWITCH)

нет в наличии, поставок нет
40 0514679

Клемма, Штифт (TERMINAL, Pin)

нет в наличии, поставок нет
41 0514686

Коннектор, 3-Штифт (CONNECTOR, 3-pin)

нет в наличии, поставок нет
42 0514682

LOCK WEDGE (LOCK WEDGE)

нет в наличии, поставок нет
43 0334656

Гайка, Переключатель трима (NUT, Trim switch)

нет в наличии, поставок нет
44 0512743

Фиксатор, Коннектор (RETAINER, Connector)

нет в наличии, поставок нет
44 3852238

   (последний код) RETAINER,CON

нет в наличии, поставок нет
46 0907833

Крепёжный хомут, Кронштейн to Карбюратор (TIE STRAP, Bracket to carburetor)

нет в наличии, поставок нет
46 3852423

   (последний код) TIE STRAP /907833

нет в наличии, поставок нет
47 0315656

Винт, Кронштейн to Карбюратор Корпус (SCREW, Bracket to carburetor body)

нет в наличии, поставок нет
48 0310981

Винт зажима (SCREW, Clamp)

нет в наличии, поставок нет
49 0317000

Зажим кабеля в сборе. (CLAMP, Cable assy.)

нет в наличии, поставок нет
49 0318190

   (последний код) CLAMP

нет в наличии, поставок нет
evinrude

Время выполнения запроса 1.1979169845581 сек.


 
 

данный сайт носит информационный характер и не является публичной офертой

склад запчастей для водомоторной техники