вконтакте

Контактный телефон: +7 (981) 121-46-93, +7 (800) 200-90-76 , Email: parts-katalog@yandex.ru, где купить

 
 

  Логин:

Пароль:

Регистрация

www.partskatalog.ru Все каталоги Запчасти Mercury Запчасти Suzuki Запчасти Tohatsu Запчасти Honda Контакты



УВАЖАЕМЫЕ КЛИЕНТЫ!
C 19 ДЕКАБРЯ 2025 ПО 02 МАРТА 2026 ГОДА ОТДЕЛ ЗАПЧАСТЕЙ И СЕРВИС РАБОТАТЬ НЕ БУДУТ
ПРОДАЖА ЛОДОЧНЫХ МОТОРОВ В ШТАТНОМ РЕЖИМЕ
ОБ ИЗМЕНЕНИЯХ В ГРАФИКЕ РАБОТЫ ЧИТАЙТЕ НА САЙТА




Все разделы каталога запчастей на этот двигатель

назад Раздел:   вперёд

вернуться к списку узлов и деталей

ДЕТАЛИРОВКА ДЛЯ МОДЕЛИ: EVINRUDE SE125RWYV 1996

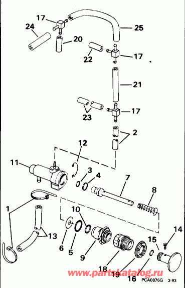
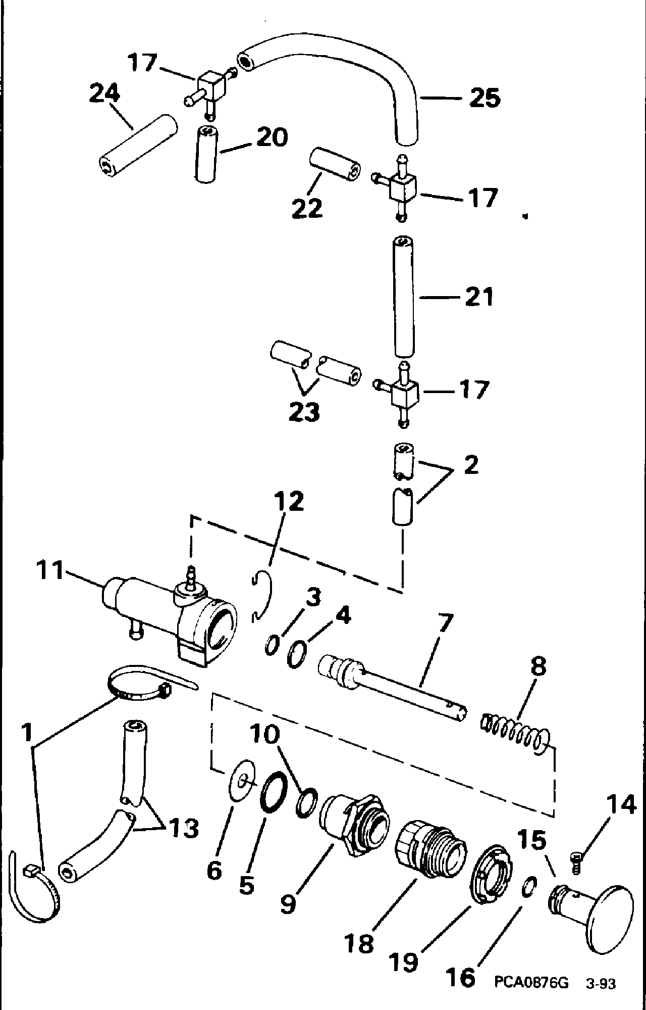
PRIMER ПОМПА | PRIMER PUMP;


Подвесной двигатель EVINRUDE SE125RWYV 1996  - imer Pump - imer Помпа

Номер на
рисунке
АртикулНаименованиеКол-во
на складе
Цена
1 0320107

Крепёжный хомут, Карбюратор to primer (TIE STRAP, Carburetor to primer)

нет в наличии, поставок нет
1 5035626

   (последний код) BAND,REM CON

нет в наличии, поставок нет
2 0

Шланг, Primer to нижний tee, 10 1 / 2 дюйм (263 мм. сокращёная длина from 327229 - 0.0575 дюйм I.D., 25 фут (7, 6m) Roll (HOSE, Primer to lower tee, 10 1/2 in. (263mm. Cut to Length from 327229 - 0.0575 in. I.D., 25 ft. (7,6m) Roll)

нет в наличии, поставок нет
0432142 0432142

Топливная груша.. Not Shown (PRIMER PUMP ASSY.. Not Shown)

нет в наличии, поставок нет
3 0331365

Уплотнительное кольцо (O-RING)

нет в наличии, поставок нет
3 0326721

   (последний код) O-RING

нет в наличии, поставок нет
4 0331364

Уплотнительное кольцо (O-RING)

нет в наличии, поставок нет
4 0326346

   (последний код) O-RING

нет в наличии, поставок нет
5 0331366

Уплотнительное кольцо (O-RING)

нет в наличии, поставок нет
6 0326334

Шайба, Уплотнительное кольцо (WASHER, O-ring)

нет в наличии, поставок нет
7 0432143

Плунжер & Клапан в сборе. (PLUNGER & VALVE ASSY.)

нет в наличии, поставок нет
7 0396816

   (последний код) PLUNGER&VALV

нет в наличии, поставок нет
8 0333540

Пружина (SPRING)

нет в наличии, поставок нет
8 0326336

   (последний код) SPRING

нет в наличии, поставок нет
9 0432145

END Колпачок в сборе (END CAP ASSY.)

нет в наличии, поставок нет
9 0398869

   (последний код) END-CAP&O-RI

нет в наличии, поставок нет
10 0333639

Уплотнительное кольцо (O-RING)

нет в наличии, поставок нет
11 0394337

Корпус & Ниппель в сборе. (HOUSING & NIPPLE ASSY.)

нет в наличии, поставок нет
12 0326338

Фиксатор (RETAINER)

нет в наличии, поставок нет
13 0

Шланг, Carb. to primer, 23 дюйм (584 мм) сокращёная длина from 327228 - 5 / 32 дюйм I.D., 25 фут (7, 6m) Roll (HOSE, Carb. to primer, 23 in. (584mm). Cut to Length from 327228 - 5/32 in. I.D., 25 ft. (7,6m) Roll)

нет в наличии, поставок нет
14 0329054

Винт, Primer Ручка (SCREW, Primer knob)

нет в наличии, поставок нет
15 0334365

Ручка в сборе. (KNOB ASSY.)

нет в наличии, поставок нет
16 0330992

Уплотнительное кольцо, Ручка (O-RING, Knob)

нет в наличии, поставок нет
17 0325569

TEE, Primer Шлангs (TEE, Primer hoses)

нет в наличии, поставок нет
18 0334364

Гильза, Primer Помпа (SLEEVE, Primer pump)

нет в наличии, поставок нет
19 0329670

Гайка, Primer Помпа (NUT, Primer pump)

нет в наличии, поставок нет
19 0328929

   (последний код) WASHER

нет в наличии, поставок нет
20 0

Шланг, Primer, 1 1 / 2 дюйм (38 мм) сокращёная длина from 327229 - 0.0575 дюйм I.D., 25 фут (7, 6m) Roll (HOSE, Primer, 1 1/2 in. (38mm). Cut to Length from 327229 - 0.0575 in. I.D., 25 ft. (7,6m) Roll)

нет в наличии, поставок нет
21 0

Шланг, Primer, 7 дюйм (175 мм) сокращёная длина from 327229 - 0.0575 дюйм I.D., 25 фут (7, 6m) Roll (HOSE, Primer, 7 in. (175mm). Cut to Length from 327229 - 0.0575 in. I.D., 25 ft. (7,6m) Roll)

нет в наличии, поставок нет
22 0

Шланг, Primer, 1 1 / 2 дюйм (38 мм) сокращёная длина from 327229 - 0.0575 дюйм I.D., 25 фут (7, 6m) Roll (HOSE, Primer, 1 1/2 in. (38mm). Cut to Length from 327229 - 0.0575 in. I.D., 25 ft. (7,6m) Roll)

нет в наличии, поставок нет
23 0

Шланг, верхний tee, 9 дюйм (225 мм) сокращёная длина from 327229 - 0.0575 дюйм I.D., 25 фут (7, 6m) Roll (HOSE, Upper tee, 9 in. (225mm). Cut to Length from 327229 - 0.0575 in. I.D., 25 ft. (7,6m) Roll)

нет в наличии, поставок нет
24 0

Шланг, верхний tee, 9 дюйм (225 мм) сокращёная длина from 327229 - 0.0575 дюйм I.D., 25 фут (7, 6m) Roll (HOSE, Upper tee, 9 in. (225mm). Cut to Length from 327229 - 0.0575 in. I.D., 25 ft. (7,6m) Roll)

нет в наличии, поставок нет
25 0

Шланг, нижний tee, 6 дюйм (150 мм) сокращёная длина from 327229 - 0.0575 дюйм I.D., 25 фут (7, 6m) Roll (HOSE, Lower tee, 6 in. (150mm). Cut to Length from 327229 - 0.0575 in. I.D., 25 ft. (7,6m) Roll)

нет в наличии, поставок нет
evinrude

Время выполнения запроса 0.72656011581421 сек.


 
 

данный сайт носит информационный характер и не является публичной офертой

склад запчастей для водомоторной техники