Номер на рисунке | Артикул | Наименование | Кол-во на складе | Цена |
| 0437943 | 0437943 | Редуктор в сборе.. Not Shown 15 дюйм (381 мм) Models Only (GEARCASE ASSY.. Not Shown 15 in. (381mm) Models Only) | нет в наличии, поставок нет |
| 0437943 | 5000251 | (последний код) G-CASE 15" 45&55HP | нет в наличии, поставок нет |
| 0437944 | 0437944 | Редуктор в сборе.. Not Shown 20 дюйм (508 мм) Models Only (GEARCASE ASSY.. Not Shown 20 in. (508mm) Models Only) | нет в наличии, поставок нет |
| 0437944 | 5000252 | (последний код) G-CASE 20" 45&55HP | нет в наличии, поставок нет |
| 0437945 | 0437945 | Редуктор в сборе.. Not Shown 22.5 дюйм (571 мм) Models Only (GEARCASE ASSY.. Not Shown 22.5 in. (571mm) Models Only) | нет в наличии, поставок нет |
| 0437945 | 5000253 | (последний код) GEARCASE AY- 22 | нет в наличии, поставок нет |
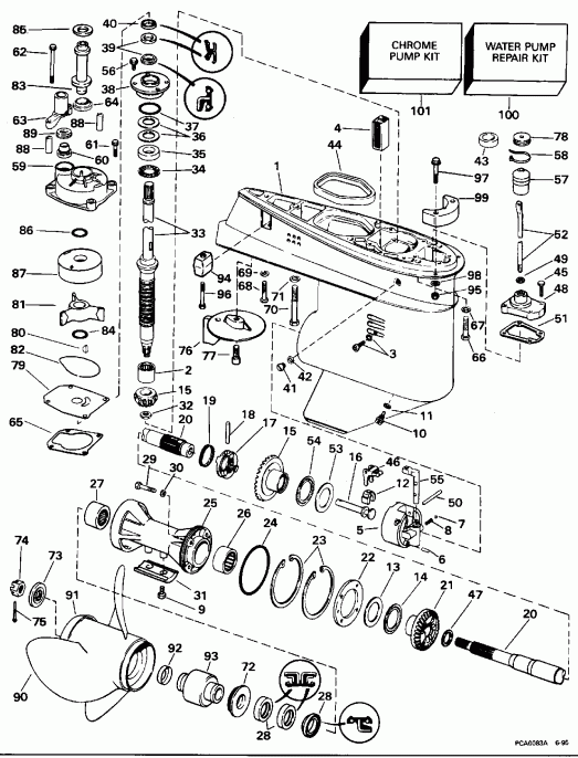
| 1 | 0437031 | Редуктор в сборе с подшипником. (GEARCASE & BEARING ASSY.) | нет в наличии, поставок нет |
| 1 | 5005458 | (последний код) GEARCASE&BRG AY | нет в наличии, поставок нет |
| 2 | 0382343 | Подшипник, Шестерня (BEARING, Pinion) | нет в наличии, поставок нет |
| 3 | 0324852 | RETAINING Винт & Сальник (RETAINING SCREW & SEAL) | нет в наличии, поставок нет |
| 0332584 | 0332584 | Шайба, Кольцевой сальник. Not Shown (WASHER, Seal ring. Not Shown) | нет в наличии, поставок нет |
| 4 | 0314175 | Водяной экран Система впуска (SCREEN, Water intake) | нет в наличии, поставок нет |
| 5 | 0391365 | Подшипник Корпус в сборе. (BEARING HOUSING ASSY.) | нет в наличии, поставок нет |
| 5 | 0984096 | (последний код) BEARING HOUSING | нет в наличии, поставок нет |
| 6 | 0331880 | Штифт, Корпус to Редуктор (PIN, Housing to gearcase) | нет в наличии, поставок нет |
| 7 | 0327345 | Шарик, Detent (BALL, Detent) | нет в наличии, поставок нет |
| 8 | 0911961 | Фиксатор пружины (SPRING, Detent) | нет в наличии, поставок нет |
| 9 | 0908158 | Винт, Анод (SCREW, Anode) | нет в наличии, поставок нет |
| 9 | 3852050 | (последний код) SCREW | нет в наличии, поставок нет |
| 10 | 0318544 | Винт, Fill & drain Заглушка, нижний (SCREW, Fill & drain plug, lower) | нет в наличии, поставок нет |
| 10 | 0912624 | (последний код) SCREW | нет в наличии, поставок нет |
| 11 | 0311598 | Шайба (WASHER) | нет в наличии, поставок нет |
| 11 | 3852105 | (последний код) WASHER | нет в наличии, поставок нет |
| 12 | 0334163 | CRADLE, Переключательer (CRADLE, Shifter) | 5 шт | 1880 руб. |
| 12 | 0322900 | (последний код) CRADLE-SHIFT | нет в наличии, поставок нет |
| 13 | 0313447 | Упорная шайба (THRUST WASHER) | нет в наличии, поставок нет |
| 14 | 0382408 | THRUST Подшипник (THRUST BEARING) | нет в наличии, поставок нет |
| 15 | 0398522 | Шестерня SET, дляward. (GEAR SET, Forward.) | нет в наличии, поставок нет |
| 15 | 0398523 | (последний код) GEARSET-&-TA | нет в наличии, поставок нет |
| 16 | 0326668 | Переключающий вал dog (SHAFT, Shift dog) | нет в наличии, поставок нет |
| 17 | 0318303 | Переключатель собачки сцепления (SHIFTER, Clutch dog) | нет в наличии, поставок нет |
| 18 | 0313448 | Штифт сцепления dog (PIN, Clutch dog) | нет в наличии, поставок нет |
| 19 | 0324369 | Пружина, Сцепление dog Штифт (SPRING, Clutch dog pin) | нет в наличии, поставок нет |
| 19 | 0313454 | (последний код) SPRING | нет в наличии, поставок нет |
| 20 | 0385558 | Вал гребного винта в сборе. (PROPELLER SHAFT ASSY.) | нет в наличии, поставок нет |
| 20 | 0439153 | (последний код) SHAFT AY,PROPELLER | нет в наличии, поставок нет |
| 21 | 0318353 | Шестерня обратного хода (GEAR, Reverse) | 1 шт | 46100 руб. |
| 22 | 0313453 | Фиксатор Пластина, Подшипник Корпус (RETAINER PLATE, Bearing housing) | нет в наличии, поставок нет |
| 23 | 0313445 | Стопорное кольцо (RETAINING RING) | нет в наличии, поставок нет |
| 24 | 0313446 | Уплотнительное кольцо, Подшипник Корпус (O-RING, Bearing housing) | нет в наличии, поставок нет |
| 25 | 0434391 | Подшипник Корпус в сборе. (BEARING HOUSING ASSY.) | нет в наличии, поставок нет |
| 25 | 0397188 | (последний код) BRG-HSG ASSY | нет в наличии, поставок нет |
| 26 | 0382407 | Игольчатый подшипник в сборе. (NEEDLE BEARING ASSY.) | 1 шт | 5500 руб. |
| 27 | 0379504 | Игольчатый подшипник в сборе. (NEEDLE BEARING ASSY.) | нет в наличии, поставок нет |
| 28 | 0330137 | Сальник. Early PТягаuction Double Сальник (SEAL. Early Production Double Seal) | 17 шт | 3700 руб. |
| 28 | 0321668 | (последний код) SEAL-CRNKSHF | нет в наличии, поставок нет |
| 28 | T-0330137 | (не оригинальный аналог) Сальник редуктора OMC/Johnson/Evinrude 0330137 | под заказ шт | по запросу |
| 28 | 0342787 | Сальник. Late PТягаuction Single Сальник (SEAL. Late Production Single Seal) | нет в наличии, поставок нет |
| 29 | 0320041 | Винт, Корпус to Редуктор (SCREW, Housing to gearcase) | нет в наличии, поставок нет |
| 29 | 0316564 | (последний код) SCREW BRG HSG | нет в наличии, поставок нет |
| 30 | 0332584 | Сальник (SEAL) | нет в наличии, поставок нет |
| 31 | 0431708 | Анод, Подшипник Корпус (ANODE, Bearing housing) | нет в наличии, поставок нет |
| 31 | 0397111 | (последний код) ANODE-AY | нет в наличии, поставок нет |
| 32 | 0313339 | Гайка, Шестерня to driveВал (NUT, Pinion to driveshaft) | нет в наличии, поставок нет |
| 33 | 0437063 | Приводной вал.. 15 дюйм (381 мм) Models Only (DRIVESHAFT ASSY.. 15 in. (381mm) Models Only) | нет в наличии, поставок нет |
| 33 | 5000167 | (последний код) KIT ASSY DRIVESHAFT 15 | нет в наличии, поставок нет |
| 33 | 0437064 | Приводной вал.. 20 дюйм (508 мм) Models Only (DRIVESHAFT ASSY.. 20 in. (508mm) Models Only) | нет в наличии, поставок нет |
| 33 | 5000168 | (последний код) KIT AY,DRIVESFT-20 | нет в наличии, поставок нет |
| 33 | 0437065 | Приводной вал.. 22.5 дюйм (571 мм) Models Only (DRIVESHAFT ASSY.. 22.5 in. (571mm) Models Only) | нет в наличии, поставок нет |
| 33 | 5000169 | (последний код) KIT AY,DRVSFT-22.5 | нет в наличии, поставок нет |
| 34 | 0385068 | THRUST Подшипник в сборе. (THRUST BEARING ASSY.) | 1 шт | 7500 руб. |
| 35 | 0317230 | Упорная шайба (THRUST WASHER) | нет в наличии, поставок нет |
| 36 | 0323889 | Регулировочная шайба, 0.003 дюйм (0, 07 мм) (SHIM, 0.003 in. (0,07mm)) | нет в наличии, поставок нет |
| 36 | 0323890 | Регулировочная шайба, 0.004 дюйм (0, 10 мм) (SHIM, 0.004 in. (0,10mm)) | нет в наличии, поставок нет |
| 36 | 0317232 | Регулировочная шайба, 0.005 дюйм (0, 12 мм) (SHIM, 0.005 in. (0,12mm)) | нет в наличии, поставок нет |
| 37 | 0313754 | Уплотнительное кольцо, Подшипник Корпус (O-RING, Bearing housing) | нет в наличии, поставок нет |
| 38 | 0385087 | Подшипник Корпус в сборе. (BEARING HOUSING ASSY.) | нет в наличии, поставок нет |
| 39 | 0321466 | Сальник, Корпус, нижний Early PТягаuction Double Сальник (SEAL, Housing, lower. Early Production Double Seal) | нет в наличии, поставок нет |
| 39 | 0318223 | (последний код) OIL RET 5 PK | нет в наличии, поставок нет |
| 39 | 0342786 | Сальник. Late PТягаuction Single Сальник (SEAL. Late Production Single Seal) | нет в наличии, поставок нет |
| 40 | 0332205 | Сальник, Корпус, верхний Early PТягаuction Double Сальник (SEAL, Housing, upper. Early Production Double Seal) | нет в наличии, поставок нет |
| 41 | 0307551 | Винт, Fill & drain Заглушка, верхний (SCREW, Fill & drain plug, upper) | нет в наличии, поставок нет |
| 41 | 0982851 | (последний код) SCREW-PLUG | нет в наличии, поставок нет |
| 42 | 0311598 | Шайба (WASHER) | нет в наличии, поставок нет |
| 42 | 3852105 | (последний код) WASHER | нет в наличии, поставок нет |
| 43 | 0305762 | Кольцевой сальник. 15 дюйм (381 мм) Models Only (SEAL RING. 15 in. (381mm) Models Only) | нет в наличии, поставок нет |
| 44 | 0324937 | Сальник, Редуктор to inner exh. hsg. (SEAL, Gearcase to inner exh. hsg.) | нет в наличии, поставок нет |
| 44 | 0313656 | (последний код) SEAL | нет в наличии, поставок нет |
| 45 | 0328725 | Винт, Крышка to Редуктор (SCREW, Cover to gearcase) | нет в наличии, поставок нет |
| 45 | 3852187 | (последний код) SCREW | нет в наличии, поставок нет |
| 46 | 0324037 | Рычаг переключателя (LEVER, Shift) | 8 шт | 3700 руб. |
| 47 | 0316484 | Упорная шайба, Переключательer (THRUST WASHER, Shifter) | нет в наличии, поставок нет |
| 48 | 0387336 | Крышка в сборе (COVER ASSY.) | нет в наличии, поставок нет |
| 48 | 0386921 | (последний код) COVER | нет в наличии, поставок нет |
| 49 | 0318372 | Уплотнительное кольцо, Переключающая тяга (O-RING, Shift rod) | нет в наличии, поставок нет |
| 50 | 0320145 | Штифт рычага to Корпус (PIN, Lever to housing) | нет в наличии, поставок нет |
| 50 | 0323945 | (последний код) PIN-SHIFTER | нет в наличии, поставок нет |
| 51 | 0314082 | Прокладка крышки to Редуктор (GASKET, Cover to gearcase) | 12 шт | 650 руб. |
| 51 | 0320312 | (последний код) GASKET | нет в наличии, поставок нет |
| 52 | 0327366 | Переключающая тяга. 15 дюйм (381 мм) Models Only (SHIFT ROD. 15 in. (381mm) Models Only) | нет в наличии, поставок нет |
| 52 | 0320132 | (последний код) SHIFT-ROD-ST | нет в наличии, поставок нет |
| 52 | 0327367 | Переключающая тяга. 20 дюйм (508 мм) Models Only (SHIFT ROD. 20 in. (508mm) Models Only) | нет в наличии, поставок нет |
| 52 | 0320133 | (последний код) SHIFT-ROD-LO | нет в наличии, поставок нет |
| 52 | 0330704 | Переключающая тяга. 22.5 дюйм (571 мм) Models Only (SHIFT ROD. 22.5 in. (571mm) Models Only) | нет в наличии, поставок нет |
| 53 | 0324766 | Упорная шайба, дляward Шестерня (THRUST WASHER, Forward gear) | нет в наличии, поставок нет |
| 54 | 0385043 | THRUST Подшипник, дляward Шестерня (THRUST BEARING, Forward gear) | нет в наличии, поставок нет |
| 54 | 3852221 | (последний код) BEARING-AY,T | нет в наличии, поставок нет |
| 55 | 0330701 | DETENT, Переключательer (DETENT, Shifter) | нет в наличии, поставок нет |
| 56 | 0909386 | Винт, Корпус to Редуктор (SCREW, Housing to gearcase) | нет в наличии, поставок нет |
| 57 | 0317922 | Сальник, Переключающая тяга. 20 дюйм (508 мм) Models Only 22.5 дюйм (571 мм) Models Only (SEAL, Shift rod. 20 in. (508mm) Models Only 22.5 in. (571mm) Models Only) | нет в наличии, поставок нет |
| 58 | 0320107 | Крепёжный хомут, Сальник to Тяга. 20 дюйм (508 мм) Models Only 22.5 дюйм (571 мм) Models Only (TIE STRAP, Seal to rod. 20 in. (508mm) Models Only 22.5 in. (571mm) Models Only) | нет в наличии, поставок нет |
| 58 | 5035626 | (последний код) BAND,REM CON | нет в наличии, поставок нет |
| 59 | 0436996 | Крыльчатка Корпус (IMPELLER HOUSING) | нет в наличии, поставок нет |
| 59 | 0438545 | (последний код) HSG AY,IMPELLER | нет в наличии, поставок нет |
| 60 | 0333758 | Пыльник водяной трубки (GROMMET, Water tube) | нет в наличии, поставок нет |
| 61 | 0328725 | Винт, Крыльчатка hsg., short (SCREW, Impeller hsg., short) | нет в наличии, поставок нет |
| 61 | 3852187 | (последний код) SCREW | нет в наличии, поставок нет |
| 62 | 0337574 | Винт, Крыльчатка hsg., long (SCREW, Impeller hsg., long) | нет в наличии, поставок нет |
| 63 | 0315838 | Кронштейн, Водяная трубка (BRACKET, Water tube) | нет в наличии, поставок нет |
| 64 | 0341732 | Пыльник, Корпус (GROMMET, Housing) | 1 шт | 160 руб. |
| 64 | 0315748 | (последний код) GROMMET | нет в наличии, поставок нет |
| 65 | 0336530 | Прокладка водяной помпы (GASKET, Water pump) | нет в наличии, поставок нет |
| 66 | 0305282 | Винт, Редуктор to Корпус. 15 дюйм (381 мм) Models Only 20 дюйм (508 мм) Models Only (SCREW, Gearcase to housing. 15 in. (381mm) Models Only 20 in. (508mm) Models Only) | нет в наличии, поставок нет |
| 67 | 0302865 | Шайба с блокировкой. 15 дюйм (381 мм) Models Only 20 дюйм (508 мм) Models Only (LOCK WASHER. 15 in. (381mm) Models Only 20 in. (508mm) Models Only) | нет в наличии, поставок нет |
| 67 | 0307708 | (последний код) LOCKWASHER | нет в наличии, поставок нет |
| 68 | 0306503 | Винт, Short. 15 дюйм (381 мм) Models Only 20 дюйм (508 мм) Models Only (SCREW, Short. 15 in. (381mm) Models Only 20 in. (508mm) Models Only) | нет в наличии, поставок нет |
| 68 | 0316533 | (последний код) SCREW | нет в наличии, поставок нет |
| 68 | 0328561 | Винт, Редуктор Креплениеing. 22.5 дюйм (571 мм) Models Only (SCREW, Gearcase mounting. 22.5 in. (571mm) Models Only) | нет в наличии, поставок нет |
| 69 | 0306470 | Шайба с блокировкой, Short Винт (LOCK WASHER, Short screw) | нет в наличии, поставок нет |
| 69 | 3852061 | (последний код) LOCKWASHER | нет в наличии, поставок нет |
| 70 | 0313697 | Винт, Long. 15 дюйм (381 мм) Models Only 20 дюйм (508 мм) Models Only (SCREW, Long. 15 in. (381mm) Models Only 20 in. (508mm) Models Only) | нет в наличии, поставок нет |
| 70 | 0312697 | (последний код) SCREW | нет в наличии, поставок нет |
| 70 | 0329022 | Винт, Редуктор to exh. hsg.. 22.5 дюйм (571 мм) Models Only (SCREW, Gearcase to exh. hsg.. 22.5 in. (571mm) Models Only) | нет в наличии, поставок нет |
| 71 | 0306314 | Шайба с блокировкой, Long Винт (LOCK WASHER, Long screw) | нет в наличии, поставок нет |
| 72 | 0318841 | Упорная втулка в сборе. (THRUST BUSHING ASSY.) | нет в наличии, поставок нет |
| 72 | 0127084 | (последний код) BUSHING,THRUST | нет в наличии, поставок нет |
| 73 | 0315810 | Проставка гайки гребного винта (SPACER, Propeller nut) | нет в наличии, поставок нет |
| 74 | 0314503 | Гайка гребного винта (NUT, Propeller) | нет в наличии, поставок нет |
| 75 | 0314502 | Шплинт, Гайка гребного винта (COTTER PIN, Propeller nut) | нет в наличии, поставок нет |
| 76 | 0127466 | Пластина трима, Редуктор (TRIM TAB, Gearcase) | нет в наличии, поставок нет |
| 76 | 0337348 | (последний код) TAB,TRIM | нет в наличии, поставок нет |
| 77 | 0313715 | Винт, Пластина трима (SCREW, Trim tab) | нет в наличии, поставок нет |
| 78 | 0321452 | Пыльник. 20 дюйм (508 мм) Models Only 22.5 дюйм (571 мм) Models Only (GROMMET. 20 in. (508mm) Models Only 22.5 in. (571mm) Models Only) | нет в наличии, поставок нет |
| 78 | 0318249 | (последний код) GROMMET | нет в наличии, поставок нет |
| 79 | 0341038 | Пластина корпуса крыльчатки. Stainless Steel (PLATE, Impeller housing. Stainless Steel) | нет в наличии, поставок нет |
| 79 | 0336251 | (последний код) PLATE | нет в наличии, поставок нет |
| 79 | 0341187 | Пластина корпуса крыльчатки. хромированная пластина (PLATE, Impeller housing. Chrome Plated) | нет в наличии, поставок нет |
| 79 | 0336723 | (последний код) PLATE,IMPELLER | нет в наличии, поставок нет |
| 80 | 0334897 | Ключ, Крыльчатка to driveВал (KEY, Impeller to driveshaft) | нет в наличии, поставок нет |
| 81 | 0437059 | Крыльчатка в сборе. (IMPELLER ASSY.) | нет в наличии, поставок нет |
| 81 | 0765350 | (последний код) IMPELLER/O-RING AY | нет в наличии, поставок нет |
| 82 | 0324981 | Сальник, Крыльчатка Корпус (SEAL, Impeller housing) | нет в наличии, поставок нет |
| 83 | 0330205 | Проставка, Крыльчатка Корпус. 22.5 дюйм (571 мм) Models Only (SPACER, Impeller housing. 22.5 in. (571mm) Models Only) | нет в наличии, поставок нет |
| 84 | 0310584 | Уплотнительное кольцо, Крыльчатка to driveВал (O-RING, Impeller to driveshaft) | нет в наличии, поставок нет |
| 84 | 3852089 | (последний код) O-RING | нет в наличии, поставок нет |
| 85 | 0329171 | Сальник, Проставка to exh. Корпус. 22.5 дюйм (571 мм) Models Only (SEAL, Spacer to exh. housing. 22.5 in. (571mm) Models Only) | нет в наличии, поставок нет |
| 85 | 0330204 | (последний код) SEAL | нет в наличии, поставок нет |
| 86 | 0331188 | Уплотнительное кольцо, Cвыше to Корпус (O-RING, Cup to housing) | 5 шт | 370 руб. |
| 87 | 0340619 | Cвыше, Крыльчатка Корпус. Stainless Steel (CUP, Impeller housing. Stainless Steel) | нет в наличии, поставок нет |
| 87 | 0341186 | Cвыше, Крыльчатка Корпус. хромированная пластина (CUP, Impeller housing. Chrome Plated) | нет в наличии, поставок нет |
| 0438388 | 0438388 | Проставка KIT. Not Shown (SPACER KIT. Not Shown) | нет в наличии, поставок нет |
| 0438388 | 0438424 | (последний код) BRACKET AY | нет в наличии, поставок нет |
| 88 | 0341472 | SвышеPORT, Кронштейн (SUPPORT, Bracket) | нет в наличии, поставок нет |
| 88 | 0438424 | (последний код) BRACKET AY | нет в наличии, поставок нет |
| 89 | 0343153 | Проставка, Пыльник (SPACER, Grommet) | нет в наличии, поставок нет |
| 89 | 0438424 | (последний код) BRACKET AY | нет в наличии, поставок нет |
| 90 | 0391198 | Гребной винт, 13 3 / 4 x 15 AL Std.. Refer to OMC SysteMatched Parts & Аксессуары Catalog для Гребной винт Chart (PROPELLER, 13 3/4 x 15 AL Std.. Refer to OMC SysteMatched Parts & Accessories Catalog for Propeller Chart) | нет в наличии, поставок нет |
| 90 | 0765182 | (последний код) PROP AY,AL 13.5X15 | нет в наличии, поставок нет |
| 91 | 0332393 | CONVERGING Кольцо, Alum. props (CONVERGING RING, Alum. props) | нет в наличии, поставок нет |
| 91 | 0325996 | (последний код) CONVERGING RING | нет в наличии, поставок нет |
| 92 | 0313926 | Гильза, Втулка (SLEEVE, Bushing) | нет в наличии, поставок нет |
| 92 | 3850831 | (последний код) SLEEVE-PROP | нет в наличии, поставок нет |
| 93 | 0384977 | Гребной винт Втулка в сборе. (PROPELLER BUSHING ASSY.) | нет в наличии, поставок нет |
| 0392461 | 0392461 | ZINC Анод KIT. Not Shown (ZINC ANODE KIT. Not Shown) | нет в наличии, поставок нет |
| 94 | 0436745 | Анод & INSERT, Редуктор (ANODE & INSERT, Gearcase) | нет в наличии, поставок нет |
| 94 | 0393023 | (последний код) ANODE&INSERT AY | нет в наличии, поставок нет |
| 95 | 0313022 | Гайка, Анод (NUT, Anode) | нет в наличии, поставок нет |
| 95 | 3852118 | (последний код) NUT,LOCK | нет в наличии, поставок нет |
| 96 | 0328096 | Винт (SCREW) | нет в наличии, поставок нет |
| 96 | 0327046 | (последний код) SCREW | нет в наличии, поставок нет |
| 97 | 0324430 | Винт, Анод (SCREW, Anode) | нет в наличии, поставок нет |
| 97 | 0316658 | (последний код) SCREW | нет в наличии, поставок нет |
| 98 | 0307555 | Блокирующая шайба анода (LOCK WASHER, Anode) | нет в наличии, поставок нет |
| 99 | 0392462 | Анод и INSERT, дляward (ANODE AND INSERT, Forward) | нет в наличии, поставок нет |
| 100 | 0437772 | Ремкомплект водяного насоса, (Includes Крыльчатка hou ing) (WATER PUMP REPAIR KIT, (Includes impeller hou ing)) | нет в наличии, поставок нет |
| 100 | 5000308 | (последний код) KIT AY,WATER PUMP | нет в наличии, поставок нет |
| 100 | T-5000308 | (не оригинальный аналог) Ремкомплект насоса охлаждения Evinrude-Johnson 5000308 | под заказ шт | 8100 руб. |
| 101 | 0389145 | Хромированный ремкомплект водяного насоса (CHROME PUMP KIT) | нет в наличии, поставок нет |