Номер на рисунке | Артикул | Наименование | Кол-во на складе | Цена |
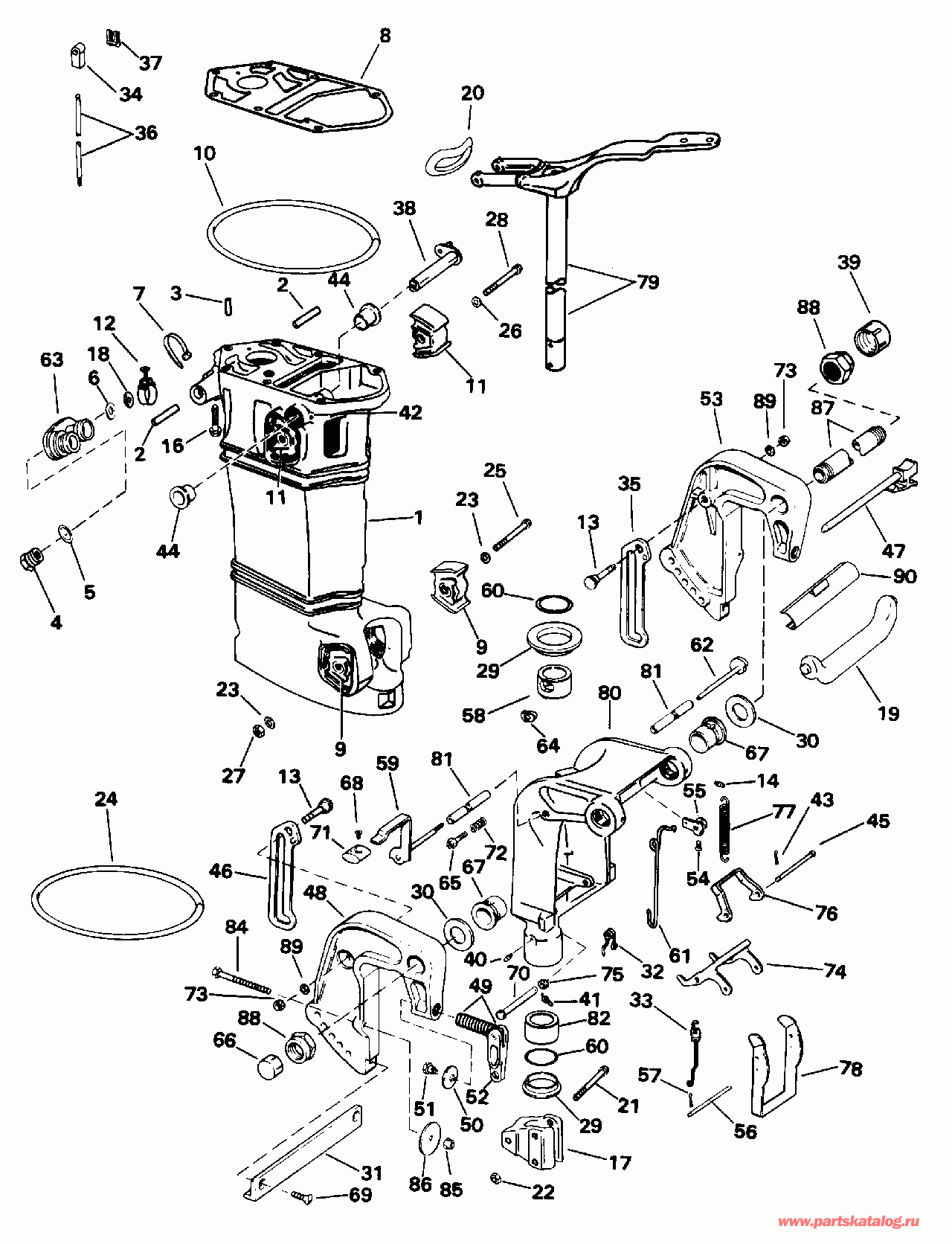
| 1 | 0436133 | Удлинитель корпуса в сборе. (EXHAUST HOUSING ASSY.) | нет в наличии, поставок нет |
| 2 | 0332406 | Штифт, нижний pan Крепление (PIN, Lower pan mount) | нет в наличии, поставок нет |
| 3 | 0325762 | ROLL Штифт, Прокладка aligning (ROLL PIN, Gasket aligning) | нет в наличии, поставок нет |
| 4 | 0436857 | Заглушка & NOZZLE в сборе. (PLUG & NOZZLE ASSY.) | нет в наличии, поставок нет |
| 4 | 0336217 | (последний код) NOZZLE,OVBD DRAIN | нет в наличии, поставок нет |
| 5 | 0301967 | Уплотнительное кольцо, Overboard Индикатор (O-RING, Overboard indicator) | нет в наличии, поставок нет |
| 6 | 0304376 | Шайба (WASHER) | нет в наличии, поставок нет |
| 7 | 0320107 | Крепёжный хомут (TIE STRAP) | нет в наличии, поставок нет |
| 7 | 5035626 | (последний код) BAND,REM CON | нет в наличии, поставок нет |
| 8 | 0339331 | Прокладка, Powerhead to Нижний модуль (GASKET, Powerhead to lower unit) | нет в наличии, поставок нет |
| 9 | 0436039 | Крепление нижнее (MOUNT, Lower) | нет в наличии, поставок нет |
| 10 | 0339390 | Удлинитель корпуса Сальник, верхний (EXHAUST HOUSING SEAL, Upper) | нет в наличии, поставок нет |
| 11 | 0436132 | Верхнее крепление (MOUNT, Upper) | нет в наличии, поставок нет |
| 12 | 0336136 | Струбцина (CLAMP) | нет в наличии, поставок нет |
| 13 | 0342507 | Винт, Tilt lock (SCREW, Tilt lock) | нет в наличии, поставок нет |
| 14 | 0313607 | FITTING, Lube, tilt Трубка & lock (FITTING, Lube, tilt tube & lock) | нет в наличии, поставок нет |
| 14 | 3852121 | (последний код) FITTING,LUB | нет в наличии, поставок нет |
| 16 | 0337378 | Винт, Корпус to cyl. & ccase, M8 (SCREW, Housing to cyl. & ccase, M8) | нет в наличии, поставок нет |
| 17 | 0339657 | Нижний кронштейн Крепление (BRACKET, Lower mount) | нет в наличии, поставок нет |
| 18 | 0335530 | Язычковый клапан (REED VALVE) | нет в наличии, поставок нет |
| 19 | 0339992 | Ручка для переноски (CARRYING HANDLE) | нет в наличии, поставок нет |
| 20 | 0340819 | Сальник, Рулевая система Рычаг (SEAL, Steering arm) | нет в наличии, поставок нет |
| 21 | 0339388 | Винт, Кронштейн to Стержень Вал, M8 (SCREW, Bracket to pivot shaft, M8) | нет в наличии, поставок нет |
| 22 | 0338935 | LOCKГайка, M8 (LOCKNUT, M8) | нет в наличии, поставок нет |
| 23 | 0341053 | Шайба, M8 (WASHER, M8) | нет в наличии, поставок нет |
| 24 | 0340800 | Удлинитель корпуса Сальник, нижний (EXHAUST HOUSING SEAL, Lower) | нет в наличии, поставок нет |
| 25 | 0339741 | Винт, Крепление нижнее, M8 (SCREW, Mount, lower, M8) | нет в наличии, поставок нет |
| 26 | 0341053 | Шайба верхнего крепежа Винт, M8 (WASHER, Upper mount screw, M8) | нет в наличии, поставок нет |
| 27 | 0338935 | Гайка, нижний Крепление Винт, M8 (NUT, Lower mount screw, M8) | нет в наличии, поставок нет |
| 28 | 0341462 | Винт, верхний mnt. to Рулевая система Рычаг, M8 (SCREW, Upper mnt. to steering arm, M8) | нет в наличии, поставок нет |
| 29 | 0330137 | Сальник, Стержень Вал (SEAL, Pivot shaft) | 17 шт | 3700 руб. |
| 29 | 0321668 | (последний код) SEAL-CRNKSHF | нет в наличии, поставок нет |
| 29 | T-0330137 | (не оригинальный аналог) Сальник редуктора OMC/Johnson/Evinrude 0330137 | под заказ шт | по запросу |
| 30 | 0319699 | Шайба (WASHER) | нет в наличии, поставок нет |
| 31 | 0319709 | TIE BAR, Кронштейн транцаs (TIE BAR, Stern brackets) | нет в наличии, поставок нет |
| 31 | 0351247 | (последний код) BAR,TIE | нет в наличии, поставок нет |
| 32 | 0322946 | Пружина системы движения по мелководью (SPRING, Shallow water drive) | нет в наличии, поставок нет |
| 33 | 0319697 | Пружина блокировки задней передачи (SPRING, Reverse lock) | нет в наличии, поставок нет |
| 34 | 0334119 | Коннектор переключающей тяги (CONNECTOR, Shift rod) | нет в наличии, поставок нет |
| 35 | 0437876 | LOCK в сборе., Tilt, port (LOCK ASSY., Tilt, port) | нет в наличии, поставок нет |
| 35 | 0387667 | (последний код) TILTLOCK | нет в наличии, поставок нет |
| 36 | 0339568 | Переключающая тяга, верхний (Std.) (SHIFT ROD, Upper (Std.)) | нет в наличии, поставок нет |
| 36 | 0339569 | Переключающая тяга, верхний (Long) (SHIFT ROD, Upper (Long)) | нет в наличии, поставок нет |
| 37 | 0338630 | Зажим, Переключающая тяга Коннектор (CLIP, Shift rod connector) | нет в наличии, поставок нет |
| 38 | 0436938 | Рычаг & Вал в сборе. (LEVER & SHAFT ASSY.) | нет в наличии, поставок нет |
| 38 | 0439560 | (последний код) KIT AY,SHIFT LE | нет в наличии, поставок нет |
| 39 | 0337586 | WIPER Гайка (WIPER NUT) | нет в наличии, поставок нет |
| 39 | 0983678 | (последний код) NUT & WIPER | нет в наличии, поставок нет |
| 40 | 0313607 | FITTING, Lube, Поворотный кронштейн, нижний (FITTING, Lube, swivel bracket, lower) | нет в наличии, поставок нет |
| 40 | 3852121 | (последний код) FITTING,LUB | нет в наличии, поставок нет |
| 41 | 0333774 | Зажим, Штифт, Соединитель блокировки задней передачи to Кронштейн (CLIP, Pin, reverse lock link to bracket) | нет в наличии, поставок нет |
| 42 | 0313607 | FITTING, Lube, Переключающий вал (FITTING, Lube, shift shaft) | нет в наличии, поставок нет |
| 42 | 3852121 | (последний код) FITTING,LUB | нет в наличии, поставок нет |
| 43 | 0305650 | Шплинт, Соединитель блокировки задней передачи to locking leve (COTTER PIN, Reverse lock link to locking leve) | нет в наличии, поставок нет |
| 43 | 3852052 | (последний код) PIN,COTTER | нет в наличии, поставок нет |
| 44 | 0340923 | Втулка, Переключающий вал (BUSHING, Shift shaft) | нет в наличии, поставок нет |
| 45 | 0326943 | Штифт тяги to locking Рычаг (PIN, Link to locking lever) | нет в наличии, поставок нет |
| 46 | 0437875 | LOCK в сборе., Tilt, stbd. (LOCK ASSY., Tilt, stbd.) | нет в наличии, поставок нет |
| 46 | 0387668 | (последний код) TILTLOCK | нет в наличии, поставок нет |
| 47 | 0436387 | TILT Штифт (TILT PIN) | нет в наличии, поставок нет |
| 47 | 0391271 | (последний код) TILT-PIN | нет в наличии, поставок нет |
| 48 | 0342723 | Кронштейн транца, Stbd. (STERN BRACKET, Stbd.) | нет в наличии, поставок нет |
| 49 | 0433672 | Винт струбцины в сборе., Aluminum (CLAMP SCREW ASSY., Aluminum) | нет в наличии, поставок нет |
| 49 | 0433675 | (последний код) KIT-AY,CLAMP | нет в наличии, поставок нет |
| 49 | 0391421 | Винт струбцины в сборе., Stainless st.. Опции (CLAMP SCREW ASSY., Stainless st.. Optional) | нет в наличии, поставок нет |
| 49 | 0389959 | (последний код) CLAMPSCREW | нет в наличии, поставок нет |
| 50 | 0337017 | Пластина, Swivel (PLATE, Swivel) | нет в наличии, поставок нет |
| 50 | 0307561 | (последний код) SWIVEL PLATE | нет в наличии, поставок нет |
| 51 | 0321922 | Винт, Shoulder (SCREW, Shoulder) | нет в наличии, поставок нет |
| 52 | 0398001 | REPLACEMENT HANDLE в сборе. (REPLACEMENT HANDLE ASSY.) | нет в наличии, поставок нет |
| 53 | 0342722 | Кронштейн транца, Port (STERN BRACKET, Port) | нет в наличии, поставок нет |
| 54 | 0319108 | Винт, BellКривошип, Блокировка задней передачи (SCREW, Bellcrank, reverse lock) | нет в наличии, поставок нет |
| 54 | 0311512 | (последний код) SCREW | нет в наличии, поставок нет |
| 55 | 0319695 | BELLКривошип (BELLCRANK) | нет в наличии, поставок нет |
| 56 | 0322945 | Штифт, Shallow water drive (PIN, Shallow water drive) | нет в наличии, поставок нет |
| 56 | 0319053 | (последний код) PIN | нет в наличии, поставок нет |
| 57 | 0305650 | Шплинт, Shallow water drive (COTTER PIN, Shallow water drive) | нет в наличии, поставок нет |
| 57 | 3852052 | (последний код) PIN,COTTER | нет в наличии, поставок нет |
| 58 | 0342914 | Втулка, Поворотный кронштейн, верхний (BUSHING, Swivel bracket, upper) | нет в наличии, поставок нет |
| 58 | 0342428 | (последний код) BUSHING | нет в наличии, поставок нет |
| 59 | 0436897 | Рычаг & Вал в сборе., Tilt lock (LEVER & SHAFT ASSY., Tilt lock) | нет в наличии, поставок нет |
| 60 | 0318295 | Упорная шайба (WASHER, Thrust) | нет в наличии, поставок нет |
| 61 | 0319696 | Тяга, Блокировка задней передачи release (ROD, Reverse lock release) | нет в наличии, поставок нет |
| 62 | 0388661 | CAM & Вал в сборе., Tilt lock (CAM & SHAFT ASSY., Tilt lock) | нет в наличии, поставок нет |
| 62 | 0386501 | (последний код) FF-CAM&SHAFT | нет в наличии, поставок нет |
| 63 | 0436223 | Пыльник, Выхлоп, relief (GROMMET, Exhaust, relief) | нет в наличии, поставок нет |
| 64 | 0342397 | FRICTION BLOCK (FRICTION BLOCK) | нет в наличии, поставок нет |
| 65 | 0341170 | Фрикционный винт adjustment (SCREW, Friction adjustment) | нет в наличии, поставок нет |
| 65 | 5000639 | (последний код) KIT AY, STRG FRTN | нет в наличии, поставок нет |
| 66 | 0317894 | Колпачок, Tilt Трубка (CAP, Tilt tube) | нет в наличии, поставок нет |
| 66 | 3852150 | (последний код) CAP | нет в наличии, поставок нет |
| 67 | 0319787 | Втулка, Tilt Трубка (BUSHING, Tilt tube) | нет в наличии, поставок нет |
| 67 | 0317789 | (последний код) BUSHING | нет в наличии, поставок нет |
| 68 | 0319227 | Винт, Ручка to tilt lock Рычаг (SCREW, Knob to tilt lock lever) | нет в наличии, поставок нет |
| 69 | 0324579 | Винт, Tie bar (SCREW, Tie bar) | нет в наличии, поставок нет |
| 69 | 0341352 | (последний код) SCREW | нет в наличии, поставок нет |
| 70 | 0322947 | Штифт, Соединитель блокировки задней передачи to Кронштейн (PIN, Reverse lock link to bracket) | нет в наличии, поставок нет |
| 71 | 0328048 | Ручка наклона lock (KNOB, Tilt lock) | нет в наличии, поставок нет |
| 71 | 0319051 | (последний код) KNOB | нет в наличии, поставок нет |
| 72 | 0551113 | Пружина, Рулевая система friction adjustment (SPRING, Steering friction adjustment) | нет в наличии, поставок нет |
| 73 | 0313990 | Гайка, Tilt Замок винта (NUT, Tilt lock screw) | нет в наличии, поставок нет |
| 74 | 0322949 | Соединитель, Блокировка задней передачи (LINK, Reverse lock) | нет в наличии, поставок нет |
| 74 | 0319054 | (последний код) LINK | нет в наличии, поставок нет |
| 75 | 0303887 | Шайба, Соединитель Штифтs (WASHER, Link pins) | нет в наличии, поставок нет |
| 76 | 0322950 | Рычаг, Блокировка задней передачи (LEVER, Reverse lock) | нет в наличии, поставок нет |
| 77 | 0315078 | Пружина блокировки задней передачи (SPRING, Reverse lock) | нет в наличии, поставок нет |
| 78 | 0338657 | Соединитель, Shallow water drive (LINK, Shallow water drive) | нет в наличии, поставок нет |
| 78 | 0320426 | (последний код) LINK | нет в наличии, поставок нет |
| 79 | 0436215 | Рулевая система Рычаг & Вал в сборе. (STEERING ARM & SHAFT ASSY.) | нет в наличии, поставок нет |
| 79 | 0339495 | (последний код) SHAFT,PIVOT | нет в наличии, поставок нет |
| 80 | 0437878 | Поворотный кронштейн (BRACKET, Swivel) | нет в наличии, поставок нет |
| 80 | 5000697 | (последний код) BRACKET AY, SWIVEL | нет в наличии, поставок нет |
| 81 | 0342525 | Втулка, Tilt lock (BUSHING, Tilt lock) | нет в наличии, поставок нет |
| 82 | 0339489 | Втулка, Поворотный кронштейн, нижний (BUSHING, Swivel bracket, lower) | нет в наличии, поставок нет |
| 82 | 0342914 | (последний код) BUSHING | нет в наличии, поставок нет |
| 0432294 | 0432294 | Винт & Гайка в сборе., Transom Крепление. Not Shown (SCREW & NUT ASSY., Transom mount. Not Shown) | нет в наличии, поставок нет |
| 0432294 | 0313966 | (последний код) SCREW | нет в наличии, поставок нет |
| 84 | 0334427 | Винт, Кронштейн транца to transom (SCREW, Stern bracket to transom) | нет в наличии, поставок нет |
| 84 | 0318512 | (последний код) SCREW | нет в наличии, поставок нет |
| 85 | 0310702 | Гайка (NUT) | нет в наличии, поставок нет |
| 86 | 0315776 | Шайба (WASHER) | нет в наличии, поставок нет |
| 87 | 0321511 | TILT Трубка, Кронштейн транца (TILT TUBE, Stern bracket) | нет в наличии, поставок нет |
| 87 | 0351896 | (последний код) TUBE, TILT SST | нет в наличии, поставок нет |
| 88 | 0335554 | LOCKГайка, Tilt Трубка, port & stbd. (LOCKNUT, Tilt tube, port & stbd.) | нет в наличии, поставок нет |
| 89 | 0303884 | Шайба, Tilt Замок винта (WASHER, Tilt lock screw) | нет в наличии, поставок нет |
| 90 | 0342908 | SHIELD, Tilt Трубка (SHIELD, Tilt tube) | нет в наличии, поставок нет |