вконтакте

Контактный телефон: +7 (981) 121-46-93, +7 (800) 200-90-76 , Email: parts-katalog@yandex.ru, где купить

 
 

  Логин:

Пароль:

Регистрация

www.partskatalog.ru Все каталоги Запчасти Mercury Запчасти Suzuki Запчасти Tohatsu Запчасти Honda Контакты


Все разделы каталога запчастей на этот двигатель

назад Раздел:   вперёд

вернуться к списку узлов и деталей

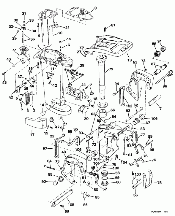
ДЕТАЛИРОВКА ДЛЯ МОДЕЛИ: EVINRUDE E20CREDA 1996

MIDSECTION | MIDSECTION;


Подвесной двигатель Эвинруд E20CREDA 1996  - dsection

Номер на
рисунке
АртикулНаименованиеКол-во
на складе
Цена
1 0436192

Удлинитель корпуса в сборе. (Std.) (EXHAUST HOUSING ASSY. (Std.))

нет в наличии, поставок нет
1 0435536

   (последний код) HSG-AY,EXH-S

нет в наличии, поставок нет
1 0436193

Удлинитель корпуса в сборе. (Long) (EXHAUST HOUSING ASSY. (Long))

нет в наличии, поставок нет
1 0435537

   (последний код) HSG-AY,EXH-L

нет в наличии, поставок нет
2 0341427

Прокладка крышки to Выхлоп hsg. (GASKET, Cover to exhaust hsg.)

нет в наличии, поставок нет
3 0341426

Выхлопная крышка relief (COVER, Exhaust relief)

нет в наличии, поставок нет
4 0305863

Шайба, Винт, Крышка (WASHER, Screw, cover)

нет в наличии, поставок нет
5 0334522

Винт, Крышка, верхний (SCREW, Cover, upper)

нет в наличии, поставок нет
6 0324815

Шпилька (STUD)

нет в наличии, поставок нет
6 3852176

   (последний код) STUD

нет в наличии, поставок нет
7 0342908

SHIELD, Tilt Трубка (SHIELD, Tilt tube)

нет в наличии, поставок нет
8 0330621

Прокладка, Powerhead to Нижний модуль (GASKET, Powerhead to lower unit)

нет в наличии, поставок нет
8 0324332

   (последний код) GASKET

нет в наличии, поставок нет
9 0342422

Винт, Inner Выхлоп Трубка (SCREW, Inner exhaust tube)

нет в наличии, поставок нет
9 0308743

   (последний код) SCREW

нет в наличии, поставок нет
10 0336258

Выхлоп Трубка внутри (EXHAUST TUBE, Inner)

нет в наличии, поставок нет
10 0335634

   (последний код) TUBE,EXHAUST-INNER

нет в наличии, поставок нет
11 0303879

Крепление, Rubber, верхний side, std. (MOUNT, Rubber, upper side, std.)

нет в наличии, поставок нет
11 0332809

   (последний код) RUBBER MOUNT

нет в наличии, поставок нет
11 0325974

Крепление, Rubber, верхний side, long (MOUNT, Rubber, upper side, long)

нет в наличии, поставок нет
11 0332810

   (последний код) RUBBER MOUNT

нет в наличии, поставок нет
12 0329217

Винт, верхний монтаж сбоку (SCREW, Upper side mount)

нет в наличии, поставок нет
12 0333707

   (последний код) SCREW

нет в наличии, поставок нет
13 0335430

Кронштейн рулевого управления (BRACKET, Steering)

нет в наличии, поставок нет
13 0331475

   (последний код) STEERING BRACKET

нет в наличии, поставок нет
14 0321470

Крепление, Rubber, нижняя сторона, std. (MOUNT, Rubber, lower side, std.)

нет в наличии, поставок нет
14 0332811

   (последний код) RUBBER MOUNT

нет в наличии, поставок нет
14 0325975

Крепление, Rubber, нижняя сторона, long (MOUNT, Rubber, lower side, long)

нет в наличии, поставок нет
15 0315204

Гайка, Шпилька (NUT, Stud)

нет в наличии, поставок нет
15 0316355

   (последний код) NUT

нет в наличии, поставок нет
16 0324816

Винт, Корпус to cyl. & ccase (SCREW, Housing to cyl. & ccase)

нет в наличии, поставок нет
17 0323109

Корпус, нижний Крепление, stbd. (HOUSING, Lower mount, stbd.)

нет в наличии, поставок нет
17 0321403

   (последний код) HOUSING

нет в наличии, поставок нет
18 0309942

Винт, нижний front Крепление (SCREW, Lower front mount)

нет в наличии, поставок нет
18 3852086

   (последний код) SCREW

нет в наличии, поставок нет
19 0303886

Шайба (WASHER)

нет в наличии, поставок нет
20 0321469

Крепление, Rubber, нижний front (MOUNT, Rubber, lower front)

нет в наличии, поставок нет
20 0332808

   (последний код) RUBBER MOUNT

нет в наличии, поставок нет
21 0302497

Пыльник водяной трубки (GROMMET, Water tube)

2 шт250 руб.
22 0309942

Винт, Крепление to Корпус (SCREW, Mount to housing)

нет в наличии, поставок нет
22 3852086

   (последний код) SCREW

нет в наличии, поставок нет
23 0304144

Шайба с блокировкой (LOCK WASHER)

нет в наличии, поставок нет
24 0323108

Корпус, нижний Крепление, port (HOUSING, Lower mount, port)

нет в наличии, поставок нет
24 0321402

   (последний код) HOUSING

нет в наличии, поставок нет
25 0342540

Винт, Крепление Корпус (SCREW, Mount housing)

нет в наличии, поставок нет
25 0316440

   (последний код) SCREW

нет в наличии, поставок нет
26 0303884

Шайба (WASHER)

нет в наличии, поставок нет
27 0303889

Гайка, Креплениеs to exh. hsg. & Кронштейн рулевого управления (NUT, Mounts to exh. hsg. & steering bracket)

нет в наличии, поставок нет
27 3852065

   (последний код) NUT

нет в наличии, поставок нет
28 0331812

Крепление, Rubber, верхний front (MOUNT, Rubber, upper front)

нет в наличии, поставок нет
28 0332807

   (последний код) RUBBER MOUNT

нет в наличии, поставок нет
29 0302504

Штифт, Переключающая тяга to Рычаг (PIN, Shift rod to lever)

нет в наличии, поставок нет
30 0305650

Шплинт, Рычаг переключения to Штифт (COTTER PIN, Shift lever to pin)

нет в наличии, поставок нет
30 3852052

   (последний код) PIN,COTTER

нет в наличии, поставок нет
31 0308017

Винт, Переключающая тяга (SCREW, Shift rod)

нет в наличии, поставок нет
32 0304380

Пружинная шайба (SPRING WASHER)

нет в наличии, поставок нет
33 0319537

Зажим, Рычаг тяги переключения (CLIP, Shift rod lever)

нет в наличии, поставок нет
34 0322092

Рычаг штока переключения (LEVER, Shift rod)

нет в наличии, поставок нет
34 0320117

   (последний код) LEVER

нет в наличии, поставок нет
35 0303775

Шайба, Рычаг to Корпус (WASHER, Lever to housing)

нет в наличии, поставок нет
36 0325540

Переключающая тяга, верхний (Std.) (SHIFT ROD, Upper (Std.))

нет в наличии, поставок нет
36 0325541

Переключающая тяга, верхний (Long) (SHIFT ROD, Upper (Long))

нет в наличии, поставок нет
37 0203688

Гайка, Adjustment Винт (NUT, Adjustment screw)

нет в наличии, поставок нет
37 0328710

   (последний код) NUT-SCREW-ID

нет в наличии, поставок нет
38 0394574

ADJUSTMENT Рычаг & Вал в сборе. (ADJUSTMENT LEVER & SHAFT ASSY.)

нет в наличии, поставок нет
38 0390252

   (последний код) ADJT-LVR&SHF

нет в наличии, поставок нет
39 0324660

Уплотнительное кольцо, Рычаг Вал (O-RING, Lever shaft)

нет в наличии, поставок нет
40 0328703

Шайба, Винт, cam to Рычаг (WASHER, Screw, cam to lever)

нет в наличии, поставок нет
40 3852184

   (последний код) WASHER

нет в наличии, поставок нет
41 0335342

Пускатель Кулачок переключателя (ACTUATOR CAM, Shift)

нет в наличии, поставок нет
41 0331470

   (последний код) ACTUATOR-CAM

нет в наличии, поставок нет
42 0313607

FITTING, Lube, Переключающий вал (FITTING, Lube, shift shaft)

нет в наличии, поставок нет
42 3852121

   (последний код) FITTING,LUB

нет в наличии, поставок нет
43 0317581

Винт, Пускатель cam to adjustment Рычаг (SCREW, Actuator cam to adjustment lever)

нет в наличии, поставок нет
44 0315786

Фиксатор, Переключающий вал (RETAINER, Shift shaft)

нет в наличии, поставок нет
47 0326071

Бампер, Крепление Корпус (BUMPER, Mount housing)

нет в наличии, поставок нет
47 0323107

   (последний код) BUMPER-MT-HS

нет в наличии, поставок нет
48 0342536

Кронштейн транца, Stbd. (STERN BRACKET, Stbd.)

нет в наличии, поставок нет
48 0339487

   (последний код) BRACKET,STERN

нет в наличии, поставок нет
0433675 0433675

Винт струбцины в сборе., Aluminum. Not Shown (CLAMP SCREW ASSY., Aluminum. Not Shown)

нет в наличии, поставок нет
0433675 0433674

   (последний код) KIT AY,CLAMPSCREW

нет в наличии, поставок нет
0391421 0391421

Винт струбцины в сборе., Stainless st.. Not Shown Опции (CLAMP SCREW ASSY., Stainless st.. Not Shown Optional)

нет в наличии, поставок нет
0391421 0389959

   (последний код) CLAMPSCREW

нет в наличии, поставок нет
49 0433672

HANDLE & Винт в сборе., Alum. (HANDLE & SCREW ASSY., Alum.)

нет в наличии, поставок нет
49 0433675

   (последний код) KIT-AY,CLAMP

нет в наличии, поставок нет
50 0337017

Пластина, Swivel (PLATE, Swivel)

нет в наличии, поставок нет
50 0307561

   (последний код) SWIVEL PLATE

нет в наличии, поставок нет
51 0321922

Винт, Shoulder (SCREW, Shoulder)

нет в наличии, поставок нет
52 0398001

REPLACEMENT HANDLE в сборе. (REPLACEMENT HANDLE ASSY.)

нет в наличии, поставок нет
53 0342535

Кронштейн транца, Port (STERN BRACKET, Port)

нет в наличии, поставок нет
53 0339486

   (последний код) BRACKET,STERN

нет в наличии, поставок нет
54 0319108

Винт, BellКривошип, Блокировка задней передачи (SCREW, Bellcrank, reverse lock)

нет в наличии, поставок нет
54 0311512

   (последний код) SCREW

нет в наличии, поставок нет
55 0319695

BELLКривошип (BELLCRANK)

нет в наличии, поставок нет
56 0322945

Штифт, Shallow water drive (PIN, Shallow water drive)

нет в наличии, поставок нет
56 0319053

   (последний код) PIN

нет в наличии, поставок нет
57 0333774

Зажим, Shallow water drive (CLIP, Shallow water drive)

нет в наличии, поставок нет
58 0309967

Втулка, Pilot Вал, нижний (BUSHING, Pilot shaft, lower)

нет в наличии, поставок нет
59 0301917

Уплотнительное кольцо, Pilot Вал, нижний (O-RING, Pilot shaft, lower)

нет в наличии, поставок нет
60 0309966

Упорная шайба (WASHER, Thrust)

нет в наличии, поставок нет
61 0319696

Тяга, Блокировка задней передачи release (ROD, Reverse lock release)

нет в наличии, поставок нет
62 0388661

CAM & Вал в сборе., Tilt lock (CAM & SHAFT ASSY., Tilt lock)

нет в наличии, поставок нет
62 0386501

   (последний код) FF-CAM&SHAFT

нет в наличии, поставок нет
63 0397736

FRICTION BLOCK в сборе. (FRICTION BLOCK ASSY.)

нет в наличии, поставок нет
63 0388748

   (последний код) WASHER,SEAL&

нет в наличии, поставок нет
64 0332662

FRICTION BLOCK (FRICTION BLOCK)

нет в наличии, поставок нет
65 0321531

Фрикционный винт adjustment (SCREW, Friction adjustment)

нет в наличии, поставок нет
66 0332663

верхний LINER (UPPER LINER)

нет в наличии, поставок нет
67 0319787

Втулка, Tilt Трубка (BUSHING, Tilt tube)

нет в наличии, поставок нет
67 0317789

   (последний код) BUSHING

нет в наличии, поставок нет
68 0319227

Винт, Ручка to tilt lock Рычаг (SCREW, Knob to tilt lock lever)

нет в наличии, поставок нет
69 0324579

Винт, Tie bar (SCREW, Tie bar)

нет в наличии, поставок нет
69 0341352

   (последний код) SCREW

нет в наличии, поставок нет
70 0322947

Штифт, Соединитель блокировки задней передачи to Кронштейн (PIN, Reverse lock link to bracket)

нет в наличии, поставок нет
71 0328048

Ручка наклона lock (KNOB, Tilt lock)

нет в наличии, поставок нет
71 0319051

   (последний код) KNOB

нет в наличии, поставок нет
72 0551113

Пружина, Рулевая система friction adjustment (SPRING, Steering friction adjustment)

нет в наличии, поставок нет
73 0313838

Гайка, Штифт Кронштейн (NUT, Pin bracket)

нет в наличии, поставок нет
74 0322949

Соединитель, Блокировка задней передачи (LINK, Reverse lock)

нет в наличии, поставок нет
74 0319054

   (последний код) LINK

нет в наличии, поставок нет
75 0303887

Шайба, Соединитель Штифтs (WASHER, Link pins)

нет в наличии, поставок нет
76 0322950

Рычаг, Блокировка задней передачи (LEVER, Reverse lock)

нет в наличии, поставок нет
77 0315078

Пружина блокировки задней передачи (SPRING, Reverse lock)

нет в наличии, поставок нет
78 0338657

Соединитель, Shallow water drive (LINK, Shallow water drive)

нет в наличии, поставок нет
78 0320426

   (последний код) LINK

нет в наличии, поставок нет
79 0329648

PILOT Вал, Кронштейн рулевого управления (PILOT SHAFT, Steering bracket)

нет в наличии, поставок нет
80 0323158

Поворотный кронштейн (BRACKET, Swivel)

нет в наличии, поставок нет
81 0317624

Винт, Кронштейн, to pilot Вал (SCREW, Bracket, to pilot shaft)

нет в наличии, поставок нет
83 0313607

FITTING, Lube, tilt Трубка & lock (FITTING, Lube, tilt tube & lock)

нет в наличии, поставок нет
83 3852121

   (последний код) FITTING,LUB

нет в наличии, поставок нет
0432294 0432294

Винт & Гайка в сборе.. Not Shown (SCREW & NUT ASSY.. Not Shown)

нет в наличии, поставок нет
0432294 0313966

   (последний код) SCREW

нет в наличии, поставок нет
84 0334427

Винт, Кронштейн транца to transom (SCREW, Stern bracket to transom)

нет в наличии, поставок нет
84 0318512

   (последний код) SCREW

нет в наличии, поставок нет
85 0310702

Гайка (NUT)

нет в наличии, поставок нет
86 0315776

Шайба (WASHER)

нет в наличии, поставок нет
87 0321511

TILT Трубка, Кронштейн транца (TILT TUBE, Stern bracket)

нет в наличии, поставок нет
87 0351896

   (последний код) TUBE, TILT SST

нет в наличии, поставок нет
88 0335554

LOCKГайка, Tilt Трубка, port & stbd. (LOCKNUT, Tilt tube, port & stbd.)

нет в наличии, поставок нет
90 0317894

Колпачок, Tilt Трубка (CAP, Tilt tube)

нет в наличии, поставок нет
90 3852150

   (последний код) CAP

нет в наличии, поставок нет
91 0337586

WIPER Гайка (WIPER NUT)

нет в наличии, поставок нет
91 0983678

   (последний код) NUT & WIPER

нет в наличии, поставок нет
92 0319694

Пружина фиксатора наклона (SPRING, Tilt lock)

нет в наличии, поставок нет
93 0319693

Втулка, Tilt lock (BUSHING, Tilt lock)

1 шт2850 руб.
94 0319692

Штифт блокировки наклона (PIN, Tilt lock)

нет в наличии, поставок нет
95 0388662

Рычаг & Вал в сборе., Tilt lock (LEVER & SHAFT ASSY., Tilt lock)

нет в наличии, поставок нет
96 0436387

TILT Штифт (TILT PIN)

нет в наличии, поставок нет
96 0391271

   (последний код) TILT-PIN

нет в наличии, поставок нет
97 0387668

LOCK в сборе., Tilt, stbd. (LOCK ASSY., Tilt, stbd.)

нет в наличии, поставок нет
97 0437875

   (последний код) LOCK AY,TILT-STBD

нет в наличии, поставок нет
98 0326943

Штифт тяги to locking Рычаг (PIN, Link to locking lever)

нет в наличии, поставок нет
99 0333774

Зажим, Штифт, Соединитель блокировки задней передачи to locking Рычаг (CLIP, Pin, reverse lock link to locking lever)

нет в наличии, поставок нет
100 0333774

Зажим, Штифт, Соединитель блокировки задней передачи to Кронштейн (CLIP, Pin, reverse lock link to bracket)

нет в наличии, поставок нет
101 0313607

FITTING, Lube, Поворотный кронштейн (FITTING, Lube, swivel bracket)

нет в наличии, поставок нет
101 3852121

   (последний код) FITTING,LUB

нет в наличии, поставок нет
102 0387667

LOCK в сборе., Tilt, port (LOCK ASSY., Tilt, port)

нет в наличии, поставок нет
102 0437876

   (последний код) LOCK AY,TILT-PORT

нет в наличии, поставок нет
103 0319697

Пружина блокировки задней передачи (SPRING, Reverse lock)

нет в наличии, поставок нет
104 0322946

Пружина системы движения по мелководью (SPRING, Shallow water drive)

нет в наличии, поставок нет
105 0319709

TIE BAR, Кронштейн транцаs (TIE BAR, Stern brackets)

нет в наличии, поставок нет
105 0351247

   (последний код) BAR,TIE

нет в наличии, поставок нет
106 0319699

Шайба (WASHER)

нет в наличии, поставок нет
evinrude

Время выполнения запроса 1.7867140769958 сек.


 
 

данный сайт носит информационный характер и не является публичной офертой

склад запчастей для водомоторной техники