вконтакте

Контактный телефон: +7 (981) 121-46-93, +7 (800) 200-90-76 , Email: parts-katalog@yandex.ru, где купить

 
 

  Логин:

Пароль:

Регистрация

www.partskatalog.ru Все каталоги Запчасти Mercury Запчасти Suzuki Запчасти Tohatsu Запчасти Honda Контакты


Все разделы каталога запчастей на этот двигатель

назад Раздел:   вперёд

вернуться к списку узлов и деталей

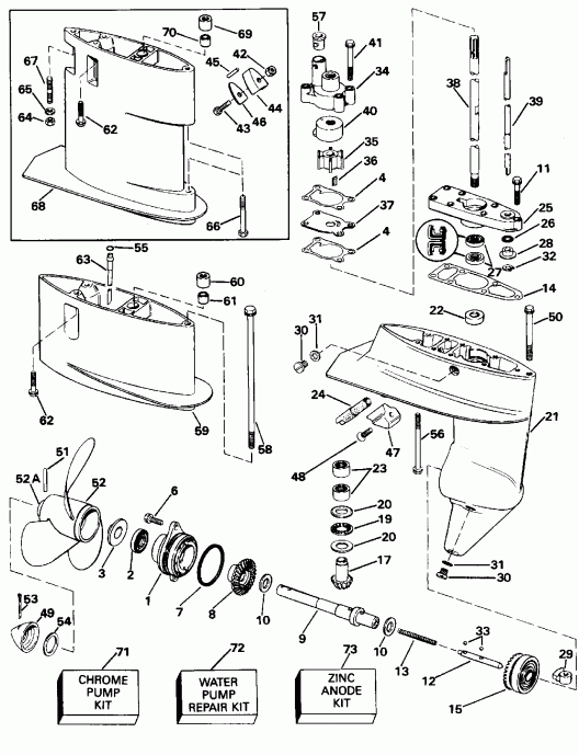
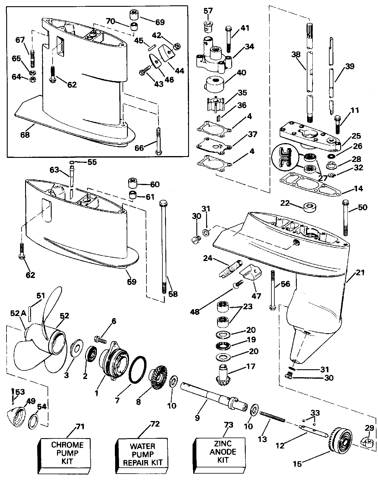
ДЕТАЛИРОВКА ДЛЯ МОДЕЛИ: EVINRUDE SE10RPLB 1996

УДЛИНИТЕЛЬ КОРПУСА | EXHAUST HOUSING;


Подвесной мотор Evinrude SE10RPLB 1996  - haust Housing - haust Корпус

Номер на
рисунке
АртикулНаименованиеКол-во
на складе
Цена
1 0435430

Удлинитель корпуса в сборе. (EXHAUST HOUSING ASSY.)

нет в наличии, поставок нет
2 0339383

BAFFLE, Удлинитель корпуса (BAFFLE, Exhaust housing)

нет в наличии, поставок нет
3 0324334

Винт, Muffler, нижний (SCREW, Muffler, lower)

нет в наличии, поставок нет
3 0302820

   (последний код) SCREW

нет в наличии, поставок нет
4 0319126

Винт, Muffler, верхний (SCREW, Muffler, upper)

нет в наличии, поставок нет
4 0326696

   (последний код) SCREW

нет в наличии, поставок нет
5 0338275

MUFFLER, Выхлоп (MUFFLER, Exhaust)

нет в наличии, поставок нет
5 0334537

   (последний код) EXH-MUFFLER

нет в наличии, поставок нет
6 0338274

Прокладка глушителя (GASKET, Muffler)

нет в наличии, поставок нет
7 0342540

Винт, верхний Креплениеs to strg. brkt. (SCREW, Upper mounts to strg. brkt.)

нет в наличии, поставок нет
7 0316440

   (последний код) SCREW

нет в наличии, поставок нет
8 0909386

Винт, верхний Креплениеs to exh. hsg. (SCREW, Upper mounts to exh. hsg.)

нет в наличии, поставок нет
9 0437894

Крепление в сборе., верхний (MOUNT ASSY., Upper)

нет в наличии, поставок нет
10 0329021

Монтажный кронштейн, нижний , port (MOUNT BRACKET, Lower, port)

нет в наличии, поставок нет
10 0322288

   (последний код) BRACKET

нет в наличии, поставок нет
11 0329020

Монтажный кронштейн, нижний , stbd. (MOUNT BRACKET, Lower, stbd.)

нет в наличии, поставок нет
11 0322289

   (последний код) BRACKET

нет в наличии, поставок нет
12 0330440

Выхлоп Трубка внутри (EXHAUST TUBE, Inner)

нет в наличии, поставок нет
12 0325333

   (последний код) EXH-HSG-INNE

нет в наличии, поставок нет
13 0339734

THRUST Верхнее крепление (THRUST MOUNT, Upper)

нет в наличии, поставок нет
14 0319229

Пыльник, Exh. hsg. to Переключающая тяга (GROMMET, Exh. hsg. to shift rod)

нет в наличии, поставок нет
15 0342541

Пластина верхней опорыs (PLATE, Upper mounts)

нет в наличии, поставок нет
16 0395125

Водяная трубка & Пыльник, выход (WATER TUBE & GROMMET, Outlet)

нет в наличии, поставок нет
16 0325748

   (последний код) TUBE

нет в наличии, поставок нет
17 0330426

Пыльник (GROMMET)

нет в наличии, поставок нет
18 0395122

Водяная трубка & Пыльник, вход, std. (WATER TUBE & GROMMET, Inlet, std.)

нет в наличии, поставок нет
18 0326994

   (последний код) WATER TUBE

нет в наличии, поставок нет
18 0395123

Водяная трубка & Пыльник, вход, long (WATER TUBE & GROMMET, Inlet, long)

нет в наличии, поставок нет
18 0326995

   (последний код) WATER TUBE

нет в наличии, поставок нет
19 0330426

Пыльник, верхний , Водяная трубка (GROMMET, Upper, water tube)

нет в наличии, поставок нет
20 0329046

THRUST Крепление нижнее (THRUST MOUNT, Lower)

нет в наличии, поставок нет
21 0325721

Прокладка, Powerhead to Выхлоп hsg. (GASKET, Powerhead to exhaust hsg.)

5 шт290 руб.
21 0322161

   (последний код) GASKET

нет в наличии, поставок нет
22 0339809

Винт, Outer Удлинитель корпуса to powerhead, lo g (SCREW, Outer exhaust housing to powerhead, lo g)

нет в наличии, поставок нет
23 0339666

Крышка верхней опоры (COVER, Upper mount)

нет в наличии, поставок нет
24 0324334

Винт, Exh. hsg. to cyl. & ccase (SCREW, Exh. hsg. to cyl. & ccase)

нет в наличии, поставок нет
24 0302820

   (последний код) SCREW

нет в наличии, поставок нет
25 0319042

Винт, Монтажный кронштейн, нижний (SCREW, Mount bracket, lower)

нет в наличии, поставок нет
27 0318997

LATERAL Крепление нижнее (LATERAL MOUNT, Lower)

нет в наличии, поставок нет
28 0339676

Уплотнительное кольцо, Крышка (O-RING, Cover)

нет в наличии, поставок нет
29 0333677

Винт, Крышка (SCREW, Cover)

нет в наличии, поставок нет
29 3852208

   (последний код) SCREW

нет в наличии, поставок нет
30 0329241

Шайба, Винт, Корпус to ccase (WASHER, Screw, housing to ccase)

нет в наличии, поставок нет
30 3852193

   (последний код) WASHER

нет в наличии, поставок нет
evinrude

Время выполнения запроса 1.7097370624542 сек.


 
 

данный сайт носит информационный характер и не является публичной офертой

склад запчастей для водомоторной техники