вконтакте

Контактный телефон: +7 (981) 121-46-93, +7 (800) 200-90-76 , Email: parts-katalog@yandex.ru, где купить

 
 

  Логин:

Пароль:

Регистрация

www.partskatalog.ru Все каталоги Запчасти Mercury Запчасти Suzuki Запчасти Tohatsu Запчасти Honda Контакты



УВАЖАЕМЫЕ КЛИЕНТЫ!
C 31 ОКТЯБРЯ 2025 ПО 10 НОЯБРЯ 2025 ГОДА РАБОТАТЬ НЕ БУДЕМ




Все разделы каталога запчастей на этот двигатель

назад Раздел:   вперёд

вернуться к списку узлов и деталей

ДЕТАЛИРОВКА ДЛЯ МОДЕЛИ: EVINRUDE BE4RDHLEDS 1996

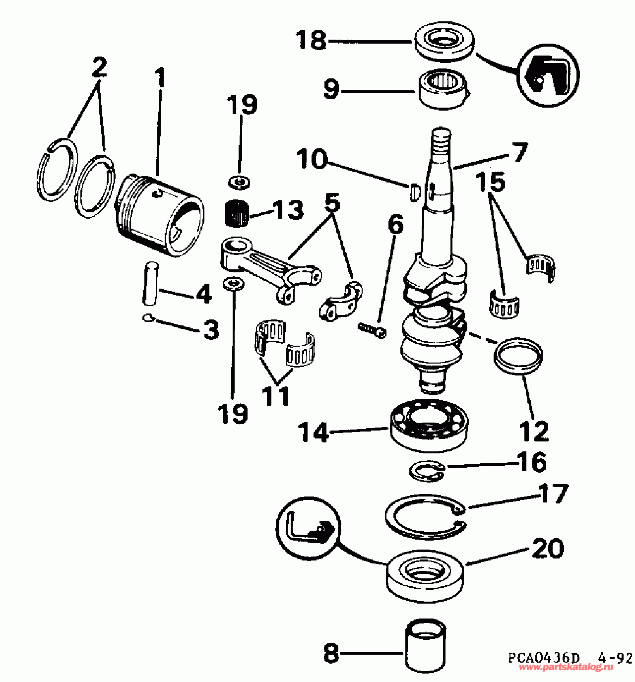
КОЛЕНВАЛ & ПОРШЕНЬ | CRANKSHAFT & PISTON;


 Эвинруд BE4RDHLEDS 1996  - ankshaft & Piston - ankВал & Поршень

Номер на
рисунке
АртикулНаименованиеКол-во
на складе
Цена
1 0438245

Поршень в сборе., Std.. Includes 395596 Кольцо Set (PISTON ASSY., Std.. Includes 395596 Ring Set)

нет в наличии, поставок нет
1 0438249

Поршень в сборе., 030 дюйм O.S.. Includes 397006 Кольцо Set (PISTON ASSY., .030 in. O.S.. Includes 397006 Ring Set)

нет в наличии, поставок нет
2 0395596

Кольцо SET, Std. (RING SET, Std.)

нет в наличии, поставок нет
2 0397006

Кольцо SET, 030 дюйм O.S. (RING SET, .030 in. O.S.)

нет в наличии, поставок нет
3 0120960

Стопорное кольцо (RETAINING RING)

нет в наличии, поставок нет
4 0323034

WRIST Штифт (WRIST PIN)

нет в наличии, поставок нет
5 0433722

Шатун в сборе. (CONNECTING ROD ASSY.)

нет в наличии, поставок нет
6 0304610

Винт, Тяга Колпачок (SCREW, Rod cap)

нет в наличии, поставок нет
7 0434753

Коленвал (CRANKSHAFT)

нет в наличии, поставок нет
8 0336168

Сальник, Коленвал (SEAL, Crankshaft)

нет в наличии, поставок нет
9 0397586

Игольчатый подшипник в сборе. (NEEDLE BEARING ASSY.)

1 шт3380 руб.
9 0383278

   (последний код) NDLE-BRG-AY

нет в наличии, поставок нет
10 0120395

Ключ маховика (KEY, Flywheel)

нет в наличии, поставок нет
11 0431939

LINERS & иголкаS (LINERS & NEEDLES)

нет в наличии, поставок нет
12 0334684

Кольцевой сальник (SEAL RING)

нет в наличии, поставок нет
13 0433721

иголка, Подшипник (NEEDLE, Bearing)

нет в наличии, поставок нет
14 0391849

Шариковый подшипник (BALL BEARING)

нет в наличии, поставок нет
15 0388993

LINERS & иголкаS, Center Подшипник (LINERS & NEEDLES, Center bearing)

нет в наличии, поставок нет
16 0326904

Стопорное кольцо, Коленвал (RETAINING RING, Crankshaft)

нет в наличии, поставок нет
17 0332934

Стопорное кольцо, Подшипник (RETAINING RING, Bearing)

нет в наличии, поставок нет
17 0403807

   (последний код) RING

нет в наличии, поставок нет
18 0321831

Сальник, Коленвал (SEAL, Crankshaft)

нет в наличии, поставок нет
18 0315288

   (последний код) SEAL

нет в наличии, поставок нет
19 0335783

Шайба (WASHER)

нет в наличии, поставок нет
20 0329086

Сальник, Кривошип, нижний (SEAL, Crank, lower)

1 шт2900 руб.
20 0326753

   (последний код) SEAL

нет в наличии, поставок нет
evinrude

Время выполнения запроса 1.4172718524933 сек.


 
 

данный сайт носит информационный характер и не является публичной офертой

склад запчастей для водомоторной техники