вконтакте

Контактный телефон: +7 (981) 121-46-93, +7 (800) 200-90-76 , Email: parts-katalog@yandex.ru, где купить

 
 

  Логин:

Пароль:

Регистрация

www.partskatalog.ru Все каталоги Запчасти Mercury Запчасти Suzuki Запчасти Tohatsu Запчасти Honda Контакты


Все разделы каталога запчастей на этот двигатель

назад Раздел:   вперёд

вернуться к списку узлов и деталей

ДЕТАЛИРОВКА ДЛЯ МОДЕЛИ: EVINRUDE E250TXEOR 1995

POWER РУЛЕВАЯ СИСТЕМА GROВЫШЕ | POWER STEERING GROUP;


 Evinrude E250TXEOR 1995  - wer Steering Group - wer Рулевая система Groвыше

Номер на
рисунке
АртикулНаименованиеКол-во
на складе
Цена
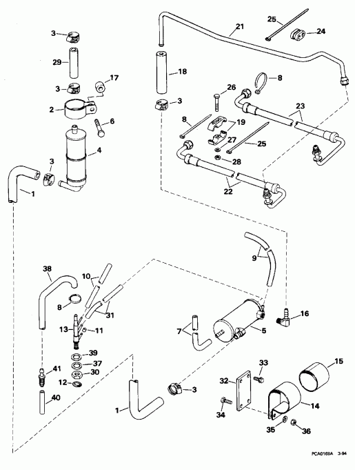
1 0912068

Масляный шланг cooler to Фильтр (HOSE, Oil cooler to filter)

нет в наличии, поставок нет
2 0912095

Струбцина, Масляный фильтр (CLAMP, Oil filter)

нет в наличии, поставок нет
3 0982115

Струбцина, Шланг (CLAMP, Hose)

нет в наличии, поставок нет
4 0984141

Масляный фильтр в сборе. (OIL FILTER ASSY.)

нет в наличии, поставок нет
5 0984142

OIL COOLER в сборе. (OIL COOLER ASSY.)

нет в наличии, поставок нет
6 0318611

Винт, Помпа Крепление, long (SCREW, Pump mount, long)

нет в наличии, поставок нет
7 0

Масляный шланг cooler to block, 39 дюйм. для Сервис, Use 310828 сокращёная длина - 25 фут (76m) Roll, 1 / 4 дюйм I.D. (HOSE, Oil cooler to block, 39 in.. For Service, Use 310828 Cut to Length - 25 ft. (76m) Roll, 1/4 in. I.D.)

нет в наличии, поставок нет
8 0320107

Крепёжный хомут (TIE STRAP)

нет в наличии, поставок нет
8 5035626

   (последний код) BAND,REM CON

нет в наличии, поставок нет
9 0323320

Масляный шланг cooler to adapter (HOSE, Oil cooler to adapter)

нет в наличии, поставок нет
10 0321890

Шланг, Adapter Корпус to tee (HOSE, Adapter housing to tee)

нет в наличии, поставок нет
10 0331215

   (последний код) HOSE

нет в наличии, поставок нет
11 0315391

Заглушка, Aspirator (PLUG, Aspirator)

нет в наличии, поставок нет
12 0915209

Уплотнительное кольцо, Aspirator (O-RING, Aspirator)

нет в наличии, поставок нет
13 0914903

ASPIRATOR (ASPIRATOR)

нет в наличии, поставок нет
14 0912063

Хомут, Oil cooler (STRAP, Oil cooler)

нет в наличии, поставок нет
15 0912064

Гильза, Oil cooler (SLEEVE, Oil cooler)

нет в наличии, поставок нет
16 0912000

ELBOW, Oil cooler (ELBOW, Oil cooler)

нет в наличии, поставок нет
16 0910957

   (последний код) FITTING

нет в наличии, поставок нет
17 0912160

Проставка, Корпус to Цилиндр (SPACER, Housing to cylinder)

нет в наличии, поставок нет
18 0912147

Масляный шланг cooler to return Трубка (HOSE, Oil cooler to return tube)

нет в наличии, поставок нет
19 0912159

Фиксатор, Шлангs to Нижняя крышка двигателя (RETAINER, Hoses to lower engine cover)

нет в наличии, поставок нет
21 0985536

Трубка в сборе., Крышка двигателя (капот) to oil cooler, retur (TUBE ASSY., Engine cover to oil cooler, retur)

нет в наличии, поставок нет
22 0985523

Шланг, Return Трубка to Клапан Корпус (HOSE, Return tube to valve housing)

нет в наличии, поставок нет
23 0985524

Шланг, Pressure Шланг to Клапан hsg. (HOSE, Pressure hose to valve hsg.)

нет в наличии, поставок нет
24 0912226

Пыльник, Return Трубка (GROMMET, Return tube)

нет в наличии, поставок нет
25 0910068

Крепёжный хомут, Return Шланг to pressure Шланг (TIE STRAP, Return hose to pressure hose)

нет в наличии, поставок нет
25 3852486

   (последний код) TIE STRAP

нет в наличии, поставок нет
26 0325115

Винт, Фиксатор, Рулевая система Шлангs (SCREW, Retainer, steering hoses)

нет в наличии, поставок нет
26 0321483

   (последний код) SCREW CCASE CYL

нет в наличии, поставок нет
27 0511421

Шайба, Фиксатор, Рулевая система Шлангs (WASHER, Retainer, steering hoses)

нет в наличии, поставок нет
28 0313022

Гайка, Фиксатор, Рулевая система Шлангs (NUT, Retainer, steering hoses)

нет в наличии, поставок нет
28 3852118

   (последний код) NUT,LOCK

нет в наличии, поставок нет
29 0912066

Шланг, Масляный фильтр to Помпа (HOSE, Oil filter to pump)

нет в наличии, поставок нет
30 0327805

Гайка, Aspirator (NUT, Aspirator)

нет в наличии, поставок нет
30 0327971

   (последний код) NUT

нет в наличии, поставок нет
31 0

Масляный шланг cooler to aspirator, 17 дюйм long. для Сервис, Use 303617 сокращёная длина - 36 дюйм (914 мм) Roll, 1 / 4 дюйм I.D. (HOSE, Oil cooler to aspirator, 17 in. long. For Service, Use 303617 Cut to Length - 36 in. (914mm) Roll, 1/4 in. I.D.)

нет в наличии, поставок нет
32 0912204

Пластина, Oil cooler to block (PLATE, Oil cooler to block)

нет в наличии, поставок нет
33 0328694

Винт, Креплениеing Пластина (SCREW, Mounting plate)

нет в наличии, поставок нет
33 0911122

   (последний код) SCREW

нет в наличии, поставок нет
34 0329894

Винт, Oil cooler Струбцина (SCREW, Oil cooler clamp)

нет в наличии, поставок нет
34 0302510

   (последний код) SCREW

нет в наличии, поставок нет
35 0328266

Шайба, Oil cooler Струбцина (WASHER, Oil cooler clamp)

нет в наличии, поставок нет
36 0313022

LOCKГайка, Oil cooler Хомут (LOCKNUT, Oil cooler strap)

нет в наличии, поставок нет
36 3852118

   (последний код) NUT,LOCK

нет в наличии, поставок нет
37 0317936

Шайба, Outer (WASHER, Outer)

нет в наличии, поставок нет
38 0913438

Шланг, Aspirator to Обратный клапан (HOSE, Aspirator to check valve)

нет в наличии, поставок нет
39 0122220

Резинка капота двигателя, inner (SEAL, Engine cover, inner)

нет в наличии, поставок нет
40 0913439

Водяной шланг Система впуска (HOSE, Water intake)

нет в наличии, поставок нет
41 0986534

Обратный клапан, Aspirator (CHECK VALVE, Aspirator)

нет в наличии, поставок нет
evinrude

Время выполнения запроса 2.6402809619904 сек.


 
 

данный сайт носит информационный характер и не является публичной офертой

склад запчастей для водомоторной техники