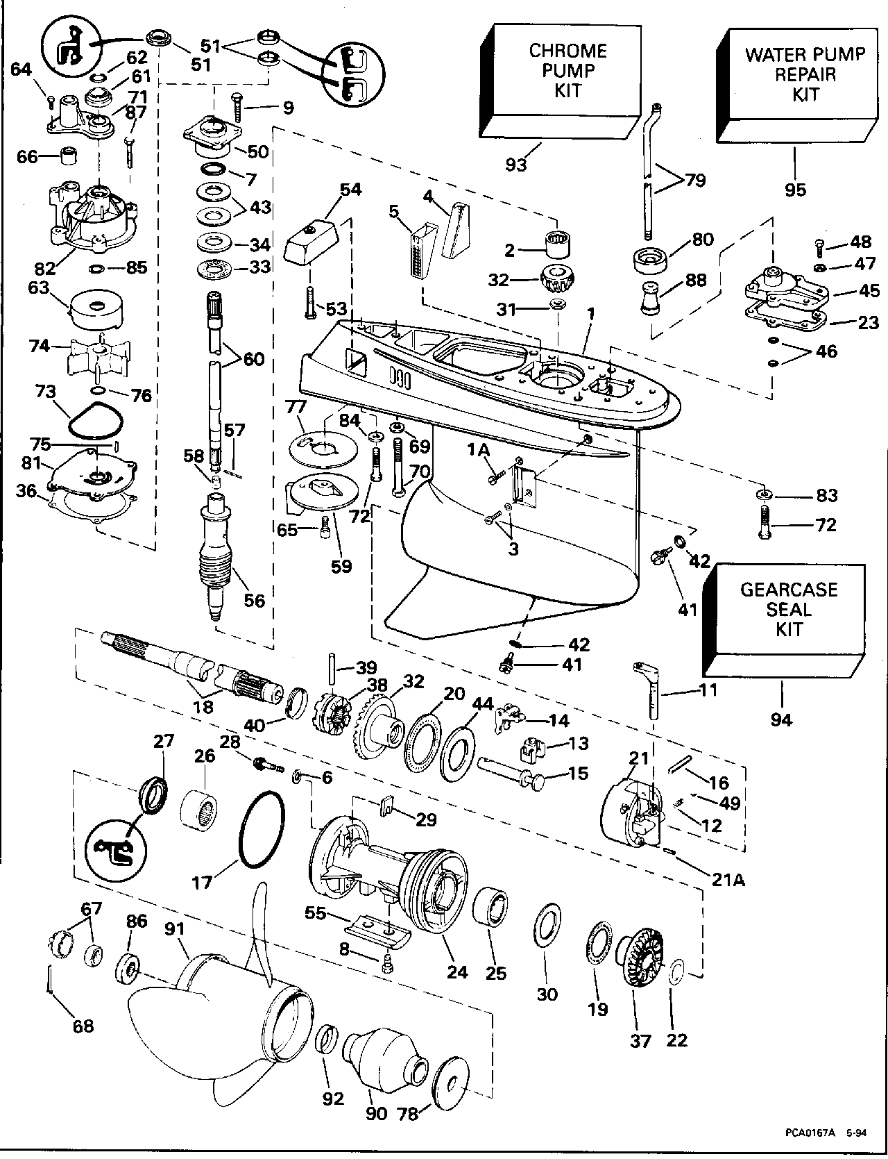
Номер на рисунке | Артикул | Наименование | Кол-во на складе | Цена |
| 0436770 | 0436770 | Редуктор в сборе., комплект. Not Shown (GEARCASE ASSY., Complete. Not Shown) | нет в наличии, поставок нет |
| 0436770 | 5000358 | (последний код) G-CASE AY, STD V8 | нет в наличии, поставок нет |
| 1 | 0435822 | Редуктор в сборе с подшипником. (GEARCASE & BEARING ASSY.) | нет в наличии, поставок нет |
| 1 | 0985243 | (последний код) GEARCASE&BRG AY | нет в наличии, поставок нет |
| 1A | 0123273 | Винт, Система впуска screen (SCREW, Intake screen) | нет в наличии, поставок нет |
| 2 | 0391471 | Подшипник, Шестерня (BEARING, Pinion) | нет в наличии, поставок нет |
| 3 | 0324852 | Установочный винт, Подшипник (SET SCREW, Bearing) | нет в наличии, поставок нет |
| 0332584 | 0332584 | Уплотнительное кольцо. Not Shown Contents of Комплект сальников редуктора (O-RING. Not Shown Contents of Gearcase Seal Kit) | нет в наличии, поставок нет |
| 4 | 0333234 | Водяной экран Система впуска, port. 25 дюйм Models Only (SCREEN, Water intake, port. 25 in. Models Only) | нет в наличии, поставок нет |
| 5 | 0333233 | Водяной экран Система впуска, stbd.. 25 дюйм Models Only (SCREEN, Water intake, stbd.. 25 in. Models Only) | нет в наличии, поставок нет |
| 6 | 0328743 | Шайба, Подшипник Корпус (WASHER, Bearing housing) | нет в наличии, поставок нет |
| 6 | 3852191 | (последний код) WASHER | нет в наличии, поставок нет |
| 7 | 0314728 | Уплотнительное кольцо, DriveВал Подшипник hsg.. Contents of Комплект сальников редуктора (O-RING, Driveshaft bearing hsg.. Contents of Gearcase Seal Kit) | нет в наличии, поставок нет |
| 7 | 0354731 | (последний код) O-RING | 1 шт | 850 руб. |
| 8 | 0908158 | Винт (SCREW) | нет в наличии, поставок нет |
| 8 | 3852050 | (последний код) SCREW | нет в наличии, поставок нет |
| 9 | 0317624 | Винт, Корпус to Редуктор (SCREW, Housing to gearcase) | нет в наличии, поставок нет |
| 11 | 0326807 | DETENT, Переключательer (DETENT, Shifter) | нет в наличии, поставок нет |
| 12 | 0911962 | Фиксатор пружины (SPRING, Detent) | нет в наличии, поставок нет |
| 12 | 0915955 | (последний код) SPRING | нет в наличии, поставок нет |
| 13 | 0334163 | CRADLE, Переключательer (CRADLE, Shifter) | 5 шт | 1880 руб. |
| 13 | 0322900 | (последний код) CRADLE-SHIFT | нет в наличии, поставок нет |
| 14 | 0322938 | ПереключательER (SHIFTER) | нет в наличии, поставок нет |
| 15 | 0326823 | Вал (SHAFT) | нет в наличии, поставок нет |
| 15 | 0334285 | (последний код) SHAFT | нет в наличии, поставок нет |
| 16 | 0317274 | Штифт, Рычаг переключения (PIN, Shift lever) | нет в наличии, поставок нет |
| 17 | 0326849 | Уплотнительное кольцо, Вал гребного винта. Contents of Комплект сальников редуктора (O-RING, Propeller shaft. Contents of Gearcase Seal Kit) | нет в наличии, поставок нет |
| 18 | 0436740 | Вал гребного винта в сборе. (PROPELLER SHAFT ASSY.) | нет в наличии, поставок нет |
| 18 | 5004765 | (последний код) PROPSHAFT AY,SERV | нет в наличии, поставок нет |
| 19 | 0382408 | THRUST BRG. в сборе., Reverse Шестерня (THRUST BRG. ASSY., Reverse gear) | нет в наличии, поставок нет |
| 20 | 0391473 | THRUST BRG. в сборе., Fwd. Шестерня (THRUST BRG. ASSY., Fwd. gear) | нет в наличии, поставок нет |
| 21 | 0431735 | Корпус & Подшипник в сборе. (HOUSING & BEARING ASSY.) | нет в наличии, поставок нет |
| 21 | 0391497 | (последний код) HSG-&-BEARIN | нет в наличии, поставок нет |
| 21A | 0331880 | Штифт, Подшипник Корпус (PIN, Bearing housing) | нет в наличии, поставок нет |
| 22 | 0336565 | THRUST Шайба шестерни заднего хода (THRUST WASHER, Reverse gear) | нет в наличии, поставок нет |
| 23 | 0324670 | Прокладка, Переключающая тяга Крышка. Contents of Комплект сальников редуктора (GASKET, Shift rod cover. Contents of Gearcase Seal Kit) | нет в наличии, поставок нет |
| 23 | 0352165 | (последний код) GASKET | 2 шт | 550 руб. |
| 24 | 0436756 | Подшипник Корпус Сальник в сборе. (BEARING HOUSING SEAL ASSY.) | нет в наличии, поставок нет |
| 24 | 5000361 | (последний код) HSG AY,PROPSHAFT | нет в наличии, поставок нет |
| 25 | 0382407 | Игольчатый подшипник в сборе. (NEEDLE BEARING ASSY.) | 1 шт | 5500 руб. |
| 26 | 0436752 | Игольчатый подшипник в сборе. (NEEDLE BEARING ASSY.) | нет в наличии, поставок нет |
| 27 | 0341281 | Сальник. Contents of Комплект сальников редуктора (SEAL. Contents of Gearcase Seal Kit) | нет в наличии, поставок нет |
| 28 | 0341541 | Винт, Подшипник Корпус (SCREW, Bearing housing) | нет в наличии, поставок нет |
| 29 | 0333957 | Фиксатор, Подшипник Корпус (RETAINER, Bearing housing) | нет в наличии, поставок нет |
| 30 | 0314731 | THRUST Шайба шестерни заднего хода (THRUST WASHER, Reverse gear) | нет в наличии, поставок нет |
| 31 | 0314730 | Гайка, Шестерня to driveВал (NUT, Pinion to driveshaft) | нет в наличии, поставок нет |
| 32 | 0435120 | Шестерня & Комплект шестерёнок. (GEAR & PINION ASSY.) | нет в наличии, поставок нет |
| 32 | 0434065 | (последний код) GEARSET,MATCHED | нет в наличии, поставок нет |
| 33 | 0387656 | THRUST Подшипник, Шестерня (THRUST BEARING, Pinion) | нет в наличии, поставок нет |
| 33 | 0383248 | (последний код) BEARING | нет в наличии, поставок нет |
| 34 | 0327656 | Упорная шайба шестерни Шестерня (THRUST WASHER, Pinion) | нет в наличии, поставок нет |
| 34 | 0314729 | (последний код) THRUST-WASHE | нет в наличии, поставок нет |
| 36 | 0338484 | Прокладка крыльчатки hsg. Пластина. Contents of Комплект сальников редуктора Contents of Ремкомплект водяного насоса (GASKET, Impeller hsg. plate. Contents of Gearcase Seal Kit Contents of Water Pump Repair Kit) | нет в наличии, поставок нет |
| 36 | 0324701 | (последний код) GASKET,-DRL5 | нет в наличии, поставок нет |
| 37 | 0336569 | Шестерня обратного хода (GEAR, Reverse) | нет в наличии, поставок нет |
| 38 | 0337774 | Переключатель собачки сцепления (SHIFTER, Clutch dog) | нет в наличии, поставок нет |
| 38 | 0910995 | (последний код) SHIFTER | нет в наличии, поставок нет |
| 39 | 0313448 | Штифт сцепления dog (PIN, Clutch dog) | нет в наличии, поставок нет |
| 40 | 0324369 | Пружина, Сцепление dog Штифт (SPRING, Clutch dog pin) | нет в наличии, поставок нет |
| 40 | 0313454 | (последний код) SPRING | нет в наличии, поставок нет |
| 41 | 0318544 | Заглушка, Fill & drain (PLUG, Fill & drain) | нет в наличии, поставок нет |
| 41 | 0912624 | (последний код) SCREW | нет в наличии, поставок нет |
| 42 | 0311598 | Шайба (WASHER) | нет в наличии, поставок нет |
| 42 | 3852105 | (последний код) WASHER | нет в наличии, поставок нет |
| 43 | 0323362 | Регулировочная шайба, 0.003 дюйм (SHIM, 0.003 in.) | нет в наличии, поставок нет |
| 43 | 0323361 | Регулировочная шайба, 0.004 дюйм (SHIM, 0.004 in.) | нет в наличии, поставок нет |
| 43 | 0314745 | Регулировочная шайба, 0.005 дюйм (SHIM, 0.005 in.) | нет в наличии, поставок нет |
| 44 | 0326733 | Упорная шайба, дляward Шестерня (THRUST WASHER, Forward gear) | нет в наличии, поставок нет |
| 45 | 0435482 | Крышка & Сальник в сборе. (COVER & SEAL ASSY.) | нет в наличии, поставок нет |
| 45 | 5006241 | (последний код) COVER AY,SHIFT ROD | нет в наличии, поставок нет |
| 46 | 0318372 | Уплотнительное кольцо переключающей тяги, входит в комплект сальников редуктора (O-RING, Shift rod. Contents of Gearcase Seal Kit) | нет в наличии, поставок нет |
| 47 | 0328702 | Шайба, Винт, Крышка (WASHER, Screw, cover) | нет в наличии, поставок нет |
| 47 | 3852183 | (последний код) WASHER | нет в наличии, поставок нет |
| 48 | 0302325 | Винт, Крышка (SCREW, Cover) | нет в наличии, поставок нет |
| 49 | 0160084 | Шарик, Detent (BALL, Detent) | нет в наличии, поставок нет |
| 49 | 3852023 | (последний код) BALL | нет в наличии, поставок нет |
| 50 | 0435675 | Подшипник Корпус & СальникS. Early PТягаuction Double Сальник (BEARING HOUSING & SEALS. Early Production Double Seal) | нет в наличии, поставок нет |
| 50 | 0439476 | (последний код) DS BRG HSG&SEAL AY | нет в наличии, поставок нет |
| 50 | 0437215 | Подшипник Корпус & СальникS. Late PТягаuction Single Сальник (BEARING HOUSING & SEALS. Late Production Single Seal) | нет в наличии, поставок нет |
| 50 | 0439476 | (последний код) DS BRG HSG&SEAL AY | нет в наличии, поставок нет |
| 51 | 0329923 | Сальник, нижний Contents of Комплект сальников редуктора Early PТягаuction Double Сальник (SEAL, Lower. Contents of Gearcase Seal Kit Early Production Double Seal) | нет в наличии, поставок нет |
| 51 | 0329922 | Сальник, верхний Contents of Комплект сальников редуктора Early PТягаuction Double Сальник (SEAL, Upper. Contents of Gearcase Seal Kit Early Production Double Seal) | нет в наличии, поставок нет |
| 51 | 0341280 | Сальник, верхний Contents of Комплект сальников редуктора Late PТягаuction Single Сальник (SEAL, Upper. Contents of Gearcase Seal Kit Late Production Single Seal) | нет в наличии, поставок нет |
| 53 | 0332746 | Винт, Анод (SCREW, Anode) | нет в наличии, поставок нет |
| 54 | 0397768 | Анод (ANODE) | нет в наличии, поставок нет |
| 55 | 0431708 | Анод, Подшипник Корпус (ANODE, Bearing housing) | нет в наличии, поставок нет |
| 55 | 0397111 | (последний код) ANODE-AY | нет в наличии, поставок нет |
| 56 | 0335679 | DRIVEВал, нижний (DRIVESHAFT, Lower) | нет в наличии, поставок нет |
| 56 | 0346005 | (последний код) DRIVESHAFT,LOWER | нет в наличии, поставок нет |
| 57 | 0311538 | ROLL Штифт (ROLL PIN) | нет в наличии, поставок нет |
| 58 | 0338504 | Фиксатор приводного вала (RETAINER, Driveshaft) | нет в наличии, поставок нет |
| 59 | 0338943 | Пластина трима, Редуктор (TRIM TAB, Gearcase) | нет в наличии, поставок нет |
| 59 | 0331410 | (последний код) TRIM-TAB | нет в наличии, поставок нет |
| 60 | 0435770 | Приводной вал. (Incl. #57 & #58) 20 дюйм Models Only (DRIVESHAFT ASSY. (Incl. #57 & #58). 20 in. Models Only) | нет в наличии, поставок нет |
| 60 | 5000617 | (последний код) KIT, UP DSHAFT | нет в наличии, поставок нет |
| 60 | 0435771 | Приводной вал. (Incl. #57 & #58) 25 дюйм Models Only (DRIVESHAFT ASSY. (Incl. #57 & #58). 25 in. Models Only) | нет в наличии, поставок нет |
| 60 | 5000625 | (последний код) D-SHAFT 25" V/8 | нет в наличии, поставок нет |
| 60 | 0435772 | Приводной вал. (Incl. #57 & #58) 30 дюйм Models Only (DRIVESHAFT ASSY. (Incl. #57 & #58). 30 in. Models Only) | нет в наличии, поставок нет |
| 60 | 5000629 | (последний код) DRIVESHAFT A | нет в наличии, поставок нет |
| 61 | 0320943 | Пыльник, Крыльчатка Корпус. Contents of Ремкомплект водяного насоса (GROMMET, Impeller housing. Contents of Water Pump Repair Kit) | 1 шт | 300 руб. |
| 62 | 0310585 | Уплотнительное кольцо, DriveВал to Картер двигателя (O-RING, Driveshaft to crankcase) | нет в наличии, поставок нет |
| 63 | 0338486 | Cвыше, Крыльчатка. Stainless Steel Contents of Ремкомплект водяного насоса (CUP, Impeller. Stainless Steel Contents of Water Pump Repair Kit) | нет в наличии, поставок нет |
| 63 | 0338551 | Cвыше, Крыльчатка. хромированная пластина (CUP, Impeller. Chrome Plated) | нет в наличии, поставок нет |
| 64 | 0306643 | Винт, Крышка to Крыльчатка. Contents of Ремкомплект водяного насоса (SCREW, Cover to impeller. Contents of Water Pump Repair Kit) | нет в наличии, поставок нет |
| 64 | 3852066 | (последний код) SCREW | нет в наличии, поставок нет |
| 65 | 0313715 | Винт, Пластина трима (SCREW, Trim tab) | нет в наличии, поставок нет |
| 66 | 0314008 | Пыльник водяной трубки. Contents of Ремкомплект водяного насоса (GROMMET, Water tube. Contents of Water Pump Repair Kit) | нет в наличии, поставок нет |
| 67 | 0398042 | Гайка & KEEPER, Гребной винт (NUT & KEEPER, Propeller) | нет в наличии, поставок нет |
| 67 | 3850984 | (последний код) NUT&KEEPER AY,PROP | нет в наличии, поставок нет |
| 68 | 0306394 | Шплинт, Гайка гребного винта (COTTER PIN, Propeller nut) | нет в наличии, поставок нет |
| 68 | 3852056 | (последний код) PIN,COTTER | нет в наличии, поставок нет |
| 69 | 0326784 | Шайба, Винт, long (WASHER, Screw, long) | нет в наличии, поставок нет |
| 70 | 0331998 | Винт, Редуктор to Корпус, long (SCREW, Gearcase to housing, long) | нет в наличии, поставок нет |
| 70 | 0914535 | (последний код) SCREW | нет в наличии, поставок нет |
| 71 | 0338893 | Колпак крыльчатки Корпус. Contents of Ремкомплект водяного насоса (COVER, Impeller housing. Contents of Water Pump Repair Kit) | нет в наличии, поставок нет |
| 71 | 0321159 | (последний код) COVER-IMP-HS | нет в наличии, поставок нет |
| 72 | 0331999 | Винт, Редуктор to Корпус, short (SCREW, Gearcase to housing, short) | нет в наличии, поставок нет |
| 72 | 0910457 | (последний код) SCREW | нет в наличии, поставок нет |
| 73 | 0331353 | Сальник, Крыльчатка Корпус Пластина. Contents of Ремкомплект водяного насоса (SEAL, Impeller housing plate. Contents of Water Pump Repair Kit) | 1 шт | 790 руб. |
| 74 | 0435821 | Крыльчатка & Ключ в сборе.. Contents of Ремкомплект водяного насоса (IMPELLER & KEY ASSY.. Contents of Water Pump Repair Kit) | нет в наличии, поставок нет |
| 74 | 5001593 | (последний код) KIT AY,IMPELLER | нет в наличии, поставок нет |
| 75 | 0331107 | CAM. Contents of Ремкомплект водяного насоса (CAM. Contents of Water Pump Repair Kit) | нет в наличии, поставок нет |
| 76 | 0302035 | Уплотнительное кольцо, Крыльчатка. Contents of Ремкомплект водяного насоса (O-RING, Impeller. Contents of Water Pump Repair Kit) | нет в наличии, поставок нет |
| 77 | 0331409 | Сальник, Пластина трима (SEAL, Trim tab) | нет в наличии, поставок нет |
| 78 | 0126870 | Упорная втулка, 3 Blade (THRUST BUSHING, 3 Blade) | нет в наличии, поставок нет |
| 78 | 3852020 | (последний код) BUSHING,THRUST | нет в наличии, поставок нет |
| 78 | 0126318 | Упорная втулка, 4 Blade (THRUST BUSHING, 4 Blade) | нет в наличии, поставок нет |
| 78 | 0128777 | (последний код) BUSHING,THRUST | нет в наличии, поставок нет |
| 79 | 0330028 | Переключающая тяга. 20 дюйм Models Only (SHIFT ROD. 20 in. Models Only) | нет в наличии, поставок нет |
| 79 | 0330029 | Переключающая тяга. 25 дюйм Models Only (SHIFT ROD. 25 in. Models Only) | нет в наличии, поставок нет |
| 79 | 0337553 | Переключающая тяга. 30 дюйм Models Only (SHIFT ROD. 30 in. Models Only) | нет в наличии, поставок нет |
| 80 | 0321008 | Пыльник, Exh. hsg. to Переключающая тяга. Contents of Ремкомплект водяного насоса (GROMMET, Exh. hsg. to shift rod. Contents of Water Pump Repair Kit) | нет в наличии, поставок нет |
| 81 | 0338485 | Пластина корпуса крыльчатки. Stainless Steel Contents of Ремкомплект водяного насоса (PLATE, Impeller housing. Stainless Steel Contents of Water Pump Repair Kit) | нет в наличии, поставок нет |
| 81 | 0338552 | Пластина корпуса крыльчатки. хромированная пластина (PLATE, Impeller housing. Chrome Plated) | нет в наличии, поставок нет |
| 82 | 0435990 | Крыльчатка Корпус. 20 дюйм Models Only Contents of Ремкомплект водяного насоса (IMPELLER HOUSING. 20 in. Models Only Contents of Water Pump Repair Kit) | нет в наличии, поставок нет |
| 82 | 0435959 | Крыльчатка Корпус. 25 дюйм Models Only 30 дюйм Models Only Contents of Ремкомплект водяного насоса (IMPELLER HOUSING. 25 in. Models Only 30 in. Models Only Contents of Water Pump Repair Kit) | нет в наличии, поставок нет |
| 83 | 0330266 | Шайба, Винт (WASHER, Screw) | нет в наличии, поставок нет |
| 83 | 3852200 | (последний код) WASHER | нет в наличии, поставок нет |
| 84 | 0326785 | Шайба, Винт, short (WASHER, Screw, short) | нет в наличии, поставок нет |
| 85 | 0331188 | Уплотнительное кольцо. Contents of Ремкомплект водяного насоса (O-RING. Contents of Water Pump Repair Kit) | 5 шт | 370 руб. |
| 86 | 0320570 | Проставка гайки гребного винта (SPACER, Propeller nut) | нет в наличии, поставок нет |
| 86 | 3852163 | (последний код) SPACER,PROP | нет в наличии, поставок нет |
| 87 | 0302325 | Винт, Крыльчатка Корпус, 1 дюйм. Contents of Ремкомплект водяного насоса (SCREW, Impeller housing, 1 in.. Contents of Water Pump Repair Kit) | нет в наличии, поставок нет |
| 88 | 0321122 | Проставка, Переключающая тяга Гребной винт. 25 дюйм Models Only 30 дюйм Models Only (SPACER, Shift rod PROPELLER. 25 in. Models Only 30 in. Models Only) | нет в наличии, поставок нет |
| 90 | 0175401 | Втулка в сборе., Prop., SST 3 blade (BUSHING ASSY., Prop., SST 3 blade) | нет в наличии, поставок нет |
| 90 | 0387157 | Втулка в сборе., Prop., alum. 3 blade (BUSHING ASSY., Prop., alum. 3 blade) | нет в наличии, поставок нет |
| 90 | 0431730 | Втулка в сборе., 4 Blade (BUSHING ASSY., 4 Blade) | нет в наличии, поставок нет |
| 91 | 0332394 | CONVERGING Кольцо, Std. Гребной винт (CONVERGING RING, Std. propeller) | нет в наличии, поставок нет |
| 91 | 3854241 | (последний код) RING, CONVERGING | нет в наличии, поставок нет |
| 92 | 0313926 | Гильза, Гребной винт Втулка (SLEEVE, Propeller bushing) | нет в наличии, поставок нет |
| 92 | 3850831 | (последний код) SLEEVE-PROP | нет в наличии, поставок нет |
| 93 | 0435526 | Хромированный ремкомплект водяного насоса (Inc. imp. hsg.) (CHROME PUMP KIT (Inc. imp. hsg.)) | нет в наличии, поставок нет |
| 93 | 0395059 | (последний код) CHROME PUMP KIT | нет в наличии, поставок нет |
| 94 | 0434516 | Комплект сальников редуктора. Early PТягаuction Double Сальник (GEARCASE SEAL KIT. Early Production Double Seal) | нет в наличии, поставок нет |
| 94 | 5006373 | (последний код) KIT AY,SEAL-GC | нет в наличии, поставок нет |
| 94 | 0437753 | Комплект сальников редуктора. Late PТягаuction Single Сальник (GEARCASE SEAL KIT. Late Production Single Seal) | нет в наличии, поставок нет |
| 94 | 5006373 | (последний код) KIT AY,SEAL-GC | нет в наличии, поставок нет |
| 95 | 0434421 | Ремкомплект водяного насоса. 20 дюйм Models Only (WATER PUMP REPAIR KIT. 20 in. Models Only) | нет в наличии, поставок нет |
| 95 | 5001594 | (последний код) KIT AY,WATER PUMP | нет в наличии, поставок нет |
| 95 | T-5001594 | (не оригинальный аналог) Ремкомплект насоса охлаждения Evinrude-Johnson 5001594 | 2 шт шт | по запросу |
| 95 | 0435929 | Ремкомплект водяного насоса. 25 дюйм Models Only 30 дюйм Models Only (WATER PUMP REPAIR KIT. 25 in. Models Only 30 in. Models Only) | нет в наличии, поставок нет |
| 95 | 5001595 | (последний код) KIT AY,WATER PUMP | нет в наличии, поставок нет |