| |
Все разделы каталога запчастей на этот двигатель
вернуться к списку узлов и деталей ДЕТАЛИРОВКА ДЛЯ МОДЕЛИ: EVINRUDE E200CXEOC 1995
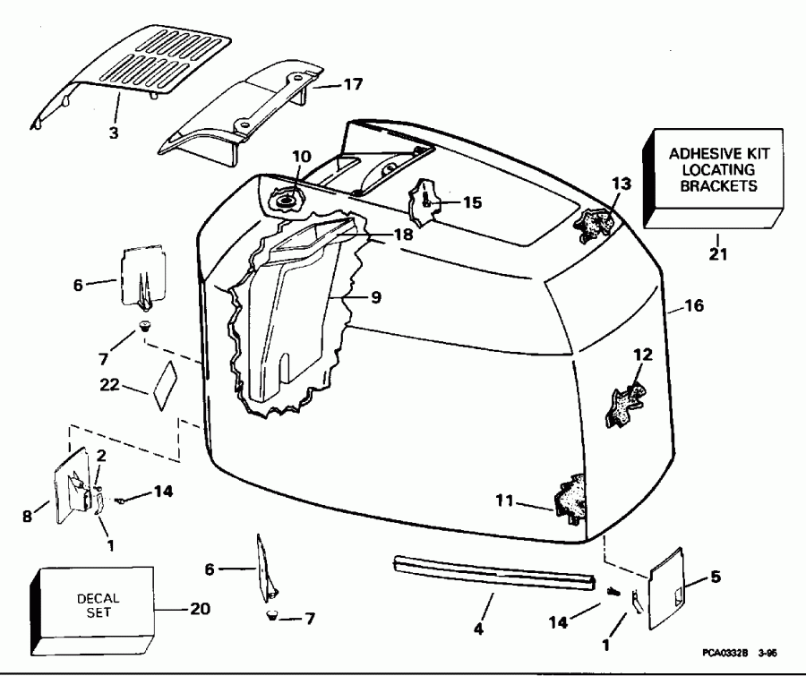
КРЫШКА ДВИГАТЕЛЯ (КАПОТ) - JOHNSON - 200TX, 200SL, 200CX, 225 | ENGINE COVER - JOHNSON - 200TX, 200SL, 200CX, 225 &;
Номер на рисунке | Артикул | Наименование | Кол-во на складе | Цена |
| 0435966 | 0435966 | Крышка двигателя (капот) в сборе., 200. Not shown белый - Ocean Runner Styling (ENGINE COVER ASSY., 200. Not shown White - Ocean Runner Styling) | нет в наличии, поставок нет |
| 0435966 | 0435039 | (последний код) COVER AY,MOTOR-UPR | нет в наличии, поставок нет |
| 0435967 | 0435967 | Крышка двигателя (капот) в сборе., 225. Not shown белый - Ocean Runner Styling (ENGINE COVER ASSY., 225. Not shown White - Ocean Runner Styling) | нет в наличии, поставок нет |
| 0435967 | 0435042 | (последний код) COVER AY,MOTOR-UPR | нет в наличии, поставок нет |
| 0568527 | 0568527 | Крышка двигателя (капот) в сборе., 200SL. Not shown Smoke - Limited Edition Styling (ENGINE COVER ASSY., 200SL. Not shown Smoke - Limited Edition Styling) | нет в наличии, поставок нет |
| 1 | 0435716 | Крючок (HOOK) | нет в наличии, поставок нет |
| 2 | 0323228 | Винт, Система впуска to Кронштейн (SCREW, Intake to bracket) | нет в наличии, поставок нет |
| 3 | 0337791 | Крышка, Air Система впуска (COVER, Air intake) | нет в наличии, поставок нет |
| 4 | 0337790 | Резинка капота двигателя (SEAL, Engine cover) | нет в наличии, поставок нет |
| 5 | 0437394 | Кронштейн, Front (BRACKET, Front) | нет в наличии, поставок нет |
| 5 | 0337788 | (последний код) BRACKET,LATCH | нет в наличии, поставок нет |
| 6 | 0337789 | LOCATING Кронштейн, Rear (LOCATING BRACKET, Rear) | нет в наличии, поставок нет |
| 7 | 0324898 | Бампер, Locating Кронштейнs (BUMPER, Locating brackets) | нет в наличии, поставок нет |
| 8 | 0437393 | Кронштейн, Rear (BRACKET, Rear) | нет в наличии, поставок нет |
| 8 | 0337529 | (последний код) BRACKET,LATC | нет в наличии, поставок нет |
| 9 | 0337793 | BAFFLE, Air Система впуска (BAFFLE, Air intake) | нет в наличии, поставок нет |
| 10 | 0317223 | Защелка (FASTENER) | нет в наличии, поставок нет |
| 11 | 0341392 | SOUND BLANKET, Stbd. (SOUND BLANKET, Stbd.) | нет в наличии, поставок нет |
| 12 | 0341493 | SOUND BLANKET, Front (SOUND BLANKET, Front) | нет в наличии, поставок нет |
| 12 | 0337795 | (последний код) SOUND-BLANKE | нет в наличии, поставок нет |
| 13 | 0341494 | SOUND BLANKET, Top (SOUND BLANKET, Top) | нет в наличии, поставок нет |
| 14 | 0328744 | Винт, Крючок (SCREW, Hook) | нет в наличии, поставок нет |
| 14 | 0308741 | (последний код) SCREW | нет в наличии, поставок нет |
| 15 | 0332191 | Винт (SCREW) | нет в наличии, поставок нет |
| 16 | 0341491 | SOUND BLANKET, Port (SOUND BLANKET, Port) | нет в наличии, поставок нет |
| 16 | 0345773 | (последний код) BLANKET,SOUND | нет в наличии, поставок нет |
| 17 | 0337528 | BAFFLE (BAFFLE) | нет в наличии, поставок нет |
| 18 | 0338482 | Сальник, Baffle (SEAL, Baffle) | нет в наличии, поставок нет |
| 20 | 0436348 | Комплект наклеек, 200. белый - Ocean Runner Styling (DECAL SET, 200. White - Ocean Runner Styling) | нет в наличии, поставок нет |
| 20 | 0436349 | Комплект наклеек, 225. белый - Ocean Runner Styling (DECAL SET, 225. White - Ocean Runner Styling) | нет в наличии, поставок нет |
| 20 | 0437916 | Комплект наклеек, 200SL. Smoke - Limited Edition Styling (DECAL SET, 200SL. Smoke - Limited Edition Styling) | нет в наличии, поставок нет |
| 21 | 0431929 | ADHESIVE KIT, Locating Кронштейнs (ADHESIVE KIT, Locating brackets) | нет в наличии, поставок нет |
| 22 | 0211076 | Наклейка, обратное вращение (DECAL, Counter rotation) | нет в наличии, поставок нет |

Время выполнения запроса 1.4608960151672 сек.
|
|