вконтакте

Контактный телефон: +7 (981) 121-46-93, +7 (800) 200-90-76 , Email: parts-katalog@yandex.ru, где купить

 
 

  Логин:

Пароль:

Регистрация

www.partskatalog.ru Все каталоги Запчасти Mercury Запчасти Suzuki Запчасти Tohatsu Запчасти Honda Контакты


Все разделы каталога запчастей на этот двигатель

назад Раздел:   вперёд

вернуться к списку узлов и деталей

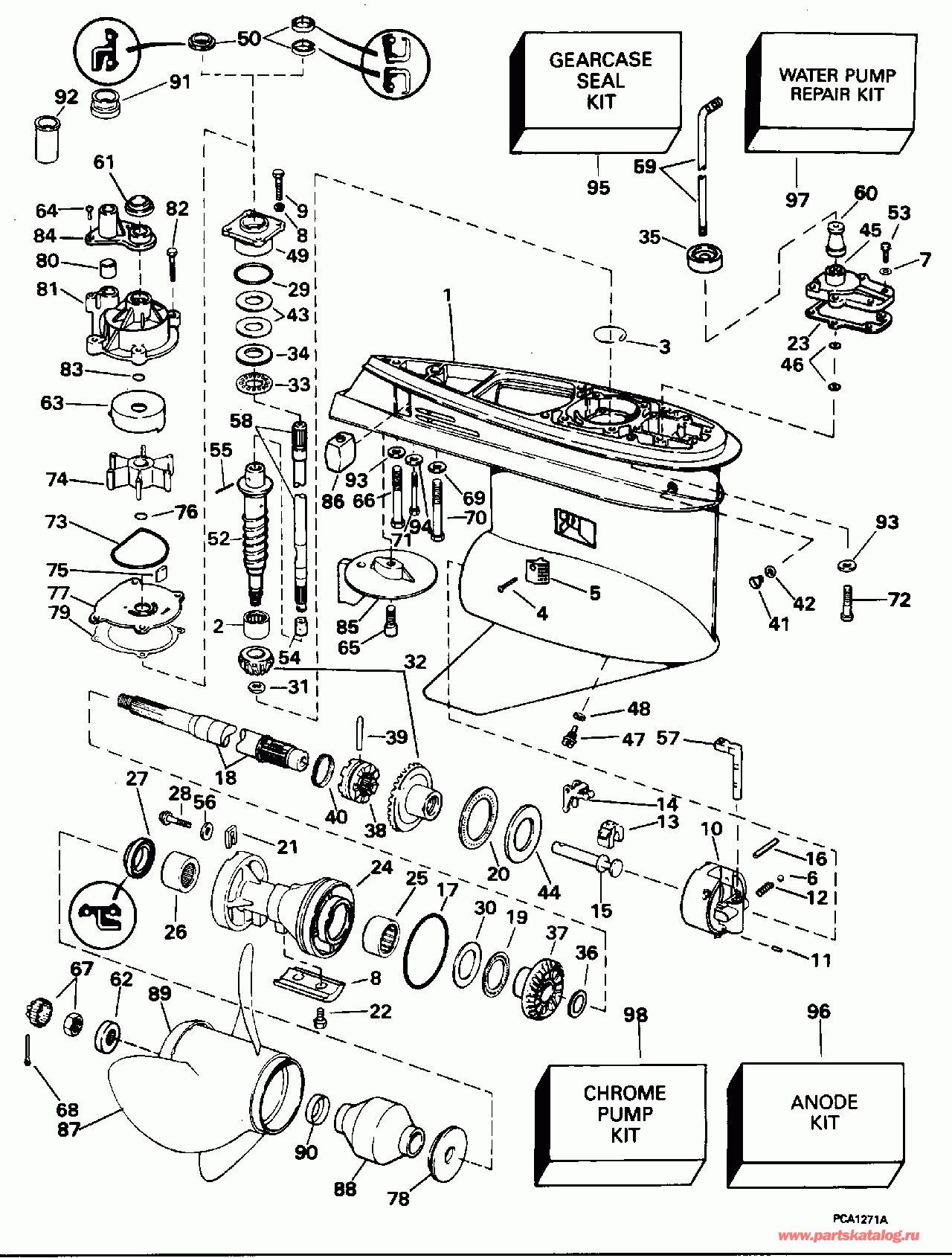
ДЕТАЛИРОВКА ДЛЯ МОДЕЛИ: EVINRUDE E90EXEOC 1995

РЕДУКТОР - 25 ДЮЙМ MODELS | GEARCASE - 25 IN. MODELS;


Подвесной мотор Эвинруд E90EXEOC 1995  - 25 дюйм Models

Номер на
рисунке
АртикулНаименованиеКол-во
на складе
Цена
0435470 0435470

Редуктор в сборе., комплект. Not Shown (GEARCASE ASSY., Complete. Not Shown)

нет в наличии, поставок нет
0435470 5005744

   (последний код) G-CASE .44 OS WHT

нет в наличии, поставок нет
1 0435740

Редуктор в сборе с подшипником. (GEARCASE & BEARING ASSY.)

нет в наличии, поставок нет
1 5007022

   (последний код) GCASE & BRG AY,"O"

нет в наличии, поставок нет
2 0387817

Подшипник, Шестерня (BEARING, Pinion)

нет в наличии, поставок нет
3 0338778

Стопорное кольцо (RETAINING RING)

нет в наличии, поставок нет
4 0337061

Винт, Water Система впуска (SCREW, Water intake)

нет в наличии, поставок нет
5 0337778

Водяной экран Система впуска (SCREEN, Water intake)

нет в наличии, поставок нет
6 0160084

Шарик, Detent (BALL, Detent)

нет в наличии, поставок нет
6 3852023

   (последний код) BALL

нет в наличии, поставок нет
7 0328702

Шайба (WASHER)

нет в наличии, поставок нет
7 3852183

   (последний код) WASHER

нет в наличии, поставок нет
8 0431708

Анод (ANODE)

нет в наличии, поставок нет
8 0397111

   (последний код) ANODE-AY

нет в наличии, поставок нет
9 0317624

Винт, Корпус to Редуктор (SCREW, Housing to gearcase)

нет в наличии, поставок нет
10 0389455

Корпус & Подшипник в сборе. (HOUSING & BEARING ASSY.)

нет в наличии, поставок нет
11 0331880

Штифт, Корпус (PIN, Housing)

нет в наличии, поставок нет
12 0911962

Фиксатор пружины (SPRING, Detent)

нет в наличии, поставок нет
12 0915955

   (последний код) SPRING

нет в наличии, поставок нет
13 0334163

CRADLE, Переключательer (CRADLE, Shifter)

5 шт1880 руб.
13 0322900

   (последний код) CRADLE-SHIFT

нет в наличии, поставок нет
14 0322938

Рычаг переключателя (LEVER, Shift)

нет в наличии, поставок нет
15 0322941

Вал (SHAFT)

нет в наличии, поставок нет
16 0328825

Штифт, Рычаг переключения (PIN, Shift lever)

нет в наличии, поставок нет
17 0305123

Уплотнительное кольцо, Вал гребного винта. Contents of Комплект сальников редуктора (O-RING, Propeller shaft. Contents of Gearcase Seal Kit)

нет в наличии, поставок нет
17 0321119

   (последний код) O-RING,-DLR

нет в наличии, поставок нет
18 0435022

Вал гребного винта в сборе. (PROPELLER SHAFT ASSY.)

нет в наличии, поставок нет
18 5004765

   (последний код) PROPSHAFT AY,SERV

нет в наличии, поставок нет
19 0382408

THRUST BRG. в сборе., Reverse Шестерня (THRUST BRG. ASSY., Reverse gear)

нет в наличии, поставок нет
20 0389042

THRUST BRG. в сборе., Fwd. Шестерня (THRUST BRG. ASSY., Fwd. gear)

нет в наличии, поставок нет
21 0333957

TAB, Фиксатор (TAB, Retainer)

нет в наличии, поставок нет
22 0908158

Винт, Анод (SCREW, Anode)

нет в наличии, поставок нет
22 3852050

   (последний код) SCREW

нет в наличии, поставок нет
23 0324670

Прокладка, Переключающая тяга Крышка. Contents of Комплект сальников редуктора (GASKET, Shift rod cover. Contents of Gearcase Seal Kit)

нет в наличии, поставок нет
23 0352165

   (последний код) GASKET

2 шт550 руб.
24 0435096

Подшипник Корпус Сальник в сборе. (BEARING HOUSING SEAL ASSY.)

нет в наличии, поставок нет
24 5004257

   (последний код) HSG AY, PROPSHAFT

нет в наличии, поставок нет
25 0382407

Игольчатый подшипник в сборе. (NEEDLE BEARING ASSY.)

1 шт5500 руб.
26 0434467

Игольчатый подшипник в сборе. (NEEDLE BEARING ASSY.)

нет в наличии, поставок нет
27 0341281

Сальник. Contents of Комплект сальников редуктора (SEAL. Contents of Gearcase Seal Kit)

нет в наличии, поставок нет
28 0341541

Винт & Сальник в сборе. (SCREW & SEAL ASSY.)

нет в наличии, поставок нет
29 0314728

Уплотнительное кольцо, DriveВал Подшипник. Contents of Комплект сальников редуктора (O-RING, Driveshaft bearing. Contents of Gearcase Seal Kit)

нет в наличии, поставок нет
29 0354731

   (последний код) O-RING

1 шт850 руб.
30 0314731

THRUST Шайба шестерни заднего хода (THRUST WASHER, Reverse gear)

нет в наличии, поставок нет
31 0314730

Гайка, Шестерня to driveВал (NUT, Pinion to driveshaft)

нет в наличии, поставок нет
32 0435123

Шестерня & Комплект шестерёнок. (GEAR & PINION ASSY.)

нет в наличии, поставок нет
32 0433841

   (последний код) GEARSET

нет в наличии, поставок нет
33 0387656

THRUST Подшипник, Шестерня (THRUST BEARING, Pinion)

нет в наличии, поставок нет
33 0383248

   (последний код) BEARING

нет в наличии, поставок нет
34 0327656

Упорная шайба шестерни Шестерня (THRUST WASHER, Pinion)

нет в наличии, поставок нет
34 0314729

   (последний код) THRUST-WASHE

нет в наличии, поставок нет
35 0321008

Пыльник, Exh. hsg. to Переключающая тяга (GROMMET, Exh. hsg. to shift rod)

нет в наличии, поставок нет
36 0336565

Упорная шайба (THRUST WASHER)

нет в наличии, поставок нет
37 0336574

Шестерня обратного хода (GEAR, Reverse)

нет в наличии, поставок нет
38 0337774

Переключатель собачки сцепления (SHIFTER, Clutch dog)

нет в наличии, поставок нет
38 0910995

   (последний код) SHIFTER

нет в наличии, поставок нет
39 0313448

Штифт сцепления dog (PIN, Clutch dog)

нет в наличии, поставок нет
40 0324369

Пружина, Сцепление dog Штифт (SPRING, Clutch dog pin)

нет в наличии, поставок нет
40 0313454

   (последний код) SPRING

нет в наличии, поставок нет
41 0318544

Заглушка, Fill & drain (PLUG, Fill & drain)

нет в наличии, поставок нет
41 0912624

   (последний код) SCREW

нет в наличии, поставок нет
42 0311598

Шайба. Contents of Комплект сальников редуктора (WASHER. Contents of Gearcase Seal Kit)

нет в наличии, поставок нет
42 3852105

   (последний код) WASHER

нет в наличии, поставок нет
43 0323362

Регулировочная шайба, 0.003 дюйм (0, 07 мм) (SHIM, 0.003 in. (0,07mm))

нет в наличии, поставок нет
43 0323361

Регулировочная шайба, 0.004 дюйм (0, 10 мм) (SHIM, 0.004 in. (0,10mm))

нет в наличии, поставок нет
43 0314745

Регулировочная шайба, 0.005 дюйм (0, 12 мм) (SHIM, 0.005 in. (0,12mm))

нет в наличии, поставок нет
44 0397566

Упорная шайба, дляward Шестерня (THRUST WASHER, Forward gear)

нет в наличии, поставок нет
44 0327760

   (последний код) SHIM---.029

нет в наличии, поставок нет
45 0435482

Крышка & Сальник в сборе. (COVER & SEAL ASSY.)

нет в наличии, поставок нет
45 5006241

   (последний код) COVER AY,SHIFT ROD

нет в наличии, поставок нет
46 0318372

Уплотнительное кольцо переключающей тяги, входит в комплект сальников редуктора (O-RING, Shift rod. Contents of Gearcase Seal Kit)

нет в наличии, поставок нет
47 0318544

Винт дренажный & fill (SCREW, Drain & fill)

нет в наличии, поставок нет
47 0912624

   (последний код) SCREW

нет в наличии, поставок нет
48 0311598

Шайба. Contents of Комплект сальников редуктора (WASHER. Contents of Gearcase Seal Kit)

нет в наличии, поставок нет
48 3852105

   (последний код) WASHER

нет в наличии, поставок нет
49 0437215

Подшипник Корпус & Сальник. Late PТягаuction Single Сальник (BEARING HOUSING & SEAL. Late Production Single Seal)

нет в наличии, поставок нет
49 0439476

   (последний код) DS BRG HSG&SEAL AY

нет в наличии, поставок нет
50 0329923

Сальник, нижний Contents of Комплект сальников редуктора Early PТягаuction Double Сальник (SEAL, Lower. Contents of Gearcase Seal Kit Early Production Double Seal)

нет в наличии, поставок нет
50 0329922

Сальник, верхний Contents of Комплект сальников редуктора Early PТягаuction Double Сальник (SEAL, Upper. Contents of Gearcase Seal Kit Early Production Double Seal)

нет в наличии, поставок нет
50 0341280

Сальник. Contents of Комплект сальников редуктора Late PТягаuction Single Сальник (SEAL. Contents of Gearcase Seal Kit Late Production Single Seal)

нет в наличии, поставок нет
52 0335677

DRIVEВал, нижний (DRIVESHAFT, Lower)

нет в наличии, поставок нет
52 0345905

   (последний код) DRIVESHAFT,LOWER

нет в наличии, поставок нет
53 0302325

Винт, Крышка (SCREW, Cover)

нет в наличии, поставок нет
54 0338504

Фиксатор (RETAINER)

нет в наличии, поставок нет
55 0311538

Штифт, верхний to нижний driveВал (PIN, Upper to lower driveshaft)

нет в наличии, поставок нет
56 0328743

Шайба, Винт, tab (WASHER, Screw, tab)

нет в наличии, поставок нет
56 3852191

   (последний код) WASHER

нет в наличии, поставок нет
57 0323946

DETENT, Переключательer (DETENT, Shifter)

нет в наличии, поставок нет
57 0915954

   (последний код) DETENT

нет в наличии, поставок нет
58 0435769

Приводной вал., верхний (DRIVESHAFT ASSY., Upper)

нет в наличии, поставок нет
58 5000624

   (последний код) 25IN D/S KIT UP

нет в наличии, поставок нет
59 0335510

Переключающая тяга (SHIFT ROD)

нет в наличии, поставок нет
60 0321122

Проставка, Переключающая тяга (SPACER, Shift rod)

нет в наличии, поставок нет
61 0320943

Пыльник, Крыльчатка Корпус (GROMMET, Impeller housing)

1 шт300 руб.
62 0320570

Проставка гайки гребного винта (SPACER, Propeller nut)

нет в наличии, поставок нет
62 3852163

   (последний код) SPACER,PROP

нет в наличии, поставок нет
63 0338486

Cвыше, Крыльчатка, std. (CUP, Impeller, std.)

нет в наличии, поставок нет
64 0306643

Винт, Крышка to Крыльчатка (SCREW, Cover to impeller)

нет в наличии, поставок нет
64 3852066

   (последний код) SCREW

нет в наличии, поставок нет
65 0313715

Винт, Пластина трима (SCREW, Trim tab)

нет в наличии, поставок нет
66 0331999

Винт, Редуктор to Задний корпус (SCREW, Gearcase to housing, rear)

нет в наличии, поставок нет
66 0910457

   (последний код) SCREW

нет в наличии, поставок нет
67 0398042

Гайка & KEEPER, Гребной винт (NUT & KEEPER, Propeller)

нет в наличии, поставок нет
67 3850984

   (последний код) NUT&KEEPER AY,PROP

нет в наличии, поставок нет
68 0306394

Шплинт, Гайка гребного винта (COTTER PIN, Propeller nut)

нет в наличии, поставок нет
68 3852056

   (последний код) PIN,COTTER

нет в наличии, поставок нет
69 0330265

Шайба (WASHER)

нет в наличии, поставок нет
70 0331998

Винт, Редуктор to Корпус (SCREW, Gearcase to housing)

нет в наличии, поставок нет
70 0914535

   (последний код) SCREW

нет в наличии, поставок нет
71 0341219

Винт, Анод (SCREW, Anode)

нет в наличии, поставок нет
72 0331999

Винт, Редуктор to Корпус, short (SCREW, Gearcase to housing, short)

нет в наличии, поставок нет
72 0910457

   (последний код) SCREW

нет в наличии, поставок нет
73 0331353

Сальник, Крыльчатка Корпус Пластина (SEAL, Impeller housing plate)

1 шт790 руб.
74 0435821

Крыльчатка в сборе. (IMPELLER ASSY.)

нет в наличии, поставок нет
74 5001593

   (последний код) KIT AY,IMPELLER

нет в наличии, поставок нет
75 0331107

CAM, DriveВал to Крыльчатка (CAM, Driveshaft to impeller)

нет в наличии, поставок нет
76 0302035

Уплотнительное кольцо (O-RING)

нет в наличии, поставок нет
77 0338485

Пластина корпуса крыльчатки, std. (PLATE, Impeller housing, std.)

нет в наличии, поставок нет
78 0126870

Упорная втулка, 3 Blade (THRUST BUSHING, 3 Blade)

нет в наличии, поставок нет
78 3852020

   (последний код) BUSHING,THRUST

нет в наличии, поставок нет
78 0127212

Упорная втулка, 4 Blade (THRUST BUSHING, 4 Blade)

нет в наличии, поставок нет
79 0338484

Прокладка крыльчатки hsg. Пластина. Contents of Комплект сальников редуктора (GASKET, Impeller hsg. plate. Contents of Gearcase Seal Kit)

нет в наличии, поставок нет
79 0324701

   (последний код) GASKET,-DRL5

нет в наличии, поставок нет
80 0314008

Пыльник водяной трубки (GROMMET, Water tube)

нет в наличии, поставок нет
81 0435959

Крыльчатка Корпус, Редуктор (IMPELLER HOUSING, Gearcase)

нет в наличии, поставок нет
82 0302325

Винт, Крыльчатка Корпус, 1 дюйм (SCREW, Impeller housing, 1 in.)

нет в наличии, поставок нет
83 0331188

Уплотнительное кольцо (O-RING)

5 шт370 руб.
84 0338893

Колпак крыльчатки Корпус (COVER, Impeller housing)

нет в наличии, поставок нет
84 0321159

   (последний код) COVER-IMP-HS

нет в наличии, поставок нет
85 0338742

Пластина трима, Редуктор (TRIM TAB, Gearcase)

нет в наличии, поставок нет
85 0327810

   (последний код) TRIM TAB

нет в наличии, поставок нет
86 0436745

Анод (ANODE)

нет в наличии, поставок нет
86 0393023

   (последний код) ANODE&INSERT AY

нет в наличии, поставок нет
87 0

Гребной винт. Refer to OMC SysteMatched Parts & Аксессуары Catalog для Гребной винт Chart (PROPELLER. Refer to OMC SysteMatched Parts & Accessories Catalog for Propeller Chart)

нет в наличии, поставок нет
88 0387157

Втулка в сборе., Prop., alum. (BUSHING ASSY., Prop., alum.)

нет в наличии, поставок нет
88 0175401

Втулка в сборе., Prop., SST (BUSHING ASSY., Prop., SST)

нет в наличии, поставок нет
89 0332394

CONVERGING Кольцо, Std. prop. (CONVERGING RING, Std. prop.)

нет в наличии, поставок нет
89 3854241

   (последний код) RING, CONVERGING

нет в наличии, поставок нет
90 0313926

Гильза (SLEEVE)

нет в наличии, поставок нет
90 3850831

   (последний код) SLEEVE-PROP

нет в наличии, поставок нет
91 0338601

Пыльник, Гильза, Водяной насос (GROMMET, Sleeve, water pump)

1 шт520 руб.
92 0338636

Гильза, Водяной насос (SLEEVE, Water pump)

нет в наличии, поставок нет
93 0330266

Шайба шестерниcase (WASHER, Gearcase)

нет в наличии, поставок нет
93 3852200

   (последний код) WASHER

нет в наличии, поставок нет
94 0307161

Блокирующая шайба анода (LOCK WASHER, Anode)

нет в наличии, поставок нет
95 0434516

Комплект сальников редуктора. Early PТягаuction Double Сальник (GEARCASE SEAL KIT. Early Production Double Seal)

нет в наличии, поставок нет
95 5006373

   (последний код) KIT AY,SEAL-GC

нет в наличии, поставок нет
95 0437753

Комплект сальников редуктора. Late PТягаuction Single Сальник (GEARCASE SEAL KIT. Late Production Single Seal)

нет в наличии, поставок нет
95 5006373

   (последний код) KIT AY,SEAL-GC

нет в наличии, поставок нет
96 0392160

Анод KIT, (Includes 71 & 86) (ANODE KIT, (Includes 71 & 86))

нет в наличии, поставок нет
97 0435929

Ремкомплект водяного насоса, (Includes hsg.) (WATER PUMP REPAIR KIT, (Includes hsg.))

нет в наличии, поставок нет
97 5001595

   (последний код) KIT AY,WATER PUMP

нет в наличии, поставок нет
98 0435526

Хромированный ремкомплект водяного насоса (CHROME PUMP KIT)

нет в наличии, поставок нет
98 0395059

   (последний код) CHROME PUMP KIT

нет в наличии, поставок нет
evinrude

Время выполнения запроса 1.7491261959076 сек.


 
 

данный сайт носит информационный характер и не является публичной офертой

склад запчастей для водомоторной техники