вконтакте

Контактный телефон: +7 (981) 121-46-93, +7 (800) 200-90-76 , Email: parts-katalog@yandex.ru, где купить

 
 

  Логин:

Пароль:

Регистрация

www.partskatalog.ru Все каталоги Запчасти Mercury Запчасти Suzuki Запчасти Tohatsu Запчасти Honda Контакты


Все разделы каталога запчастей на этот двигатель

назад Раздел:   вперёд

вернуться к списку узлов и деталей

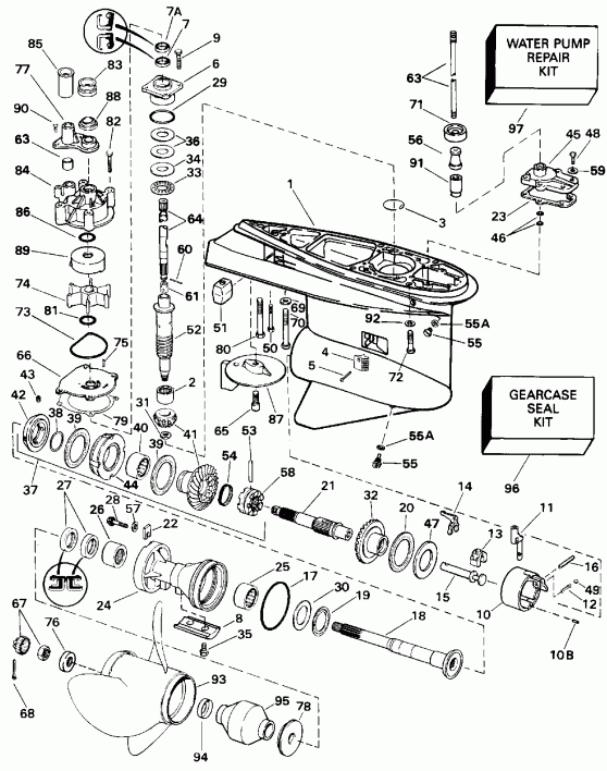
ДЕТАЛИРОВКА ДЛЯ МОДЕЛИ: EVINRUDE E185ESXETF 1993

РЕДУКТОР - ОБРАТНОЕ ВРАЩЕНИЕ | GEARCASE - COUNTER ROTATION;


 Эвинруд E185ESXETF 1993  - Counter Rotation - обратное вращение

Номер на
рисунке
АртикулНаименованиеКол-во
на складе
Цена
0435476 0435476

Редуктор AY., комплект. Not Shown (GEARCASE AY., Complete. Not Shown)

нет в наличии, поставок нет
0435476 5005631

   (последний код) GCASE/CORO/WHT/OS

нет в наличии, поставок нет
1 0435740

Редуктор в сборе с подшипником. (GEARCASE & BEARING ASSY.)

нет в наличии, поставок нет
1 5007022

   (последний код) GCASE & BRG AY,"O"

нет в наличии, поставок нет
2 0387817

Подшипник, Шестерня (BEARING, Pinion)

нет в наличии, поставок нет
3 0338778

Стопорное кольцо (RETAINING RING)

нет в наличии, поставок нет
4 0337778

SCREEN (SCREEN)

нет в наличии, поставок нет
5 0337061

Винт, Screen (SCREW, Screen)

нет в наличии, поставок нет
6 0435675

Подшипник Корпус & Сальник (BEARING HOUSING & SEAL)

нет в наличии, поставок нет
6 0439476

   (последний код) DS BRG HSG&SEAL AY

нет в наличии, поставок нет
7 0329923

Сальник, DriveВал, нижний (SEAL, Driveshaft, lower)

нет в наличии, поставок нет
7A 0329922

Сальник, DriveВал, верхний (SEAL, Driveshaft, upper)

нет в наличии, поставок нет
8 0431708

Анод, Подшипник hsg. (ANODE, Bearing hsg.)

нет в наличии, поставок нет
8 0397111

   (последний код) ANODE-AY

нет в наличии, поставок нет
9 0317624

Винт, Корпус to Редуктор (SCREW, Housing to gearcase)

нет в наличии, поставок нет
10 0431693

Корпус & Подшипник в сборе. (HOUSING & BEARING ASSY.)

нет в наличии, поставок нет
10B 0331880

Штифт, Корпус (PIN, Housing)

нет в наличии, поставок нет
11 0334142

DETENT, Переключательer (DETENT, Shifter)

нет в наличии, поставок нет
11 0916189

   (последний код) DETENT

нет в наличии, поставок нет
12 0911962

Фиксатор пружины (SPRING, Detent)

нет в наличии, поставок нет
12 0915955

   (последний код) SPRING

нет в наличии, поставок нет
13 0334163

CRADLE, Переключательer (CRADLE, Shifter)

5 шт1880 руб.
13 0322900

   (последний код) CRADLE-SHIFT

нет в наличии, поставок нет
14 0334160

ПереключательER (SHIFTER)

нет в наличии, поставок нет
15 0334143

Переключающий валer (SHAFT, Shifter)

нет в наличии, поставок нет
16 0319627

Штифт, Рычаг переключения (PIN, Shift lever)

нет в наличии, поставок нет
16 0315750

   (последний код) DOWEL PIN

нет в наличии, поставок нет
17 0305123

Уплотнительное кольцо, Вал гребного винта (O-RING, Propeller shaft)

нет в наличии, поставок нет
17 0321119

   (последний код) O-RING,-DLR

нет в наличии, поставок нет
18 0435023

Вал гребного винта в сборе. (PROPELLER SHAFT ASSY.)

нет в наличии, поставок нет
18 0435307

   (последний код) SHAFT AY,PROP

нет в наличии, поставок нет
19 0382408

THRUST BRG., Fwd. Шестерня (THRUST BRG., Fwd. gear)

нет в наличии, поставок нет
20 0389042

THRUST BRG. в сборе., Rev. Шестерня (THRUST BRG. ASSY., Rev. gear)

нет в наличии, поставок нет
21 0432282

Сцепление Вал в сборе. (CLUTCH SHAFT ASSY.)

нет в наличии, поставок нет
21 0438251

   (последний код) SHAFT AY,CLUTCH

нет в наличии, поставок нет
22 0333957

TAB, Фиксатор (TAB, RETAINER)

нет в наличии, поставок нет
23 0324670

Прокладка, Переключающая тяга Крышка (GASKET, Shift rod cover)

нет в наличии, поставок нет
23 0352165

   (последний код) GASKET

2 шт550 руб.
24 0435091

Подшипник HSG. Сальник в сборе. (BEARING HSG. SEAL ASSY.)

нет в наличии, поставок нет
24 5000898

   (последний код) HSG AY,PROPSHAFT

нет в наличии, поставок нет
25 0431926

Игольчатый подшипник в сборе. (NEEDLE BEARING ASSY.)

нет в наличии, поставок нет
26 0434467

Игольчатый подшипник в сборе. (NEEDLE BEARING ASSY.)

нет в наличии, поставок нет
27 0334950

Сальник (SEAL)

нет в наличии, поставок нет
28 0333955

Винт (SCREW)

нет в наличии, поставок нет
28 0350271

   (последний код) SCREW, BRG CARRIER

нет в наличии, поставок нет
29 0314728

Уплотнительное кольцо, DriveВал Подшипник (O-RING, Driveshaft bearing)

нет в наличии, поставок нет
29 0354731

   (последний код) O-RING

1 шт850 руб.
30 0313447

Упорная шайба, Fwd. Шестерня (THRUST WASHER, Fwd. gear)

нет в наличии, поставок нет
31 0314730

Гайка, Шестерня to driveВал (NUT, Pinion to driveshaft)

нет в наличии, поставок нет
32 0431703

REVERSE Шестерня & BRG. (REVERSE GEAR & BRG.)

нет в наличии, поставок нет
32 0334167

   (последний код) GEAR-REVERSE

нет в наличии, поставок нет
33 0387656

THRUST Подшипник, Шестерня (THRUST BEARING, Pinion)

нет в наличии, поставок нет
33 0383248

   (последний код) BEARING

нет в наличии, поставок нет
34 0327656

Упорная шайба шестерни Шестерня (THRUST WASHER, Pinion)

нет в наличии, поставок нет
34 0314729

   (последний код) THRUST-WASHE

нет в наличии, поставок нет
35 0908158

Винт, Анод (SCREW, Anode)

нет в наличии, поставок нет
35 3852050

   (последний код) SCREW

нет в наличии, поставок нет
36 0323362

Регулировочная шайба, 0.003 (SHIM, 0.003)

нет в наличии, поставок нет
36 0323361

Регулировочная шайба, 0.004 (SHIM, 0.004)

нет в наличии, поставок нет
36 0314745

Регулировочная шайба, 0.005 (SHIM, 0.005)

нет в наличии, поставок нет
37 0435553

ШестерняSET AY (GEARSET AY)

нет в наличии, поставок нет
37 5004590

   (последний код) GEARSET AY,FWD&PIN

нет в наличии, поставок нет
38 0338717

Регулировочная шайба, 0.003 (SHIM, 0.003)

нет в наличии, поставок нет
38 0338718

Регулировочная шайба, 0.004 (SHIM, 0.004)

нет в наличии, поставок нет
38 0338719

Регулировочная шайба, 0.005 (SHIM, 0.005)

нет в наличии, поставок нет
39 0385043

THRUST Подшипник AY (THRUST BEARING AY)

нет в наличии, поставок нет
39 3852221

   (последний код) BEARING-AY,T

нет в наличии, поставок нет
40 0389039

Игольчатый подшипник AY (NEEDLE BEARING AY)

нет в наличии, поставок нет
40 3852223

   (последний код) BEARING-AY,N

нет в наличии, поставок нет
41 0435934

ШестерняSET (GEARSET)

нет в наличии, поставок нет
41 5004939

   (последний код) GEARSET,FWD&PIN/CR

нет в наличии, поставок нет
42 0337796

THRUST Фланец (THRUST FLANGE)

нет в наличии, поставок нет
43 0338716

Установочный винт (SET SCREW)

нет в наличии, поставок нет
44 0333885

Корпус подшипника (HOUSING, Bearing)

нет в наличии, поставок нет
45 0435482

Крышка & Сальник в сборе. (COVER & SEAL ASSY.)

нет в наличии, поставок нет
45 5006241

   (последний код) COVER AY,SHIFT ROD

нет в наличии, поставок нет
46 0318372

Уплотнительное кольцо, Переключающая тяга (O-RING, Shift rod)

нет в наличии, поставок нет
47 0327669

THRUST Шайба шестерни заднего хода (THRUST WASHER, Reverse gear)

нет в наличии, поставок нет
47 0324805

   (последний код) THRUST-WASHE

нет в наличии, поставок нет
48 0302325

Винт, Крышка (SCREW, Cover)

нет в наличии, поставок нет
49 0160084

Шарик, Detent (BALL, Detent)

нет в наличии, поставок нет
49 3852023

   (последний код) BALL

нет в наличии, поставок нет
50 0328096

Винт, Анод (SCREW, Anode)

нет в наличии, поставок нет
50 0327046

   (последний код) SCREW

нет в наличии, поставок нет
51 0393023

Анод (ANODE)

нет в наличии, поставок нет
51 0436745

   (последний код) ANODE&INSERT AY

нет в наличии, поставок нет
52 0335677

DRIVEВал, нижний ay. (DRIVESHAFT, Lower ay.)

нет в наличии, поставок нет
52 0345905

   (последний код) DRIVESHAFT,LOWER

нет в наличии, поставок нет
53 0313448

Штифт сцепления dog (PIN, Clutch dog)

нет в наличии, поставок нет
54 0324369

Пружина, Сцепление dog Штифт (SPRING, Clutch dog pin)

нет в наличии, поставок нет
54 0313454

   (последний код) SPRING

нет в наличии, поставок нет
55 0318544

Заглушка, Fill & drain (PLUG, Fill & drain)

нет в наличии, поставок нет
55 0912624

   (последний код) SCREW

нет в наличии, поставок нет
55A 0311598

Шайба (WASHER)

нет в наличии, поставок нет
55A 3852105

   (последний код) WASHER

нет в наличии, поставок нет
55A 0333572

Уплотнительное кольцо (O-RING)

нет в наличии, поставок нет
55A 3855081

   (последний код) 0-RING

нет в наличии, поставок нет
56 0321122

Проставка, Переключающая тяга (SPACER, Shift rod)

нет в наличии, поставок нет
57 0328743

Шайба, Винт, tab (WASHER, Screw, tab)

нет в наличии, поставок нет
57 3852191

   (последний код) WASHER

нет в наличии, поставок нет
58 0337772

Переключатель собачки сцепления (SHIFTER, Clutch dog)

нет в наличии, поставок нет
58 0337774

   (последний код) SHIFTER,CLUTCH DOG

нет в наличии, поставок нет
59 0328702

Шайба (WASHER)

нет в наличии, поставок нет
59 3852183

   (последний код) WASHER

нет в наличии, поставок нет
60 0311538

Штифт, DriveВал (PIN, Driveshaft)

нет в наличии, поставок нет
61 0338504

Фиксатор приводного вала (RETAINER, Driveshaft)

нет в наличии, поставок нет
63 0314008

Пыльник водяной трубки (GROMMET, Water tube)

нет в наличии, поставок нет
63 0329865

Переключающая тяга. 25" Models (SHIFT ROD. 25" Models)

нет в наличии, поставок нет
63 0337780

Переключающая тяга. 30" Models (SHIFT ROD. 30" Models)

нет в наличии, поставок нет
64 0435766

Приводной вал., верхний (Incl. #60 & 61) 25" Models (DRIVESHAFT ASSY., Upper (Incl. #60 & 61). 25" Models)

нет в наличии, поставок нет
64 5007672

   (последний код) KIT,UPPER D/S-25"

нет в наличии, поставок нет
64 0435773

Приводной вал., верхний (Incl. #60 & 61) 30" Models (DRIVESHAFT ASSY., Upper (Incl. #60 & 61). 30" Models)

нет в наличии, поставок нет
64 5007673

   (последний код) UPPER DSHAFT AY

нет в наличии, поставок нет
65 0313715

Винт, Пластина трима (SCREW, Trim tab)

нет в наличии, поставок нет
66 0338485

Пластина корпуса крыльчатки. Stainless Steel (PLATE, Impeller housing. Stainless Steel)

нет в наличии, поставок нет
66 0338552

Пластина корпуса крыльчатки. хромированная пластина (PLATE, Impeller housing. Chrome Plated)

нет в наличии, поставок нет
67 0398042

Гайка & KEEPER, Гребной винт (NUT & KEEPER, Propeller)

нет в наличии, поставок нет
67 3850984

   (последний код) NUT&KEEPER AY,PROP

нет в наличии, поставок нет
68 0306394

Шплинт, Гайка гребного винта (COTTER PIN, Propeller nut)

нет в наличии, поставок нет
68 3852056

   (последний код) PIN,COTTER

нет в наличии, поставок нет
69 0330265

Шайба, Винт, long (WASHER, Screw, long)

нет в наличии, поставок нет
70 0331998

Винт, Редуктор to Корпус (SCREW, Gearcase to housing)

нет в наличии, поставок нет
70 0914535

   (последний код) SCREW

нет в наличии, поставок нет
71 0321008

Пыльник, Exh. hsg. to shft Тяга (GROMMET, Exh. hsg. to shft rod)

нет в наличии, поставок нет
72 0331999

Винт, Редуктор to Корпус (SCREW, Gearcase to housing)

нет в наличии, поставок нет
72 0910457

   (последний код) SCREW

нет в наличии, поставок нет
73 0331353

Сальник, Крыльчатка Корпус Пластина (SEAL, Impeller housing plate)

1 шт790 руб.
74 0435821

Крыльчатка & Ключ в сборе. (IMPELLER & KEY ASSY.)

нет в наличии, поставок нет
74 5001593

   (последний код) KIT AY,IMPELLER

нет в наличии, поставок нет
75 0331107

Ключ, Крыльчатка (KEY, Impeller)

нет в наличии, поставок нет
76 0320570

Проставка гайки гребного винта (SPACER, Propeller nut)

нет в наличии, поставок нет
76 3852163

   (последний код) SPACER,PROP

нет в наличии, поставок нет
77 0338893

Колпак крыльчатки Корпус (COVER, Impeller housing)

нет в наличии, поставок нет
77 0321159

   (последний код) COVER-IMP-HS

нет в наличии, поставок нет
78 0126402

Упорная втулка (THRUST BUSHING)

нет в наличии, поставок нет
78 0126870

   (последний код) BUSHING,THRUST

нет в наличии, поставок нет
79 0338484

Прокладка крыльчатки hsg. Пластина. Also included in Ремкомплект водяного насоса 435929 (GASKET, Impeller hsg. plate. Also included in Water Pump Repair Kit 435929)

нет в наличии, поставок нет
79 0324701

   (последний код) GASKET,-DRL5

нет в наличии, поставок нет
80 0330263

Винт, Редуктор, rear (SCREW, Gearcase, rear)

нет в наличии, поставок нет
80 0914534

   (последний код) SCREW

нет в наличии, поставок нет
81 0302035

Уплотнительное кольцо (O-RING)

нет в наличии, поставок нет
82 0302325

Винт, Крыльчатка Корпус, 1" (SCREW, Impeller housing, 1")

нет в наличии, поставок нет
83 0338601

Пыльник, Водяной насос (GROMMET, Water pump)

1 шт520 руб.
84 0435959

Крыльчатка Корпус, Редуктор (IMPELLER HOUSING, Gearcase)

нет в наличии, поставок нет
85 0338636

Гильза. 25" Models (SLEEVE. 25" Models)

нет в наличии, поставок нет
85 0338667

Гильза. 30" Models (SLEEVE. 30" Models)

нет в наличии, поставок нет
86 0331188

Уплотнительное кольцо, Крыльчатка (O-RING, Impeller)

5 шт370 руб.
87 0338743

Пластина трима, Редуктор (TRIM TAB, Gearcase)

1 шт7970 руб.
87 0333961

   (последний код) TAB-TRIM

1 шт6110 руб.
88 0320943

Пыльник, Крыльчатка Корпус (GROMMET, Impeller housing)

1 шт300 руб.
89 0338486

Cвыше, Крыльчатка. Stainless Steel (CUP, Impeller. Stainless Steel)

нет в наличии, поставок нет
89 0338551

Cвыше, Крыльчатка Корпус. хромированная пластина (CUP, Impeller housing. Chrome Plated)

нет в наличии, поставок нет
90 0306643

Винт, Крышка to Крыльчатка (SCREW, Cover to impeller)

нет в наличии, поставок нет
90 3852066

   (последний код) SCREW

нет в наличии, поставок нет
91 0339346

Удлинитель, Проставка. 30" Models (EXTENSION, Spacer. 30" Models)

нет в наличии, поставок нет
92 0330266

Шайба (WASHER)

нет в наличии, поставок нет
92 3852200

   (последний код) WASHER

нет в наличии, поставок нет
93 0

Гребной винт. Refer to OMC SysteMatched Parts & Аксессуары Catalog для Гребной винт Chart (PROPELLER. Refer to OMC SysteMatched Parts & Accessories Catalog for Propeller Chart)

нет в наличии, поставок нет
94 0313926

Гильза, Втулка (SLEEVE, Bushing)

нет в наличии, поставок нет
94 3850831

   (последний код) SLEEVE-PROP

нет в наличии, поставок нет
95 0175401

Втулка в сборе., Prop (BUSHING ASSY., Prop)

нет в наличии, поставок нет
96 0434516

Комплект сальников редуктора (GEARCASE SEAL KIT)

нет в наличии, поставок нет
96 5006373

   (последний код) KIT AY,SEAL-GC

нет в наличии, поставок нет
97 0435929

Ремкомплект водяного насоса (Includes Крыльчатка Корпус) (WATER PUMP REPAIR KIT (Includes impeller housing))

нет в наличии, поставок нет
97 5001595

   (последний код) KIT AY,WATER PUMP

нет в наличии, поставок нет
evinrude

Время выполнения запроса 3.6997439861298 сек.


 
 

данный сайт носит информационный характер и не является публичной офертой

склад запчастей для водомоторной техники