вконтакте

Контактный телефон: +7 (981) 121-46-93, +7 (800) 200-90-76 , Email: parts-katalog@yandex.ru, где купить

 
 

  Логин:

Пароль:

Регистрация

www.partskatalog.ru Все каталоги Запчасти Mercury Запчасти Suzuki Запчасти Tohatsu Запчасти Honda Контакты


Все разделы каталога запчастей на этот двигатель

назад Раздел:  

вернуться к списку узлов и деталей

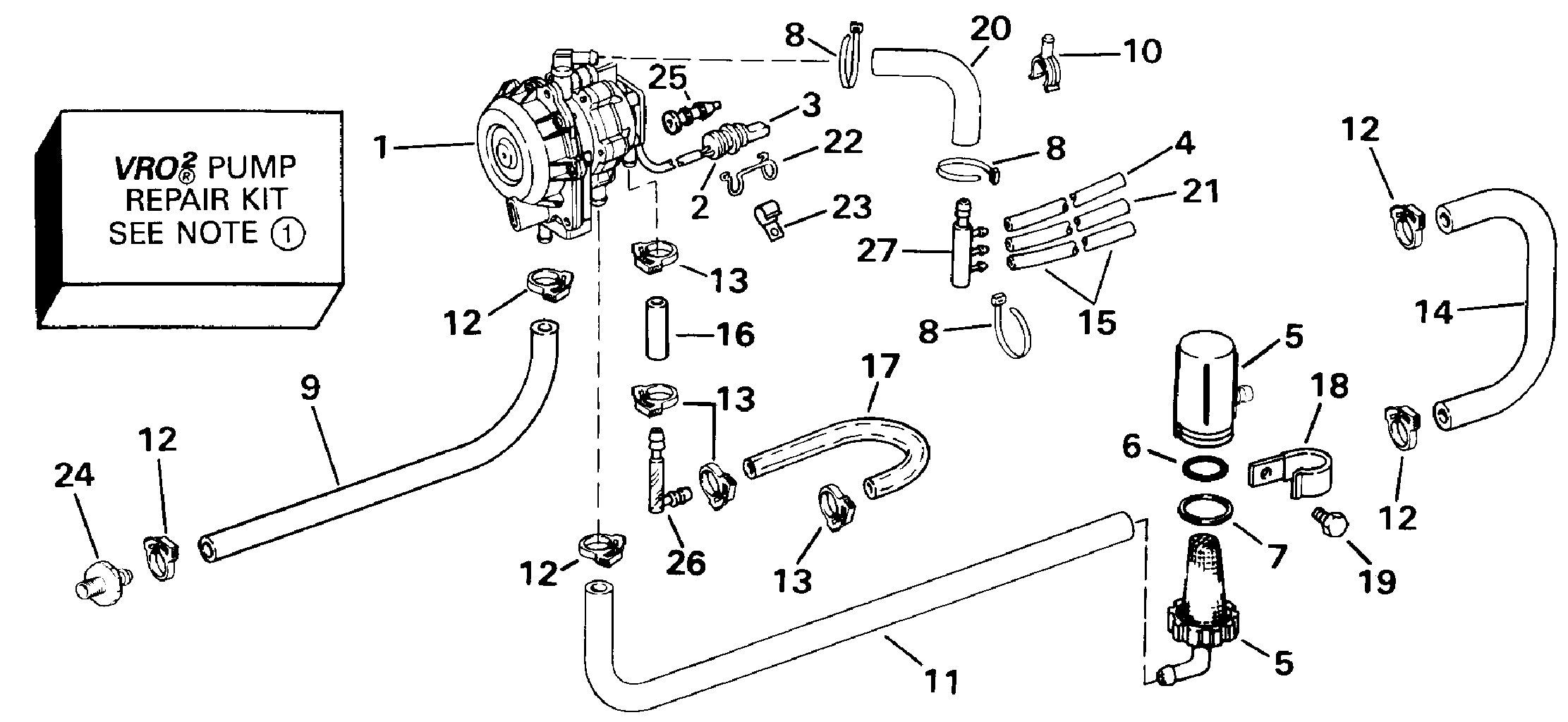
ДЕТАЛИРОВКА ДЛЯ МОДЕЛИ: EVINRUDE E45RCLENM 1992

VRO2 ПОМПА | VRO2 PUMP;


Подвесной лодочный мотор Evinrude E45RCLENM 1992  - o2 Pump / o2 Помпа

Номер на
рисунке
АртикулНаименованиеКол-во
на складе
Цена
1 0175230

Помпа в сборе., VRO2. Refer to Вспомогательные компоненты для Ремонтный комплект Part Numbers (PUMP ASSY., VRO2. Refer to Accessory Parts for Repair kit Part Numbers)

нет в наличии, поставок нет
1 5007421

   (последний код) KIT AY,F PUMP&LMTR

нет в наличии, поставок нет
2 0512749

Коннектор (CONNECTOR)

нет в наличии, поставок нет
2 3852241

   (последний код) CONN,4-SKT-P

нет в наличии, поставок нет
3 0581656

SOCKET (SOCKET)

нет в наличии, поставок нет
3 3852257

   (последний код) TERMINAL AY,SCKT

нет в наличии, поставок нет
4 0

Топливный шланг Коллектор to carb, верхний , 5 дюйм (127 мм) сокращёная длина From 327228-5 / 32 дюйм I.D., 25 ft (7, 6m) Roll (HOSE, Fuel manifold to carb, upper, 5 in. (127mm). Cut to Length From 327228-5/32 in. I.D., 25 ft (7,6m) Roll)

нет в наличии, поставок нет
5 0397715

Топливный фильтр в сборе. (FUEL FILTER ASSY.)

нет в наличии, поставок нет
5 0394375

   (последний код) FUEL-FILTER

нет в наличии, поставок нет
6 0124369

Сальник (SEAL)

нет в наличии, поставок нет
7 0327270

Прокладка (GASKET)

нет в наличии, поставок нет
7 0329716

   (последний код) GASKET

нет в наличии, поставок нет
8 0320107

Крепёжный хомут, Шлангs (TIE STRAP, Hoses)

нет в наличии, поставок нет
8 5035626

   (последний код) BAND,REM CON

нет в наличии, поставок нет
9 0332851

PULSE Шланг (PULSE HOSE)

нет в наличии, поставок нет
9 0331138

   (последний код) HOSE

нет в наличии, поставок нет
10 0329661

Держатель / Заглушка (HOLDER/PLUG)

нет в наличии, поставок нет
11 0333633

Шланг, Фильтр to Топливный насос (HOSE, Filter to fuel pump)

нет в наличии, поставок нет
11 0330919

   (последний код) HOSE

нет в наличии, поставок нет
12 0322652

Струбцина, Защелка, Шлангs (CLAMP, Snap, hoses)

нет в наличии, поставок нет
12 3852170

   (последний код) CLAMP,SNAP

нет в наличии, поставок нет
13 0322654

Струбцина фильтра & Коннектор (CLAMP, Filter & connector)

нет в наличии, поставок нет
13 3852172

   (последний код) CLAMP,SNAP

нет в наличии, поставок нет
14 0333632

Шланг, Коннектор to Фильтр (HOSE, Connector to filter)

нет в наличии, поставок нет
14 0324370

   (последний код) HOSE-FUEL-CO

нет в наличии, поставок нет
15 0

Топливный шланг Коллектор to нижний carb., 5 дюйм (127 мм) сокращёная длина From 327228-5 / 32 дюйм I.D., 25 ft (7, 6m) Roll (HOSE, Fuel manifold to lower carb., 5 in. (127mm). Cut to Length From 327228-5/32 in. I.D., 25 ft (7,6m) Roll)

нет в наличии, поставок нет
16 0

Шланг, Sight Трубка to Помпа, 1 1 / 2 дюйм (38 мм) сокращёная длина From 333485-1 / 4 дюйм I.D., 25 фут (7, 6m) Roll (HOSE, Sight tube to pump, 1 1/2 in. (38mm). Cut to Length From 333485-1/4 in. I.D., 25 ft. (7,6m) Roll)

нет в наличии, поставок нет
17 0

Масляный шланг conn. to sight Трубка, 10 дюйм (243 мм) сокращёная длина From 333485-1 / 4 дюйм I.D., 25 фут (7, 6m) Roll (HOSE, Oil conn. to sight tube, 10 in. (243mm). Cut to Length From 333485-1/4 in. I.D., 25 ft. (7,6m) Roll)

нет в наличии, поставок нет
18 0323492

Струбцина топливного фильтра to Блок цилиндра (CLAMP, Fuel filter to cylinder block)

нет в наличии, поставок нет
19 0909676

Винт зажима (SCREW, Clamp)

нет в наличии, поставок нет
20 0333446

Шланг, Помпа to Коллектор (HOSE, Pump to manifold)

нет в наличии, поставок нет
20 0320947

   (последний код) HH-HOSE

нет в наличии, поставок нет
21 0

Шланг, Коллектор to primer, 8 1 / 2 дюйм (216 мм) сокращёная длина From 327228-5 / 32 дюйм I.D., 25 ft (7, 6m) Roll (HOSE, Manifold to primer, 8 1/2 in. (216mm). Cut to Length From 327228-5/32 in. I.D., 25 ft (7,6m) Roll)

нет в наличии, поставок нет
22 0512742

Фиксатор (RETAINER)

нет в наличии, поставок нет
22 3852237

   (последний код) RETAINER,CON

нет в наличии, поставок нет
23 0310439

Струбцина, VRO Коннектор (CLAMP, VRO connector)

нет в наличии, поставок нет
23 3852088

   (последний код) CLAMP,"J"

нет в наличии, поставок нет
24 0435009

PULSE LIMITER (PULSE LIMITER)

нет в наличии, поставок нет
24 3852225

   (последний код) LIMITER-AY,P

нет в наличии, поставок нет
25 0333521

Крепление, Isolation (MOUNT, Isolation)

нет в наличии, поставок нет
26 0331841

SIGHT Масляная трубка (SIGHT TUBE, Oil)

нет в наличии, поставок нет
27 0395540

FUEL Коллектор в сборе. (FUEL MANIFOLD ASSY.)

нет в наличии, поставок нет
evinrude

Время выполнения запроса 0.75836801528931 сек.


 
 

данный сайт носит информационный характер и не является публичной офертой

склад запчастей для водомоторной техники