вконтакте

Контактный телефон: +7 (981) 121-46-93, +7 (800) 200-90-76 , Email: parts-katalog@yandex.ru, где купить

 
 

  Логин:

Пароль:

Регистрация

www.partskatalog.ru Все каталоги Запчасти Mercury Запчасти Suzuki Запчасти Tohatsu Запчасти Honda Контакты


Все разделы каталога запчастей на этот двигатель

назад Раздел:   вперёд

вернуться к списку узлов и деталей

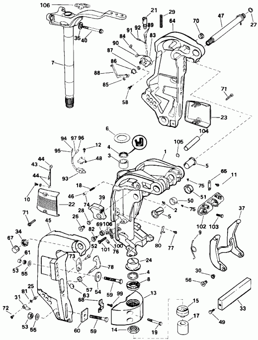
ДЕТАЛИРОВКА ДЛЯ МОДЕЛИ: EVINRUDE VE40EENM 1992

ЭЛЕКТРОСТАРТЕР & SOLENOID | ELECTRIC STARTER & SOLENOID;


 EVINRUDE VE40EENM 1992  - ectric Starter & Solenoid - ectric Стартер & Solenoid

Номер на
рисунке
АртикулНаименованиеКол-во
на складе
Цена
0583482 0583482

Двигатель стартера в сборе.. Not Shown (STARTER MOTOR ASSY.. Not Shown)

нет в наличии, поставок нет
0583482 0586279

   (последний код) MOTOR AY,STARTER

нет в наличии, поставок нет
1 0393354

Гайка пружины & Проставка KIT (NUT, SPRING & SPACER KIT)

нет в наличии, поставок нет
1 0316742

   (последний код) SPRING

нет в наличии, поставок нет
3 0384779

Якорь (ARMATURE)

нет в наличии, поставок нет
4 0384781

DRIVE в сборе. (DRIVE ASSY.)

нет в наличии, поставок нет
5 0387933

THRU-Болт PACKAGE (THRU-BOLT PACKAGE)

нет в наличии, поставок нет
5 0316747

   (последний код) THRU BOLT PACKAGE

нет в наличии, поставок нет
6 0306396

LOCKШайба (LOCKWASHER)

нет в наличии, поставок нет
6 3852057

   (последний код) WASHER,LOCK

нет в наличии, поставок нет
7 0386639

Колпачок в сборе (CAP ASSY.)

нет в наличии, поставок нет
7 0384780

   (последний код) CAP ASSY DRIVE

нет в наличии, поставок нет
8 0316750

Упорная шайба Якорь (WASHER, Thrust armature)

нет в наличии, поставок нет
9 0385844

Колпачок в сборе (CAP ASSY.)

нет в наличии, поставок нет
9 0384778

   (последний код) CAP ASSY

нет в наличии, поставок нет
10 0328741

Гайка, Input Шпилька. (NUT, Input stud.)

нет в наличии, поставок нет
10 0304753

   (последний код) NUT

нет в наличии, поставок нет
11 0385952

Щётка & Пружина SET (BRUSH & SPRING SET)

нет в наличии, поставок нет
11 0387681

   (последний код) BRUSH & SCREW

нет в наличии, поставок нет
12 0316746

Болт & LOCKШайба (BOLT & LOCKWASHER)

нет в наличии, поставок нет
13 0316743

Втулка, Insulation (BUSHING, Insulation)

нет в наличии, поставок нет
14 0316748

Шайба, Insulation (WASHER, Insulation)

нет в наличии, поставок нет
15 0316749

Плоская шайба (WASHER, Plain)

нет в наличии, поставок нет
16 0316745

Держатель втулки (BRUSH HOLDER)

нет в наличии, поставок нет
16 0321644

   (последний код) BRUSH HOLDER

нет в наличии, поставок нет
17 0584381

Кабель аккумулятора в сборе, (BATTERY CABLE ASSY,.)

нет в наличии, поставок нет
17 0432911

   (последний код) CABLE-AY-BAT

нет в наличии, поставок нет
18 0311217

Гильза, Solenoid (SLEEVE, Solenoid)

нет в наличии, поставок нет
19 0330112

Струбцина, Solenoid Креплениеing (CLAMP, Solenoid mounting)

нет в наличии, поставок нет
19 0311218

   (последний код) CLAMP

нет в наличии, поставок нет
20 0306010

Винт, Solenoid Креплениеing (SCREW, Solenoid mounting)

нет в наличии, поставок нет
20 3852053

   (последний код) SCREW

нет в наличии, поставок нет
21 0311349

Гайка, Клемма (NUT, Terminal)

нет в наличии, поставок нет
22 0304454

LOCKШайба, Клемма (LOCKWASHER, Terminal)

нет в наличии, поставок нет
23 0306556

Гайка, Клемма (NUT, Terminal)

нет в наличии, поставок нет
23 3852064

   (последний код) NUT

нет в наличии, поставок нет
24 0331259

LOCKШайба, Клемма (LOCKWASHER, Terminal)

нет в наличии, поставок нет
25 0583692

LEAD, Стартер to solenoid (LEAD, Starter to solenoid)

нет в наличии, поставок нет
26 0302479

Винт, Стартер Креплениеing (SCREW, Starter mounting)

нет в наличии, поставок нет
26 3852060

   (последний код) SCREW

нет в наличии, поставок нет
27 0580733

LEAD, Solenoid Заземление (LEAD, Solenoid ground)

нет в наличии, поставок нет
28 0306470

LOCKШайба (LOCKWASHER)

нет в наличии, поставок нет
28 3852061

   (последний код) LOCKWASHER

нет в наличии, поставок нет
29 0395419

Соленоид, в сборе.. "M" Model Number Suffix Only (SOLENOID ASSY.. "M" Model Number Suffix Only)

нет в наличии, поставок нет
29 0586180

   (последний код) SOLENOID AY,START

нет в наличии, поставок нет
29 0582708

Соленоид, в сборе.. "J" Model Number Suffix Only (SOLENOID ASSY.. "J" Model Number Suffix Only)

нет в наличии, поставок нет
29 0586180

   (последний код) SOLENOID AY,START

нет в наличии, поставок нет
evinrude

Время выполнения запроса 2.2504918575287 сек.


 
 

данный сайт носит информационный характер и не является публичной офертой

склад запчастей для водомоторной техники