вконтакте

Контактный телефон: +7 (981) 121-46-93, +7 (800) 200-90-76 , Email: parts-katalog@yandex.ru, где купить

 
 

  Логин:

Пароль:

Регистрация

www.partskatalog.ru Все каталоги Запчасти Mercury Запчасти Suzuki Запчасти Tohatsu Запчасти Honda Контакты


Все разделы каталога запчастей на этот двигатель

Раздел:   вперёд

вернуться к списку узлов и деталей

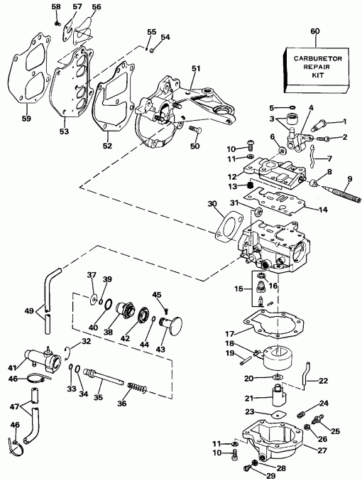
ДЕТАЛИРОВКА ДЛЯ МОДЕЛИ: EVINRUDE E25RLEND 1992

КАРБЮРАТОР - 20 | CARBURETOR - 20;


Подвесной мотор Evinrude E25RLEND 1992  - 20 - 20

Номер на
рисунке
АртикулНаименованиеКол-во
на складе
Цена
0434787 0434787

Карбюратор в сборе.. Not Shown (CARBURETOR ASSY.. Not Shown)

нет в наличии, поставок нет
0434787 0436921

   (последний код) CARBURETOR AY

нет в наличии, поставок нет
1 0326467

Ниппель, Поплавок bowl (NIPPLE, Float bowl)

нет в наличии, поставок нет
1 0335235

   (последний код) NIPPLE

нет в наличии, поставок нет
2 0324064

Винт дросселя Рычаг (SCREW, Throttle lever)

нет в наличии, поставок нет
3 0434398

NOZZLE WELL (NOZZLE WELL)

нет в наличии, поставок нет
4 0330057

Винт заглушки (SCREW, Plug)

нет в наличии, поставок нет
5 0303630

Шайба, Сливной винт (WASHER, Screw plug)

нет в наличии, поставок нет
6 0328735

Шайба, Винт дросселя Рычаг (WASHER, Screw, throttle lever)

нет в наличии, поставок нет
6 3852188

   (последний код) WASHER

нет в наличии, поставок нет
7 0333346

Прокладка, Bowl (GASKET, Bowl)

нет в наличии, поставок нет
7 0338882

   (последний код) GASKET,FLOAT BOWL

нет в наличии, поставок нет
8 0333695

SCREEN, Vent (SCREEN, Vent)

нет в наличии, поставок нет
8 0309949

   (последний код) SCREEN

нет в наличии, поставок нет
9 0317477

Шайба, Idle passage (WASHER, Idle passage)

нет в наличии, поставок нет
10 0336048

Крышка, Carb. Корпус. Early PТягаuction With 6-32 Игольчатый клапан Threads (COVER, Carb. body. Early Production With 6-32 Needle Valve Threads)

нет в наличии, поставок нет
10 0436342

   (последний код) KIT AY,CARBURETOR

нет в наличии, поставок нет
10 0337589

Крышка, Carb. Корпус. Late PТягаuction With 8-32 Игольчатый клапан Threads (COVER, Carb. body. Late Production With 8-32 Needle Valve Threads)

нет в наличии, поставок нет
10 0436325

   (последний код) KIT AY,CARB COVER

нет в наличии, поставок нет
11 0334043

Прокладка крышки (GASKET, Cover)

нет в наличии, поставок нет
11 0331750

   (последний код) GASKET-CARB

нет в наличии, поставок нет
12 0908045

Винт (SCREW)

нет в наличии, поставок нет
13 0303630

Шайба, Primer Ниппель (WASHER, Primer nipple)

нет в наличии, поставок нет
14 0303701

Шайба с блокировкой, Винт (LOCK WASHER, Screw)

нет в наличии, поставок нет
15 0334042

иголка, Slow speed. Early PТягаuction With 6-32 Игольчатый клапан Threads (NEEDLE, Slow speed. Early Production With 6-32 Needle Valve Threads)

нет в наличии, поставок нет
15 0338171

иголка, Slow speed. Late PТягаuction With 8-32 Игольчатый клапан Threads (NEEDLE, Slow speed. Late Production With 8-32 Needle Valve Threads)

нет в наличии, поставок нет
16 0333348

Прокладка, нижний (GASKET, Lower)

нет в наличии, поставок нет
16 0331753

   (последний код) GASKET-NOZZL

нет в наличии, поставок нет
17 0398068

Поплавковая камера (FLOAT CHAMBER)

нет в наличии, поставок нет
17 0336393

   (последний код) FLOAT CHAMBER

нет в наличии, поставок нет
18 0332576

Пружина, Idle adjustment. Early PТягаuction With 6-32 Игольчатый клапан Threads (SPRING, Idle adjustment. Early Production With 6-32 Needle Valve Threads)

нет в наличии, поставок нет
18 0329388

   (последний код) SPRING

нет в наличии, поставок нет
18 0337807

Пружина, Idle adjustment. Late PТягаuction With 8-32 Игольчатый клапан Threads (SPRING, Idle adjustment. Late Production With 8-32 Needle Valve Threads)

нет в наличии, поставок нет
19 0330055

Сливной винт, Idle passage (SCREW PLUG, Idle passage)

нет в наличии, поставок нет
20 0302661

HINGE Стопор поплавка (HINGE PIN, Float)

нет в наличии, поставок нет
21 0396522

Клапан поплавка & Седло в сборе. (FLOAT VALVE & SEAT ASSY.)

нет в наличии, поставок нет
21 0382889

   (последний код) FLOAT-VALVE

нет в наличии, поставок нет
22 0301996

Прокладка 1 (GASKET 1)

1 шт140 руб.
23 0336842

Пружина Зажим (SPRING CLIP)

нет в наличии, поставок нет
23 0603145

   (последний код) CLIP

нет в наличии, поставок нет
24 0325827

HIGH SPEED ORIFICE, № 44 (HIGH SPEED ORIFICE, No. 44)

нет в наличии, поставок нет
25 0396514

Поплавок в сборе. (FLOAT ASSY.)

нет в наличии, поставок нет
25 0386149

   (последний код) FLOAT&ARM AY

нет в наличии, поставок нет
26 0336567

FLEX Трубка (FLEX TUBE)

нет в наличии, поставок нет
26 0331740

   (последний код) FLEXIBLE-TUB

нет в наличии, поставок нет
27 0333347

Прокладка, верхний (GASKET, Upper)

нет в наличии, поставок нет
27 0338883

   (последний код) GASKET

нет в наличии, поставок нет
28 0313329

Фиксатор, Соединитель to carb (RETAINER, Link to carb)

нет в наличии, поставок нет
29 0318932

Прокладка (GASKET)

нет в наличии, поставок нет
30 0328742

Гайка, Carb, mtg. (NUT, Carb, mtg.)

нет в наличии, поставок нет
30 0308133

   (последний код) NUT

нет в наличии, поставок нет
31 0431897

Ремкомплект карбюратора (CARBURETOR REPAIR KIT)

нет в наличии, поставок нет
31 0439073

   (последний код) KIT AY,CARB REPAIR

нет в наличии, поставок нет
evinrude

Время выполнения запроса 3.836236000061 сек.


 
 

данный сайт носит информационный характер и не является публичной офертой

склад запчастей для водомоторной техники