Номер на рисунке | Артикул | Наименование | Кол-во на складе | Цена |
| 0434763 | 0434763 | Редуктор в сборе., комплект. Not Shown All 20 / 25 / 30 / 35 Except 15" Length Шнур Start 20 / 25 Models Does Not Include DriveВал (GEARCASE ASSY., Complete. Not Shown All 20/25/30/35 Except 15" Length Rope Start 20/25 Models Does Not Include Driveshaft) | нет в наличии, поставок нет |
| 0434763 | 0434764 | (последний код) GEARCASE AY,COMPL | нет в наличии, поставок нет |
| 0434764 | 0434764 | Редуктор в сборе., комплект. Not Shown All 20 / 25 15" Length Шнур Start Models Does Not Include DriveВал (GEARCASE ASSY., Complete. Not Shown All 20/25 15" Length Rope Start Models Does Not Include Driveshaft) | нет в наличии, поставок нет |
| 0434764 | 0434763 | (последний код) GEARCASE AY,COMPL | нет в наличии, поставок нет |
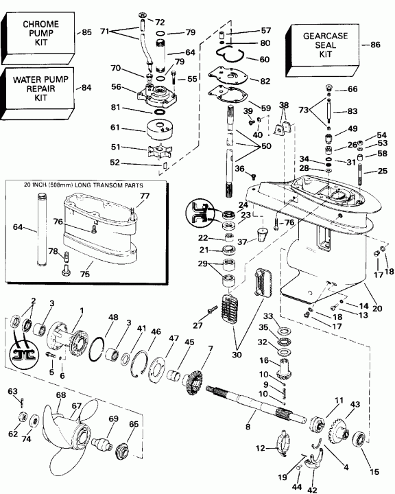
| 1 | 0433428 | Подшипник Корпус & Сальник (BEARING HOUSING & SEAL) | нет в наличии, поставок нет |
| 1 | 0387023 | (последний код) BRG-HSG&SEAL | нет в наличии, поставок нет |
| 2 | 0321453 | Сальник, Вал гребного винта (SEAL, Propeller shaft) | нет в наличии, поставок нет |
| 2 | 0317843 | (последний код) OIL RETAINER | нет в наличии, поставок нет |
| 3 | 0376856 | Подшипник в сборе., Prop Вал (BEARING ASSY., Prop shaft) | нет в наличии, поставок нет |
| 4 | 0328311 | CRADLE, Сцепление dog (CRADLE, Clutch dog) | нет в наличии, поставок нет |
| 5 | 0319743 | Винт, Prop. Вал brg. hsg. (SCREW, Prop. shaft brg. hsg.) | нет в наличии, поставок нет |
| 6 | 0332584 | Шайба, Кольцевой сальник (WASHER, Seal ring) | нет в наличии, поставок нет |
| 7 | 0327655 | Шестерня обратного хода (GEAR, Reverse) | нет в наличии, поставок нет |
| 8 | 0390268 | Вал гребного винта (PROPELLER SHAFT) | нет в наличии, поставок нет |
| 8 | 0439143 | (последний код) SHAFT AY,PROPELLER | нет в наличии, поставок нет |
| 9 | 0327070 | Фиксатор пружины prop. Вал (SPRING, Detent prop. shaft) | нет в наличии, поставок нет |
| 10 | 0316506 | Шарик, Detent, prop. Вал (BALL, Detent, prop. shaft) | нет в наличии, поставок нет |
| 11 | 0337020 | Переключатель собачки сцепления (SHIFTER, Clutch dog) | нет в наличии, поставок нет |
| 12 | 0390023 | YOKE и Коннектор в сборе (YOKE AND CONNECTOR ASSY) | нет в наличии, поставок нет |
| 12 | 0386744 | (последний код) YOKE | нет в наличии, поставок нет |
| 13 | 0308376 | Стержень Штифт переключателя Рычаг (PIVOT PIN, Shifter lever) | нет в наличии, поставок нет |
| 13 | 0303358 | (последний код) PIVOT-PIN | нет в наличии, поставок нет |
| 14 | 0332584 | Шайба, Кольцевой сальник, Стержень Штифт (WASHER, Seal ring, pivot pin) | нет в наличии, поставок нет |
| 15 | 0386186 | Роликовый подшипник, Fwd. Шестерня (ROLLER BEARING, Fwd. gear) | нет в наличии, поставок нет |
| 16 | 0328313 | Шестерня, driveВал (GEAR, Pinion, driveshaft) | нет в наличии, поставок нет |
| 17 | 0307551 | Винт (SCREW) | нет в наличии, поставок нет |
| 17 | 0982851 | (последний код) SCREW-PLUG | нет в наличии, поставок нет |
| 18 | 0333572 | Уплотнительное кольцо (O-RING) | нет в наличии, поставок нет |
| 18 | 3855081 | (последний код) 0-RING | нет в наличии, поставок нет |
| 19 | 0303049 | Шплинт, Переключательer Рычаг (COTTER PIN, Shifter lever) | нет в наличии, поставок нет |
| 20 | 0434030 | Редуктор. All 20 / 25 / 30 / 35 Except 15" Length Шнур Start 20 / 25 Models Does Not Include DriveВал (GEARCASE. All 20/25/30/35 Except 15" Length Rope Start 20/25 Models Does Not Include Driveshaft) | нет в наличии, поставок нет |
| 20 | 0432637 | (последний код) GEARCASE-AY | нет в наличии, поставок нет |
| 20 | 0434031 | Редуктор. All 20 / 25 15" Length Шнур Start Models Does Not Include DriveВал (GEARCASE. All 20/25 15" Length Rope Start Models Does Not Include Driveshaft) | нет в наличии, поставок нет |
| 21 | 0322018 | Корпус, Brg. (HOUSING, Brg.) | нет в наличии, поставок нет |
| 22 | 0386473 | Подшипник в сборе. (BEARING ASSY.) | нет в наличии, поставок нет |
| 23 | 0321928 | Фиксатор, Oil, dВал, нижний (RETAINER, Oil, dshaft, lower) | нет в наличии, поставок нет |
| 24 | 0332261 | Сальник, dВал, верхний (SEAL, Oil, dshaft, upper) | 3 шт | 720 руб. |
| 25 | 0320173 | Шпилька (STUD) | нет в наличии, поставок нет |
| 26 | 0326361 | Втулка, Переключающая тяга, нижний (BUSHING, Shift rod, lower) | нет в наличии, поставок нет |
| 27 | 0325539 | Винт, Screen to Редуктор (SCREW, Screen to gearcase) | нет в наличии, поставок нет |
| 27 | 0312270 | (последний код) SCREW | нет в наличии, поставок нет |
| 28 | 0321738 | Шайба, Переключающая тяга Втулка (WASHER, Shift rod bushing) | нет в наличии, поставок нет |
| 29 | 0376856 | Подшипник в сборе., DВал Шестерня (BEARING ASSY., Dshaft pinion) | нет в наличии, поставок нет |
| 30 | 0336206 | SCREEN, Система впуска (SCREEN, Intake) | нет в наличии, поставок нет |
| 30 | 0353692 | (последний код) SCREEN,INLET | нет в наличии, поставок нет |
| 31 | 0303347 | Уплотнительное кольцо, Scraper (O-RING, Scraper) | нет в наличии, поставок нет |
| 32 | 0330441 | Нижняя упорная шайба (THRUST WASHER, Lower) | нет в наличии, поставок нет |
| 32 | 0327717 | (последний код) THRUST-WASHE | нет в наличии, поставок нет |
| 33 | 0327716 | Верхняя упорная шайба (THRUST WASHER, Upper) | нет в наличии, поставок нет |
| 34 | 0301877 | Уплотнительное кольцо, Втулка (O-RING, Bushing) | нет в наличии, поставок нет |
| 35 | 0388027 | THRUST Подшипник, Шестерня (THRUST BEARING, Pinion) | нет в наличии, поставок нет |
| 36 | 0329217 | Винт, Пластина трима (SCREW, Trim tab) | нет в наличии, поставок нет |
| 36 | 0333707 | (последний код) SCREW | нет в наличии, поставок нет |
| 37 | 0336203 | Пластина трима (TRIM TAB) | нет в наличии, поставок нет |
| 38 | 0434029 | Анод KIT AY. (ANODE KIT AY.) | нет в наличии, поставок нет |
| 38 | 5007582 | (последний код) KIT AY,ANODE | нет в наличии, поставок нет |
| 39 | 0332226 | Винт крепления анода (SCREW, Anode mounting) | нет в наличии, поставок нет |
| 39 | 3852207 | (последний код) SCREW | нет в наличии, поставок нет |
| 40 | 0304454 | LOCKШайба (LOCKWASHER) | нет в наличии, поставок нет |
| 41 | 0319684 | Упорная шайба (THRUST WASHER) | нет в наличии, поставок нет |
| 42 | 0337019 | Рычаг переключателяer (LEVER, Shifter) | нет в наличии, поставок нет |
| 43 | 0392475 | Шестерня & Втулка в сборе., Fwd. (GEAR & BUSHING ASSY., Fwd.) | нет в наличии, поставок нет |
| 44 | 0302504 | Штифт, Yoke & conn. to Переключательer Рычаг (PIN, Yoke & conn. to shifter lever) | нет в наличии, поставок нет |
| 45 | 0319635 | Втулка, Reverse Шестерня (BUSHING, Reverse gear) | нет в наличии, поставок нет |
| 46 | 0319747 | Стопорное кольцо (RETAINING RING) | нет в наличии, поставок нет |
| 47 | 0319746 | Фиксатор Пластина, Корпус (RETAINER PLATE, Housing) | нет в наличии, поставок нет |
| 48 | 0338518 | Уплотнительное кольцо, Подшипник Корпус (O-RING, Bearing housing) | 5 шт | 100 руб. |
| 48 | 0313893 | (последний код) O-RING | нет в наличии, поставок нет |
| 49 | 0331465 | Гайка, Переключающая тяга Коннектор (NUT, Shift rod connector) | нет в наличии, поставок нет |
| 50 | 0328316 | DRIVEВал, Std. (DRIVESHAFT, Std.) | нет в наличии, поставок нет |
| 50 | 0341636 | (последний код) DRIVESHAFT,15" | нет в наличии, поставок нет |
| 51 | 0395289 | Крыльчатка в сборе. & Ключ. Also included in Ремкомплект водяного насоса 393630 (IMPELLER ASSY. & KEY. Also included in Water Pump Repair Kit 393630) | 2 шт | 2060 руб. |
| 51 | 0395265 | (последний код) IMP AY | 2 шт | 1580 руб. |
| 52 | 0330619 | Ключ, Крыльчатка. Also included in Ремкомплект водяного насоса 393630 (KEY, Impeller. Also included in Water Pump Repair Kit 393630) | нет в наличии, поставок нет |
| 52 | 0344470 | (последний код) KEY,IMPELLER-BLK | нет в наличии, поставок нет |
| 53 | 0301250 | LOCKШайба, Exh. hsg. to Шпилька (LOCKWASHER, Exh. hsg. to stud) | нет в наличии, поставок нет |
| 53 | 0911009 | (последний код) WASHER | нет в наличии, поставок нет |
| 54 | 0306422 | Гайка, Шпилька. 20 Inch (508 мм) Long Transom Parts (NUT, Stud. 20 Inch (508mm) Long Transom Parts) | нет в наличии, поставок нет |
| 55 | 0328725 | Винт, Крыльчатка Корпус. Also included in Ремкомплект водяного насоса 393630 (SCREW, Impeller housing. Also included in Water Pump Repair Kit 393630) | нет в наличии, поставок нет |
| 55 | 3852187 | (последний код) SCREW | нет в наличии, поставок нет |
| 56 | 0393632 | Крыльчатка Корпус & Втулка (IMPELLER HOUSING & BUSHING) | нет в наличии, поставок нет |
| 57 | 0328754 | Втулка, Крыльчатка hsg. (BUSHING, Impeller hsg.) | нет в наличии, поставок нет |
| 58 | 0319785 | Втулка, Шпилька. 20 Inch (508 мм) Long Transom Parts (BUSHING, Stud. 20 Inch (508mm) Long Transom Parts) | нет в наличии, поставок нет |
| 59 | 0325537 | Прокладка, Пластина to Редуктор. Also included in Комплект сальников редуктора 396351 Also included in Ремкомплект водяного насоса 393630 (GASKET, Plate to gearcase. Also included in Gearcase Seal Kit 396351 Also included in Water Pump Repair Kit 393630) | нет в наличии, поставок нет |
| 60 | 0328753 | Сальник, Крыльчатка hsg. to Пластина. Also included in Комплект сальников редуктора 396351 Also included in Ремкомплект водяного насоса 393630 (SEAL, Impeller hsg. to plate. Also included in Gearcase Seal Kit 396351 Also included in Water Pump Repair Kit 393630) | нет в наличии, поставок нет |
| 61 | 0328773 | Cвыше, Крыльчатка Корпус, chrome (CUP, Impeller housing, chrome) | нет в наличии, поставок нет |
| 61 | 0323537 | (последний код) CUP | нет в наличии, поставок нет |
| 61 | 0328751 | Cвыше, Крыльчатка Корпус. Also included in Ремкомплект водяного насоса 393630 (CUP, Impeller housing. Also included in Water Pump Repair Kit 393630) | нет в наличии, поставок нет |
| 61 | 0323008 | (последний код) CUP,IMPELLER HSG | нет в наличии, поставок нет |
| 62 | 0319891 | Гайка гребного винта (NUT, Propeller) | нет в наличии, поставок нет |
| 63 | 0320785 | Шплинт (COTTER PIN) | нет в наличии, поставок нет |
| 64 | 0326692 | Проставка, Крыльчатка hsg., std. (SPACER, Impeller hsg., std.) | нет в наличии, поставок нет |
| 64 | 0322408 | (последний код) SPACER | нет в наличии, поставок нет |
| 65 | 0335420 | Упорная втулка, Prop. (THRUST BUSHING, Prop.) | нет в наличии, поставок нет |
| 66 | 0325624 | Коннектор переключающей тяги (CONNECTOR, Shift rod) | нет в наличии, поставок нет |
| 67 | 0387320 | Гребной винт 11 1 / 4 X 7 AL (PROPELLER 11 1/4 X 7 AL) | нет в наличии, поставок нет |
| 67 | 0391064 | Гребной винт 10 X 17 AL (PROPELLER 10 X 17 AL) | нет в наличии, поставок нет |
| 67 | 0386637 | Гребной винт 10 1 / 2 X 11 AL (PROPELLER 10 1/2 X 11 AL) | нет в наличии, поставок нет |
| 67 | 0763459 | (последний код) PROP AL 10.5 X 11 | нет в наличии, поставок нет |
| 67 | 0175191 | Гребной винт 10 X 13 AL (PROPELLER 10 X 13 AL) | нет в наличии, поставок нет |
| 67 | 0177185 | (последний код) PROP AY,10 X 13 | нет в наличии, поставок нет |
| 67 | 0386317 | Гребной винт 11 X 9 AL (PROPELLER 11 X 9 AL) | нет в наличии, поставок нет |
| 67 | 0763487 | (последний код) PROP, AL 11 X 9 | нет в наличии, поставок нет |
| 67 | 0390728 | Гребной винт 10 1 / 2 X 11 SST (PROPELLER 10 1/2 X 11 SST) | нет в наличии, поставок нет |
| 67 | 0765176 | (последний код) PROP,SS-10X11 3BLD | нет в наличии, поставок нет |
| 67 | 0390727 | Гребной винт 11 X 9 SST (PROPELLER 11 X 9 SST) | нет в наличии, поставок нет |
| 67 | 0390380 | Гребной винт 10 X 15 AL (PROPELLER 10 X 15 AL) | нет в наличии, поставок нет |
| 67 | 0763486 | (последний код) PROP, AL 10 X 15 | 1 шт | 12590 руб. |
| 67 | 0390729 | Гребной винт 10 X 13 SST (PROPELLER 10 X 13 SST) | нет в наличии, поставок нет |
| 67 | 0765178 | (последний код) PROP,SST 10X13 | нет в наличии, поставок нет |
| 67 | 0390730 | Гребной винт 10 X 15 SST (PROPELLER 10 X 15 SST) | нет в наличии, поставок нет |
| 67 | 0390731 | Гребной винт 10 X 17 SST (PROPELLER 10 X 17 SST) | нет в наличии, поставок нет |
| 68 | 0332542 | CONVERGING Кольцо (CONVERGING RING) | нет в наличии, поставок нет |
| 68 | 0322101 | (последний код) CONVERGING RING | нет в наличии, поставок нет |
| 69 | 0392881 | Втулка в сборе., Prop (SST) (BUSHING ASSY., Prop (SST)) | нет в наличии, поставок нет |
| 69 | 0386638 | Втулка в сборе., Prop (ALUM) (BUSHING ASSY., Prop (ALUM)) | нет в наличии, поставок нет |
| 70 | 0302497 | Нижний пыльник трубки водяного насоса. Also included in Ремкомплект водяного насоса 393630 (GROMMET, Water tube, lower. Also included in Water Pump Repair Kit 393630) | 2 шт | 250 руб. |
| 71 | 0395339 | Водяная трубка & Шайба, стандарт (WATER TUBE & WASHER, Standard) | нет в наличии, поставок нет |
| 72 | 0330658 | Шайба. 20 Inch (508 мм) Long Transom Parts (WASHER. 20 Inch (508mm) Long Transom Parts) | нет в наличии, поставок нет |
| 73 | 0325625 | KEEPER, Переключающая тяга, верхний to нижний (KEEPER, Shift rod, upper to lower) | нет в наличии, поставок нет |
| 74 | 0323943 | Проставка, Prop Гайка (SPACER, Prop nut) | нет в наличии, поставок нет |
| 74 | 0319892 | (последний код) SPACER | нет в наличии, поставок нет |
| 76 | 0328333 | Винт, Редуктор to Корпус (SCREW, Gearcase to housing) | нет в наличии, поставок нет |
| 79 | 0311338 | Уплотнительное кольцо. Also included in Комплект сальников редуктора 396351 Also included in Ремкомплект водяного насоса 393630 (O-RING. Also included in Gearcase Seal Kit 396351 Also included in Water Pump Repair Kit 393630) | нет в наличии, поставок нет |
| 80 | 0301877 | Уплотнительное кольцо, Крыльчатка hsg.. Also included in Ремкомплект водяного насоса 393630 (O-RING, Impeller hsg.. Also included in Water Pump Repair Kit 393630) | нет в наличии, поставок нет |
| 81 | 0554545 | Уплотнительное кольцо, Cвыше to Крыльчатка hsg.. Also included in Комплект сальников редуктора 396351 Also included in Ремкомплект водяного насоса 393630 (O-RING, Cup to impeller hsg.. Also included in Gearcase Seal Kit 396351 Also included in Water Pump Repair Kit 393630) | нет в наличии, поставок нет |
| 82 | 0328772 | Пластина корпуса крыльчатки, chrome (PLATE, Impeller housing, chrome) | нет в наличии, поставок нет |
| 82 | 0328755 | Пластина корпуса крыльчатки. Also included in Ремкомплект водяного насоса 393630 (PLATE, Impeller housing. Also included in Water Pump Repair Kit 393630) | 1 шт | 1180 руб. |
| 83 | 0331479 | Переключающая тяга, нижний (SHIFT ROD, Lower) | нет в наличии, поставок нет |
| 0396707 | 0396707 | Удлинитель KIT в сборе.. Not Shown 20 Inch (508 мм) Long Transom Parts (EXTENSION KIT ASSY.. Not Shown 20 Inch (508mm) Long Transom Parts) | нет в наличии, поставок нет |
| 0325541 | 0325541 | Переключающая тяга, верхний long. Not Shown 20 Inch (508 мм) Long Transom Parts (SHIFT ROD, Upper long. Not Shown 20 Inch (508mm) Long Transom Parts) | нет в наличии, поставок нет |
| 50 | 0328317 | DRIVEВал, Long. 20 Inch (508 мм) Long Transom Parts (DRIVESHAFT, Long. 20 Inch (508mm) Long Transom Parts) | нет в наличии, поставок нет |
| 50 | 0341637 | (последний код) DRIVESHAFT,20" | нет в наличии, поставок нет |
| 53 | 0306470 | LOCKШайба. 20 Inch (508 мм) Long Transom Parts (LOCKWASHER. 20 Inch (508mm) Long Transom Parts) | нет в наличии, поставок нет |
| 53 | 3852061 | (последний код) LOCKWASHER | нет в наличии, поставок нет |
| 54 | 0306422 | Гайка. 20 Inch (508 мм) Long Transom Parts (NUT. 20 Inch (508mm) Long Transom Parts) | нет в наличии, поставок нет |
| 58 | 0319785 | Втулка. 20 Inch (508 мм) Long Transom Parts (BUSHING. 20 Inch (508mm) Long Transom Parts) | нет в наличии, поставок нет |
| 64 | 0326693 | Проставка, Imp. Корпус, long. 20 Inch (508 мм) Long Transom Parts (SPACER, Imp. housing, long. 20 Inch (508mm) Long Transom Parts) | нет в наличии, поставок нет |
| 64 | 0322409 | (последний код) SPACER | нет в наличии, поставок нет |
| 71 | 0395340 | Водяная трубка & Шайба, Long. 20 Inch (508 мм) Long Transom Parts (WATER TUBE & WASHER, Long. 20 Inch (508mm) Long Transom Parts) | нет в наличии, поставок нет |
| 72 | 0330658 | Шайба. 20 Inch (508 мм) Long Transom Parts (WASHER. 20 Inch (508mm) Long Transom Parts) | нет в наличии, поставок нет |
| 75 | 0392967 | Удлинитель, Шпилька & Винт в сборе.. 20 Inch (508 мм) Long Transom Parts (EXTENSION, STUD & SCREW ASSY.. 20 Inch (508mm) Long Transom Parts) | нет в наличии, поставок нет |
| 76 | 0327973 | Винт, Редуктор to Корпус. 20 Inch (508 мм) Long Transom Parts (SCREW, Gearcase to housing. 20 Inch (508mm) Long Transom Parts) | нет в наличии, поставок нет |
| 76 | 0339823 | (последний код) SCREW | нет в наличии, поставок нет |
| 77 | 0320173 | Шпилька, Редуктор Удлинитель. 20 Inch (508 мм) Long Transom Parts (STUD, Gearcase extension. 20 Inch (508mm) Long Transom Parts) | нет в наличии, поставок нет |
| 78 | 0305283 | Винт, Удлинитель. 20 Inch (508 мм) Long Transom Parts (SCREW, Extension. 20 Inch (508mm) Long Transom Parts) | нет в наличии, поставок нет |
| 79 | 0311338 | Уплотнительное кольцо. Also included in Комплект сальников редуктора 396351 Also included in Ремкомплект водяного насоса 393630 (O-RING. Also included in Gearcase Seal Kit 396351 Also included in Water Pump Repair Kit 393630) | нет в наличии, поставок нет |
| 0325975 | 0325975 | Крепление, Rubber, нижний Not Shown 20 Inch (508 мм) Long Transom Parts (MOUNT, Rubber, lower. Not Shown 20 Inch (508mm) Long Transom Parts) | нет в наличии, поставок нет |
| 0325974 | 0325974 | Крепление, Rubber, верхний Not Shown 20 Inch (508 мм) Long Transom Parts (MOUNT, Rubber, upper. Not Shown 20 Inch (508mm) Long Transom Parts) | нет в наличии, поставок нет |
| 0325974 | 0332810 | (последний код) RUBBER MOUNT | нет в наличии, поставок нет |
| 84 | 0393509 | Ремкомплект водяного насоса (WATER PUMP REPAIR KIT) | нет в наличии, поставок нет |
| 84 | 0393630 | (последний код) REPAIR KIT | нет в наличии, поставок нет |
| 84 | T-0393630 | (не оригинальный аналог) Ремкомплект насоса охлаждения Johnson/Evinrude 0393630 | под заказ шт | по запросу |
| 84 | 0393630 | Ремкомплект водяного насоса (Includes Крыльчатка Корпус) (WATER PUMP REPAIR KIT (Includes impeller housing)) | нет в наличии, поставок нет |
| 84 | 0393509 | (последний код) PUMP KIT | нет в наличии, поставок нет |
| 84 | T-0393630 | (не оригинальный аналог) Ремкомплект насоса охлаждения Johnson/Evinrude 0393630 | под заказ шт | по запросу |
| 85 | 0394415 | Хромированный ремкомплект водяного насоса (CHROME PUMP KIT) | нет в наличии, поставок нет |
| 85 | 0390287 | (последний код) CUP & PLATE | нет в наличии, поставок нет |
| 86 | 0396351 | Комплект сальников редуктора (GEARCASE SEAL KIT) | нет в наличии, поставок нет |