вконтакте

Контактный телефон: +7 (981) 121-46-93, +7 (800) 200-90-76 , Email: parts-katalog@yandex.ru, где купить

 
 

  Логин:

Пароль:

Регистрация

www.partskatalog.ru Все каталоги Запчасти Mercury Запчасти Suzuki Запчасти Tohatsu Запчасти Honda Контакты


Все разделы каталога запчастей на этот двигатель

назад Раздел:   вперёд

вернуться к списку узлов и деталей

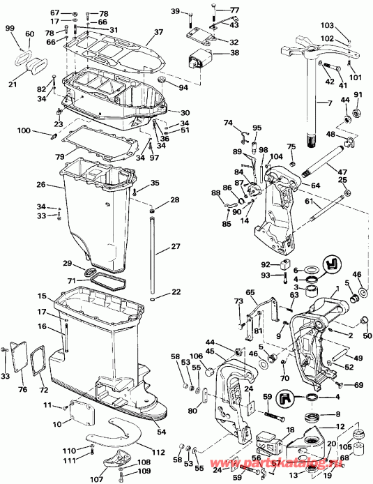
ДЕТАЛИРОВКА ДЛЯ МОДЕЛИ: EVINRUDE E250CXEIE 1991

MIDSECTION | MIDSECTION;


Подвесной двигатель Evinrude E250CXEIE 1991  - dsection / dsection

Номер на
рисунке
АртикулНаименованиеКол-во
на складе
Цена
1 0398293

Поворотный кронштейн. 20 дюйм Transom Models Only (SWIVEL BRACKET. 20 in. Transom Models Only)

нет в наличии, поставок нет
1 0398294

Поворотный кронштейн. 25 дюйм Transom Models Only (SWIVEL BRACKET. 25 in. Transom Models Only)

нет в наличии, поставок нет
1 0396673

   (последний код) SW-BRKT-AY-X

нет в наличии, поставок нет
2 0313607

LUBRICATION FITTING (LUBRICATION FITTING)

нет в наличии, поставок нет
2 3852121

   (последний код) FITTING,LUB

нет в наличии, поставок нет
3 0320962

Втулка (BUSHING)

нет в наличии, поставок нет
4 0320937

Сальник (SEAL)

нет в наличии, поставок нет
5 0321035

Втулка, Поворотный кронштейн (BUSHING, Swivel bracket)

нет в наличии, поставок нет
6 0320866

THRUST Опорная шайба Вал (THRUST WASHER, Pivot shaft)

нет в наличии, поставок нет
7 0392518

Рулевая система Рычаг в сборе.. 20 дюйм Transom Models Only (STEERING ARM ASSY.. 20 in. Transom Models Only)

нет в наличии, поставок нет
7 0983289

   (последний код) STEERING ARM

нет в наличии, поставок нет
7 0392519

Рулевая система Рычаг в сборе.. 25 дюйм Transom Models Only (STEERING ARM ASSY.. 25 in. Transom Models Only)

нет в наличии, поставок нет
7 0983437

   (последний код) STRG ARM EXT LG

нет в наличии, поставок нет
8 0327696

KEEPER, Стержень Вал (KEEPER, Pivot shaft)

нет в наличии, поставок нет
9 0328696

Винт, Заземление lead (SCREW, Ground lead)

нет в наличии, поставок нет
10 0320864

Крышка, Монтажный кронштейн (левый)ower (COVER, Mount bracket lower)

нет в наличии, поставок нет
10 0338942

   (последний код) COVER,MOUNT-LOWER

нет в наличии, поставок нет
11 0322000

Винт, Крышка (SCREW, Cover)

нет в наличии, поставок нет
12 0330047

Монтажный кронштейн. 20 дюйм Transom Models Only (MOUNT BRACKET. 20 in. Transom Models Only)

нет в наличии, поставок нет
12 0912144

Монтажный кронштейн. 25 дюйм Transom Models Only (MOUNT BRACKET. 25 in. Transom Models Only)

нет в наличии, поставок нет
12 0339419

   (последний код) BRACKET,LWR MOUNT

нет в наличии, поставок нет
13 0320746

Гайка, Монтажный кронштейн (NUT, Mount bracket)

нет в наличии, поставок нет
14 0328739

Шайба, Sending unit Винт (WASHER, Sending unit screw)

нет в наличии, поставок нет
14 3852190

   (последний код) WASHER

нет в наличии, поставок нет
15 0332848

Удлинитель корпуса. 20 дюйм Transom Models Only (EXHAUST HOUSING. 20 in. Transom Models Only)

нет в наличии, поставок нет
15 0330044

   (последний код) EXH-HSG

нет в наличии, поставок нет
15 0332846

Удлинитель корпуса. 25 дюйм Transom Models Only (EXHAUST HOUSING. 25 in. Transom Models Only)

нет в наличии, поставок нет
15 0330045

   (последний код) EXH-HSG

нет в наличии, поставок нет
16 0329778

Винт, Удлинитель корпуса (SCREW, Exhaust housing)

нет в наличии, поставок нет
17 0307708

Шайба, Удлинитель корпуса (WASHER, Exhaust housing)

нет в наличии, поставок нет
17 0302865

   (последний код) LOCKWASHER

нет в наличии, поставок нет
18 0434629

RUBBER Крепление нижнее. 20 дюйм Transom Models Only (RUBBER MOUNT, Lower. 20 in. Transom Models Only)

нет в наличии, поставок нет
18 0391774

   (последний код) RUBBER MOUNT

нет в наличии, поставок нет
18 0434633

RUBBER Крепление нижнее. 25 дюйм Transom Models Only 300 Models Only (RUBBER MOUNT, Lower. 25 in. Transom Models Only 300 Models Only)

нет в наличии, поставок нет
18 0394701

   (последний код) RUBBER MOUNT

нет в наличии, поставок нет
18 0434632

RUBBER Крепление нижнее. 25 дюйм Transom Models Only 250 Models Only (RUBBER MOUNT, Lower. 25 in. Transom Models Only 250 Models Only)

нет в наличии, поставок нет
18 0391710

   (последний код) RUBBER MOUNT

нет в наличии, поставок нет
19 0328078

Винт, Крепление (SCREW, Mount)

нет в наличии, поставок нет
19 0327052

   (последний код) SCREW

нет в наличии, поставок нет
20 0306314

LOCKШайба, Крепление (LOCKWASHER, Mount)

нет в наличии, поставок нет
21 0333740

Сальник, Адаптер to Крышка (SEAL, Adaptor to cover)

нет в наличии, поставок нет
21 0332529

   (последний код) SEAL

нет в наличии, поставок нет
22 0326649

Уплотнительное кольцо, Водяная трубка (O-RING, Water tube)

нет в наличии, поставок нет
22 0553127

   (последний код) O RING

нет в наличии, поставок нет
23 0321886

ELBOW. обратное вращение Models Only (ELBOW. Counter Rotation Models Only)

нет в наличии, поставок нет
23 0321686

   (последний код) ELBOW

нет в наличии, поставок нет
24 0331579

Пластина, Креплениеing (PLATE, Mounting)

нет в наличии, поставок нет
25 0329742

LOCKГайка, Стержень тяги (LOCKNUT, Thrust rod)

нет в наличии, поставок нет
26 0333519

Удлинитель корпуса, Inner. 20 дюйм Transom Models Only (EXHAUST HOUSING, Inner. 20 in. Transom Models Only)

нет в наличии, поставок нет
26 0333657

Удлинитель корпуса, Inner. 25 дюйм Transom Models Only (EXHAUST HOUSING, Inner. 25 in. Transom Models Only)

нет в наличии, поставок нет
26 0330043

   (последний код) EXHAUST-HOUS

нет в наличии, поставок нет
27 0330040

Водяная трубка. 20 дюйм Transom Models Only (WATER TUBE. 20 in. Transom Models Only)

нет в наличии, поставок нет
27 0330041

Водяная трубка. 25 дюйм Transom Models Only (WATER TUBE. 25 in. Transom Models Only)

нет в наличии, поставок нет
28 0330039

COIL Проставка (COIL SPACER)

нет в наличии, поставок нет
28 0338031

   (последний код) RETAINER

нет в наличии, поставок нет
29 0330034

Сальник (SEAL)

нет в наличии, поставок нет
30 0431992

ADAPTER, Exh. hsg. (ADAPTER, Exh. hsg.)

нет в наличии, поставок нет
30 0435304

   (последний код) ADAPTOR&STUD AY

нет в наличии, поставок нет
31 0330032

Шпилька, Adapter. (STUD, Adapter.)

нет в наличии, поставок нет
32 0330929

Пластина верхней опоры (PLATE, Upper mount)

нет в наличии, поставок нет
33 0909386

Винт, Megaphone & inner hsg. (SCREW, Megaphone & inner hsg.)

нет в наличии, поставок нет
34 0302290

LOCKШайба (LOCKWASHER)

нет в наличии, поставок нет
34 0338307

   (последний код) WASHER,LOCK

нет в наличии, поставок нет
35 0325095

Винт, Hsg. to adapter (SCREW, Hsg. to adapter)

нет в наличии, поставок нет
36 0306409

Винт, Adapter to Корпус, outer (SCREW, Adapter to housing, outer)

нет в наличии, поставок нет
37 0329975

Прокладка, Adapter to powerhead (GASKET, Adapter to powerhead)

нет в наличии, поставок нет
38 0432017

Монтажная резинка в сборе., верхний 20 дюйм Transom Models Only (RUBBER MOUNT ASSY., Upper. 20 in. Transom Models Only)

нет в наличии, поставок нет
38 0396366

   (последний код) UPPER-MOUNT

нет в наличии, поставок нет
38 0395539

Монтажная резинка в сборе., верхний 25 дюйм Transom Models Only 250 Models Only (RUBBER MOUNT ASSY., Upper. 25 in. Transom Models Only 250 Models Only)

нет в наличии, поставок нет
38 0984468

Монтажная резинка в сборе., верхний 25 дюйм Transom Models Only 300 Models Only (RUBBER MOUNT ASSY., Upper. 25 in. Transom Models Only 300 Models Only)

нет в наличии, поставок нет
38 0395538

   (последний код) UPPER-RUBBER

нет в наличии, поставок нет
39 0330930

Винт, верхний Крепление, rear (SCREW, Upper mount, rear)

нет в наличии, поставок нет
39 0335021

   (последний код) SCREW 3/8-16

нет в наличии, поставок нет
41 0912345

Винт, верхний Крепление (SCREW, Upper mount)

нет в наличии, поставок нет
42 0313169

LOCKШайба, Крепление Винт (LOCKWASHER, Mount screw)

нет в наличии, поставок нет
43 0583967

LEAD в сборе., Заземление (LEAD ASSY., Ground)

нет в наличии, поставок нет
43 0583357

   (последний код) LEAD-AY

нет в наличии, поставок нет
44 0335554

Гайка, Tilt Трубка (NUT, Tilt tube)

нет в наличии, поставок нет
45 0329713

Кронштейн транца, Starboard (STERN BRACKET, Starboard)

нет в наличии, поставок нет
46 0327699

Упорная шайба, Кронштейн транца (THRUST WASHER, Stern bracket)

нет в наличии, поставок нет
46 0910992

   (последний код) THRUST WASHER

нет в наличии, поставок нет
47 0335553

TILT Трубка (TILT TUBE)

нет в наличии, поставок нет
48 0327264

Струбцина , Кабели (CLAMP , Cable)

нет в наличии, поставок нет
48 0352105

   (последний код) CLAMP

нет в наличии, поставок нет
49 0331038

Штифт, Цилиндр наклона (PIN, Tilt cylinder)

нет в наличии, поставок нет
50 0331010

Втулка, Цилиндр наклона (BUSHING, Tilt cylinder)

нет в наличии, поставок нет
51 0306422

Гайка, Powerhead to adapter (NUT, Powerhead to adapter)

нет в наличии, поставок нет
52 0331029

Пружина Зажим (SPRING CLIP)

нет в наличии, поставок нет
53 0313623

Гайка, Кронштейн транца Винт (NUT, Stern bracket screw)

нет в наличии, поставок нет
53 0321861

   (последний код) NUT

нет в наличии, поставок нет
54 0211388

Наклейка, Выхлоп hsg., Ev. (DECAL, Exhaust hsg., Ev.)

нет в наличии, поставок нет
54 0336386

Наклейка, Выхлоп hsg., Jo. (DECAL, Exhaust hsg., Jo.)

нет в наличии, поставок нет
55 0320248

Шайба (WASHER)

нет в наличии, поставок нет
55 0312910

   (последний код) WASHER

нет в наличии, поставок нет
56 0318273

Фиксатор (RETAINER)

нет в наличии, поставок нет
57 0319886

Винт (SCREW)

нет в наличии, поставок нет
58 0318572

Монтажная крышка Винтs. (CAP, Mounting screws.)

нет в наличии, поставок нет
59 0327053

Винт, Brkt. to transom, 3 дюйм (SCREW, Brkt. to transom, 3 in.)

нет в наличии, поставок нет
59 0331578

Винт, Brkt. to transom, 5 дюйм (SCREW, Brkt. to transom, 5 in.)

нет в наличии, поставок нет
60 0332530

Воротник, Выхлоп Сальник (COLLAR, Exhaust seal)

нет в наличии, поставок нет
61 0329417

Упорный стержень в сборе. (THRUST ROD ASSY.)

нет в наличии, поставок нет
63 0323142

Пружина, Trail lock (SPRING, Trail lock)

нет в наличии, поставок нет
63 0322394

   (последний код) SPRING

нет в наличии, поставок нет
64 0329712

STERN BRKT. в сборе., Port (STERN BRKT. ASSY., Port)

нет в наличии, поставок нет
65 0390442

LOCKING Рычаг, Тяга (LOCKING LEVER, Rod)

нет в наличии, поставок нет
65 5004427

   (последний код) LEVER&ROD AY

нет в наличии, поставок нет
66 0307708

Шайба, Powerhead to adapter (WASHER, Powerhead to adapter)

нет в наличии, поставок нет
66 0302865

   (последний код) LOCKWASHER

нет в наличии, поставок нет
67 0552938

Гайка, Шпилька, powerhead to adapter (NUT, Stud, powerhead to adapter)

нет в наличии, поставок нет
67 0306319

   (последний код) NUT

нет в наличии, поставок нет
68 0911312

Сальник , Стержень Вал. 25 дюйм Transom Models Only (SEAL , Pivot shaft. 25 in. Transom Models Only)

нет в наличии, поставок нет
69 0321499

THRUST PAD (THRUST PAD)

нет в наличии, поставок нет
69 0320816

   (последний код) -THRUST-PAD

нет в наличии, поставок нет
70 0552938

LOCKГайка (LOCKNUT)

нет в наличии, поставок нет
70 0306319

   (последний код) NUT

нет в наличии, поставок нет
71 0330033

Сальник, Удлинитель корпуса (SEAL, Exhaust Housing)

нет в наличии, поставок нет
72 0330078

Прокладка кожуха выхлопной трубы. 20 дюйм Transom Models Only (GASKET, Exhaust cover. 20 in. Transom Models Only)

нет в наличии, поставок нет
73 0329109

SHOULDER Винт (SHOULDER SCREW)

нет в наличии, поставок нет
73 0321389

   (последний код) HH-SHOULDER

нет в наличии, поставок нет
74 0512741

Фиксатор, Sending unit (RETAINER, Sending unit)

нет в наличии, поставок нет
75 0321243

Втулка, Кронштейн транца (BUSHING, Stern bracket)

нет в наличии, поставок нет
76 0330073

Кожух выхлопной трубы. 20 дюйм Transom Models Only (EXHAUST COVER. 20 in. Transom Models Only)

нет в наличии, поставок нет
77 0330931

Винт, верхний Крепление, front (SCREW, Upper mount, front)

нет в наличии, поставок нет
77 0121250

   (последний код) SCREW

нет в наличии, поставок нет
78 0308963

Винт, Adapter, rear (SCREW, Adapter, rear)

нет в наличии, поставок нет
78 0131794

   (последний код) SCREW

нет в наличии, поставок нет
79 0333575

Прокладка, Inner exh. hsg. to adapter (GASKET, Inner exh. hsg. to adapter)

нет в наличии, поставок нет
80 0321735

SвышеPORT, Кронштейн транца (SUPPORT, Stern bracket)

нет в наличии, поставок нет
81 0552993

Шайба, Винт to Кронштейн (WASHER, Screw to bracket)

нет в наличии, поставок нет
81 0330266

   (последний код) WASHER

нет в наличии, поставок нет
82 0303459

Винт, Adapter to outer hsg. (SCREW, Adapter to outer hsg.)

нет в наличии, поставок нет
82 3852048

   (последний код) SCREW

нет в наличии, поставок нет
84 0583359

SENDING UNIT в сборе. (SENDING UNIT ASSY.)

нет в наличии, поставок нет
84 0583132

   (последний код) SENDING-UNIT

нет в наличии, поставок нет
85 0511527

Фиксатор (RETAINER)

нет в наличии, поставок нет
85 3852232

   (последний код) RETAINER

нет в наличии, поставок нет
86 0511528

Пружина (SPRING)

нет в наличии, поставок нет
87 0320689

Гайка (NUT)

нет в наличии, поставок нет
87 3852164

   (последний код) NUT

нет в наличии, поставок нет
88 0512211

Рычаг (ARM)

нет в наличии, поставок нет
88 0511530

   (последний код) ARM-SENDING

нет в наличии, поставок нет
89 0511469

Клемма, Sending unit (TERMINAL, Sending unit)

нет в наличии, поставок нет
89 3852229

   (последний код) TERMINAL,PIN

нет в наличии, поставок нет
90 0308825

Винт, Sending unit to Кронштейн (SCREW, Sending unit to bracket)

нет в наличии, поставок нет
90 3852081

   (последний код) SCREW

нет в наличии, поставок нет
91 0322376

WIPER Гайка, Tilt Трубка to Кабели. Recommended to prevent corrosion in salt water usage. (WIPER NUT, Tilt tube to cable. Recommended to prevent corrosion in salt water usage.)

нет в наличии, поставок нет
92 0433458

Анод, Кронштейн транца (ANODE, Stern bracket)

нет в наличии, поставок нет
92 0398331

   (последний код) ANODE & INSERT AY

нет в наличии, поставок нет
93 0333350

Винт, Анод (SCREW, Anode)

нет в наличии, поставок нет
94 0330006

Пыльник, Переключающая тяга to adapter (GROMMET, Shift rod to adapter)

нет в наличии, поставок нет
95 0512746

Коннектор, Sending unit (CONNECTOR, Sending unit)

нет в наличии, поставок нет
97 0306464

Винт, Adapter to powerhead (SCREW, Adapter to powerhead)

нет в наличии, поставок нет
98 0512790

Гильза, Trim motor (SLEEVE, Trim motor)

нет в наличии, поставок нет
99 0308825

Винт, Воротник (SCREW, Collar)

нет в наличии, поставок нет
99 3852081

   (последний код) SCREW

нет в наличии, поставок нет
100 0326712

FITTING, Oil cooler drain (FITTING, Oil cooler drain)

нет в наличии, поставок нет
100 0326912

   (последний код) NIPPLE

нет в наличии, поставок нет
101 0913396

Болт, Рулевая система Коннектор (BOLT, Steering connector)

нет в наличии, поставок нет
101 0912054

   (последний код) SCREW

нет в наличии, поставок нет
102 0912055

Проставка, Рулевая система Коннектор (SPACER, Steering connector)

нет в наличии, поставок нет
103 0315077

Гайка, Рулевая система Коннектор (NUT, Steering connector)

нет в наличии, поставок нет
103 3852132

   (последний код) NUT,LOCK

нет в наличии, поставок нет
104 0303701

LOCKШайба, Заземление (LOCKWASHER, Ground)

нет в наличии, поставок нет
105 0912233

Фиксатор, Сальник, Стержень Вал. 25 дюйм Transom Models Only (RETAINER, Seal, pivot shaft. 25 in. Transom Models Only)

нет в наличии, поставок нет
106 0317894

Колпачок, Tilt Трубка (CAP, Tilt tube)

нет в наличии, поставок нет
106 3852150

   (последний код) CAP

нет в наличии, поставок нет
107 0913262

SPRAY DEFLECTOR. 25 дюйм Transom Models Only (SPRAY DEFLECTOR. 25 in. Transom Models Only)

нет в наличии, поставок нет
107 0345776

   (последний код) DEFLECTOR,SPRAY

нет в наличии, поставок нет
108 0301250

Шайба, Spray deflector. 25 дюйм Transom Models Only (WASHER, Spray deflector. 25 in. Transom Models Only)

нет в наличии, поставок нет
108 0911009

   (последний код) WASHER

нет в наличии, поставок нет
109 0910736

Винт, Пластина & deflector. 25 дюйм Transom Models Only (SCREW, Plate & deflector. 25 in. Transom Models Only)

нет в наличии, поставок нет
110 0911201

Шайба, Spray Пластина. 25 дюйм Transom Models Only (WASHER, Spray plate. 25 in. Transom Models Only)

нет в наличии, поставок нет
111 0910741

Винт, Spray Пластина. 25 дюйм Transom Models Only (SCREW, Spray plate. 25 in. Transom Models Only)

нет в наличии, поставок нет
111 0313023

   (последний код) SCREW

нет в наличии, поставок нет
112 0334979

SPRAY Пластина. 25 дюйм Transom Models Only (SPRAY PLATE. 25 in. Transom Models Only)

нет в наличии, поставок нет
112 0345776

   (последний код) DEFLECTOR,SPRAY

нет в наличии, поставок нет
evinrude

Время выполнения запроса 1.7242579460144 сек.


 
 

данный сайт носит информационный характер и не является публичной офертой

склад запчастей для водомоторной техники