вконтакте

Контактный телефон: +7 (981) 121-46-93, +7 (800) 200-90-76 , Email: parts-katalog@yandex.ru, где купить

 
 

  Логин:

Пароль:

Регистрация

www.partskatalog.ru Все каталоги Запчасти Mercury Запчасти Suzuki Запчасти Tohatsu Запчасти Honda Контакты


Все разделы каталога запчастей на этот двигатель

назад Раздел:   вперёд

вернуться к списку узлов и деталей

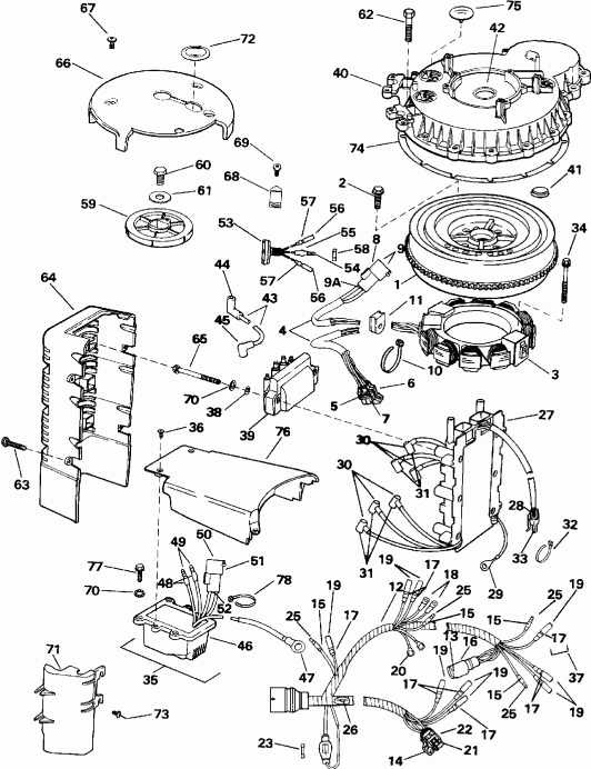
ДЕТАЛИРОВКА ДЛЯ МОДЕЛИ: EVINRUDE E150ELEIS 1991

IGNITION SYSTEM | IGNITION SYSTEM;


Двигатель Эвинруд E150ELEIS 1991  - nition System - nition System

Номер на
рисунке
АртикулНаименованиеКол-во
на складе
Цена
1 0584350

Маховик, в сборе. (FLYWHEEL, ASSY.)

нет в наличии, поставок нет
2 0336135

Винт, Маховик (SCREW, Flywheel)

нет в наличии, поставок нет
2 0306284

   (последний код) SCREW

нет в наличии, поставок нет
3 0584109

Статор в сборе. (STATOR ASSY.)

нет в наличии, поставок нет
3 0763759

   (последний код) STATOR,35AMP 6V6

нет в наличии, поставок нет
4 0336459

Гильза (SLEEVE)

нет в наличии, поставок нет
4 0336044

   (последний код) SLEEVE

нет в наличии, поставок нет
5 0513437

Сальник (SEAL)

нет в наличии, поставок нет
6 0513424

Коннектор (CONNECTOR)

нет в наличии, поставок нет
7 0513423

Клемма (TERMINAL)

нет в наличии, поставок нет
7 3855267

   (последний код) TERMINAL

нет в наличии, поставок нет
8 0513664

Коннектор (CONNECTOR)

нет в наличии, поставок нет
8 3852250

   (последний код) CONN,2-CONT

нет в наличии, поставок нет
9 0513667

Клемма (TERMINAL)

нет в наличии, поставок нет
9 3852253

   (последний код) TERMINAL,RCP

нет в наличии, поставок нет
9A 0513665

Заглушка, Сальник (PLUG, Seal)

нет в наличии, поставок нет
9A 3852251

   (последний код) PLUG,CONN SEAL

нет в наличии, поставок нет
10 0317893

Крепёжный хомут (TIE STRAP)

нет в наличии, поставок нет
10 3852149

   (последний код) TIE-STRAP

нет в наличии, поставок нет
11 0336732

Пыльник (GROMMET)

нет в наличии, поставок нет
12 0584002

Двигатель Кабели в сборе. (ENGINE CABLE ASSY.)

нет в наличии, поставок нет
12 0584674

   (последний код) CABLE&TAG AY,MO

нет в наличии, поставок нет
13 0511469

Штифт, Клемма (PIN, Terminal)

нет в наличии, поставок нет
13 3852229

   (последний код) TERMINAL,PIN

нет в наличии, поставок нет
14 0513438

Коннектор (CONNECTOR)

нет в наличии, поставок нет
15 0513185

Гильза (SLEEVE)

нет в наличии, поставок нет
15 0512948

   (последний код) SLEEVE

нет в наличии, поставок нет
16 0512750

Коннектор (CONNECTOR)

нет в наличии, поставок нет
16 3852242

   (последний код) CONN,4-PIN-R

нет в наличии, поставок нет
17 0513186

Гильза (SLEEVE)

нет в наличии, поставок нет
17 3852248

   (последний код) SLEEVE,SKT-B

нет в наличии, поставок нет
18 0511829

Кольцо, Клемма (RING, Terminal)

нет в наличии, поставок нет
18 3852233

   (последний код) TERMINAL,RIN

нет в наличии, поставок нет
19 0512876

Клемма (TERMINAL)

нет в наличии, поставок нет
19 3852244

   (последний код) TERMINAL,SOC

нет в наличии, поставок нет
20 0330100

Кольцо, Клемма (RING, Terminal)

нет в наличии, поставок нет
20 3852198

   (последний код) TERMINAL,RIN

нет в наличии, поставок нет
21 0513423

Клемма (TERMINAL)

нет в наличии, поставок нет
21 3855267

   (последний код) TERMINAL

нет в наличии, поставок нет
22 0513437

Сальник (SEAL)

нет в наличии, поставок нет
23 0510884

Предохранитель, 20 Amp. (FUSE, 20 Amp.)

нет в наличии, поставок нет
23 0510384

   (последний код) FUSE

нет в наличии, поставок нет
25 0512947

Штифт, Клемма (PIN, Terminal)

нет в наличии, поставок нет
25 0910462

   (последний код) TERM.-60766-

нет в наличии, поставок нет
26 0583898

DIODE (DIODE)

нет в наличии, поставок нет
26 3852258

   (последний код) KIT-AY,DIODE

нет в наличии, поставок нет
27 0584122

POWER PACK (POWER PACK)

нет в наличии, поставок нет
27 0436367

   (последний код) PP&SENSOR(BLU SLV)

нет в наличии, поставок нет
28 0513440

Коннектор, Датчик ay. (CONNECTOR, Sensor ay.)

нет в наличии, поставок нет
29 0510818

Кольцо, Клемма (RING, Terminal)

нет в наличии, поставок нет
29 3854243

   (последний код) TERMINAL,RIN

нет в наличии, поставок нет
30 0512478

Крышка (COVER)

нет в наличии, поставок нет
31 0512256

Штифт, Внешняя розетка (PIN, Receptacle)

нет в наличии, поставок нет
32 0317893

Крепёжный хомут (TIE STRAP)

нет в наличии, поставок нет
32 3852149

   (последний код) TIE-STRAP

нет в наличии, поставок нет
33 0513439

Клемма (TERMINAL)

нет в наличии, поставок нет
34 0308995

Винт, Статор Креплениеing (SCREW, Stator mounting)

нет в наличии, поставок нет
35 0335399

Сальник, Регулятор to Картер двигателя (SEAL, Regulator to crankcase)

нет в наличии, поставок нет
35 0350357

   (последний код) GASKET

нет в наличии, поставок нет
36 0315656

Винт, Крышка (SCREW, Cover)

нет в наличии, поставок нет
37 0512742

Фиксатор (RETAINER)

нет в наличии, поставок нет
37 3852237

   (последний код) RETAINER,CON

нет в наличии, поставок нет
38 0328702

Шайба, Coil Креплениеing (WASHER, Coil mounting)

нет в наличии, поставок нет
38 3852183

   (последний код) WASHER

нет в наличии, поставок нет
39 0583740

COIL AY., Dual (COIL AY., Dual)

нет в наличии, поставок нет
39 0583298

   (последний код) IGNITION COIL

нет в наличии, поставок нет
40 0433581

Крышка AY., Маховик (COVER AY., Flywheel)

нет в наличии, поставок нет
41 0335294

Втулка, Шестерня & Вал to crkc. (BUSHING, Pinion & shaft to crkc.)

нет в наличии, поставок нет
41 0341613

   (последний код) BUSHING

нет в наличии, поставок нет
42 0911788

Сальник (SEAL)

нет в наличии, поставок нет
43 0584123

LEAD в сборе., Катушка зажигания (15 1 / 2") (LEAD ASSY., Ignition coil (15 1/2"))

нет в наличии, поставок нет
43 0584124

LEAD в сборе., Катушка зажигания (14 1 / 2") (LEAD ASSY., Ignition coil (14 1/2"))

нет в наличии, поставок нет
43 5005806

   (последний код) LEAD AY,H/T-SUPP

нет в наличии, поставок нет
43 0584125

LEAD в сборе., Катушка зажигания (11 1 / 4") (LEAD ASSY., Ignition coil (11 1/4"))

нет в наличии, поставок нет
43 5005807

   (последний код) LEAD AY,H/T-SUPP

нет в наличии, поставок нет
44 0581027

Клемма & Крышка (TERMINAL & COVER)

нет в наличии, поставок нет
45 0580339

Клемма & Крышка (TERMINAL & COVER)

нет в наличии, поставок нет
45 0510232

   (последний код) COVER

нет в наличии, поставок нет
46 0584093

Выпрямитель & Регулятор (RECTIFIER & REGULATOR)

нет в наличии, поставок нет
46 0439561

   (последний код) RECT/RGLTR&GSKT AY

нет в наличии, поставок нет
47 0204053

Кольцо, Клемма (RING, Terminal)

нет в наличии, поставок нет
47 3852037

   (последний код) TERMINAL,RIN

нет в наличии, поставок нет
48 0513185

Гильза (SLEEVE)

нет в наличии, поставок нет
48 0512948

   (последний код) SLEEVE

нет в наличии, поставок нет
49 0512947

Клемма (TERMINAL)

нет в наличии, поставок нет
49 0910462

   (последний код) TERM.-60766-

нет в наличии, поставок нет
50 0513666

Клемма, Blade (TERMINAL, Blade)

нет в наличии, поставок нет
50 3852252

   (последний код) TERMINAL,BLA

нет в наличии, поставок нет
51 0513663

Коннектор (CONNECTOR)

нет в наличии, поставок нет
51 3852249

   (последний код) CONN,2-CONT

нет в наличии, поставок нет
52 0513665

Сальник (SEAL)

нет в наличии, поставок нет
52 3852251

   (последний код) PLUG,CONN SEAL

нет в наличии, поставок нет
53 0583803

TILT Переключатель, Крышка двигателя (капот) (TILT SWITCH, Engine cover)

нет в наличии, поставок нет
53 0585146

   (последний код) SWITCH AY,T&T

нет в наличии, поставок нет
54 0512947

BULLET, Клемма (BULLET, Terminal)

нет в наличии, поставок нет
54 0910462

   (последний код) TERM.-60766-

нет в наличии, поставок нет
55 0513185

Гильза (SLEEVE)

нет в наличии, поставок нет
55 0512948

   (последний код) SLEEVE

нет в наличии, поставок нет
56 0512876

SOCKET, Клемма (SOCKET, Terminal)

нет в наличии, поставок нет
56 3852244

   (последний код) TERMINAL,SOC

нет в наличии, поставок нет
57 0513186

Гильза (SLEEVE)

нет в наличии, поставок нет
57 3852248

   (последний код) SLEEVE,SKT-B

нет в наличии, поставок нет
58 0334656

Гайка, Переключатель (NUT, Switch)

нет в наличии, поставок нет
59 0513031

TIMING WHEEL (TIMING WHEEL)

нет в наличии, поставок нет
59 0513467

   (последний код) ENCODER

нет в наличии, поставок нет
60 0330437

Винт, Timing wheel (SCREW, Timing wheel)

нет в наличии, поставок нет
60 3852201

   (последний код) SCREW

нет в наличии, поставок нет
61 0315770

Шайба, Винт, Timing wheel (WASHER, Screw, Timing wheel)

нет в наличии, поставок нет
61 3852136

   (последний код) WASHER

нет в наличии, поставок нет
62 0909533

Винт, Крышка маховика (SCREW, Flywheel cover)

нет в наличии, поставок нет
62 0324429

   (последний код) SCREW,IMP HSG

нет в наличии, поставок нет
63 0315656

Винт, Крышка, power pack (SCREW, Cover, power pack)

нет в наличии, поставок нет
64 0513584

Крышка, Power pack (COVER, Power pack)

нет в наличии, поставок нет
65 0331102

Винт, Coil to block (SCREW, Coil to block)

нет в наличии, поставок нет
65 0329625

   (последний код) WING-SCREW

нет в наличии, поставок нет
66 0335428

Крышка датчика (COVER, Sensor)

нет в наличии, поставок нет
67 0315656

Винт, Крышка датчика (SCREW, Cover, sensor)

нет в наличии, поставок нет
68 0335204

TIMING POINTER (TIMING POINTER)

нет в наличии, поставок нет
69 0315656

Винт, Timing pointer (SCREW, Timing pointer)

нет в наличии, поставок нет
70 0301551

LOCKШайба, Заземление (LOCKWASHER, Ground)

нет в наличии, поставок нет
71 0335571

Кронштейн, Motor Кабели (BRACKET, Motor cable)

нет в наличии, поставок нет
71 0340125

   (последний код) BRACKET,MOT

нет в наличии, поставок нет
72 0316074

Заглушка, Крышка маховика (PLUG, Flywheel cover)

нет в наличии, поставок нет
73 0333430

Винт, Кабели brkt. to cyl. head (SCREW, Cable brkt. to cyl. head)

нет в наличии, поставок нет
74 0434511

Прокладка, Крышка маховика (GASKET, Flywheel cover)

нет в наличии, поставок нет
75 0336492

Клапан, Крышка маховика (VALVE, Flywheel cover)

нет в наличии, поставок нет
76 0584415

Крышка, Powerpack to Маховик (COVER, Powerpack to flywheel)

нет в наличии, поставок нет
77 0328744

Винт, Регулятор (SCREW, Regulator)

нет в наличии, поставок нет
77 0308741

   (последний код) SCREW

нет в наличии, поставок нет
78 0320107

Крепёжный хомут (TIE STRAP)

нет в наличии, поставок нет
78 5035626

   (последний код) BAND,REM CON

нет в наличии, поставок нет
evinrude

Время выполнения запроса 2.6397240161896 сек.


 
 

данный сайт носит информационный характер и не является публичной офертой

склад запчастей для водомоторной техники