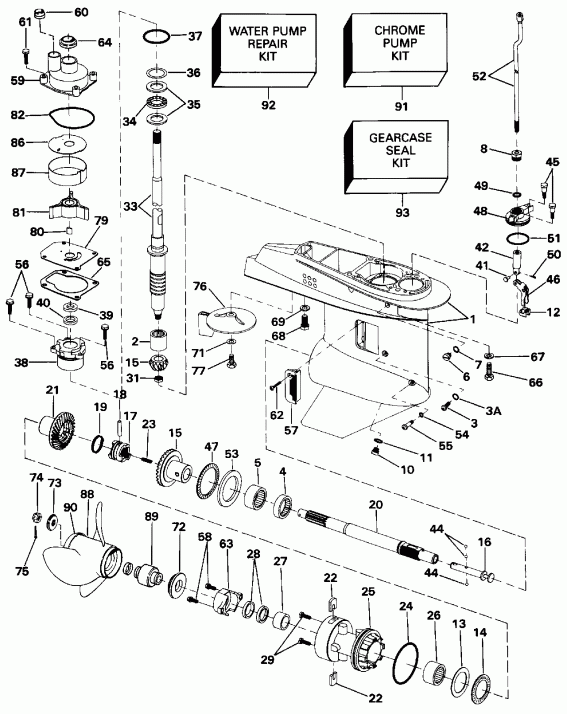
Номер на рисунке | Артикул | Наименование | Кол-во на складе | Цена |
| 0433340 | 0433340 | Редуктор в сборе., Stnd. (15") Not Shown (GEARCASE ASSY., Stnd. (15"). Not Shown) | нет в наличии, поставок нет |
| 0433340 | 0435276 | (последний код) GEARCASE-ASSY. | нет в наличии, поставок нет |
| 0433341 | 0433341 | Редуктор в сборе., Long (20") Not Shown (GEARCASE ASSY., Long (20"). Not Shown) | нет в наличии, поставок нет |
| 0433341 | 0435277 | (последний код) GEARCASE-ASSY. | нет в наличии, поставок нет |
| 1 | 0432280 | Редуктор в сборе с подшипником. (GEARCASE & BEARING ASSY.) | нет в наличии, поставок нет |
| 2 | 0382343 | Подшипник, Шестерня (BEARING, Pinion) | нет в наличии, поставок нет |
| 3 | 0324852 | RETAINING Винт & Сальник (RETAINING SCREW & SEAL) | нет в наличии, поставок нет |
| 3A | 0332584 | Уплотнительное кольцо (O-RING) | нет в наличии, поставок нет |
| 4 | 0432264 | Подшипник AY., дляward Шестерня (BEARING AY., Forward gear) | нет в наличии, поставок нет |
| 5 | 0382407 | Подшипник в сборе. (BEARING ASSY.) | 1 шт | 5500 руб. |
| 6 | 0309243 | Заглушка, Fill & drain, верхний (PLUG, Fill & drain, upper) | нет в наличии, поставок нет |
| 6 | 0333800 | (последний код) SCREW | нет в наличии, поставок нет |
| 7 | 0336982 | Уплотнительное кольцо (O-RING) | нет в наличии, поставок нет |
| 8 | 0333780 | Втулка, Переключающая тяга (BUSHING, Shift rod) | нет в наличии, поставок нет |
| 10 | 0318544 | Заглушка, Fill & drain, нижний (PLUG, Fill & drain, lower) | нет в наличии, поставок нет |
| 10 | 0912624 | (последний код) SCREW | нет в наличии, поставок нет |
| 11 | 0333572 | Уплотнительное кольцо (O-RING) | нет в наличии, поставок нет |
| 11 | 3855081 | (последний код) 0-RING | нет в наличии, поставок нет |
| 12 | 0332507 | CRADLE, Переключательer (CRADLE, Shifter) | нет в наличии, поставок нет |
| 13 | 0332514 | Упорная шайба (THRUST WASHER) | нет в наличии, поставок нет |
| 14 | 0397537 | THRUST Подшипник (THRUST BEARING) | нет в наличии, поставок нет |
| 14 | 0979771 | (последний код) THRUST BRG | нет в наличии, поставок нет |
| 15 | 0397627 | Шестерня SET, Fwd. (GEAR SET, Fwd.) | нет в наличии, поставок нет |
| 16 | 0332503 | Переключающий вал dog (SHAFT, Shift dog) | нет в наличии, поставок нет |
| 17 | 0332491 | Переключатель собачки сцепления (SHIFTER, Clutch dog) | нет в наличии, поставок нет |
| 18 | 0320310 | Штифт сцепления dog (PIN, Clutch dog) | нет в наличии, поставок нет |
| 19 | 0320311 | Пружина, Сцепление dog Штифт (SPRING, Clutch dog pin) | нет в наличии, поставок нет |
| 20 | 0397541 | Вал гребного винта в сборе. (PROPELLER SHAFT ASSY.) | нет в наличии, поставок нет |
| 20 | 0439138 | (последний код) SHAFT AY,PROPELLER | нет в наличии, поставок нет |
| 21 | 0332489 | Шестерня обратного хода (GEAR, Reverse) | нет в наличии, поставок нет |
| 22 | 0332495 | Фиксатор Пластина, Подшипник hsg. (RETAINER PLATE, Bearing hsg.) | нет в наличии, поставок нет |
| 23 | 0332484 | Пружина переключателяer (SPRING, Shifter) | нет в наличии, поставок нет |
| 24 | 0553126 | Уплотнительное кольцо, Подшипник Корпус (O-RING, Bearing housing) | нет в наличии, поставок нет |
| 25 | 0332493 | Подшипник Корпус в сборе. (BEARING HOUSING ASSY.) | нет в наличии, поставок нет |
| 25 | 0432276 | (последний код) HOUSING AY,BEARING | нет в наличии, поставок нет |
| 26 | 0386764 | Игольчатый подшипник в сборе. (NEEDLE BEARING ASSY.) | нет в наличии, поставок нет |
| 27 | 0386765 | Игольчатый подшипник в сборе. (NEEDLE BEARING ASSY.) | нет в наличии, поставок нет |
| 27 | 0377132 | (последний код) NEEDLE BEARING | нет в наличии, поставок нет |
| 28 | 0321467 | Сальник (SEAL) | нет в наличии, поставок нет |
| 28 | 0303804 | (последний код) SEAL SHAFT | нет в наличии, поставок нет |
| 29 | 0328744 | Винт, Фиксатор (SCREW, Retainer) | нет в наличии, поставок нет |
| 29 | 0308741 | (последний код) SCREW | нет в наличии, поставок нет |
| 31 | 0313339 | Гайка, Шестерня to dВал (NUT, Pinion to dshaft) | нет в наличии, поставок нет |
| 33 | 0433066 | Приводной вал., Stnd (DRIVESHAFT ASSY., Stnd) | нет в наличии, поставок нет |
| 33 | 0433067 | Приводной вал., Long (DRIVESHAFT ASSY., Long) | нет в наличии, поставок нет |
| 34 | 0398901 | THRUST Подшипник в сборе. (THRUST BEARING ASSY.) | нет в наличии, поставок нет |
| 35 | 0333771 | Упорная шайба (THRUST WASHER) | нет в наличии, поставок нет |
| 36 | 0313273 | Регулировочная шайба, 0, 07 мм (0.003 дюйм) (SHIM, 0,07mm (0.003 in.)) | нет в наличии, поставок нет |
| 36 | 0332498 | (последний код) SHIM(.003) | нет в наличии, поставок нет |
| 36 | 0313274 | Регулировочная шайба, 0, 10 мм (0.004 дюйм) (SHIM, 0,10mm (0.004 in.)) | нет в наличии, поставок нет |
| 36 | 0332499 | (последний код) SHIM(.004) | нет в наличии, поставок нет |
| 36 | 0313275 | Регулировочная шайба, 0, 12 мм (0, 005 дюйм) (SHIM, 0,12mm (0,005 in.)) | нет в наличии, поставок нет |
| 36 | 0332500 | (последний код) SHIM(.005) | нет в наличии, поставок нет |
| 36 | 0313276 | Регулировочная шайба, (0.006) (SHIM, (0.006)) | нет в наличии, поставок нет |
| 36 | 0332501 | (последний код) SHIM(.006) | нет в наличии, поставок нет |
| 36 | 0313277 | Регулировочная шайба, (0, 007) (SHIM, (0,007)) | нет в наличии, поставок нет |
| 36 | 0332502 | (последний код) SHIM(.007) | нет в наличии, поставок нет |
| 37 | 0310327 | Уплотнительное кольцо, Подшипник Корпус (O-RING, Bearing housing) | нет в наличии, поставок нет |
| 38 | 0432287 | Подшипник Корпус в сборе. (BEARING HOUSING ASSY.) | нет в наличии, поставок нет |
| 38 | 0435274 | (последний код) D/S BRG HSG&SEAL | нет в наличии, поставок нет |
| 39 | 0332205 | Сальник, Корпус, верхний (SEAL, Housing, upper) | нет в наличии, поставок нет |
| 40 | 0321466 | Сальник, Корпус, нижний (SEAL, Housing, lower) | нет в наличии, поставок нет |
| 40 | 0318223 | (последний код) OIL RET 5 PK | нет в наличии, поставок нет |
| 41 | 0302504 | Штифт, Коннектор переключающей тяги (PIN, Connector, shift rod) | нет в наличии, поставок нет |
| 42 | 0332508 | Коннектор переключающей тяги (CONNECTOR, Shift rod) | нет в наличии, поставок нет |
| 44 | 0316506 | Шарик, Detent (BALL, Detent) | нет в наличии, поставок нет |
| 45 | 0316037 | Винт, Крышка to Редуктор (SCREW, Cover to gearcase) | нет в наличии, поставок нет |
| 45 | 0328721 | (последний код) SCREW | нет в наличии, поставок нет |
| 46 | 0332492 | Рычаг переключателя (LEVER, Shift) | нет в наличии, поставок нет |
| 47 | 0397538 | THRUST Подшипник (THRUST BEARING) | нет в наличии, поставок нет |
| 48 | 0333781 | Крышка, Переключающая тяга (COVER, Shift rod) | нет в наличии, поставок нет |
| 48 | 0434588 | (последний код) COVER&BUSHING AY | нет в наличии, поставок нет |
| 49 | 0318372 | Уплотнительное кольцо, Переключающая тяга (O-RING, Shift rod) | нет в наличии, поставок нет |
| 50 | 0306376 | Шплинт (COTTER PIN) | нет в наличии, поставок нет |
| 50 | 0306370 | (последний код) COTTER PIN | нет в наличии, поставок нет |
| 51 | 0913921 | Уплотнительное кольцо, Крышка to gcase (O-RING, Cover to gcase) | нет в наличии, поставок нет |
| 51 | 3852928 | (последний код) O-RING | нет в наличии, поставок нет |
| 52 | 0332509 | Переключающая тяга, Stnd (SHIFT ROD, Stnd) | нет в наличии, поставок нет |
| 52 | 0332510 | Переключающая тяга, Long (SHIFT ROD, Long) | нет в наличии, поставок нет |
| 53 | 0333725 | Упорная шайба, дляward Шестерня (THRUST WASHER, Forward gear) | нет в наличии, поставок нет |
| 54 | 0317178 | Сальник, Винт (SEAL, Screw) | нет в наличии, поставок нет |
| 55 | 0333770 | Винт, Рычаг переключения (SCREW, Shift lever) | нет в наличии, поставок нет |
| 56 | 0909386 | Винт, Hsg. to gcase (SCREW, Hsg. to gcase) | нет в наличии, поставок нет |
| 57 | 0332494 | Водяной экран Система впуска (SCREEN, Water intake) | нет в наличии, поставок нет |
| 58 | 0909636 | Винт, Анод (SCREW, Anode) | нет в наличии, поставок нет |
| 58 | 3852473 | (последний код) SCREW | нет в наличии, поставок нет |
| 59 | 0333783 | Крыльчатка Корпус (IMPELLER HOUSING) | нет в наличии, поставок нет |
| 59 | 0435672 | (последний код) HSG-AY,IMPLR | нет в наличии, поставок нет |
| 60 | 0333758 | Пыльник водяной трубки. Also included in Ремкомплект водяного насоса 433549 (GROMMET, Water tube. Also included in Water Pump Repair Kit 433549) | нет в наличии, поставок нет |
| 61 | 0331979 | Винт, Крыльчатка hsg.. Also included in Ремкомплект водяного насоса 433549 (SCREW, Impeller hsg.. Also included in Water Pump Repair Kit 433549) | нет в наличии, поставок нет |
| 62 | 0325539 | Винт, Water Система впуска (SCREW, Water intake) | нет в наличии, поставок нет |
| 62 | 0312270 | (последний код) SCREW | нет в наличии, поставок нет |
| 63 | 0398873 | Анод, Подшипник Корпус (ANODE, Bearing housing) | нет в наличии, поставок нет |
| 64 | 0315748 | Пыльник, Корпус. Also included in Ремкомплект водяного насоса 433549 (GROMMET, Housing. Also included in Water Pump Repair Kit 433549) | нет в наличии, поставок нет |
| 64 | 0341732 | (последний код) GROMMET | 1 шт | 160 руб. |
| 65 | 0336530 | Прокладка, Пластина (GASKET, Plate) | нет в наличии, поставок нет |
| 66 | 0305282 | Винт, Gcase to hsg. (SCREW, Gcase to hsg.) | нет в наличии, поставок нет |
| 67 | 0330266 | LOCKШайба (LOCKWASHER) | нет в наличии, поставок нет |
| 67 | 3852200 | (последний код) WASHER | нет в наличии, поставок нет |
| 68 | 0313697 | Винт, Short (SCREW, Short) | нет в наличии, поставок нет |
| 68 | 0312697 | (последний код) SCREW | нет в наличии, поставок нет |
| 69 | 0330265 | LOCKШайба, Short Винт (LOCKWASHER, Short screw) | нет в наличии, поставок нет |
| 71 | 0330266 | Шайба, Винт Пластина трима (WASHER, Screw trim tab) | нет в наличии, поставок нет |
| 71 | 3852200 | (последний код) WASHER | нет в наличии, поставок нет |
| 72 | 0320305 | Упорная втулка в сборе. (THRUST BUSHING ASSY.) | нет в наличии, поставок нет |
| 73 | 0315810 | Проставка, Prop. Гайка (SPACER, Prop. nut) | нет в наличии, поставок нет |
| 74 | 0314503 | Гайка гребного винта (NUT, Propeller) | нет в наличии, поставок нет |
| 75 | 0314502 | Шплинт, Prop. Гайка (COTTER PIN, Prop. nut) | нет в наличии, поставок нет |
| 76 | 0332475 | Пластина трима, Редуктор (TRIM TAB, Gearcase) | нет в наличии, поставок нет |
| 76 | 0340539 | (последний код) TRIM TAB, ALUM | нет в наличии, поставок нет |
| 77 | 0335021 | Винт, Пластина трима (SCREW, Trim tab) | нет в наличии, поставок нет |
| 77 | 0330930 | (последний код) SCREW | нет в наличии, поставок нет |
| 79 | 0336251 | Пластина корпуса крыльчатки. Stainless steel Also included in Ремкомплект водяного насоса 433549 (PLATE, Impeller housing. Stainless steel Also included in Water Pump Repair Kit 433549) | нет в наличии, поставок нет |
| 79 | 0341038 | (последний код) IMP HSG PLATE | нет в наличии, поставок нет |
| 79 | 0319588 | Пластина корпуса крыльчатки. хромированная пластина (PLATE, Impeller housing. Chrome Plated) | нет в наличии, поставок нет |
| 79 | 0341187 | (последний код) PLATE | нет в наличии, поставок нет |
| 80 | 0334897 | Ключ, Крыльчатка to dВал. Also included in Ремкомплект водяного насоса 433549 (KEY, Impeller to dshaft. Also included in Water Pump Repair Kit 433549) | нет в наличии, поставок нет |
| 81 | 0432941 | Крыльчатка в сборе.. Also included in Ремкомплект водяного насоса 433549 (IMPELLER ASSY.. Also included in Water Pump Repair Kit 433549) | нет в наличии, поставок нет |
| 82 | 0324981 | Сальник, Крыльчатка Корпус. Also included in Ремкомплект водяного насоса 433549 (SEAL, Impeller housing. Also included in Water Pump Repair Kit 433549) | нет в наличии, поставок нет |
| 86 | 0321940 | Пластина корпуса крыльчатки. Stainless steel Also included in Ремкомплект водяного насоса 433549 (PLATE, Impeller housing. Stainless steel Also included in Water Pump Repair Kit 433549) | нет в наличии, поставок нет |
| 86 | 0315145 | Пластина корпуса крыльчатки. хромированная пластина (PLATE, Impeller housing. Chrome Plated) | нет в наличии, поставок нет |
| 87 | 0324980 | LINER, Крыльчатка Корпус. Stainless steel Also included in Ремкомплект водяного насоса 433549 (LINER, Impeller housing. Stainless steel Also included in Water Pump Repair Kit 433549) | нет в наличии, поставок нет |
| 87 | 0321941 | (последний код) LINER | нет в наличии, поставок нет |
| 87 | 0319587 | LINER, Крыльчатка Корпус. хромированная пластина (LINER, Impeller housing. Chrome Plated) | нет в наличии, поставок нет |
| 88 | 0386908 | Гребной винт, 11 1 / 4 x 19 - Aluminum (PROPELLER, 11 1/4 x 19 - Aluminum) | нет в наличии, поставок нет |
| 88 | 0176423 | (последний код) PROP 11.5X19 | нет в наличии, поставок нет |
| 88 | 0391014 | Гребной винт, 11 1 / 4 x 21 - Aluminum (PROPELLER, 11 1/4 x 21 - Aluminum) | нет в наличии, поставок нет |
| 88 | 0177157 | (последний код) PROP AY,11.2 | нет в наличии, поставок нет |
| 88 | 0386841 | Гребной винт, 11 3 / 4 x 17 - Aluminum (PROPELLER, 11 3/4 x 17 - Aluminum) | нет в наличии, поставок нет |
| 88 | 0763462 | (последний код) PROP,AL 12 X 17 | нет в наличии, поставок нет |
| 88 | 0386786 | Гребной винт, 12 1 / 4 x 15 - Aluminum (PROPELLER, 12 1/4 x 15 - Aluminum) | нет в наличии, поставок нет |
| 88 | 0778774 | (последний код) PROP,AL 12.25 X 15 | нет в наличии, поставок нет |
| 88 | 0386909 | Гребной винт, 12 1 / 2 x 13 - Aluminum (PROPELLER, 12 1/2 x 13 - Aluminum) | нет в наличии, поставок нет |
| 88 | 0763461 | (последний код) PROP AL 12.5 X 13 | нет в наличии, поставок нет |
| 88 | 0386907 | Гребной винт, 13 x 11 - Aluminum (PROPELLER, 13 x 11 - Aluminum) | нет в наличии, поставок нет |
| 88 | 0390852 | Гребной винт, 11 1 / 4 x 19 - SST (PROPELLER, 11 1/4 x 19 - SST) | нет в наличии, поставок нет |
| 88 | 0389029 | (последний код) SST-PROP-19" | нет в наличии, поставок нет |
| 88 | 0391015 | Гребной винт, 11 1 / 4 x 21 - SST (PROPELLER, 11 1/4 x 21 - SST) | нет в наличии, поставок нет |
| 88 | 0390851 | Гребной винт, 11 3 / 4 x 17 - SST (PROPELLER, 11 3/4 x 17 - SST) | нет в наличии, поставок нет |
| 88 | 0763898 | (последний код) SS PROP 12X17 | нет в наличии, поставок нет |
| 88 | 0390850 | Гребной винт, 12 1 / 4 x 15 - SST (PROPELLER, 12 1/4 x 15 - SST) | нет в наличии, поставок нет |
| 88 | 0763897 | (последний код) SS PROP 12 1/4X15 | нет в наличии, поставок нет |
| 88 | 0390849 | Гребной винт, 12 1 / 2 x 13 - SST (PROPELLER, 12 1/2 x 13 - SST) | нет в наличии, поставок нет |
| 88 | 0763896 | (последний код) SS PROP 12 1/2X13 | нет в наличии, поставок нет |
| 89 | 0386787 | PROP. Втулка в сборе. (PROP. BUSHING ASSY.) | нет в наличии, поставок нет |
| 90 | 0332543 | CONVERGING Кольцо (CONVERGING RING) | нет в наличии, поставок нет |
| 90 | 0320476 | (последний код) CONVERGING RING | нет в наличии, поставок нет |
| 91 | 0389145 | Хромированный ремкомплект водяного насоса (CHROME PUMP KIT) | нет в наличии, поставок нет |
| 92 | 0433548 | Ремкомплект водяного насоса (WATER PUMP REPAIR KIT) | нет в наличии, поставок нет |
| 92 | 0438592 | (последний код) KIT AY,WATER PUMP | нет в наличии, поставок нет |
| 92 | 0433549 | Ремкомплект водяного насоса (Includes Крыльчатка Корпус) (WATER PUMP REPAIR KIT (Includes impeller housing)) | нет в наличии, поставок нет |
| 92 | 0438592 | (последний код) KIT AY,WATER PUMP | нет в наличии, поставок нет |
| 93 | 0433550 | Комплект сальников редуктора (GEARCASE SEAL KIT) | нет в наличии, поставок нет |