вконтакте

Контактный телефон: +7 (981) 121-46-93, +7 (800) 200-90-76 , Email: parts-katalog@yandex.ru, где купить

 
 

  Логин:

Пароль:

Регистрация

www.partskatalog.ru Все каталоги Запчасти Mercury Запчасти Suzuki Запчасти Tohatsu Запчасти Honda Контакты


Все разделы каталога запчастей на этот двигатель

назад Раздел:   вперёд

вернуться к списку узлов и деталей

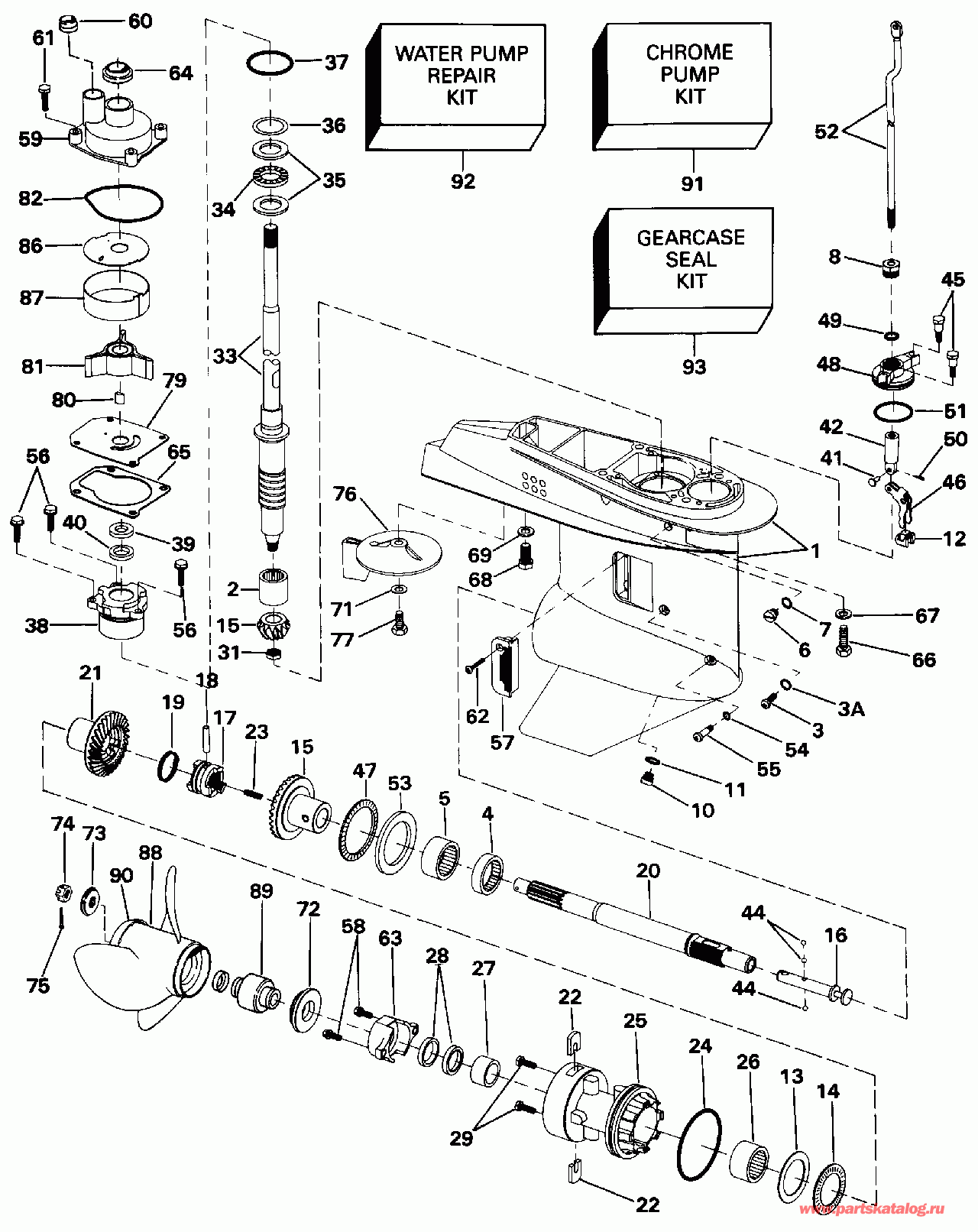
ДЕТАЛИРОВКА ДЛЯ МОДЕЛИ: EVINRUDE VE40EEIA 1991

РЕДУКТОР | GEARCASE;


Двигатель Эвинруд VE40EEIA 1991  - arcase

Номер на
рисунке
АртикулНаименованиеКол-во
на складе
Цена
0433340 0433340

Редуктор в сборе., Stnd. (15") Not Shown (GEARCASE ASSY., Stnd. (15"). Not Shown)

нет в наличии, поставок нет
0433340 0435276

   (последний код) GEARCASE-ASSY.

нет в наличии, поставок нет
0433341 0433341

Редуктор в сборе., Long (20") Not Shown (GEARCASE ASSY., Long (20"). Not Shown)

нет в наличии, поставок нет
0433341 0435277

   (последний код) GEARCASE-ASSY.

нет в наличии, поставок нет
1 0432280

Редуктор в сборе с подшипником. (GEARCASE & BEARING ASSY.)

нет в наличии, поставок нет
2 0382343

Подшипник, Шестерня (BEARING, Pinion)

нет в наличии, поставок нет
3 0324852

RETAINING Винт & Сальник (RETAINING SCREW & SEAL)

нет в наличии, поставок нет
3A 0332584

Уплотнительное кольцо (O-RING)

нет в наличии, поставок нет
4 0432264

Подшипник AY., дляward Шестерня (BEARING AY., Forward gear)

нет в наличии, поставок нет
5 0382407

Подшипник в сборе. (BEARING ASSY.)

1 шт5500 руб.
6 0309243

Заглушка, Fill & drain, верхний (PLUG, Fill & drain, upper)

нет в наличии, поставок нет
6 0333800

   (последний код) SCREW

нет в наличии, поставок нет
7 0336982

Уплотнительное кольцо (O-RING)

нет в наличии, поставок нет
8 0333780

Втулка, Переключающая тяга (BUSHING, Shift rod)

нет в наличии, поставок нет
10 0318544

Заглушка, Fill & drain, нижний (PLUG, Fill & drain, lower)

нет в наличии, поставок нет
10 0912624

   (последний код) SCREW

нет в наличии, поставок нет
11 0333572

Уплотнительное кольцо (O-RING)

нет в наличии, поставок нет
11 3855081

   (последний код) 0-RING

нет в наличии, поставок нет
12 0332507

CRADLE, Переключательer (CRADLE, Shifter)

нет в наличии, поставок нет
13 0332514

Упорная шайба (THRUST WASHER)

нет в наличии, поставок нет
14 0397537

THRUST Подшипник (THRUST BEARING)

нет в наличии, поставок нет
14 0979771

   (последний код) THRUST BRG

нет в наличии, поставок нет
15 0397627

Шестерня SET, Fwd. (GEAR SET, Fwd.)

нет в наличии, поставок нет
16 0332503

Переключающий вал dog (SHAFT, Shift dog)

нет в наличии, поставок нет
17 0332491

Переключатель собачки сцепления (SHIFTER, Clutch dog)

нет в наличии, поставок нет
18 0320310

Штифт сцепления dog (PIN, Clutch dog)

нет в наличии, поставок нет
19 0320311

Пружина, Сцепление dog Штифт (SPRING, Clutch dog pin)

нет в наличии, поставок нет
20 0397541

Вал гребного винта в сборе. (PROPELLER SHAFT ASSY.)

нет в наличии, поставок нет
20 0439138

   (последний код) SHAFT AY,PROPELLER

нет в наличии, поставок нет
21 0332489

Шестерня обратного хода (GEAR, Reverse)

нет в наличии, поставок нет
22 0332495

Фиксатор Пластина, Подшипник hsg. (RETAINER PLATE, Bearing hsg.)

нет в наличии, поставок нет
23 0332484

Пружина переключателяer (SPRING, Shifter)

нет в наличии, поставок нет
24 0553126

Уплотнительное кольцо, Подшипник Корпус (O-RING, Bearing housing)

нет в наличии, поставок нет
25 0332493

Подшипник Корпус в сборе. (BEARING HOUSING ASSY.)

нет в наличии, поставок нет
25 0432276

   (последний код) HOUSING AY,BEARING

нет в наличии, поставок нет
26 0386764

Игольчатый подшипник в сборе. (NEEDLE BEARING ASSY.)

нет в наличии, поставок нет
27 0386765

Игольчатый подшипник в сборе. (NEEDLE BEARING ASSY.)

нет в наличии, поставок нет
27 0377132

   (последний код) NEEDLE BEARING

нет в наличии, поставок нет
28 0321467

Сальник (SEAL)

нет в наличии, поставок нет
28 0303804

   (последний код) SEAL SHAFT

нет в наличии, поставок нет
29 0328744

Винт, Фиксатор (SCREW, Retainer)

нет в наличии, поставок нет
29 0308741

   (последний код) SCREW

нет в наличии, поставок нет
31 0313339

Гайка, Шестерня to dВал (NUT, Pinion to dshaft)

нет в наличии, поставок нет
33 0433066

Приводной вал., Stnd (DRIVESHAFT ASSY., Stnd)

нет в наличии, поставок нет
33 0433067

Приводной вал., Long (DRIVESHAFT ASSY., Long)

нет в наличии, поставок нет
34 0398901

THRUST Подшипник в сборе. (THRUST BEARING ASSY.)

нет в наличии, поставок нет
35 0333771

Упорная шайба (THRUST WASHER)

нет в наличии, поставок нет
36 0313273

Регулировочная шайба, 0, 07 мм (0.003 дюйм) (SHIM, 0,07mm (0.003 in.))

нет в наличии, поставок нет
36 0332498

   (последний код) SHIM(.003)

нет в наличии, поставок нет
36 0313274

Регулировочная шайба, 0, 10 мм (0.004 дюйм) (SHIM, 0,10mm (0.004 in.))

нет в наличии, поставок нет
36 0332499

   (последний код) SHIM(.004)

нет в наличии, поставок нет
36 0313275

Регулировочная шайба, 0, 12 мм (0, 005 дюйм) (SHIM, 0,12mm (0,005 in.))

нет в наличии, поставок нет
36 0332500

   (последний код) SHIM(.005)

нет в наличии, поставок нет
36 0313276

Регулировочная шайба, (0.006) (SHIM, (0.006))

нет в наличии, поставок нет
36 0332501

   (последний код) SHIM(.006)

нет в наличии, поставок нет
36 0313277

Регулировочная шайба, (0, 007) (SHIM, (0,007))

нет в наличии, поставок нет
36 0332502

   (последний код) SHIM(.007)

нет в наличии, поставок нет
37 0310327

Уплотнительное кольцо, Подшипник Корпус (O-RING, Bearing housing)

нет в наличии, поставок нет
38 0432287

Подшипник Корпус в сборе. (BEARING HOUSING ASSY.)

нет в наличии, поставок нет
38 0435274

   (последний код) D/S BRG HSG&SEAL

нет в наличии, поставок нет
39 0332205

Сальник, Корпус, верхний (SEAL, Housing, upper)

нет в наличии, поставок нет
40 0321466

Сальник, Корпус, нижний (SEAL, Housing, lower)

нет в наличии, поставок нет
40 0318223

   (последний код) OIL RET 5 PK

нет в наличии, поставок нет
41 0302504

Штифт, Коннектор переключающей тяги (PIN, Connector, shift rod)

нет в наличии, поставок нет
42 0332508

Коннектор переключающей тяги (CONNECTOR, Shift rod)

нет в наличии, поставок нет
44 0316506

Шарик, Detent (BALL, Detent)

нет в наличии, поставок нет
45 0316037

Винт, Крышка to Редуктор (SCREW, Cover to gearcase)

нет в наличии, поставок нет
45 0328721

   (последний код) SCREW

нет в наличии, поставок нет
46 0332492

Рычаг переключателя (LEVER, Shift)

нет в наличии, поставок нет
47 0397538

THRUST Подшипник (THRUST BEARING)

нет в наличии, поставок нет
48 0333781

Крышка, Переключающая тяга (COVER, Shift rod)

нет в наличии, поставок нет
48 0434588

   (последний код) COVER&BUSHING AY

нет в наличии, поставок нет
49 0318372

Уплотнительное кольцо, Переключающая тяга (O-RING, Shift rod)

нет в наличии, поставок нет
50 0306376

Шплинт (COTTER PIN)

нет в наличии, поставок нет
50 0306370

   (последний код) COTTER PIN

нет в наличии, поставок нет
51 0913921

Уплотнительное кольцо, Крышка to gcase (O-RING, Cover to gcase)

нет в наличии, поставок нет
51 3852928

   (последний код) O-RING

нет в наличии, поставок нет
52 0332509

Переключающая тяга, Stnd (SHIFT ROD, Stnd)

нет в наличии, поставок нет
52 0332510

Переключающая тяга, Long (SHIFT ROD, Long)

нет в наличии, поставок нет
53 0333725

Упорная шайба, дляward Шестерня (THRUST WASHER, Forward gear)

нет в наличии, поставок нет
54 0317178

Сальник, Винт (SEAL, Screw)

нет в наличии, поставок нет
55 0333770

Винт, Рычаг переключения (SCREW, Shift lever)

нет в наличии, поставок нет
56 0909386

Винт, Hsg. to gcase (SCREW, Hsg. to gcase)

нет в наличии, поставок нет
57 0332494

Водяной экран Система впуска (SCREEN, Water intake)

нет в наличии, поставок нет
58 0909636

Винт, Анод (SCREW, Anode)

нет в наличии, поставок нет
58 3852473

   (последний код) SCREW

нет в наличии, поставок нет
59 0333783

Крыльчатка Корпус (IMPELLER HOUSING)

нет в наличии, поставок нет
59 0435672

   (последний код) HSG-AY,IMPLR

нет в наличии, поставок нет
60 0333758

Пыльник водяной трубки. Also included in Ремкомплект водяного насоса 433549 (GROMMET, Water tube. Also included in Water Pump Repair Kit 433549)

нет в наличии, поставок нет
61 0331979

Винт, Крыльчатка hsg.. Also included in Ремкомплект водяного насоса 433549 (SCREW, Impeller hsg.. Also included in Water Pump Repair Kit 433549)

нет в наличии, поставок нет
62 0325539

Винт, Water Система впуска (SCREW, Water intake)

нет в наличии, поставок нет
62 0312270

   (последний код) SCREW

нет в наличии, поставок нет
63 0398873

Анод, Подшипник Корпус (ANODE, Bearing housing)

нет в наличии, поставок нет
64 0315748

Пыльник, Корпус. Also included in Ремкомплект водяного насоса 433549 (GROMMET, Housing. Also included in Water Pump Repair Kit 433549)

нет в наличии, поставок нет
64 0341732

   (последний код) GROMMET

1 шт160 руб.
65 0336530

Прокладка, Пластина (GASKET, Plate)

нет в наличии, поставок нет
66 0305282

Винт, Gcase to hsg. (SCREW, Gcase to hsg.)

нет в наличии, поставок нет
67 0330266

LOCKШайба (LOCKWASHER)

нет в наличии, поставок нет
67 3852200

   (последний код) WASHER

нет в наличии, поставок нет
68 0313697

Винт, Short (SCREW, Short)

нет в наличии, поставок нет
68 0312697

   (последний код) SCREW

нет в наличии, поставок нет
69 0330265

LOCKШайба, Short Винт (LOCKWASHER, Short screw)

нет в наличии, поставок нет
71 0330266

Шайба, Винт Пластина трима (WASHER, Screw trim tab)

нет в наличии, поставок нет
71 3852200

   (последний код) WASHER

нет в наличии, поставок нет
72 0320305

Упорная втулка в сборе. (THRUST BUSHING ASSY.)

нет в наличии, поставок нет
73 0315810

Проставка, Prop. Гайка (SPACER, Prop. nut)

нет в наличии, поставок нет
74 0314503

Гайка гребного винта (NUT, Propeller)

нет в наличии, поставок нет
75 0314502

Шплинт, Prop. Гайка (COTTER PIN, Prop. nut)

нет в наличии, поставок нет
76 0332475

Пластина трима, Редуктор (TRIM TAB, Gearcase)

нет в наличии, поставок нет
76 0340539

   (последний код) TRIM TAB, ALUM

нет в наличии, поставок нет
77 0335021

Винт, Пластина трима (SCREW, Trim tab)

нет в наличии, поставок нет
77 0330930

   (последний код) SCREW

нет в наличии, поставок нет
79 0336251

Пластина корпуса крыльчатки. Stainless steel Also included in Ремкомплект водяного насоса 433549 (PLATE, Impeller housing. Stainless steel Also included in Water Pump Repair Kit 433549)

нет в наличии, поставок нет
79 0341038

   (последний код) IMP HSG PLATE

нет в наличии, поставок нет
79 0319588

Пластина корпуса крыльчатки. хромированная пластина (PLATE, Impeller housing. Chrome Plated)

нет в наличии, поставок нет
79 0341187

   (последний код) PLATE

нет в наличии, поставок нет
80 0334897

Ключ, Крыльчатка to dВал. Also included in Ремкомплект водяного насоса 433549 (KEY, Impeller to dshaft. Also included in Water Pump Repair Kit 433549)

нет в наличии, поставок нет
81 0432941

Крыльчатка в сборе.. Also included in Ремкомплект водяного насоса 433549 (IMPELLER ASSY.. Also included in Water Pump Repair Kit 433549)

нет в наличии, поставок нет
82 0324981

Сальник, Крыльчатка Корпус. Also included in Ремкомплект водяного насоса 433549 (SEAL, Impeller housing. Also included in Water Pump Repair Kit 433549)

нет в наличии, поставок нет
86 0321940

Пластина корпуса крыльчатки. Stainless steel Also included in Ремкомплект водяного насоса 433549 (PLATE, Impeller housing. Stainless steel Also included in Water Pump Repair Kit 433549)

нет в наличии, поставок нет
86 0315145

Пластина корпуса крыльчатки. хромированная пластина (PLATE, Impeller housing. Chrome Plated)

нет в наличии, поставок нет
87 0324980

LINER, Крыльчатка Корпус. Stainless steel Also included in Ремкомплект водяного насоса 433549 (LINER, Impeller housing. Stainless steel Also included in Water Pump Repair Kit 433549)

нет в наличии, поставок нет
87 0321941

   (последний код) LINER

нет в наличии, поставок нет
87 0319587

LINER, Крыльчатка Корпус. хромированная пластина (LINER, Impeller housing. Chrome Plated)

нет в наличии, поставок нет
88 0386908

Гребной винт, 11 1 / 4 x 19 - Aluminum (PROPELLER, 11 1/4 x 19 - Aluminum)

нет в наличии, поставок нет
88 0176423

   (последний код) PROP 11.5X19

нет в наличии, поставок нет
88 0391014

Гребной винт, 11 1 / 4 x 21 - Aluminum (PROPELLER, 11 1/4 x 21 - Aluminum)

нет в наличии, поставок нет
88 0177157

   (последний код) PROP AY,11.2

нет в наличии, поставок нет
88 0386841

Гребной винт, 11 3 / 4 x 17 - Aluminum (PROPELLER, 11 3/4 x 17 - Aluminum)

нет в наличии, поставок нет
88 0763462

   (последний код) PROP,AL 12 X 17

нет в наличии, поставок нет
88 0386786

Гребной винт, 12 1 / 4 x 15 - Aluminum (PROPELLER, 12 1/4 x 15 - Aluminum)

нет в наличии, поставок нет
88 0778774

   (последний код) PROP,AL 12.25 X 15

нет в наличии, поставок нет
88 0386909

Гребной винт, 12 1 / 2 x 13 - Aluminum (PROPELLER, 12 1/2 x 13 - Aluminum)

нет в наличии, поставок нет
88 0763461

   (последний код) PROP AL 12.5 X 13

нет в наличии, поставок нет
88 0386907

Гребной винт, 13 x 11 - Aluminum (PROPELLER, 13 x 11 - Aluminum)

нет в наличии, поставок нет
88 0390852

Гребной винт, 11 1 / 4 x 19 - SST (PROPELLER, 11 1/4 x 19 - SST)

нет в наличии, поставок нет
88 0389029

   (последний код) SST-PROP-19"

нет в наличии, поставок нет
88 0391015

Гребной винт, 11 1 / 4 x 21 - SST (PROPELLER, 11 1/4 x 21 - SST)

нет в наличии, поставок нет
88 0390851

Гребной винт, 11 3 / 4 x 17 - SST (PROPELLER, 11 3/4 x 17 - SST)

нет в наличии, поставок нет
88 0763898

   (последний код) SS PROP 12X17

нет в наличии, поставок нет
88 0390850

Гребной винт, 12 1 / 4 x 15 - SST (PROPELLER, 12 1/4 x 15 - SST)

нет в наличии, поставок нет
88 0763897

   (последний код) SS PROP 12 1/4X15

нет в наличии, поставок нет
88 0390849

Гребной винт, 12 1 / 2 x 13 - SST (PROPELLER, 12 1/2 x 13 - SST)

нет в наличии, поставок нет
88 0763896

   (последний код) SS PROP 12 1/2X13

нет в наличии, поставок нет
89 0386787

PROP. Втулка в сборе. (PROP. BUSHING ASSY.)

нет в наличии, поставок нет
90 0332543

CONVERGING Кольцо (CONVERGING RING)

нет в наличии, поставок нет
90 0320476

   (последний код) CONVERGING RING

нет в наличии, поставок нет
91 0389145

Хромированный ремкомплект водяного насоса (CHROME PUMP KIT)

нет в наличии, поставок нет
92 0433548

Ремкомплект водяного насоса (WATER PUMP REPAIR KIT)

нет в наличии, поставок нет
92 0438592

   (последний код) KIT AY,WATER PUMP

нет в наличии, поставок нет
92 0433549

Ремкомплект водяного насоса (Includes Крыльчатка Корпус) (WATER PUMP REPAIR KIT (Includes impeller housing))

нет в наличии, поставок нет
92 0438592

   (последний код) KIT AY,WATER PUMP

нет в наличии, поставок нет
93 0433550

Комплект сальников редуктора (GEARCASE SEAL KIT)

нет в наличии, поставок нет
evinrude

Время выполнения запроса 3.3020269870758 сек.


 
 

данный сайт носит информационный характер и не является публичной офертой

склад запчастей для водомоторной техники