вконтакте

Контактный телефон: +7 (981) 121-46-93, +7 (800) 200-90-76 , Email: parts-katalog@yandex.ru, где купить

 
 

  Логин:

Пароль:

Регистрация

www.partskatalog.ru Все каталоги Запчасти Mercury Запчасти Suzuki Запчасти Tohatsu Запчасти Honda Контакты


Все разделы каталога запчастей на этот двигатель

назад Раздел:   вперёд

вернуться к списку узлов и деталей

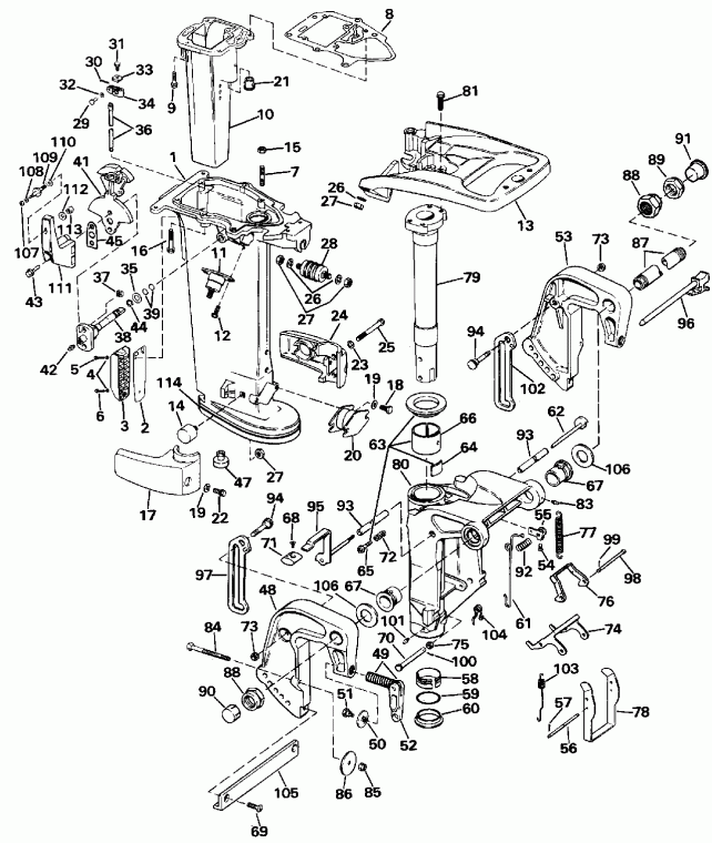
ДЕТАЛИРОВКА ДЛЯ МОДЕЛИ: EVINRUDE VE30ELEIC 1991

MIDSECTION | MIDSECTION;


 Эвинруд VE30ELEIC 1991  - dsection - dsection

Номер на
рисунке
АртикулНаименованиеКол-во
на складе
Цена
1 0432429

Удлинитель корпуса в сборе. (Std.) (EXHAUST HOUSING ASSY. (Std.))

нет в наличии, поставок нет
1 0436192

   (последний код) HSG AY,EXH-STD

нет в наличии, поставок нет
1 0432428

Удлинитель корпуса в сборе. (Long) (EXHAUST HOUSING ASSY. (Long))

нет в наличии, поставок нет
1 0436193

   (последний код) HSG AY,EXH-LONG

нет в наличии, поставок нет
2 0335078

Прокладка крышки to exh. hsg. (GASKET, Cover to exh. hsg.)

нет в наличии, поставок нет
2 0437245

   (последний код) KIT AY,COV&GASKET

нет в наличии, поставок нет
3 0334519

Выхлопная крышка relief (COVER, Exhaust relief)

нет в наличии, поставок нет
4 0305863

Шайба, Винт, Крышка (WASHER, Screw, cover)

нет в наличии, поставок нет
5 0334522

Винт, Крышка, верхний (SCREW, Cover, upper)

нет в наличии, поставок нет
6 0334521

Винт, Крышка, нижний (SCREW, Cover, lower)

нет в наличии, поставок нет
7 0324815

Шпилька. (STUD.)

нет в наличии, поставок нет
7 3852176

   (последний код) STUD

нет в наличии, поставок нет
8 0330621

Прокладка, Power head to Нижний модуль (GASKET, Power head to lower unit)

нет в наличии, поставок нет
8 0324332

   (последний код) GASKET

нет в наличии, поставок нет
9 0308743

Винт, Inner Выхлоп Трубка. (SCREW, Inner exhaust tube.)

нет в наличии, поставок нет
9 0342422

   (последний код) SCREW

нет в наличии, поставок нет
10 0336258

Выхлоп Трубка внутри. (EXHAUST TUBE, Inner.)

нет в наличии, поставок нет
10 0335634

   (последний код) TUBE,EXHAUST-INNER

нет в наличии, поставок нет
11 0303879

Крепление, Rubber, верхний side, std. (MOUNT, Rubber, upper side, std.)

нет в наличии, поставок нет
11 0332809

   (последний код) RUBBER MOUNT

нет в наличии, поставок нет
11 0325974

Крепление, Rubber, верхний side, long (MOUNT, Rubber, upper side, long)

нет в наличии, поставок нет
11 0332810

   (последний код) RUBBER MOUNT

нет в наличии, поставок нет
12 0329217

Винт, верхний монтаж сбоку (SCREW, Upper side mount)

нет в наличии, поставок нет
12 0333707

   (последний код) SCREW

нет в наличии, поставок нет
13 0335430

Кронштейн рулевого управления (BRACKET, Steering)

нет в наличии, поставок нет
13 0331475

   (последний код) STEERING BRACKET

нет в наличии, поставок нет
14 0321470

Крепление, Rubber, нижняя сторона, std. (MOUNT, Rubber, lower side, std.)

нет в наличии, поставок нет
14 0332811

   (последний код) RUBBER MOUNT

нет в наличии, поставок нет
14 0325975

Крепление, Rubber, нижняя сторона, long (MOUNT, Rubber, lower side, long)

нет в наличии, поставок нет
15 0315204

Гайка, Шпилька. (NUT, Stud.)

нет в наличии, поставок нет
15 0316355

   (последний код) NUT

нет в наличии, поставок нет
16 0324816

Винт, Корпус to cyl. & c`case (SCREW, Housing to cyl. & c`case)

нет в наличии, поставок нет
17 0323109

Корпус, нижний Крепление, stbd. (HOUSING, Lower mount, stbd.)

нет в наличии, поставок нет
17 0321403

   (последний код) HOUSING

нет в наличии, поставок нет
18 0309942

Винт, нижний front Крепление (SCREW, Lower front mount)

нет в наличии, поставок нет
18 3852086

   (последний код) SCREW

нет в наличии, поставок нет
19 0303886

Шайба (WASHER)

нет в наличии, поставок нет
20 0321469

Крепление, Rubber, нижний front (MOUNT, Rubber, lower front)

нет в наличии, поставок нет
20 0332808

   (последний код) RUBBER MOUNT

нет в наличии, поставок нет
21 0302497

Пыльник водяной трубки (GROMMET, Water tube)

2 шт250 руб.
22 0309942

Винт, Крепление to Корпус (SCREW, Mount to housing)

нет в наличии, поставок нет
22 3852086

   (последний код) SCREW

нет в наличии, поставок нет
23 0304144

LOCKШайба (LOCKWASHER)

нет в наличии, поставок нет
24 0323108

Корпус, нижний Крепление, port (HOUSING, Lower mount, port)

нет в наличии, поставок нет
24 0321402

   (последний код) HOUSING

нет в наличии, поставок нет
25 0316440

Винт, Крепление Корпус (SCREW, Mount housing)

нет в наличии, поставок нет
25 0342540

   (последний код) SCREW

нет в наличии, поставок нет
26 0303884

Шайба (WASHER)

нет в наличии, поставок нет
27 0303889

Гайка, Креплениеs to exh. hsg. & Кронштейн рулевого управления (NUT, Mounts to exh. hsg. & steering bracket)

нет в наличии, поставок нет
27 3852065

   (последний код) NUT

нет в наличии, поставок нет
28 0331812

Крепление, Rubber, верхний front (MOUNT, Rubber, upper front)

нет в наличии, поставок нет
28 0332807

   (последний код) RUBBER MOUNT

нет в наличии, поставок нет
29 0302504

Штифт, Переключающая тяга to Рычаг (PIN, Shift rod to lever)

нет в наличии, поставок нет
30 0305650

Шплинт, Рычаг переключения to Штифт (COTTER PIN, Shift lever to pin)

нет в наличии, поставок нет
30 3852052

   (последний код) PIN,COTTER

нет в наличии, поставок нет
31 0308017

Винт, Переключающая тяга (SCREW, Shift rod)

нет в наличии, поставок нет
32 0304380

Пружинная шайба. (SPRING WASHER.)

нет в наличии, поставок нет
33 0319537

Зажим, Переключающая тяга (CLIP, Shift rod)

нет в наличии, поставок нет
34 0322092

Рычаг штока переключения (LEVER, Shift rod)

нет в наличии, поставок нет
34 0320117

   (последний код) LEVER

нет в наличии, поставок нет
35 0303775

Шайба, Рычаг to hsg. (WASHER, Lever to hsg.)

нет в наличии, поставок нет
36 0325540

Переключающая тяга, верхний (Std.) (SHIFT ROD, Upper (Std.))

нет в наличии, поставок нет
36 0325541

Переключающая тяга, верхний (Long) (SHIFT ROD, Upper (Long))

нет в наличии, поставок нет
37 0203688

Гайка, Adjustment Винт (NUT, Adjustment screw)

нет в наличии, поставок нет
37 0328710

   (последний код) NUT-SCREW-ID

нет в наличии, поставок нет
38 0394574

ADJ. Рычаг & Вал в сборе. (ADJ. LEVER & SHAFT ASSY.)

нет в наличии, поставок нет
38 0390252

   (последний код) ADJT-LVR&SHF

нет в наличии, поставок нет
39 0324660

Уплотнительное кольцо, Рычаг Вал (O-RING, Lever shaft)

нет в наличии, поставок нет
41 0335342

Пускатель Кулачок переключателя (ACTUATOR CAM, Shift)

нет в наличии, поставок нет
41 0331470

   (последний код) ACTUATOR-CAM

нет в наличии, поставок нет
42 0313607

FITTING, Lube, Переключающий вал (FITTING, Lube, shift shaft)

нет в наличии, поставок нет
42 3852121

   (последний код) FITTING,LUB

нет в наличии, поставок нет
43 0328230

Винт, Рычаг переключения & Пускатель cam to adjustment Рычаг (SCREW, Shift lever & actuator cam to adjustment lever)

нет в наличии, поставок нет
44 0315786

Фиксатор, Переключающий вал (RETAINER, Shift shaft)

нет в наличии, поставок нет
45 0327163

Проставка, Рычаг переключения (SPACER, shift lever)

нет в наличии, поставок нет
47 0326071

Бампер, Крепление hsg. (BUMPER, Mount hsg.)

нет в наличии, поставок нет
47 0323107

   (последний код) BUMPER-MT-HS

нет в наличии, поставок нет
48 0325683

STERN BRKT., Stbd. (STERN BRKT., Stbd.)

нет в наличии, поставок нет
48 0342536

   (последний код) STERN BRKT,STBD

нет в наличии, поставок нет
49 0433675

Винт струбцины в сборе., Aluminum (CLAMP SCREW ASSY., Aluminum)

нет в наличии, поставок нет
49 0433674

   (последний код) KIT AY,CLAMPSCREW

нет в наличии, поставок нет
49 0391421

Винт струбцины в сборе., Stainless st.. Опции (CLAMP SCREW ASSY., Stainless st.. Optional)

нет в наличии, поставок нет
49 0389959

   (последний код) CLAMPSCREW

нет в наличии, поставок нет
50 0307561

Пластина, Swivel (PLATE, Swivel)

нет в наличии, поставок нет
50 0337017

   (последний код) SWIVEL-PLATE

нет в наличии, поставок нет
51 0321922

Винт, Shoulder (SCREW, Shoulder)

нет в наличии, поставок нет
52 0398001

REPLACEMENT HANDLE в сборе. (REPLACEMENT HANDLE ASSY.)

нет в наличии, поставок нет
53 0325682

STERN BRKT., Port (STERN BRKT., Port)

нет в наличии, поставок нет
53 0342535

   (последний код) STERN BRKT,PORT

нет в наличии, поставок нет
54 0319108

Винт, BellКривошип, rev. lock. (SCREW, Bellcrank, rev. lock.)

нет в наличии, поставок нет
54 0311512

   (последний код) SCREW

нет в наличии, поставок нет
55 0319695

BELLКривошип. (BELLCRANK.)

нет в наличии, поставок нет
56 0322945

Штифт, Shallow water drive (PIN, Shallow water drive)

нет в наличии, поставок нет
56 0319053

   (последний код) PIN

нет в наличии, поставок нет
57 0305650

Шплинт, Shallow wat. dr. (COTTER PIN, Shallow wat. dr.)

нет в наличии, поставок нет
57 3852052

   (последний код) PIN,COTTER

нет в наличии, поставок нет
58 0309967

Втулка, Pilot Вал, нижний (BUSHING, Pilot shaft, lower)

нет в наличии, поставок нет
59 0301917

Уплотнительное кольцо, Pilot Вал, нижний (O-RING, Pilot shaft, lower)

нет в наличии, поставок нет
60 0309966

Упорная шайба (WASHER, Thrust)

нет в наличии, поставок нет
61 0319696

Тяга, Блокировка задней передачи release (ROD, Reverse lock release)

нет в наличии, поставок нет
62 0388661

CAM & Вал в сборе., tilt lock (CAM & SHAFT ASSY., tilt lock)

нет в наличии, поставок нет
62 0386501

   (последний код) FF-CAM&SHAFT

нет в наличии, поставок нет
63 0397736

FRICTION BLOCK в сборе. (FRICTION BLOCK ASSY.)

нет в наличии, поставок нет
63 0388748

   (последний код) WASHER,SEAL&

нет в наличии, поставок нет
64 0332662

FRICTION BLOCK. (FRICTION BLOCK.)

нет в наличии, поставок нет
65 0321531

Фрикционный винт adjustment (SCREW, Friction adjustment)

нет в наличии, поставок нет
66 0332663

верхний LINER (UPPER LINER)

нет в наличии, поставок нет
67 0319787

Втулка, Tilt Трубка (BUSHING, Tilt tube)

нет в наличии, поставок нет
67 0317789

   (последний код) BUSHING

нет в наличии, поставок нет
68 0319227

Винт, Ручка to tilt lock Рычаг (SCREW, Knob to tilt lock lever)

нет в наличии, поставок нет
69 0324579

Винт, Tie bar (SCREW, Tie bar)

нет в наличии, поставок нет
69 0341352

   (последний код) SCREW

нет в наличии, поставок нет
70 0322947

Штифт, Соединитель блокировки задней передачи to brkt. (PIN, Reverse lock link to brkt.)

нет в наличии, поставок нет
71 0328048

Ручка наклона lock (KNOB, Tilt lock)

нет в наличии, поставок нет
71 0319051

   (последний код) KNOB

нет в наличии, поставок нет
72 0551113

Пружина, Рулевая система friction adj. (SPRING, Steering friction adj.)

нет в наличии, поставок нет
73 0313838

Гайка, Штифт Кронштейн (NUT, Pin bracket)

нет в наличии, поставок нет
74 0322949

Соединитель, Блокировка задней передачи (LINK, Reverse lock)

нет в наличии, поставок нет
74 0319054

   (последний код) LINK

нет в наличии, поставок нет
75 0303887

Шайба, Соединитель Штифтs (WASHER, Link pins)

нет в наличии, поставок нет
76 0322950

Рычаг, Блокировка задней передачи (LEVER, Reverse lock)

нет в наличии, поставок нет
77 0315078

Пружина блокировки задней передачи (SPRING, Reverse lock)

нет в наличии, поставок нет
78 0320426

Соединитель, Shallow water drive (LINK, Shallow water drive)

нет в наличии, поставок нет
78 0338657

   (последний код) LINK

нет в наличии, поставок нет
79 0329648

PILOT Вал, Рулевая система brkt. (PILOT SHAFT, Steering brkt.)

нет в наличии, поставок нет
80 0323158

Поворотный кронштейн (BRACKET, Swivel)

нет в наличии, поставок нет
81 0317624

Винт, Brkt., to pilot Вал. (SCREW, Brkt., to pilot shaft.)

нет в наличии, поставок нет
83 0313607

FITTING, Lube, tilt Трубка & lock. (FITTING, Lube, tilt tube & lock.)

нет в наличии, поставок нет
83 3852121

   (последний код) FITTING,LUB

нет в наличии, поставок нет
0432294 0432294

Винт & Гайка в сборе.. Not Shown Опции (SCREW & NUT ASSY.. Not Shown Optional)

нет в наличии, поставок нет
0432294 0313966

   (последний код) SCREW

нет в наличии, поставок нет
84 0334427

Винт, Stern brkt. to transom. Опции (SCREW, Stern brkt. to transom. Optional)

нет в наличии, поставок нет
84 0318512

   (последний код) SCREW

нет в наличии, поставок нет
85 0310702

Гайка. Опции (NUT. Optional)

нет в наличии, поставок нет
86 0315776

Шайба. Опции (WASHER. Optional)

нет в наличии, поставок нет
87 0321511

TILT Трубка, Кронштейн транца (TILT TUBE, Stern bracket)

нет в наличии, поставок нет
87 0351896

   (последний код) TUBE, TILT SST

нет в наличии, поставок нет
88 0335554

LOCKГайка, Tilt Трубка, stbd.. All Except Australia Models (LOCKNUT, Tilt tube, stbd.. All Except Australia Models)

нет в наличии, поставок нет
88 0335554

LOCKШайба, Tilt Трубка, port & stbd.. All Except Australia Models (LOCKWASHER, Tilt tube, port & stbd.. All Except Australia Models)

нет в наличии, поставок нет
89 0322376

WIPER Гайка, Tilt Трубка. Australia Models Only (WIPER NUT, Tilt tube. Australia Models Only)

нет в наличии, поставок нет
90 0317894

Колпачок, Tilt Трубка (CAP, Tilt tube)

нет в наличии, поставок нет
90 3852150

   (последний код) CAP

нет в наличии, поставок нет
91 0318173

Заглушка, Tilt Трубка (PLUG, Tilt tube)

нет в наличии, поставок нет
92 0319694

Пружина фиксатора наклона (SPRING, Tilt lock)

нет в наличии, поставок нет
93 0319693

Втулка, Tilt lock (BUSHING, Tilt lock)

1 шт2850 руб.
94 0319692

Штифт блокировки наклона (PIN, Tilt lock)

нет в наличии, поставок нет
95 0388662

Рычаг & Вал в сборе., Tilt lock (LEVER & SHAFT ASSY., Tilt lock)

нет в наличии, поставок нет
96 0391271

TILT Штифт (TILT PIN)

нет в наличии, поставок нет
96 0436387

   (последний код) PIN AY,TILT 9.8"

нет в наличии, поставок нет
97 0387668

LOCK в сборе., Tilt, stbd. (LOCK ASSY., Tilt, stbd.)

нет в наличии, поставок нет
97 0437875

   (последний код) LOCK AY,TILT-STBD

нет в наличии, поставок нет
98 0326943

Штифт тяги to locking Рычаг (PIN, Link to locking lever)

нет в наличии, поставок нет
99 0305650

Шплинт, Штифт, Соединитель блокировки задней передачи to locking Рычаг (COTTER PIN, Pin, reverse lock link to locking lever)

нет в наличии, поставок нет
99 3852052

   (последний код) PIN,COTTER

нет в наличии, поставок нет
100 0305650

Шплинт, Штифт, Соединитель блокировки задней передачи to Кронштейн (COTTER PIN, Pin, reverse lock link to bracket)

нет в наличии, поставок нет
100 3852052

   (последний код) PIN,COTTER

нет в наличии, поставок нет
101 0313607

FITTING, Lube swivel brkt. (FITTING, Lube swivel brkt.)

нет в наличии, поставок нет
101 3852121

   (последний код) FITTING,LUB

нет в наличии, поставок нет
102 0387667

LOCK в сборе., Tilt, port (LOCK ASSY., Tilt, port)

нет в наличии, поставок нет
102 0437876

   (последний код) LOCK AY,TILT-PORT

нет в наличии, поставок нет
103 0319697

Пружина блокировки задней передачи (SPRING, Reverse lock)

нет в наличии, поставок нет
104 0322946

Пружина системы движения по мелководью (SPRING, Shallow water drive)

нет в наличии, поставок нет
105 0319709

TIE BAR, Кронштейн транцаs. (TIE BAR, Stern brackets.)

нет в наличии, поставок нет
105 0351247

   (последний код) BAR,TIE

нет в наличии, поставок нет
106 0319699

Шайба (WASHER)

нет в наличии, поставок нет
107 0328064

Гайка, Тросик переключения mtg. (NUT, Shift cable mtg.)

нет в наличии, поставок нет
107 0554477

   (последний код) NUT

нет в наличии, поставок нет
108 0328737

Шайба, Тросик переключения mtg. (WASHER, Shift cable mtg.)

нет в наличии, поставок нет
108 0306561

   (последний код) WASHER

нет в наличии, поставок нет
0392563 0392563

Рычаг переключения в сборе.. Not Shown (SHIFT LEVER ASSY.. Not Shown)

нет в наличии, поставок нет
109 0327675

Болт, Double ended (BOLT, Double ended)

нет в наличии, поставок нет
110 0327725

Шайба, Болт to Рычаг переключения (WASHER, Bolt to shift lever)

нет в наличии, поставок нет
111 0325358

Рычаг переключения (SHIFT LEVER)

нет в наличии, поставок нет
111 0392885

   (последний код) SHIFT ASSY

нет в наличии, поставок нет
112 0328266

Шайба, Болт to Рычаг переключения (WASHER, Bolt to shift lever)

нет в наличии, поставок нет
113 0313022

Гайка, Болт to Рычаг переключения (NUT, Bolt to shift lever)

нет в наличии, поставок нет
113 3852118

   (последний код) NUT,LOCK

нет в наличии, поставок нет
114 0211387

Наклейка. Exh. hsg., Ev. (DECAL. Exh. hsg., Ev.)

нет в наличии, поставок нет
114 0211347

   (последний код) DECAL

нет в наличии, поставок нет
114 0336386

Наклейка, Exh. hsg., Jo. (DECAL, Exh. hsg., Jo.)

нет в наличии, поставок нет
evinrude

Время выполнения запроса 2.2676448822021 сек.


 
 

данный сайт носит информационный характер и не является публичной офертой

склад запчастей для водомоторной техники