вконтакте

Контактный телефон: +7 (981) 121-46-93, +7 (800) 200-90-76 , Email: parts-katalog@yandex.ru, где купить

 
 

  Логин:

Пароль:

Регистрация

www.partskatalog.ru Все каталоги Запчасти Mercury Запчасти Suzuki Запчасти Tohatsu Запчасти Honda Контакты


Все разделы каталога запчастей на этот двигатель

назад Раздел:   вперёд

вернуться к списку узлов и деталей

ДЕТАЛИРОВКА ДЛЯ МОДЕЛИ: EVINRUDE TE10RELEIR 1991

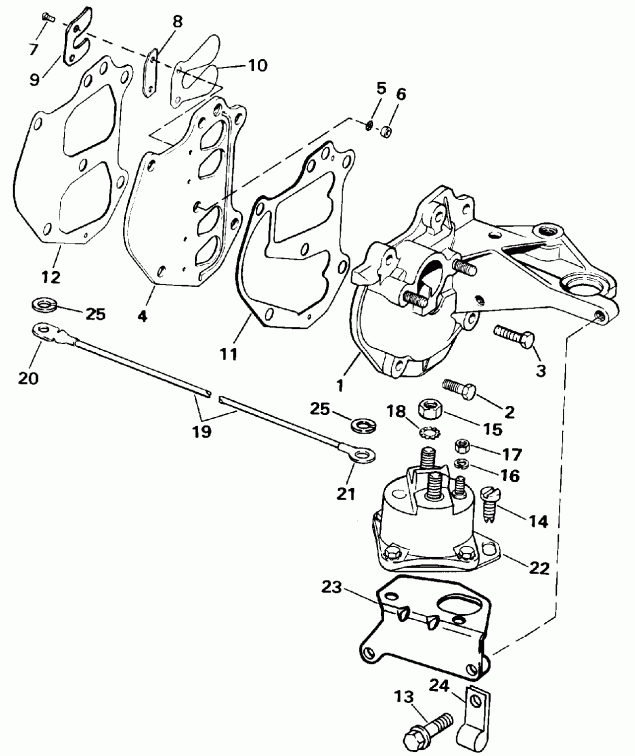
ВПУСКНОЙ КОЛЛЕКТОР | INTAKE MANIFOLD;


Подвесной лодочный мотор Evinrude TE10RELEIR 1991  - take Manifold - take Коллектор

Номер на
рисунке
АртикулНаименованиеКол-во
на складе
Цена
1 0390460

Впускной коллектор (MANIFOLD, Intake)

нет в наличии, поставок нет
1 0386109

   (последний код) MANIFOLD&STUD AY

нет в наличии, поставок нет
2 0306409

Винт, Коллектор to ccase, short (SCREW, Manifold to ccase, short)

нет в наличии, поставок нет
3 0306418

Винт, Коллектор to ccase, long (SCREW, Manifold to ccase, long)

нет в наличии, поставок нет
0390050 0390050

LEAF Пластина ASSEMBLY. Not Shown (LEAF PLATE ASSEMBLY. Not Shown)

нет в наличии, поставок нет
0390050 0387690

   (последний код) LEAFPLATE ASSY

нет в наличии, поставок нет
4 0386477

LEAF Пластина & Клапан в сборе. (LEAF PLATE & VALVE ASSY.)

нет в наличии, поставок нет
5 0305344

SCREEN (SCREEN)

нет в наличии, поставок нет
6 0385111

Обратный клапан (CHECK VALVE)

нет в наличии, поставок нет
7 0332612

Винт, Leaf to Пластина (SCREW, Leaf to plate)

нет в наличии, поставок нет
8 0325038

Регулировочная шайба (SHIM)

нет в наличии, поставок нет
9 0386842

STOP SET, Leaf (STOP SET, Leaf)

нет в наличии, поставок нет
9 0320247

   (последний код) PLATE LF VALVE

нет в наличии, поставок нет
10 0318922

LEAF Клапан (LEAF VALVE)

нет в наличии, поставок нет
10 0320498

   (последний код) LEAF VALVE

нет в наличии, поставок нет
11 0325260

Прокладка, Leaf Пластина (GASKET, Leaf plate)

нет в наличии, поставок нет
11 0318919

   (последний код) GASKET

нет в наличии, поставок нет
12 0318924

Прокладка, Пластина to Картер двигателя (GASKET, Plate to crankcase)

нет в наличии, поставок нет
13 0318178

Винт, Solenoid Крепление brkt. (SCREW, Solenoid mount brkt.)

нет в наличии, поставок нет
14 0328731

Винт, Solenoid to brkt. (SCREW, Solenoid to brkt.)

нет в наличии, поставок нет
14 0329265

   (последний код) SCREW

нет в наличии, поставок нет
15 0321472

Гайка, Клемма (NUT, Terminal)

нет в наличии, поставок нет
15 0308067

   (последний код) NUT

нет в наличии, поставок нет
16 0304454

LOCKШайба, Клемма (LOCKWASHER, Terminal)

нет в наличии, поставок нет
17 0306556

Гайка, Клемма (NUT, Terminal)

нет в наличии, поставок нет
17 3852064

   (последний код) NUT

нет в наличии, поставок нет
18 0331259

LOCKШайба, Клемма (LOCKWASHER, Terminal)

нет в наличии, поставок нет
19 0584146

LEAD AY. (LEAD AY.)

нет в наличии, поставок нет
20 0204039

Клемма (TERMINAL)

нет в наличии, поставок нет
20 3852036

   (последний код) TERMINAL,RIN

нет в наличии, поставок нет
21 0204053

Клемма (TERMINAL)

нет в наличии, поставок нет
21 3852037

   (последний код) TERMINAL,RIN

нет в наличии, поставок нет
22 0584128

Соленоид, в сборе. (SOLENOID ASSY.)

нет в наличии, поставок нет
23 0433859

Кронштейн, Solenoid (BRACKET, Solenoid)

нет в наличии, поставок нет
24 0512066

Зажим кабеля (CLAMP, Cable)

нет в наличии, поставок нет
25 0303701

LOCKШайба (LOCKWASHER)

нет в наличии, поставок нет
evinrude

Время выполнения запроса 1.9261720180511 сек.


 
 

данный сайт носит информационный характер и не является публичной офертой

склад запчастей для водомоторной техники