вконтакте

Контактный телефон: +7 (981) 121-46-93, +7 (800) 200-90-76 , Email: parts-katalog@yandex.ru, где купить

 
 

  Логин:

Пароль:

Регистрация

www.partskatalog.ru Все каталоги Запчасти Mercury Запчасти Suzuki Запчасти Tohatsu Запчасти Honda Контакты


Все разделы каталога запчастей на этот двигатель

назад Раздел:   вперёд

вернуться к списку узлов и деталей

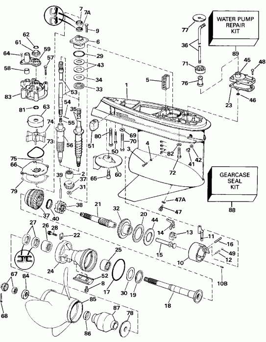
ДЕТАЛИРОВКА ДЛЯ МОДЕЛИ: EVINRUDE E225TLESS 1990

РЕДУКТОР - ОБРАТНОЕ ВРАЩЕНИЕ | GEARCASE - COUNTER ROTATION;


Подвесной двигатель Evinrude E225TLESS 1990  - Counter Rotation / обратное вращение

Номер на
рисунке
АртикулНаименованиеКол-во
на складе
Цена
0433186 0433186

Редуктор в сборе., комплект. Not Shown 20 дюйм Transom Only REPLACED BY 435476 Редуктор и 435760 верхний DRIVEВал KIT и IF REQUIкрасный 329864 Переключающая тяга (GEARCASE ASSY., Complete. Not Shown 20 In. Transom Only REPLACED BY 435476 GEARCASE AND 435760 UPPER DRIVESHAFT KIT AND IF REQUIRED 329864 SHIFT ROD)

нет в наличии, поставок нет
0431907 0431907

Редуктор в сборе., комплект. replaced by 435476 Редуктор и 435761 верхний Корпус вала передачи ay. и if requiкрасный 329865 Переключающая тяга. (GEARCASE ASSY., Complete. replaced by 435476 gearcase and 435761 upper drive shaft ay. And if required 329865 shift rod.)

нет в наличии, поставок нет
1 0431695

Редуктор в сборе с подшипником (GEARCASE & BEARING ASSY)

нет в наличии, поставок нет
1 0439973

   (последний код) CALL TECH SVC/QIPL

нет в наличии, поставок нет
2 0387817

Подшипник, Шестерня (BEARING, Pinion)

нет в наличии, поставок нет
3 0324852

Установочный винт & Сальник, Подшипник (SET SCREW & SEAL, Bearing)

нет в наличии, поставок нет
4 0332584

Сальник (SEAL)

нет в наличии, поставок нет
5 0321123

Водяной экран Система впуска (SCREEN, Water intake)

нет в наличии, поставок нет
6 0397493

Подшипник Корпус & Сальник (BEARING HOUSING & SEAL)

нет в наличии, поставок нет
6 0439476

   (последний код) DS BRG HSG&SEAL AY

нет в наличии, поставок нет
7 0329922

Сальник, DriveВал верхний (SEAL, Driveshaft upper)

нет в наличии, поставок нет
7A 0329923

Сальник, DriveВал, нижний (SEAL, Driveshaft, lower)

нет в наличии, поставок нет
8 0908158

Винт, Анод (SCREW, Anode)

нет в наличии, поставок нет
8 3852050

   (последний код) SCREW

нет в наличии, поставок нет
9 0317624

Винт, Корпус to Редуктор (SCREW, Housing to gearcase)

нет в наличии, поставок нет
10 0431693

Корпус & Подшипник в сборе (HOUSING & BEARING ASSY)

нет в наличии, поставок нет
10B 0331880

Штифт, Корпус (PIN, Housing)

нет в наличии, поставок нет
11 0334142

DETENT, Переключательer (DETENT, Shifter)

нет в наличии, поставок нет
11 0916189

   (последний код) DETENT

нет в наличии, поставок нет
12 0911962

Фиксатор пружины (SPRING, Detent)

нет в наличии, поставок нет
12 0915955

   (последний код) SPRING

нет в наличии, поставок нет
13 0334163

CRADLE, Переключательer (CRADLE, Shifter)

5 шт1880 руб.
13 0322900

   (последний код) CRADLE-SHIFT

нет в наличии, поставок нет
14 0334160

ПереключательER (SHIFTER)

нет в наличии, поставок нет
15 0334143

Переключающий валer (SHAFT, Shifter)

нет в наличии, поставок нет
16 0319627

Штифт, Рычаг переключения (PIN, Shift lever)

нет в наличии, поставок нет
16 0315750

   (последний код) DOWEL PIN

нет в наличии, поставок нет
17 0321119

Уплотнительное кольцо, Вал гребного винта (O-RING, Propeller shaft)

нет в наличии, поставок нет
17 0305123

   (последний код) O-RING

нет в наличии, поставок нет
18 0431943

Вал гребного винта в сборе (PROPELLER SHAFT ASSY)

нет в наличии, поставок нет
19 0382408

THRUST BRG., Fwd Шестерня (THRUST BRG., Fwd gear)

нет в наличии, поставок нет
20 0389042

THRUST BRG. в сборе., Rev Шестерня (THRUST BRG. ASSY., Rev gear)

нет в наличии, поставок нет
21 0432282

Сцепление Вал в сборе (CLUTCH SHAFT ASSY)

нет в наличии, поставок нет
21 0438251

   (последний код) SHAFT AY,CLUTCH

нет в наличии, поставок нет
22 0333957

TAB, Фиксатор (TAB, RETAINER)

нет в наличии, поставок нет
23 0324670

Прокладка, Переключающая тяга Крышка (GASKET, Shift rod cover)

нет в наличии, поставок нет
23 0352165

   (последний код) GASKET

2 шт550 руб.
24 0431694

Подшипник HSG. Сальник в сборе. (BEARING HSG. SEAL ASSY.)

нет в наличии, поставок нет
24 5000073

   (последний код) HSG AY,PROPSHAFT

нет в наличии, поставок нет
25 0431926

Игольчатый подшипник в сборе (NEEDLE BEARING ASSY)

нет в наличии, поставок нет
26 0387247

Игольчатый подшипник в сборе (NEEDLE BEARING ASSY)

нет в наличии, поставок нет
27 0320862

Сальник (SEAL)

нет в наличии, поставок нет
28 0333955

Винт (SCREW)

нет в наличии, поставок нет
28 0350271

   (последний код) SCREW, BRG CARRIER

нет в наличии, поставок нет
29 0314728

Уплотнительное кольцо, DriveВал Подшипник (O-RING, Driveshaft bearing)

нет в наличии, поставок нет
29 0354731

   (последний код) O-RING

1 шт850 руб.
30 0313447

Упорная шайба, Fwd Шестерня (THRUST WASHER, Fwd gear)

нет в наличии, поставок нет
31 0314730

Гайка, Шестерня to driveВал (NUT, Pinion to driveshaft)

нет в наличии, поставок нет
32 0431703

REVERSE Шестерня & BRG (REVERSE GEAR & BRG)

нет в наличии, поставок нет
32 0334167

   (последний код) GEAR-REVERSE

нет в наличии, поставок нет
33 0387656

THRUST Подшипник, Шестерня (THRUST BEARING, Pinion)

нет в наличии, поставок нет
33 0383248

   (последний код) BEARING

нет в наличии, поставок нет
34 0327656

Упорная шайба шестерни Шестерня (THRUST WASHER, Pinion)

нет в наличии, поставок нет
34 0314729

   (последний код) THRUST-WASHE

нет в наличии, поставок нет
35 0394615

Приводной вал.. 20 дюйм Transom Only (DRIVESHAFT ASSY.. 20 In. Transom Only)

нет в наличии, поставок нет
35 5000775

   (последний код) KIT AYD/SHAFT-20

нет в наличии, поставок нет
36 0329864

Переключающая тяга. 20 дюйм Transom Only (SHIFT ROD. 20 In. Transom Only)

нет в наличии, поставок нет
36 0329865

Переключающая тяга. 25 дюйм Transom Only (SHIFT ROD. 25 In. Transom Only)

нет в наличии, поставок нет
37 0431801

FWD Шестерня, & Комплект шестерёнок.. Use part number 434064 для outboards и sea drive. (FWD GEAR, & PINION ASSY.. Use part number 434064 for outboards and sea drive.)

нет в наличии, поставок нет
38 0334516

Переключатель собачки сцепления (SHIFTER, Clutch dog)

нет в наличии, поставок нет
38 0337774

   (последний код) SHIFTER,CLUTCH DOG

нет в наличии, поставок нет
39 0313448

Штифт сцепления dog (PIN, Clutch dog)

нет в наличии, поставок нет
40 0324369

Пружина, Сцепление dog Штифт (SPRING, Clutch dog pin)

нет в наличии, поставок нет
40 0313454

   (последний код) SPRING

нет в наличии, поставок нет
41 0318544

Заглушка, Fill & drain (PLUG, Fill & drain)

нет в наличии, поставок нет
41 0912624

   (последний код) SCREW

нет в наличии, поставок нет
42 0333572

Уплотнительное кольцо (O-RING)

нет в наличии, поставок нет
42 3855081

   (последний код) 0-RING

нет в наличии, поставок нет
43 0323362

Регулировочная шайба, 0.003" (SHIM, 0.003")

нет в наличии, поставок нет
43 0323361

Регулировочная шайба, 0.004" (SHIM, 0.004")

нет в наличии, поставок нет
43 0314745

Регулировочная шайба, 0.005" (SHIM, 0.005")

нет в наличии, поставок нет
44 0327669

THRUST Шайба шестерни заднего хода (THRUST WASHER, Reverse gear)

нет в наличии, поставок нет
44 0324805

   (последний код) THRUST-WASHE

нет в наличии, поставок нет
45 0388618

Крышка & Сальник в сборе. (COVER & SEAL ASSY.)

нет в наличии, поставок нет
45 5006241

   (последний код) COVER AY,SHIFT ROD

нет в наличии, поставок нет
46 0318372

Уплотнительное кольцо, Переключающая тяга (O-RING, Shift rod)

нет в наличии, поставок нет
47 0318544

Винт дренажный & fill (SCREW, Drain & fill)

нет в наличии, поставок нет
47 0912624

   (последний код) SCREW

нет в наличии, поставок нет
47A 0333572

Уплотнительное кольцо (O-RING)

нет в наличии, поставок нет
47A 3855081

   (последний код) 0-RING

нет в наличии, поставок нет
48 0302325

Винт, Крышка (SCREW, Cover)

нет в наличии, поставок нет
49 0160084

Шарик, Detent (BALL, Detent)

нет в наличии, поставок нет
49 3852023

   (последний код) BALL

нет в наличии, поставок нет
50 0330437

Винт, Анод (SCREW, Anode)

нет в наличии, поставок нет
50 3852201

   (последний код) SCREW

нет в наличии, поставок нет
51 0393023

Анод (ANODE)

нет в наличии, поставок нет
51 0436745

   (последний код) ANODE&INSERT AY

нет в наличии, поставок нет
52 0431708

Анод, Подшипник hsg (ANODE, Bearing hsg)

нет в наличии, поставок нет
52 0397111

   (последний код) ANODE-AY

нет в наличии, поставок нет
0433632 0433632

Приводной вал. комплект. Not Shown 25 дюйм Transom Only (DRIVESHAFT ASSY. COMPLETE. Not Shown 25 In. Transom Only)

нет в наличии, поставок нет
0433632 5000776

   (последний код) KIT AY,D/SHAFT-25"

нет в наличии, поставок нет
53 0335678

DRIVEВал, верхний 25 дюйм Transom Only (DRIVESHAFT, Upper. 25 In. Transom Only)

нет в наличии, поставок нет
53 5000626

   (последний код) KIT, UPPR D/S 25"

нет в наличии, поставок нет
54 0311538

Штифт, DriveВал. 25 дюйм Transom Only (PIN, Driveshaft. 25 In. Transom Only)

нет в наличии, поставок нет
55 0335684

Пружина, DriveВал. 25 дюйм Transom Only (SPRING, Driveshaft. 25 In. Transom Only)

нет в наличии, поставок нет
56 0335677

DRIVEВал, нижний 25 дюйм Transom Only (DRIVESHAFT, Lower. 25 In. Transom Only)

нет в наличии, поставок нет
56 0345905

   (последний код) DRIVESHAFT,LOWER

нет в наличии, поставок нет
57 0328715

Винт, Крыльчатка Корпус. Also included in contents of Ремкомплект водяного насоса #395062 (SCREW, Impeller housing. Also included in contents of Water Pump Repair Kit #395062)

нет в наличии, поставок нет
57 0335221

   (последний код) SCREW

нет в наличии, поставок нет
58 0314008

Пыльник водяной трубки. Also included in contents of Ремкомплект водяного насоса #395062 (GROMMET, Water tube. Also included in contents of Water Pump Repair Kit #395062)

нет в наличии, поставок нет
59 0321159

Колпак крыльчатки Корпус. Also included in contents of Ремкомплект водяного насоса #395062 (COVER, Impeller housing. Also included in contents of Water Pump Repair Kit #395062)

нет в наличии, поставок нет
59 0338893

   (последний код) COVER,IMPELL

нет в наличии, поставок нет
60 0333961

Пластина трима, Редуктор (TRIM TAB, Gearcase)

нет в наличии, поставок нет
60 0338743

   (последний код) TAB,TRIM-C/R

нет в наличии, поставок нет
61 0320943

Пыльник, Крыльчатка Корпус. Also included in contents of Ремкомплект водяного насоса #395062 (GROMMET, Impeller housing. Also included in contents of Water Pump Repair Kit #395062)

1 шт300 руб.
62 0310585

Уплотнительное кольцо, DriveВал to Картер двигателя. Also included in contents of Ремкомплект водяного насоса #395062 (O-RING, Driveshaft to crankcase. Also included in contents of Water Pump Repair Kit #395062)

нет в наличии, поставок нет
63 0330379

Cвыше, Крыльчатка. Also included in contents of Ремкомплект водяного насоса #395062 Stainless Steel (CUP, Impeller. Also included in contents of Water Pump Repair Kit #395062 Stainless Steel)

нет в наличии, поставок нет
63 0435027

   (последний код) CUP-&-PLATE

нет в наличии, поставок нет
63 0330384

Cвыше, Крыльчатка Корпус. хромированная пластина (CUP, Impeller housing. Chrome Plated)

нет в наличии, поставок нет
63 0435526

   (последний код) CUP & PLATE AY

нет в наличии, поставок нет
64 0306643

Винт, Крышка to Крыльчатка. Also included in contents of Ремкомплект водяного насоса #395062 (SCREW, Cover to impeller. Also included in contents of Water Pump Repair Kit #395062)

нет в наличии, поставок нет
64 3852066

   (последний код) SCREW

нет в наличии, поставок нет
65 0313715

Винт, Пластина трима (SCREW, Trim tab)

нет в наличии, поставок нет
66 0330380

Пластина корпуса крыльчатки. Also included in contents of Ремкомплект водяного насоса #395062 Stainless Steel (PLATE, Impeller housing. Also included in contents of Water Pump Repair Kit #395062 Stainless Steel)

нет в наличии, поставок нет
66 0435027

   (последний код) CUP-&-PLATE

нет в наличии, поставок нет
66 0330383

Пластина корпуса крыльчатки. хромированная пластина (PLATE, Impeller housing. Chrome Plated)

нет в наличии, поставок нет
66 0435526

   (последний код) CUP & PLATE AY

нет в наличии, поставок нет
67 0398042

Гайка & KEEPER, Гребной винт (NUT & KEEPER, Propeller)

нет в наличии, поставок нет
67 3850984

   (последний код) NUT&KEEPER AY,PROP

нет в наличии, поставок нет
68 0306394

Шплинт, Гайка гребного винта (COTTER PIN, Propeller nut)

нет в наличии, поставок нет
68 3852056

   (последний код) PIN,COTTER

нет в наличии, поставок нет
69 0330265

Шайба, Винт long (WASHER, Screw long)

нет в наличии, поставок нет
70 0331998

Винт, Редуктор to Корпус (SCREW, Gearcase to housing)

нет в наличии, поставок нет
70 0914535

   (последний код) SCREW

нет в наличии, поставок нет
71 0321008

Пыльник, Exh. hsg to Переключающая тяга. Also included in contents of Ремкомплект водяного насоса #395062 (GROMMET, Exh. hsg to shift rod. Also included in contents of Water Pump Repair Kit #395062)

нет в наличии, поставок нет
72 0331999

Винт, Редуктор to Корпус (SCREW, Gearcase to housing)

нет в наличии, поставок нет
72 0910457

   (последний код) SCREW

нет в наличии, поставок нет
73 0331353

Сальник, Крыльчатка Корпус Пластина. Also included in contents of Ремкомплект водяного насоса #395062 (SEAL, Impeller housing plate. Also included in contents of Water Pump Repair Kit #395062)

1 шт790 руб.
74 0395864

Крыльчатка & Ключ в сборе.. Also included in contents of Ремкомплект водяного насоса #395062 (IMPELLER & KEY ASSY.. Also included in contents of Water Pump Repair Kit #395062)

нет в наличии, поставок нет
74 5001593

   (последний код) KIT AY,IMPELLER

нет в наличии, поставок нет
75 0331107

Ключ, Крыльчатка. Also included in contents of Ремкомплект водяного насоса #395062 (KEY, Impeller. Also included in contents of Water Pump Repair Kit #395062)

нет в наличии, поставок нет
76 0321122

Проставка, Переключающая тяга (SPACER, Shift rod)

нет в наличии, поставок нет
77 0322302

Сальник, Переключающая тяга (SEAL, Shift rod)

нет в наличии, поставок нет
77 0321361

   (последний код) SEAL

нет в наличии, поставок нет
78 0333592

Упорная втулка (THRUST BUSHING)

нет в наличии, поставок нет
78 0321173

   (последний код) THRUST BUSHING

нет в наличии, поставок нет
79 0324701

Прокладка, Imp. hsg. Пластина. Also included in contents of Ремкомплект водяного насоса #395062 Also included in contents of Комплект сальников редуктора #396353 (GASKET, Imp. hsg. plate. Also included in contents of Water Pump Repair Kit #395062 Also included in contents of Gearcase Seal Kit #396353)

нет в наличии, поставок нет
79 0338484

   (последний код) GASKET,WTR PMP 5PK

нет в наличии, поставок нет
80 0330263

Винт, Редуктор rear (SCREW, Gearcase rear)

нет в наличии, поставок нет
80 0914534

   (последний код) SCREW

нет в наличии, поставок нет
81 0332000

Кольцевой сальник. Also included in contents of Ремкомплект водяного насоса #395062 (SEAL RING. Also included in contents of Water Pump Repair Kit #395062)

нет в наличии, поставок нет
82 0330266

Шайба, Винт (WASHER, Screw)

нет в наличии, поставок нет
82 3852200

   (последний код) WASHER

нет в наличии, поставок нет
83 0395040

Крыльчатка Корпус, Редуктор (IMPELLER HOUSING, Gearcase)

нет в наличии, поставок нет
83 0435485

   (последний код) HOUSING-AY,P

нет в наличии, поставок нет
84 0320570

Проставка гайки гребного винта (SPACER, Propeller nut)

нет в наличии, поставок нет
84 3852163

   (последний код) SPACER,PROP

нет в наличии, поставок нет
85 0390821

Гребной винт, 14 1 / 2 X 19 SST (PROPELLER, 14 1/2 X 19 SST)

нет в наличии, поставок нет
85 0176618

   (последний код) SST 14.75X19LH

нет в наличии, поставок нет
85 0390822

Гребной винт, 14 1 / 4 X 21 SST (PROPELLER, 14 1/4 X 21 SST)

нет в наличии, поставок нет
85 0763923

   (последний код) VIPERTBX14.5X21-LH

нет в наличии, поставок нет
85 0390823

Гребной винт, 14 1 / 4 X 23 SST (PROPELLER, 14 1/4 X 23 SST)

нет в наличии, поставок нет
85 0174927

Гребной винт, 15 X 15 SST (PROPELLER, 15 X 15 SST)

нет в наличии, поставок нет
85 0431930

Гребной винт, 15 X 17 SST (PROPELLER, 15 X 17 SST)

нет в наличии, поставок нет
85 0176616

   (последний код) SST V6 14.75X17LH

нет в наличии, поставок нет
85 0394214

Гребной винт, 14 1 / 2 X 27 OMC SRX (PROPELLER, 14 1/2 X 27 OMC SRX)

нет в наличии, поставок нет
85 0394215

Гребной винт, 14 1 / 2 X 29 OMC SRX (PROPELLER, 14 1/2 X 29 OMC SRX)

нет в наличии, поставок нет
85 0398502

Гребной винт, 14 1 / 2 X 20 OMC RAKER (PROPELLER, 14 1/2 X 20 OMC RAKER)

нет в наличии, поставок нет
85 0398503

Гребной винт, 14 1 / 4 X 22 OMC RAKER (PROPELLER, 14 1/4 X 22 OMC RAKER)

нет в наличии, поставок нет
85 0398504

Гребной винт, 14 1 / 2 X 24 OMC RAKER (PROPELLER, 14 1/2 X 24 OMC RAKER)

нет в наличии, поставок нет
85 0398505

Гребной винт, 14 1 / 2 X 26 OMC RAKER (PROPELLER, 14 1/2 X 26 OMC RAKER)

нет в наличии, поставок нет
85 0398506

Гребной винт, 14 1 / 2 X 28 OMC RAKER (PROPELLER, 14 1/2 X 28 OMC RAKER)

нет в наличии, поставок нет
86 0313926

Гильза, Втулкаs (SLEEVE, Bushings)

нет в наличии, поставок нет
86 3850831

   (последний код) SLEEVE-PROP

нет в наличии, поставок нет
87 0387157

Втулка в сборе., Prop (BUSHING ASSY., Prop)

нет в наличии, поставок нет
88 0396353

Комплект сальников редуктора (GEARCASE SEAL KIT)

нет в наличии, поставок нет
88 5006373

   (последний код) KIT AY,SEAL-GC

нет в наличии, поставок нет
89 0395060

Ремкомплект водяного насоса (WATER PUMP REPAIR KIT)

нет в наличии, поставок нет
89 5001594

   (последний код) KIT AY,WATER PUMP

нет в наличии, поставок нет
89 T-5001594

   (не оригинальный аналог) Ремкомплект насоса охлаждения Evinrude-Johnson 5001594

2 шт штпо запросу
89 0395062

Ремкомплект водяного насоса, Includes Крыльчатка Корпус (WATER PUMP REPAIR KIT, Includes impeller housing)

нет в наличии, поставок нет
89 5001594

   (последний код) KIT AY,WATER PUMP

нет в наличии, поставок нет
89 T-5001594

   (не оригинальный аналог) Ремкомплект насоса охлаждения Evinrude-Johnson 5001594

2 шт штпо запросу
evinrude

Время выполнения запроса 2.2079119682312 сек.


 
 

данный сайт носит информационный характер и не является публичной офертой

склад запчастей для водомоторной техники