вконтакте

Контактный телефон: +7 (981) 121-46-93, +7 (800) 200-90-76 , Email: parts-katalog@yandex.ru, где купить

 
 

  Логин:

Пароль:

Регистрация

www.partskatalog.ru Все каталоги Запчасти Mercury Запчасти Suzuki Запчасти Tohatsu Запчасти Honda Контакты


Все разделы каталога запчастей на этот двигатель

назад Раздел:   вперёд

вернуться к списку узлов и деталей

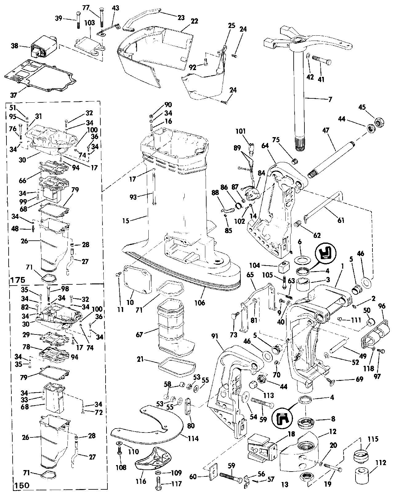
ДЕТАЛИРОВКА ДЛЯ МОДЕЛИ: EVINRUDE VE150TLESB 1990

MIDSECTION | MIDSECTION;


Подвесной мотор EVINRUDE VE150TLESB 1990  - dsection

Номер на
рисунке
АртикулНаименованиеКол-во
на складе
Цена
1 0432708

Поворотный кронштейн. 20 дюйм (508 мм) Transom Models (SWIVEL BRACKET. 20 in. (508mm) Transom Models)

нет в наличии, поставок нет
1 0398935

   (последний код) SWIVEL-BRKT

нет в наличии, поставок нет
1 0432710

Поворотный кронштейн. 25 дюйм (635 мм) Transom Models (SWIVEL BRACKET. 25 in. (635mm) Transom Models)

нет в наличии, поставок нет
1 0398309

   (последний код) SWIVEL-BRACK

нет в наличии, поставок нет
2 0313607

LUBRICATION FITTING (LUBRICATION FITTING)

нет в наличии, поставок нет
2 3852121

   (последний код) FITTING,LUB

нет в наличии, поставок нет
3 0320962

Втулка (BUSHING)

нет в наличии, поставок нет
4 0320937

Сальник (SEAL)

нет в наличии, поставок нет
5 0321035

Втулка, Swivel racket (BUSHING, Swivel racket)

нет в наличии, поставок нет
6 0320866

THRUST Опорная шайба Вал (THRUST WASHER, Pivot shaft)

нет в наличии, поставок нет
7 0392518

Рулевая система Рычаг в сборе.. 20 дюйм (508 мм) Transom Models (STEERING ARM ASSY.. 20 in. (508mm) Transom Models)

нет в наличии, поставок нет
7 0983289

   (последний код) STEERING ARM

нет в наличии, поставок нет
7 0392519

Рулевая система Рычаг в сборе.. 25 дюйм (635 мм) Transom Models (STEERING ARM ASSY.. 25 in. (635mm) Transom Models)

нет в наличии, поставок нет
7 0983437

   (последний код) STRG ARM EXT LG

нет в наличии, поставок нет
8 0327696

KEEPER, Стержень Вал (KEEPER, Pivot shaft)

нет в наличии, поставок нет
9 0306014

Винт, Заземление lead (SCREW, Ground lead)

нет в наличии, поставок нет
10 0320864

Крышка, Монтажный кронштейн, нижний (COVER, Mount bracket, lower)

нет в наличии, поставок нет
10 0338942

   (последний код) COVER,MOUNT-LOWER

нет в наличии, поставок нет
11 0322000

Винт, Крышка (SCREW, Cover)

нет в наличии, поставок нет
12 0327051

Монтажный кронштейн. 20 дюйм (508 мм) Transom Models (MOUNT BRACKET. 20 in. (508mm) Transom Models)

нет в наличии, поставок нет
12 0340006

   (последний код) BRACKET,MOUN

нет в наличии, поставок нет
12 0335506

Монтажный кронштейн. 25 дюйм (635 мм) Transom Models (MOUNT BRACKET. 25 in. (635mm) Transom Models)

нет в наличии, поставок нет
12 0338744

   (последний код) BRACKET,MOUNT

нет в наличии, поставок нет
13 0320746

Гайка, Монтажный кронштейн (NUT, Mount bracket)

нет в наличии, поставок нет
14 0328739

Шайба, Sending unit Винт (WASHER, Sending unit screw)

нет в наличии, поставок нет
14 3852190

   (последний код) WASHER

нет в наличии, поставок нет
15 0332744

Удлинитель корпуса. 20 дюйм (508 мм) Transom Models (EXHAUST HOUSING. 20 in. (508mm) Transom Models)

нет в наличии, поставок нет
15 0435432

   (последний код) HSG&STUD-AY,

нет в наличии, поставок нет
15 0332745

Удлинитель корпуса. 25 дюйм (635 мм) Transom Models (EXHAUST HOUSING. 25 in. (635mm) Transom Models)

нет в наличии, поставок нет
15 0435318

   (последний код) HSG&STUD-AY,

нет в наличии, поставок нет
16 0314956

Шпилька, 175 only (STUD, 175 only)

нет в наличии, поставок нет
17 0301250

Шайба, Удлинитель корпуса (WASHER, Exhaust housing)

нет в наличии, поставок нет
17 0911009

   (последний код) WASHER

нет в наличии, поставок нет
18 0391710

RUBBER Крепление нижнее, std. голубой (RUBBER MOUNT, Lower, std. blue)

нет в наличии, поставок нет
18 0434632

   (последний код) RUBBER MOUNT

нет в наличии, поставок нет
18 0391774

RUBBER Крепление нижнее, high perf. зелёный, 175STL (RUBBER MOUNT, Lower, high perf. green, 175STL)

нет в наличии, поставок нет
18 0434629

   (последний код) RUBBER MOUNT

нет в наличии, поставок нет
19 0328078

Винт, Крепление (SCREW, Mount)

нет в наличии, поставок нет
19 0327052

   (последний код) SCREW

нет в наличии, поставок нет
20 0306314

LOCKШайба, Крепление (LOCKWASHER, Mount)

нет в наличии, поставок нет
21 0320961

Сальник, Редуктор to Внутренности машинки газ-реверс (SEAL, Gearcase to inner housing)

нет в наличии, поставок нет
22 0390131

Выхлопная крышка Задний корпус. 20 дюйм (508 мм) Transom Models (COVER, Exhaust housing, rear. 20 in. (508mm) Transom Models)

нет в наличии, поставок нет
22 0389274

   (последний код) COVER&INSERT AY

нет в наличии, поставок нет
22 0983524

Выхлопная крышка Задний корпус. 25 дюйм (635 мм) Transom Models (COVER, Exhaust housing, rear. 25 in. (635mm) Transom Models)

нет в наличии, поставок нет
23 0318258

Сальник, Удлинитель корпуса Крышка. 20 дюйм (508 мм) Transom Models (SEAL, Exhaust housing cover. 20 in. (508mm) Transom Models)

нет в наличии, поставок нет
23 0334824

Сальник, Удлинитель корпуса Крышка. 25 дюйм (635 мм) Transom Models (SEAL, Exhaust housing cover. 25 in. (635mm) Transom Models)

нет в наличии, поставок нет
23 0911117

   (последний код) SEAL

нет в наличии, поставок нет
24 0328694

Выхлопная крышка Передний корпус (COVER, Exhaust housing, front)

нет в наличии, поставок нет
24 0911122

   (последний код) SCREW

нет в наличии, поставок нет
25 0323800

Выхлопная крышка Передний корпус (COVER, Exhaust housing, front)

нет в наличии, поставок нет
26 0323548

Удлинитель корпуса, Inner верхний (EXHAUST HOUSING, Inner upper)

нет в наличии, поставок нет
26 0327800

   (последний код) EXHAUST HSG

нет в наличии, поставок нет
27 0321016

Водяная трубка. 20 дюйм (508 мм) Transom Models (WATER TUBE. 20 in. (508mm) Transom Models)

нет в наличии, поставок нет
27 0346897

   (последний код) TUBE,WATER 20"

нет в наличии, поставок нет
27 0321015

Водяная трубка. 25 дюйм (635 мм) Transom Models (WATER TUBE. 25 in. (635mm) Transom Models)

нет в наличии, поставок нет
27 0346898

   (последний код) TUBE,WATER 25"

нет в наличии, поставок нет
28 0305145

Пыльник водяной трубки (GROMMET, Water tube)

нет в наличии, поставок нет
29 0324516

Прокладка, Adapter to Пластина, 150 (GASKET, Adapter to plate, 150)

нет в наличии, поставок нет
29 0321086

   (последний код) GASKET

нет в наличии, поставок нет
30 0331034

ADAPTER, Выхлоп hsg., 150 (ADAPTER, Exhaust hsg., 150)

нет в наличии, поставок нет
30 0331033

   (последний код) ADAPTOR

нет в наличии, поставок нет
30 0395810

ADAPTER, Выхлоп hsg., 175 (ADAPTER, Exhaust hsg., 175)

нет в наличии, поставок нет
30 0434157

   (последний код) ADAPTOR-ASSY

нет в наличии, поставок нет
31 0301185

Шпилька, 175 only (STUD, 175 only)

нет в наличии, поставок нет
32 0303459

Винт, Adapter in Внутренности машинки газ-реверс (SCREW, Adapter in inner housing)

нет в наличии, поставок нет
32 3852048

   (последний код) SCREW

нет в наличии, поставок нет
33 0306778

Винт, Megaphone, rear (SCREW, Megaphone, rear)

нет в наличии, поставок нет
34 0302290

LOCKШайба (LOCKWASHER)

нет в наличии, поставок нет
34 0338307

   (последний код) WASHER,LOCK

нет в наличии, поставок нет
35 0306418

Винт, Adapter, 150 (SCREW, Adapter, 150)

нет в наличии, поставок нет
36 0306409

Винт, Adapter to Корпус, outer (SCREW, Adapter to housing, outer)

нет в наличии, поставок нет
37 0335503

Прокладка, Adap. to pwrhd.., 150 (GASKET, Adap. to pwrhd.., 150)

нет в наличии, поставок нет
37 0333658

   (последний код) GASKET

нет в наличии, поставок нет
37 0323214

Прокладка, Adap. to pwrhd. 175 (GASKET, Adap. to pwrhd. 175)

нет в наличии, поставок нет
37 0321026

   (последний код) GASKET

нет в наличии, поставок нет
38 0395539

Монтажная резинка в сборе., верхний (RUBBER MOUNT ASSY., Upper)

нет в наличии, поставок нет
39 0330930

Винт, верхний Крепление (SCREW, Upper mount)

нет в наличии, поставок нет
39 0335021

   (последний код) SCREW 3/8-16

нет в наличии, поставок нет
40 0328701

LOCKШайба, Заземление (LOCKWASHER, Ground)

нет в наличии, поставок нет
40 3852182

   (последний код) WASHER,LOCK

нет в наличии, поставок нет
41 0328692

Винт, верхний Крепление (SCREW, Upper mount)

нет в наличии, поставок нет
41 0335612

   (последний код) SCREW

нет в наличии, поставок нет
42 0313169

LOCKШайба, Крепление Винт (LOCKWASHER, Mount screw)

нет в наличии, поставок нет
43 0583967

LEAD в сборе., Заземление (LEAD ASSY., Ground)

нет в наличии, поставок нет
43 0583357

   (последний код) LEAD-AY

нет в наличии, поставок нет
44 0323559

Гайка, Tilt Трубка, TE / TJ 150 (NUT, Tilt tube, TE/TJ 150)

нет в наличии, поставок нет
44 0335554

Гайка, Tilt Трубка (NUT, Tilt tube)

нет в наличии, поставок нет
45 0322376

WIPER Гайка, Tilt Трубка to Кабели. Recommended to prevent corrosion in salt Water Usage. (WIPER NUT, Tilt tube to cable. Recommended to prevent corrosion in salt Water Usage.)

нет в наличии, поставок нет
46 0327699

Упорная шайба, Кронштейн транца (THRUST WASHER, Stern bracket)

нет в наличии, поставок нет
46 0910992

   (последний код) THRUST WASHER

нет в наличии, поставок нет
47 0321052

TILT Трубка, TE / TJ 150 (TILT TUBE, TE/TJ 150)

нет в наличии, поставок нет
47 0335553

TILT Трубка (TILT TUBE)

нет в наличии, поставок нет
48 0306778

Винт, Inner Выхлоп hsg., rear (SCREW, Inner exhaust hsg., rear)

нет в наличии, поставок нет
49 0320792

Штифт, Цилиндр наклона (PIN, Tilt cylinder)

нет в наличии, поставок нет
50 0322481

Втулка, Цилиндр наклона (BUSHING, Tilt cylinder)

нет в наличии, поставок нет
50 0320941

   (последний код) BUSHING

нет в наличии, поставок нет
51 0306422

Гайка, Коллектор to adapter, 175 (NUT, Manifold to adapter, 175)

нет в наличии, поставок нет
52 0321054

Пружина Зажим (SPRING CLIP)

нет в наличии, поставок нет
53 0313623

Гайка, Кронштейн транца Винт (NUT, Stern bracket screw)

нет в наличии, поставок нет
53 0321861

   (последний код) NUT

нет в наличии, поставок нет
54 0307238

Шайба, Гайка (WASHER, Nut)

нет в наличии, поставок нет
55 0320248

Шайба (WASHER)

нет в наличии, поставок нет
55 0312910

   (последний код) WASHER

нет в наличии, поставок нет
56 0318273

Фиксатор (RETAINER)

нет в наличии, поставок нет
57 0319886

Винт (SCREW)

нет в наличии, поставок нет
58 0318572

Монтажная крышка Винтs (CAP, Mounting screws)

нет в наличии, поставок нет
59 0327053

Винт, Brkt. to transom, 3" (76 мм) (SCREW, Brkt. to transom, 3" (76mm))

нет в наличии, поставок нет
59 0313327

Винт, Brkt. to transom, 4" (102 мм) (SCREW, Brkt. to transom, 4" (102mm))

нет в наличии, поставок нет
59 0336676

   (последний код) 4 3/4" TRNSM BOLT

нет в наличии, поставок нет
59 0326614

Винт, Brkt. to transom, 4 1 / 2" (114 мм) (SCREW, Brkt. to transom, 4 1/2" (114mm))

нет в наличии, поставок нет
59 0336676

   (последний код) 4 3/4" TRNSM BOLT

нет в наличии, поставок нет
59 0321577

Винт, Brkt. to transom, 6" (152 мм) (SCREW, Brkt. to transom, 6" (152mm))

нет в наличии, поставок нет
60 0318272

Пластина (PLATE)

нет в наличии, поставок нет
61 0387278

Упорный стержень в сборе. (THRUST ROD ASSY.)

нет в наличии, поставок нет
61 0436541

   (последний код) ROD-ASSY-TRUST

нет в наличии, поставок нет
62 0321053

Пружина, Стержень тяги (SPRING, Thrust rod)

нет в наличии, поставок нет
63 0323142

Пружина, Trail lock (SPRING, Trail lock)

нет в наличии, поставок нет
63 0322394

   (последний код) SPRING

нет в наличии, поставок нет
64 0396309

STERN BRKT в сборе., Port (STERN BRKT ASSY., Port)

нет в наличии, поставок нет
64 0395843

   (последний код) STERN-BRACKE

нет в наличии, поставок нет
65 0390442

LOCKING Рычаг, Тяга (LOCKING LEVER, Rod)

нет в наличии, поставок нет
65 5004427

   (последний код) LEVER&ROD AY

нет в наличии, поставок нет
66 0323292

Прокладка, Adapter to megaphone, 175 (GASKET, Adapter to megaphone, 175)

нет в наличии, поставок нет
67 0320838

Удлинитель корпуса, Inner, нижний 20 дюйм (508 мм) Transom Models (EXHAUST HOUSING, Inner, lower. 20 in. (508mm) Transom Models)

нет в наличии, поставок нет
67 0327796

   (последний код) EXHAUST HSG, INNER

нет в наличии, поставок нет
67 0320839

Удлинитель корпуса, Inner, нижний 25 дюйм (635 мм) Transom Models (EXHAUST HOUSING, Inner, lower. 25 in. (635mm) Transom Models)

нет в наличии, поставок нет
67 0327797

   (последний код) EXHAUST HSG

нет в наличии, поставок нет
68 0320870

TUNING MEGAPHONE, 150 (TUNING MEGAPHONE, 150)

нет в наличии, поставок нет
68 0323220

MEGAPHONE, 175 (MEGAPHONE, 175)

нет в наличии, поставок нет
68 0328012

   (последний код) MEGAPHONE

нет в наличии, поставок нет
69 0321499

THRUST PAD (THRUST PAD)

нет в наличии, поставок нет
69 0320816

   (последний код) -THRUST-PAD

нет в наличии, поставок нет
70 0552938

LOCKГайка (LOCKNUT)

нет в наличии, поставок нет
70 0306319

   (последний код) NUT

нет в наличии, поставок нет
71 0320936

Сальник, Удлинитель корпуса (SEAL, Exhaust housing)

нет в наличии, поставок нет
72 0319883

Винт, Megaphone, front, 150 (SCREW, Megaphone, front, 150)

нет в наличии, поставок нет
73 0329109

SHOULDER Винт (SHOULDER SCREW)

нет в наличии, поставок нет
73 0321389

   (последний код) HH-SHOULDER

нет в наличии, поставок нет
74 0306422

Гайка, Powerhead to adapter (NUT, Powerhead to adapter)

нет в наличии, поставок нет
75 0321243

Втулка, Кронштейн транца (BUSHING, Stern bracket)

нет в наличии, поставок нет
76 0302030

Винт, Adapter to outer Выхлоп, 175 (SCREW, Adapter to outer exhaust, 175)

нет в наличии, поставок нет
76 0303398

   (последний код) SCREW

нет в наличии, поставок нет
77 0330931

Винт, верхний Крепление (SCREW, Upper mount)

нет в наличии, поставок нет
77 0121250

   (последний код) SCREW

нет в наличии, поставок нет
78 0322313

Пластина в сборе., 150 (PLATE ASSY., 150)

нет в наличии, поставок нет
78 0327803

   (последний код) PLATE

нет в наличии, поставок нет
79 0323222

Прокладка, Inner exh. hsg to meg. (GASKET, Inner exh. hsg to meg.)

нет в наличии, поставок нет
79 0322312

   (последний код) GASKET

нет в наличии, поставок нет
80 0321735

SвышеPORT, Кронштейн транца (SUPPORT, Stern bracket)

нет в наличии, поставок нет
81 0552993

Шайба, Винт to Кронштейн (WASHER, Screw to bracket)

нет в наличии, поставок нет
81 0330266

   (последний код) WASHER

нет в наличии, поставок нет
82 0600014

Винт, Adapter to outer hsg., 150 (SCREW, Adapter to outer hsg., 150)

нет в наличии, поставок нет
84 0583358

SENDING UNIT в сборе. (SENDING UNIT ASSY.)

нет в наличии, поставок нет
84 0582944

   (последний код) SENDING-UNIT

нет в наличии, поставок нет
85 0511527

Фиксатор (RETAINER)

нет в наличии, поставок нет
85 3852232

   (последний код) RETAINER

нет в наличии, поставок нет
86 0511528

Пружина (SPRING)

нет в наличии, поставок нет
87 0320689

Гайка (NUT)

нет в наличии, поставок нет
87 3852164

   (последний код) NUT

нет в наличии, поставок нет
88 0512211

Рычаг (ARM)

нет в наличии, поставок нет
88 0511530

   (последний код) ARM-SENDING

нет в наличии, поставок нет
89 0511469

Штифт, Sending unit (PIN, Sending unit)

нет в наличии, поставок нет
89 3852229

   (последний код) TERMINAL,PIN

нет в наличии, поставок нет
90 0328742

Гайка, Шпилька, Удлинитель корпуса, 175 (NUT, Stud, exhaust housing, 175)

нет в наличии, поставок нет
90 0308133

   (последний код) NUT

нет в наличии, поставок нет
91 0395844

Кронштейн транца, Starboard (STERN BRACKET, Starboard)

нет в наличии, поставок нет
91 0397948

   (последний код) STERN-BRKT

нет в наличии, поставок нет
92 0328694

Винт, Нижняя часть корпуса, front (SCREW, Lower cover, front)

нет в наличии, поставок нет
92 0911122

   (последний код) SCREW

нет в наличии, поставок нет
93 0328698

Винт, Удлинитель корпуса (SCREW, Exhaust housing)

нет в наличии, поставок нет
94 0302860

Винт, Adapter to powerhead (SCREW, Adapter to powerhead)

нет в наличии, поставок нет
95 0309192

Шайба, Коллектор to adapter, 175 (WASHER, Manifold to adapter, 175)

нет в наличии, поставок нет
95 3852083

   (последний код) WASHER,FLAT

нет в наличии, поставок нет
96 0125543

Кронштейн рулевого управления Трубка, 175STL (BRACKET, Steering tube, 175STL)

нет в наличии, поставок нет
97 0125544

Винт, Кронштейн, 175STL (SCREW, Bracket, 175STL)

нет в наличии, поставок нет
98 0315071

Винт, Hsg. to inner Выхлоп (SCREW, Hsg. to inner exhaust)

нет в наличии, поставок нет
99 0306418

Винт, Megaphone to adapter, 175 (SCREW, Megaphone to adapter, 175)

нет в наличии, поставок нет
100 0306470

LOCKШайба (LOCKWASHER)

нет в наличии, поставок нет
100 3852061

   (последний код) LOCKWASHER

нет в наличии, поставок нет
101 0512746

Коннектор, Sending unit (CONNECTOR, Sending unit)

нет в наличии, поставок нет
102 0308825

Винт, Sending unit to Кронштейн (SCREW, Sending unit to bracket)

нет в наличии, поставок нет
102 3852081

   (последний код) SCREW

нет в наличии, поставок нет
103 0331022

Пластина верхней опоры (PLATE, Upper mount)

нет в наличии, поставок нет
104 0433458

Анод, Port Кронштейн транца (ANODE, Port stern bracket)

нет в наличии, поставок нет
104 0398331

   (последний код) ANODE & INSERT AY

нет в наличии, поставок нет
105 0333350

Винт, Анод (SCREW, Anode)

нет в наличии, поставок нет
106 0211388

Наклейка, Выхлоп hsg., Ev. (DECAL, Exhaust hsg., Ev.)

нет в наличии, поставок нет
106 0332731

Наклейка, Выхлоп hsg., Jo. (DECAL, Exhaust hsg., Jo.)

нет в наличии, поставок нет
108 0910741

Винт, Spray Пластина. 25 дюйм (635 мм) Transom Models (SCREW, Spray plate. 25 in. (635mm) Transom Models)

нет в наличии, поставок нет
108 0313023

   (последний код) SCREW

нет в наличии, поставок нет
109 0301250

Шайба, Spray deflector. 25 дюйм (635 мм) Transom Models (WASHER, Spray deflector. 25 in. (635mm) Transom Models)

нет в наличии, поставок нет
109 0911009

   (последний код) WASHER

нет в наличии, поставок нет
110 0911201

Шайба, Spray Пластина to Крепление. 25 дюйм (635 мм) Transom Models (WASHER, Spray plate to mount. 25 in. (635mm) Transom Models)

нет в наличии, поставок нет
111 0334076

Заглушка, Поворотный кронштейн (PLUG, Swivel bracket)

нет в наличии, поставок нет
112 0911312

Сальник, Стержень Вал. 25 дюйм (635 мм) Transom Models (SEAL, Pivot shaft. 25 in. (635mm) Transom Models)

нет в наличии, поставок нет
113 0317894

Колпачок, Tilt Трубка (CAP, Tilt tube)

нет в наличии, поставок нет
113 3852150

   (последний код) CAP

нет в наличии, поставок нет
114 0334979

SPRAY Пластина, нижний Крепление. 25 дюйм (635 мм) Transom Models (SPRAY PLATE, Lower mount. 25 in. (635mm) Transom Models)

нет в наличии, поставок нет
114 0345776

   (последний код) DEFLECTOR,SPRAY

нет в наличии, поставок нет
115 0912233

Фиксатор, Сальник. 25 дюйм (635 мм) Transom Models (RETAINER, Seal. 25 in. (635mm) Transom Models)

нет в наличии, поставок нет
116 0913262

SPRAY DEFLECTOR. 25 дюйм (635 мм) Transom Models (SPRAY DEFLECTOR. 25 in. (635mm) Transom Models)

нет в наличии, поставок нет
116 0345776

   (последний код) DEFLECTOR,SPRAY

нет в наличии, поставок нет
117 0910736

Винт, Spray def. & Крепление. 25 дюйм (635 мм) Transom Models (SCREW, Spray def. & mount. 25 in. (635mm) Transom Models)

нет в наличии, поставок нет
118 0125545

Шайба, 175STL (WASHER, 175STL)

нет в наличии, поставок нет
118 0552783

   (последний код) WASHER

нет в наличии, поставок нет
evinrude

Время выполнения запроса 3.9489209651947 сек.


 
 

данный сайт носит информационный характер и не является публичной офертой

склад запчастей для водомоторной техники