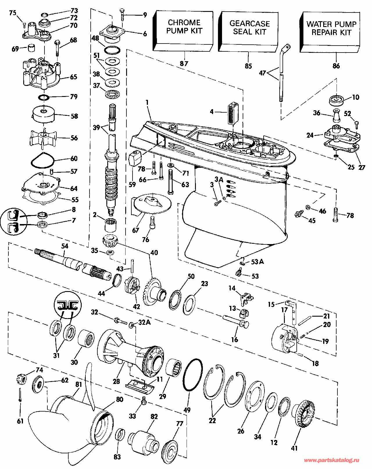
Номер на рисунке | Артикул | Наименование | Кол-во на складе | Цена |
| 0431676 | 0431676 | Редуктор в сборе., комплект. Replaced by 435474 gcase и 435760 верхний Корпус вала передачи ay, и if requiкрасный 333005 Переключающая тяга. (GEARCASE ASSY., Complete. Replaced by 435474 gcase and 435760 upper drive shaft ay, and if required 333005 shift rod.) | нет в наличии, поставок нет |
| 0431676 | 0398179 | (последний код) G-CASE-120&1 | нет в наличии, поставок нет |
| 0431677 | 0431677 | Редуктор в сборе., комплект. Replaced by 435474 gcase и 435761 верхний Корпус вала передачи ay, и if requiкрасный 333006 Переключающая тяга. (GEARCASE ASSY., Complete. Replaced by 435474 gcase and 435761 upper drive shaft ay, and if required 333006 shift rod.) | нет в наличии, поставок нет |
| 0431677 | 0398180 | (последний код) G-CASE-120-1 | нет в наличии, поставок нет |
| 1 | 0431642 | Редуктор & BRG. в сборе. (GEARCASE & BRG. ASSY.) | нет в наличии, поставок нет |
| 1 | 0394763 | (последний код) GEARCASE&BRG AY | нет в наличии, поставок нет |
| 2 | 0384195 | Подшипник, Шестерня (BEARING, Pinion) | нет в наличии, поставок нет |
| 3 | 0324852 | Установочный винт, Подшипник (SET SCREW, Bearing) | нет в наличии, поставок нет |
| 3A | 0332584 | Шайба (WASHER) | нет в наличии, поставок нет |
| 4 | 0323466 | Водяной экран Система впуска (SCREEN, Water intake) | нет в наличии, поставок нет |
| 4 | 0314996 | (последний код) SCREEN | нет в наличии, поставок нет |
| 6 | 0397493 | Подшипник HSG. & Сальник в сборе. (BEARING HSG. & SEAL ASSY.) | нет в наличии, поставок нет |
| 6 | 0439476 | (последний код) DS BRG HSG&SEAL AY | нет в наличии, поставок нет |
| 7 | 0329923 | Сальник, нижний (SEAL, Lower) | нет в наличии, поставок нет |
| 8 | 0329922 | Сальник, верхний (SEAL, Upper) | нет в наличии, поставок нет |
| 9 | 0317624 | Винт, Hsg. to Редуктор (SCREW, Hsg. to gearcase) | нет в наличии, поставок нет |
| 10 | 0321008 | Пыльник. Also included in Ремкомплект водяного насоса 395062 (GROMMET. Also included in Water Pump Repair Kit 395062) | нет в наличии, поставок нет |
| 11 | 0431708 | Анод, Подшипник hsg. (ANODE, Bearing hsg.) | нет в наличии, поставок нет |
| 11 | 0397111 | (последний код) ANODE-AY | нет в наличии, поставок нет |
| 12 | 0382408 | THRUST BRG., в сборе., Rev. Шестерня (THRUST BRG., ASSY., Rev. gear) | нет в наличии, поставок нет |
| 13 | 0334163 | CRADLE, Переключательer (CRADLE, Shifter) | 5 шт | 1880 руб. |
| 13 | 0322900 | (последний код) CRADLE-SHIFT | нет в наличии, поставок нет |
| 14 | 0324037 | ПереключательER (SHIFTER) | 8 шт | 3700 руб. |
| 15 | 0323946 | DETENT, Переключательer (DETENT, Shifter) | нет в наличии, поставок нет |
| 15 | 0915954 | (последний код) DETENT | нет в наличии, поставок нет |
| 16 | 0322941 | Вал (SHAFT) | нет в наличии, поставок нет |
| 17 | 0391365 | Подшипник HSG. & Штифт в сборе. (BEARING HSG. & PIN ASSY.) | нет в наличии, поставок нет |
| 17 | 0984096 | (последний код) BEARING HOUSING | нет в наличии, поставок нет |
| 18 | 0331880 | Штифт, Корпус (PIN, Housing) | нет в наличии, поставок нет |
| 19 | 0326666 | Фиксатор пружины (SPRING, Detent) | нет в наличии, поставок нет |
| 20 | 0327345 | Шарик, Detent (BALL, Detent) | нет в наличии, поставок нет |
| 21 | 0320145 | Штифт (PIN) | нет в наличии, поставок нет |
| 21 | 0323945 | (последний код) PIN-SHIFTER | нет в наличии, поставок нет |
| 22 | 0313445 | Стопорное кольцо (RETAINING RING) | нет в наличии, поставок нет |
| 23 | 0324766 | Упорная шайба, Fwd. Шестерня (THRUST WASHER, Fwd. gear) | нет в наличии, поставок нет |
| 24 | 0388618 | Крышка & Сальник в сборе. (COVER & SEAL ASSY.) | нет в наличии, поставок нет |
| 24 | 5006241 | (последний код) COVER AY,SHIFT ROD | нет в наличии, поставок нет |
| 25 | 0318372 | Уплотнительное кольцо, Переключающая тяга (O-RING, Shift rod) | нет в наличии, поставок нет |
| 26 | 0314732 | Фиксатор Пластина, Подшипник hsg. (RETAINER PLATE, Bearing hsg.) | нет в наличии, поставок нет |
| 27 | 0324670 | Прокладка крышки (GASKET, Cover) | нет в наличии, поставок нет |
| 27 | 0352165 | (последний код) GASKET | 2 шт | 550 руб. |
| 28 | 0397087 | BRG. Корпус Сальник в сборе. (BRG. HOUSING SEAL ASSY.) | нет в наличии, поставок нет |
| 28 | 0384523 | (последний код) PS BRG HSG&SEAL AY | нет в наличии, поставок нет |
| 29 | 0382407 | Игольчатый подшипник в сборе. (NEEDLE BEARING ASSY.) | 1 шт | 5500 руб. |
| 30 | 0379504 | Игольчатый подшипник в сборе. (NEEDLE BEARING ASSY.) | нет в наличии, поставок нет |
| 31 | 0330137 | Сальник (SEAL) | 17 шт | 3700 руб. |
| 31 | 0321668 | (последний код) SEAL-CRNKSHF | нет в наличии, поставок нет |
| 31 | T-0330137 | (не оригинальный аналог) Сальник редуктора OMC/Johnson/Evinrude 0330137 | под заказ шт | по запросу |
| 32 | 0316563 | Винт & Сальник (SCREW & SEAL) | нет в наличии, поставок нет |
| 32A | 0332583 | Сальник (SEAL) | нет в наличии, поставок нет |
| 33 | 0908158 | Винт (SCREW) | нет в наличии, поставок нет |
| 33 | 3852050 | (последний код) SCREW | нет в наличии, поставок нет |
| 34 | 0314731 | THRUST Шайба шестерни заднего хода (THRUST WASHER, Reverse gear) | нет в наличии, поставок нет |
| 35 | 0314730 | Гайка, Шестерня to driveВал (NUT, Pinion to driveshaft) | нет в наличии, поставок нет |
| 36 | 0321122 | Проставка, Переключающая тяга. 25 дюйм (635 мм) Transom Models (SPACER, Shift rod. 25 in. (635mm) Transom Models) | нет в наличии, поставок нет |
| 37 | 0387656 | THRUST Подшипник, Шестерня (THRUST BEARING, Pinion) | нет в наличии, поставок нет |
| 37 | 0383248 | (последний код) BEARING | нет в наличии, поставок нет |
| 38 | 0327656 | Упорная шайба шестерни Шестерня (THRUST WASHER, Pinion) | нет в наличии, поставок нет |
| 38 | 0314729 | (последний код) THRUST-WASHE | нет в наличии, поставок нет |
| 39 | 0394613 | Приводной вал.. 20 дюйм (508 мм) Transom Models (DRIVESHAFT ASSY.. 20 in. (508mm) Transom Models) | нет в наличии, поставок нет |
| 39 | 5000777 | (последний код) KIT AY,2PC D/SHAFT | нет в наличии, поставок нет |
| 39 | 0394614 | Приводной вал.. 25 дюйм (635 мм) Transom Models (DRIVESHAFT ASSY.. 25 in. (635mm) Transom Models) | нет в наличии, поставок нет |
| 39 | 5000778 | (последний код) KIT AY,D-SHAFT 2PC | нет в наличии, поставок нет |
| 40 | 0985050 | Шестерня & Комплект шестерёнок.. Use p / n 436746 для outboards, sea drives и stКольцоer Креплениеs и use 986979 для Cobra Models (GEAR & PINION ASSY.. Use p/n 436746 for outboards, sea drives and stringer mounts and use 986979 for Cobra Models) | нет в наличии, поставок нет |
| 40 | 0398035 | (последний код) GEARSET | нет в наличии, поставок нет |
| 41 | 0333077 | Шестерня обратного хода (GEAR, Reverse) | нет в наличии, поставок нет |
| 41 | 0345992 | (последний код) GEAR,REVERSE V4 | нет в наличии, поставок нет |
| 42 | 0323664 | Переключатель собачки сцепления (SHIFTER, Clutch dog) | нет в наличии, поставок нет |
| 42 | 0341517 | (последний код) TER,CLUTCH-D | нет в наличии, поставок нет |
| 43 | 0313448 | Штифт сцепления dog (PIN, Clutch dog) | нет в наличии, поставок нет |
| 44 | 0324369 | Пружина, Сцепление dog Штифт (SPRING, Clutch dog pin) | нет в наличии, поставок нет |
| 44 | 0313454 | (последний код) SPRING | нет в наличии, поставок нет |
| 45 | 0318544 | Заглушка, Fill и drain (PLUG, Fill and drain) | нет в наличии, поставок нет |
| 45 | 0912624 | (последний код) SCREW | нет в наличии, поставок нет |
| 46 | 0333572 | Уплотнительное кольцо (O-RING) | нет в наличии, поставок нет |
| 46 | 3855081 | (последний код) 0-RING | нет в наличии, поставок нет |
| 47 | 0333005 | Переключающая тяга. 20 дюйм (508 мм) Transom Models (SHIFT ROD. 20 in. (508mm) Transom Models) | нет в наличии, поставок нет |
| 47 | 0333006 | Переключающая тяга. 25 дюйм (635 мм) Transom Models (SHIFT ROD. 25 in. (635mm) Transom Models) | нет в наличии, поставок нет |
| 48 | 0314728 | Уплотнительное кольцо, DriveВал Подшипник (O-RING, Driveshaft bearing) | нет в наличии, поставок нет |
| 48 | 0354731 | (последний код) O-RING | 1 шт | 850 руб. |
| 49 | 0313446 | Уплотнительное кольцо, Prop. Вал brg. hsg. (O-RING, Prop. shaft brg. hsg.) | нет в наличии, поставок нет |
| 50 | 0385043 | THRUST BRG. в сборе., Fwd. Шестерня (THRUST BRG. ASSY., Fwd. gear) | нет в наличии, поставок нет |
| 50 | 3852221 | (последний код) BEARING-AY,T | нет в наличии, поставок нет |
| 51 | 0323362 | Регулировочная шайба, Подшипник Корпус, 0.003 дюйм (SHIM, Bearing housing, 0.003 in.) | нет в наличии, поставок нет |
| 51 | 0323361 | Регулировочная шайба, Подшипник Корпус, 0.004 дюйм (SHIM, Bearing housing, 0.004 in.) | нет в наличии, поставок нет |
| 51 | 0314745 | Регулировочная шайба, Подшипник Корпус, 0.005 дюйм (SHIM, Bearing housing, 0.005 in.) | нет в наличии, поставок нет |
| 52 | 0302325 | Винт, Крышка (SCREW, Cover) | нет в наличии, поставок нет |
| 53 | 0318544 | Винт дренажный и fill (SCREW, Drain and fill) | нет в наличии, поставок нет |
| 53 | 0912624 | (последний код) SCREW | нет в наличии, поставок нет |
| 53A | 0333572 | Уплотнительное кольцо (O-RING) | нет в наличии, поставок нет |
| 53A | 3855081 | (последний код) 0-RING | нет в наличии, поставок нет |
| 54 | 0387818 | Вал гребного винта в сборе. (PROPELLER SHAFT ASSY.) | нет в наличии, поставок нет |
| 54 | 0436888 | (последний код) SHAFT AY,PROPELLER | нет в наличии, поставок нет |
| 55 | 0324701 | Прокладка, Imp. hsg. Пластина. Also included in Ремкомплект водяного насосаs 395062 & 395060 (GASKET, Imp. hsg. plate. Also included in Water Pump Repair Kits 395062 & 395060) | нет в наличии, поставок нет |
| 55 | 0338484 | (последний код) GASKET,WTR PMP 5PK | нет в наличии, поставок нет |
| 56 | 0395864 | Крыльчатка & Ключ в сборе.. Also included in Ремкомплект водяного насоса 395062 (IMPELLER & KEY ASSY.. Also included in Water Pump Repair Kit 395062) | нет в наличии, поставок нет |
| 56 | 5001593 | (последний код) KIT AY,IMPELLER | нет в наличии, поставок нет |
| 57 | 0331107 | Ключ, Крыльчатка. Also included in Ремкомплект водяного насоса 395062 (KEY, Impeller. Also included in Water Pump Repair Kit 395062) | нет в наличии, поставок нет |
| 58 | 0330379 | Cвыше, Крыльчатка. Stainless Steel Also included in Ремкомплект водяного насоса 395062 (CUP, Impeller. Stainless Steel Also included in Water Pump Repair Kit 395062) | нет в наличии, поставок нет |
| 58 | 0435027 | (последний код) CUP-&-PLATE | нет в наличии, поставок нет |
| 58 | 0330384 | Cвыше, Крыльчатка, chrome. хромированная пластина (CUP, Impeller, chrome. Chrome Plated) | нет в наличии, поставок нет |
| 58 | 0435526 | (последний код) CUP & PLATE AY | нет в наличии, поставок нет |
| 59 | 0393023 | Анод (ANODE) | нет в наличии, поставок нет |
| 59 | 0436745 | (последний код) ANODE&INSERT AY | нет в наличии, поставок нет |
| 60 | 0331353 | Сальник, Крыльчатка Корпус Пластина. Also included in Ремкомплект водяного насосаs 395062 & 395060 (SEAL, Impeller housing plate. Also included in Water Pump Repair Kits 395062 & 395060) | 1 шт | 790 руб. |
| 61 | 0314502 | Шплинт, Гайка гребного винта (COTTER PIN, Propeller nut) | нет в наличии, поставок нет |
| 62 | 0315810 | Проставка гайки гребного винта (SPACER, Propeller nut) | нет в наличии, поставок нет |
| 63 | 0313697 | Винт, Редуктор to hsg. (SCREW, Gearcase to hsg.) | нет в наличии, поставок нет |
| 63 | 0312697 | (последний код) SCREW | нет в наличии, поставок нет |
| 64 | 0330380 | Пластина корпуса крыльчатки.. Stainless Steel Also included in Ремкомплект водяного насоса 395062 (PLATE, Impeller hsg.. Stainless Steel Also included in Water Pump Repair Kit 395062) | нет в наличии, поставок нет |
| 64 | 0435027 | (последний код) CUP-&-PLATE | нет в наличии, поставок нет |
| 64 | 0330383 | Пластина корпуса крыльчатки., chrome. хромированная пластина (PLATE, Impeller hsg., chrome. Chrome Plated) | нет в наличии, поставок нет |
| 64 | 0435526 | (последний код) CUP & PLATE AY | нет в наличии, поставок нет |
| 65 | 0395040 | Крыльчатка Корпус в сборе.. Also included in Ремкомплект водяного насоса 395062 (IMPELLER HOUSING ASSY.. Also included in Water Pump Repair Kit 395062) | нет в наличии, поставок нет |
| 65 | 0435485 | (последний код) HOUSING-AY,P | нет в наличии, поставок нет |
| 66 | 0328096 | Винт, Анод (SCREW, Anode) | нет в наличии, поставок нет |
| 66 | 0327046 | (последний код) SCREW | нет в наличии, поставок нет |
| 67 | 0327640 | Пластина трима, Редуктор (TRIM TAB, Gearcase) | нет в наличии, поставок нет |
| 67 | 0338742 | (последний код) TAB,TRIM-STD | нет в наличии, поставок нет |
| 68 | 0328715 | Винт, Крыльчатка Корпус. Also included in Ремкомплект водяного насоса 395062 (SCREW, Impeller housing. Also included in Water Pump Repair Kit 395062) | нет в наличии, поставок нет |
| 68 | 0335221 | (последний код) SCREW | нет в наличии, поставок нет |
| 69 | 0314008 | Пыльник водяной трубки. Also included in Ремкомплект водяного насоса 395062 (GROMMET, Water tube. Also included in Water Pump Repair Kit 395062) | нет в наличии, поставок нет |
| 70 | 0321159 | Крышка. Also included in Ремкомплект водяного насоса 395062 (COVER. Also included in Water Pump Repair Kit 395062) | нет в наличии, поставок нет |
| 70 | 0338893 | (последний код) COVER,IMPELL | нет в наличии, поставок нет |
| 71 | 0306314 | LOCKШайба, Винт long (LOCKWASHER, Screw long) | нет в наличии, поставок нет |
| 72 | 0320943 | Пыльник, Imp. Корпус. Also included in Ремкомплект водяного насоса 395062 (GROMMET, Imp. housing. Also included in Water Pump Repair Kit 395062) | 1 шт | 300 руб. |
| 73 | 0310585 | Уплотнительное кольцо, DriveВал to Картер двигателя. Also included in Ремкомплект водяного насоса 395062 (O-RING, Driveshaft to crankcase. Also included in Water Pump Repair Kit 395062) | нет в наличии, поставок нет |
| 74 | 0314503 | Гайка гребного винта (NUT, Propeller) | нет в наличии, поставок нет |
| 75 | 0306643 | Винт, Крышка to Крыльчатка. Also included in Ремкомплект водяного насоса 395062 (SCREW, Cover to impeller. Also included in Water Pump Repair Kit 395062) | нет в наличии, поставок нет |
| 75 | 3852066 | (последний код) SCREW | нет в наличии, поставок нет |
| 76 | 0313715 | Винт, Пластина трима (SCREW, Trim tab) | нет в наличии, поставок нет |
| 77 | 0318841 | Упорная втулка (THRUST BUSHING) | нет в наличии, поставок нет |
| 77 | 0127084 | (последний код) BUSHING,THRUST | нет в наличии, поставок нет |
| 78 | 0331999 | Винт, Редуктор to Выхлоп hsg. (SCREW, Gearcase to exhaust hsg.) | нет в наличии, поставок нет |
| 78 | 0910457 | (последний код) SCREW | нет в наличии, поставок нет |
| 79 | 0332000 | Кольцевой сальник, Крыльчатка hsg.. Also included in Ремкомплект водяного насоса 395062 (SEAL RING, Impeller hsg.. Also included in Water Pump Repair Kit 395062) | нет в наличии, поставок нет |
| 80 | 0383160 | Гребной винт, 14 x 9 (PROPELLER, 14 x 9) | нет в наличии, поставок нет |
| 80 | 0763300 | (последний код) PROP AL,14 X 9 | нет в наличии, поставок нет |
| 80 | 0382761 | Гребной винт, 14 x 11 (PROPELLER, 14 x 11) | нет в наличии, поставок нет |
| 80 | 0391668 | Гребной винт, 14 x 13 (PROPELLER, 14 x 13) | нет в наличии, поставок нет |
| 80 | 0765181 | (последний код) PROP,AL 13.75X13 | нет в наличии, поставок нет |
| 80 | 0391198 | Гребной винт, 13 3 / 4 x 15 (PROPELLER, 13 3/4 x 15) | нет в наличии, поставок нет |
| 80 | 0765182 | (последний код) PROP AY,AL 13.5X15 | нет в наличии, поставок нет |
| 80 | 0391199 | Гребной винт, 13 3 / 4 x 17 (PROPELLER, 13 3/4 x 17) | нет в наличии, поставок нет |
| 80 | 0765183 | (последний код) PROP,AL 13.25X17 | нет в наличии, поставок нет |
| 80 | 0390896 | Гребной винт, 13 x 19 (PROPELLER, 13 x 19) | нет в наличии, поставок нет |
| 80 | 0765184 | (последний код) PROP AY,AL 13.2X19 | нет в наличии, поставок нет |
| 80 | 0389788 | Гребной винт, 12 3 / 4 x 21 (PROPELLER, 12 3/4 x 21) | нет в наличии, поставок нет |
| 80 | 0765185 | (последний код) PROP AY,AL 13.2X21 | нет в наличии, поставок нет |
| 80 | 0390895 | Гребной винт, 12 3 / 4 x 23 (PROPELLER, 12 3/4 x 23) | нет в наличии, поставок нет |
| 80 | 0177150 | (последний код) PROP AY,12.75 X 23 | нет в наличии, поставок нет |
| 80 | 0389949 | Гребной винт, 13 3 / 4 x 15 SST (PROPELLER, 13 3/4 x 15 SST) | нет в наличии, поставок нет |
| 80 | 0763929 | (последний код) VIPER V413.875X15 | нет в наличии, поставок нет |
| 80 | 0389948 | Гребной винт, 13 3 / 8 x 17 SST (PROPELLER, 13 3/8 x 17 SST) | нет в наличии, поставок нет |
| 80 | 0176572 | (последний код) SST V4 13.88X17 | нет в наличии, поставок нет |
| 80 | 0389510 | Гребной винт, 13 x 19 SST (PROPELLER, 13 x 19 SST) | нет в наличии, поставок нет |
| 80 | 0763931 | (последний код) VIPERV4 13.875X19 | нет в наличии, поставок нет |
| 80 | 0389512 | Гребной винт, 12 3 / 4 x 21 SST (PROPELLER, 12 3/4 x 21 SST) | нет в наличии, поставок нет |
| 80 | 0384702 | (последний код) SST-V4-21" | нет в наличии, поставок нет |
| 80 | 0392261 | Гребной винт, 13 3 / 4 x 13 SST (PROPELLER, 13 3/4 x 13 SST) | нет в наличии, поставок нет |
| 80 | 0389792 | Гребной винт, 14 x 11 SST (PROPELLER, 14 x 11 SST) | нет в наличии, поставок нет |
| 80 | 0390115 | (последний код) SST-50HP-RED | нет в наличии, поставок нет |
| 80 | 0394758 | Гребной винт, 13 1 / 2 x 18 OMC Raker (PROPELLER, 13 1/2 x 18 OMC Raker) | нет в наличии, поставок нет |
| 80 | 0763953 | (последний код) RAKER V-4 13.5X18 | нет в наличии, поставок нет |
| 80 | 0394759 | Гребной винт, 13 1 / 2 x 20 OMC Raker (PROPELLER, 13 1/2 x 20 OMC Raker) | нет в наличии, поставок нет |
| 80 | 0763954 | (последний код) RAKER V-4 13.5X20 | нет в наличии, поставок нет |
| 80 | 0394760 | Гребной винт, 13 1 / 2 x 22 OMC Raker (PROPELLER, 13 1/2 x 22 OMC Raker) | нет в наличии, поставок нет |
| 80 | 0763955 | (последний код) RAKER V-4 13.5X22 | нет в наличии, поставок нет |
| 80 | 0394761 | Гребной винт, 13 1 / 2 x 24 OMC Raker (PROPELLER, 13 1/2 x 24 OMC Raker) | нет в наличии, поставок нет |
| 80 | 0763956 | (последний код) RAKER V-4 13.5X24 | нет в наличии, поставок нет |
| 81 | 0332393 | CONVERGING Кольцо (CONVERGING RING) | нет в наличии, поставок нет |
| 81 | 0325996 | (последний код) CONVERGING RING | нет в наличии, поставок нет |
| 82 | 0384977 | Гребной винт Втулка в сборе. (PROPELLER BUSHING ASSY.) | нет в наличии, поставок нет |
| 83 | 0313926 | Гильза (SLEEVE) | нет в наличии, поставок нет |
| 83 | 3850831 | (последний код) SLEEVE-PROP | нет в наличии, поставок нет |
| 85 | 0396354 | Комплект сальников редуктора (GEARCASE SEAL KIT) | нет в наличии, поставок нет |
| 85 | 5006373 | (последний код) KIT AY,SEAL-GC | нет в наличии, поставок нет |
| 86 | 0395060 | Ремкомплект водяного насоса (WATER PUMP REPAIR KIT) | нет в наличии, поставок нет |
| 86 | 5001594 | (последний код) KIT AY,WATER PUMP | нет в наличии, поставок нет |
| 86 | T-5001594 | (не оригинальный аналог) Ремкомплект насоса охлаждения Evinrude-Johnson 5001594 | 2 шт шт | по запросу |
| 86 | 0395062 | Ремкомплект водяного насоса (Includes Крыльчатка Корпус) (WATER PUMP REPAIR KIT (Includes impeller housing)) | нет в наличии, поставок нет |
| 86 | 5001594 | (последний код) KIT AY,WATER PUMP | нет в наличии, поставок нет |
| 86 | T-5001594 | (не оригинальный аналог) Ремкомплект насоса охлаждения Evinrude-Johnson 5001594 | 2 шт шт | по запросу |
| 87 | 0395059 | Хромированный ремкомплект водяного насоса (Inc. imp. hsg.) (CHROME PUMP KIT (Inc. imp. hsg.)) | нет в наличии, поставок нет |
| 87 | 0435526 | (последний код) CUP & PLATE AY | нет в наличии, поставок нет |