вконтакте

Контактный телефон: +7 (981) 121-46-93, +7 (800) 200-90-76 , Email: parts-katalog@yandex.ru, где купить

 
 

  Логин:

Пароль:

Регистрация

www.partskatalog.ru Все каталоги Запчасти Mercury Запчасти Suzuki Запчасти Tohatsu Запчасти Honda Контакты


Все разделы каталога запчастей на этот двигатель

назад Раздел:   вперёд

вернуться к списку узлов и деталей

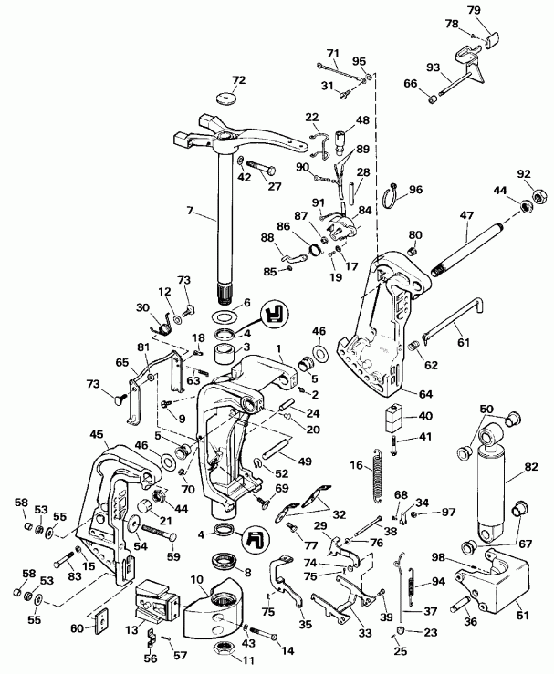
ДЕТАЛИРОВКА ДЛЯ МОДЕЛИ: EVINRUDE TE90TLESF 1990

MIDSECTION | MIDSECTION;


Подвесной лодочный мотор Эвинруд TE90TLESF 1990  - dsection - dsection

Номер на
рисунке
АртикулНаименованиеКол-во
на складе
Цена
1 0432708

Поворотный кронштейн. 20 дюйм (508 мм) transom models only (SWIVEL BRACKET. 20 in. (508mm) transom models only)

нет в наличии, поставок нет
1 0398935

   (последний код) SWIVEL-BRKT

нет в наличии, поставок нет
1 0432710

Поворотный кронштейн. 25 дюйм (635 мм) transom models only (SWIVEL BRACKET. 25 in. (635mm) transom models only)

нет в наличии, поставок нет
1 0398309

   (последний код) SWIVEL-BRACK

нет в наличии, поставок нет
2 0313607

LUBRICATION FITTING (LUBRICATION FITTING)

нет в наличии, поставок нет
2 3852121

   (последний код) FITTING,LUB

нет в наличии, поставок нет
3 0320962

Втулка (BUSHING)

нет в наличии, поставок нет
4 0320937

Сальник (SEAL)

нет в наличии, поставок нет
5 0321035

Втулка, Поворотный кронштейн (BUSHING, Swivel bracket)

нет в наличии, поставок нет
6 0320866

THRUST Опорная шайба Вал (THRUST WASHER, Pivot shaft)

нет в наличии, поставок нет
7 0392518

Рулевая система Рычаг в сборе.. 20 дюйм (508 мм) transom models only (STEERING ARM ASSY.. 20 in. (508mm) transom models only)

нет в наличии, поставок нет
7 0983289

   (последний код) STEERING ARM

нет в наличии, поставок нет
7 0392519

Рулевая система Рычаг в сборе.. 25 дюйм (635 мм) transom models only (STEERING ARM ASSY.. 25 in. (635mm) transom models only)

нет в наличии, поставок нет
7 0983437

   (последний код) STRG ARM EXT LG

нет в наличии, поставок нет
8 0327696

KEEPER, Стержень Вал (KEEPER, Pivot shaft)

нет в наличии, поставок нет
9 0306014

Винт, Заземление lead (SCREW, Ground lead)

нет в наличии, поставок нет
10 0327051

Монтажный кронштейн (MOUNT BRACKET)

нет в наличии, поставок нет
10 0340006

   (последний код) BRACKET,MOUN

нет в наличии, поставок нет
11 0320746

Гайка, Монтажный кронштейн (NUT, Mount bracket)

нет в наличии, поставок нет
12 0553766

Волнистая шайба, Винт to lvr., port. ручной tilt models only (WAVE WASHER, Screw to lvr., port. Manual tilt models only)

нет в наличии, поставок нет
12 0123886

   (последний код) SPRING-WASHE

нет в наличии, поставок нет
13 0391709

RUBBER Крепление нижнее, std., красный (RUBBER MOUNT, Lower, std., red)

нет в наличии, поставок нет
13 0434631

   (последний код) MOUNT AY,LOWER CV4

нет в наличии, поставок нет
13 0391774

Монтажная резинка, Hi perf., зелёный (RUBBER MOUNT, Hi perf., green)

нет в наличии, поставок нет
13 0434629

   (последний код) RUBBER MOUNT

нет в наличии, поставок нет
14 0328078

Винт, Крепление (SCREW, Mount)

нет в наличии, поставок нет
14 0327052

   (последний код) SCREW

нет в наличии, поставок нет
15 0307708

LOCKШайба (LOCKWASHER)

нет в наличии, поставок нет
15 0302865

   (последний код) LOCKWASHER

нет в наличии, поставок нет
16 0321920

Пружина блокировки задней передачи. ручной tilt models only (SPRING, Reverse lock. Manual tilt models only)

нет в наличии, поставок нет
17 0328739

Шайба, Блокировка задней передачи. Механизированный дифферент наклона models only (WASHER, Reverse lock. Power trim & tilt models only)

нет в наличии, поставок нет
17 3852190

   (последний код) WASHER

нет в наличии, поставок нет
18 0332697

Фиксатор пружины. ручной tilt models only (RETAINER, Spring. Manual tilt models only)

нет в наличии, поставок нет
19 0308825

Винт, Sending unit. Механизированный дифферент наклона models only (SCREW, Sending unit. Power trim & tilt models only)

нет в наличии, поставок нет
19 3852081

   (последний код) SCREW

нет в наличии, поставок нет
20 0334076

Заглушка, Поворотный кронштейн (PLUG, Swivel bracket)

нет в наличии, поставок нет
21 0317894

Колпачок, Tilt Трубка (CAP, Tilt tube)

нет в наличии, поставок нет
21 3852150

   (последний код) CAP

нет в наличии, поставок нет
22 0512741

Фиксатор, Sending unit. Механизированный дифферент наклона models only (RETAINER, Sending unit. Power trim & tilt models only)

нет в наличии, поставок нет
23 0332693

Воротник блокировки реверса release. ручной tilt models only (COLLAR, Reverse lock release. Manual tilt models only)

нет в наличии, поставок нет
24 0312863

Штифт, Trail lock Рычаг stop. ручной tilt models only (PIN, Trail lock lever stop. Manual tilt models only)

нет в наличии, поставок нет
25 0304221

Винт, Воротник. ручной tilt models only (SCREW, Collar. Manual tilt models only)

нет в наличии, поставок нет
27 0328692

Винт, верхний Крепление (SCREW, Upper mount)

нет в наличии, поставок нет
27 0335612

   (последний код) SCREW

нет в наличии, поставок нет
28 0327267

Гильза, Sending unit. Механизированный дифферент наклона models only (SLEEVE, Sending unit. Power trim & tilt models only)

нет в наличии, поставок нет
28 0512422

   (последний код) SLEEVE

нет в наличии, поставок нет
29 0332875

Соединитель, Блокировка задней передачи, port. ручной tilt models only (LINK, Reverse lock, port. Manual tilt models only)

нет в наличии, поставок нет
30 0332698

Пружина, Trail lock. ручной tilt models only (SPRING, Trail lock. Manual tilt models only)

нет в наличии, поставок нет
30 0349180

   (последний код) SPRING

нет в наличии, поставок нет
31 0306014

Винт, Заземление lead. ручной tilt models only (SCREW, Ground lead. Manual tilt models only)

нет в наличии, поставок нет
32 0334345

Фиксатор, Lock Пружина. ручной tilt models only (RETAINER, Lock spring. Manual tilt models only)

нет в наличии, поставок нет
32 0323594

   (последний код) RETAINER-REV

нет в наличии, поставок нет
33 0321750

LOCKING Рычаг, Блокировка задней передачи. ручной tilt models only (LOCKING LEVER, Reverse lock. Manual tilt models only)

нет в наличии, поставок нет
34 0332691

BELLКривошип, Releasing Тяга. ручной tilt models only (BELLCRANK, Releasing rod. Manual tilt models only)

нет в наличии, поставок нет
35 0332687

Соединитель, Блокировка задней передачи, stbd.. ручной tilt models only (LINK, Reverse lock, stbd.. Manual tilt models only)

нет в наличии, поставок нет
36 0321695

Штифт, Shock absorber, нижний ручной tilt models only (PIN, Shock absorber, lower. Manual tilt models only)

нет в наличии, поставок нет
37 0332692

Тяга, Блокировка задней передачи release. ручной tilt models only (ROD, Reverse lock release. Manual tilt models only)

нет в наличии, поставок нет
38 0321592

Штифт тяги to Поворотный кронштейн. ручной tilt models only (PIN, Link to swivel bracket. Manual tilt models only)

нет в наличии, поставок нет
39 0321591

Штифт тяги to locking Рычаг. ручной tilt models only (PIN, Link to locking lever. Manual tilt models only)

нет в наличии, поставок нет
40 0433458

Анод, Кронштейн транца. 90 / 115 models (ANODE, Stern bracket. 90/115 models)

нет в наличии, поставок нет
40 0398331

   (последний код) ANODE & INSERT AY

нет в наличии, поставок нет
41 0333350

Винт. 90 / 115 models (SCREW. 90/115 models)

нет в наличии, поставок нет
42 0313169

LOCKШайба, Крепление Винт (LOCKWASHER, Mount screw)

нет в наличии, поставок нет
43 0306314

LOCKШайба, Монтажный кронштейн (LOCKWASHER, Mount bracket)

нет в наличии, поставок нет
44 0323599

Гайка, Tilt Трубка. ручной tilt models only (NUT, Tilt tube. Manual tilt models only)

нет в наличии, поставок нет
44 0316828

   (последний код) NUT

нет в наличии, поставок нет
44 0335554

Гайка, Tilt Трубка. Механизированный дифферент наклона models only (NUT, Tilt tube. Power trim & tilt models only)

нет в наличии, поставок нет
45 0395844

Кронштейн транца, Starboard (STERN BRACKET, Starboard)

нет в наличии, поставок нет
45 0397948

   (последний код) STERN-BRKT

нет в наличии, поставок нет
46 0327699

Упорная шайба, Stern brkt. (THRUST WASHER, Stern brkt.)

нет в наличии, поставок нет
46 0910992

   (последний код) THRUST WASHER

нет в наличии, поставок нет
47 0321052

TILT Трубка. ручной tilt models only (TILT TUBE. Manual tilt models only)

нет в наличии, поставок нет
47 0335553

TILT Трубка. Механизированный дифферент наклона models only (TILT TUBE. Power trim & tilt models only)

нет в наличии, поставок нет
48 0512746

Коннектор, Датчик трима. Механизированный дифферент наклона models only (CONNECTOR, Trim sender. Power trim & tilt models only)

нет в наличии, поставок нет
49 0320792

Штифт, Цилиндр наклона (PIN, Tilt cylinder)

нет в наличии, поставок нет
50 0322481

Втулка, Цилиндр наклона (BUSHING, Tilt cylinder)

нет в наличии, поставок нет
50 0320941

   (последний код) BUSHING

нет в наличии, поставок нет
51 0329519

Проставка, Кронштейн транца. ручной tilt models only (SPACER, Stern bracket. Manual tilt models only)

нет в наличии, поставок нет
51 0326689

   (последний код) SPACER

нет в наличии, поставок нет
52 0321054

Пружина Зажим (SPRING CLIP)

нет в наличии, поставок нет
53 0313623

Гайка, Кронштейн транца Винт (NUT, Stern bracket screw)

нет в наличии, поставок нет
53 0321861

   (последний код) NUT

нет в наличии, поставок нет
54 0307238

Шайба, Гайка (WASHER, Nut)

нет в наличии, поставок нет
55 0320248

Шайба (WASHER)

нет в наличии, поставок нет
55 0312910

   (последний код) WASHER

нет в наличии, поставок нет
56 0318273

Фиксатор (RETAINER)

нет в наличии, поставок нет
57 0319886

Винт (SCREW)

нет в наличии, поставок нет
58 0318572

Монтажная крышка Винтs (CAP, Mounting screws)

нет в наличии, поставок нет
59 0318573

Винт, Brkt. to tr., 3 1 / 2" (89 мм) (SCREW, Brkt. to tr., 3 1/2" (89mm))

нет в наличии, поставок нет
59 3852153

   (последний код) BOLT

нет в наличии, поставок нет
59 0313327

Винт, Brkt. to tr., 4" (102 мм) (SCREW, Brkt. to tr., 4" (102mm))

нет в наличии, поставок нет
59 0336676

   (последний код) 4 3/4" TRNSM BOLT

нет в наличии, поставок нет
59 0331578

Винт, Brkt. to tr., 5" (127 мм) (SCREW, Brkt. to tr., 5" (127mm))

нет в наличии, поставок нет
59 0321577

Винт, Brkt. to tr., 6" (152 мм) (SCREW, Brkt. to tr., 6" (152mm))

нет в наличии, поставок нет
59 0326614

Винт, Brkt. to tr., 4 1 / 2" (114 мм) (SCREW, Brkt. to tr., 4 1/2" (114mm))

нет в наличии, поставок нет
59 0336676

   (последний код) 4 3/4" TRNSM BOLT

нет в наличии, поставок нет
59 0327053

Винт, Brkt. to tr., 3" (76 мм) (SCREW, Brkt. to tr., 3" (76mm))

нет в наличии, поставок нет
60 0318272

Пластина (PLATE)

нет в наличии, поставок нет
61 0387278

Упорный стержень в сборе. (THRUST ROD ASSY.)

нет в наличии, поставок нет
61 0436541

   (последний код) ROD-ASSY-TRUST

нет в наличии, поставок нет
62 0321053

Пружина, Стержень тяги (SPRING, Thrust rod)

нет в наличии, поставок нет
63 0323142

Пружина, Trial lock. Механизированный дифферент наклона models only (SPRING, Trial lock. Power trim & tilt models only)

нет в наличии, поставок нет
63 0322394

   (последний код) SPRING

нет в наличии, поставок нет
64 0396309

STERN BRKT. в сборе., Port (STERN BRKT. ASSY., Port)

нет в наличии, поставок нет
64 0395843

   (последний код) STERN-BRACKE

нет в наличии, поставок нет
65 0390442

LOCKING Рычаг, Тяга. ручной tilt models only (LOCKING LEVER, Rod. Manual tilt models only)

нет в наличии, поставок нет
65 5004427

   (последний код) LEVER&ROD AY

нет в наличии, поставок нет
66 0332688

Проставка, Tilt lock Вал. ручной tilt models only (SPACER, Tilt lock shaft. Manual tilt models only)

нет в наличии, поставок нет
67 0321246

Втулка, Цилиндр наклона. ручной tilt models only (BUSHING, Tilt cylinder. Manual tilt models only)

нет в наличии, поставок нет
68 0319108

Винт, BellКривошип. ручной tilt models only (SCREW, Bellcrank. Manual tilt models only)

нет в наличии, поставок нет
68 0311512

   (последний код) SCREW

нет в наличии, поставок нет
69 0321499

THRUST PAD. Механизированный дифферент наклона models only (THRUST PAD. Power trim & tilt models only)

нет в наличии, поставок нет
69 0320816

   (последний код) -THRUST-PAD

нет в наличии, поставок нет
70 0552938

Гайка (NUT)

нет в наличии, поставок нет
70 0306319

   (последний код) NUT

нет в наличии, поставок нет
71 0584120

LEAD в сборе., Заземление swivel brkt.. ручной tilt models only (LEAD ASSY., Ground swivel brkt.. Manual tilt models only)

нет в наличии, поставок нет
72 0322302

Сальник, Переключающая тяга (SEAL, Shift rod)

нет в наличии, поставок нет
72 0321361

   (последний код) SEAL

нет в наличии, поставок нет
73 0329109

SHOULDER Винт (SHOULDER SCREW)

нет в наличии, поставок нет
73 0321389

   (последний код) HH-SHOULDER

нет в наличии, поставок нет
74 0303887

Шайба, Блокировка задней передачи Штифт. ручной tilt models only (WASHER, Reverse lock pin. Manual tilt models only)

нет в наличии, поставок нет
75 0302858

Шплинт. ручной tilt models only (COTTER PIN. Manual tilt models only)

нет в наличии, поставок нет
75 3854480

   (последний код) PIN,COTTER

нет в наличии, поставок нет
76 0204757

Пружинная шайба. ручной tilt models only (SPRING WASHER. Manual tilt models only)

нет в наличии, поставок нет
77 0123077

Винт, Фиксатор to Кронштейн. ручной tilt models only (SCREW, Retainer to bracket. Manual tilt models only)

нет в наличии, поставок нет
78 0318238

Винт, Ручка. ручной tilt models only (SCREW, Knob. Manual tilt models only)

нет в наличии, поставок нет
79 0329012

Ручка наклона lock. ручной tilt models only (KNOB, Tilt lock. Manual tilt models only)

нет в наличии, поставок нет
79 0318157

   (последний код) KNOB

нет в наличии, поставок нет
80 0321243

Втулка, Кабели. Механизированный дифферент наклона models only (BUSHING, Cable. Power trim & tilt models only)

нет в наличии, поставок нет
81 0552993

Шайба, Винт to Кронштейн (WASHER, Screw to bracket)

нет в наличии, поставок нет
81 0330266

   (последний код) WASHER

нет в наличии, поставок нет
82 0387792

SHOCK ABSORBER в сборе.. ручной tilt models only (SHOCK ABSORBER ASSY.. Manual tilt models only)

нет в наличии, поставок нет
83 0552968

Винт, Проставка to strn brkt., 1 7 / 16". ручной tilt models only (SCREW, Spacer to strn brkt., 1 7/16". Manual tilt models only)

нет в наличии, поставок нет
83 0321675

   (последний код) SCREW

нет в наличии, поставок нет
83 0318612

Винт, Проставка to strn brkt., 2 3 / 4". ручной tilt models only (SCREW, Spacer to strn brkt., 2 3/4". Manual tilt models only)

нет в наличии, поставок нет
83 0321737

   (последний код) SCREW

нет в наличии, поставок нет
84 0583358

SENDING UNIT в сборе.. Механизированный дифферент наклона models only (SENDING UNIT ASSY.. Power trim & tilt models only)

нет в наличии, поставок нет
84 0582944

   (последний код) SENDING-UNIT

нет в наличии, поставок нет
85 0511527

Фиксатор. Механизированный дифферент наклона models only (RETAINER. Power trim & tilt models only)

нет в наличии, поставок нет
85 3852232

   (последний код) RETAINER

нет в наличии, поставок нет
86 0511528

Пружина. Механизированный дифферент наклона models only (SPRING. Power trim & tilt models only)

нет в наличии, поставок нет
87 0320689

Гайка. Механизированный дифферент наклона models only (NUT. Power trim & tilt models only)

нет в наличии, поставок нет
87 3852164

   (последний код) NUT

нет в наличии, поставок нет
88 0512211

Рычаг. Механизированный дифферент наклона models only (ARM. Power trim & tilt models only)

нет в наличии, поставок нет
88 0511530

   (последний код) ARM-SENDING

нет в наличии, поставок нет
89 0511469

Штифт, Sending unit. Механизированный дифферент наклона models only (PIN, Sending unit. Power trim & tilt models only)

нет в наличии, поставок нет
89 3852229

   (последний код) TERMINAL,PIN

нет в наличии, поставок нет
90 0510818

Клемма, Кольцо (TERMINAL, Ring)

нет в наличии, поставок нет
90 3854243

   (последний код) TERMINAL,RIN

нет в наличии, поставок нет
91 0513323

Клемма, Кольцо (TERMINAL, Ring)

нет в наличии, поставок нет
92 0322376

WIPER Гайка, Tilt Трубка to Кабели. Recommended to prevent corrosion in salt water usage. (WIPER NUT, Tilt tube to cable. Recommended to prevent corrosion in salt water usage.)

нет в наличии, поставок нет
93 0397730

Рычаг и Вал. ручной tilt models only (LEVER AND SHAFT. Manual tilt models only)

нет в наличии, поставок нет
94 0332689

Пружина, Trail lock return. ручной tilt models only (SPRING, Trail lock return. Manual tilt models only)

нет в наличии, поставок нет
95 0303701

Шайба, Lead в сборе. (WASHER, Lead assy.)

нет в наличии, поставок нет
96 0320107

Крепёжный хомут. Механизированный дифферент наклона models only (TIE STRAP. Power trim & tilt models only)

нет в наличии, поставок нет
96 5035626

   (последний код) BAND,REM CON

нет в наличии, поставок нет
97 0332690

Проставка, Tilt lock Вал. ручной tilt models only (SPACER, Tilt lock shaft. Manual tilt models only)

нет в наличии, поставок нет
98 0909676

Установочный винт, Проставка to Стержень. ручной tilt models only (SET SCREW, Spacer to pivot. Manual tilt models only)

нет в наличии, поставок нет
evinrude

Время выполнения запроса 1.6720027923584 сек.


 
 

данный сайт носит информационный характер и не является публичной офертой

склад запчастей для водомоторной техники