Номер на рисунке | Артикул | Наименование | Кол-во на складе | Цена |
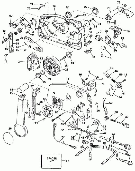
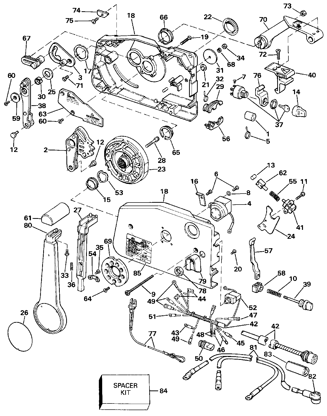
| 0432718 | 0432718 | Дистанционное управление в сборе. Not Shown (REMOTE CONTROL ASSY. Not Shown) | нет в наличии, поставок нет |
| 0432718 | 5006181 | (последний код) RC AY,SUR MOT NT | нет в наличии, поставок нет |
| 1 | 0324831 | Колпачок, Тройник Коннектор (CAP, 3 way connector) | нет в наличии, поставок нет |
| 2 | 0390610 | Рычаг переключения в сборе. (SHIFT LEVER ASSY.) | нет в наличии, поставок нет |
| 3 | 0393219 | Кулачок переключателя lockout (CAM, Shift lockout) | нет в наличии, поставок нет |
| 3 | 0391537 | (последний код) CAM | нет в наличии, поставок нет |
| 4 | 0583891 | WARNING HORN (WARNING HORN) | нет в наличии, поставок нет |
| 4 | 0585992 | (последний код) KIT-AY,HORN | нет в наличии, поставок нет |
| 5 | 0320107 | Крепёжный хомут. Also Available in Installation Hardware Kit Part № 391773 (TIE STRAP. Also Available in Installation Hardware Kit Part No. 391773) | нет в наличии, поставок нет |
| 5 | 5035626 | (последний код) BAND,REM CON | нет в наличии, поставок нет |
| 6 | 0324064 | Винт, Horn & Пластина (SCREW, Horn & plate) | нет в наличии, поставок нет |
| 7 | 0306559 | Винт, Ignition Переключатель (SCREW, Ignition switch) | нет в наличии, поставок нет |
| 8 | 0303701 | LOCKШайба, Horn mtg. (LOCKWASHER, Horn mtg.) | нет в наличии, поставок нет |
| 9 | 0326593 | Винт, Single Управление, portside. Also Available in Installation Hardware Kit Part № 391773 (SCREW, Single control, portside. Also Available in Installation Hardware Kit Part No. 391773) | нет в наличии, поставок нет |
| 9 | 0336245 | (последний код) SCREW | нет в наличии, поставок нет |
| 10 | 0325790 | Пружина регулировки трения Винт (SPRING, Friction adjusting screw) | нет в наличии, поставок нет |
| 11 | 0324524 | Винт, Креплениеing Кронштейн Переключатель (SCREW, Mounting bracket switch) | нет в наличии, поставок нет |
| 12 | 0323776 | CLEVIS Штифт, Переключатель & Рычаг дросселя. Also Available in Installation Hardware Kit Part № 391773 (CLEVIS PIN, Shift & throttle lever. Also Available in Installation Hardware Kit Part No. 391773) | нет в наличии, поставок нет |
| 13 | 0321888 | Фиксирующий ролик, Переключатель & thr. Пластина (ROLLER, Detent, shift & thr. plate) | нет в наличии, поставок нет |
| 14 | 0332179 | PUSH Ручка, Ключ. Also Available in Installation Hardware Kit Part № 391773 (PUSH KNOB, Key. Also Available in Installation Hardware Kit Part No. 391773) | нет в наличии, поставок нет |
| 15 | 0323764 | Втулка, Cam, hub Крышка (BUSHING, Cam, hub cover) | нет в наличии, поставок нет |
| 16 | 0323769 | Фиксатор Пластина (RETAINER PLATE) | нет в наличии, поставок нет |
| 17 | 0325780 | Пружинная шайба, Cam to hsg. (SPRING WASHER, Cam to hsg.) | нет в наличии, поставок нет |
| 18 | 0432719 | HOSING & Крышка в сборе (HOSING & COVER ASSY) | нет в наличии, поставок нет |
| 18 | 0175946 | (последний код) HOUSING-&-CO | нет в наличии, поставок нет |
| 19 | 0308527 | Винт, Access Крышка to Корпус (SCREW, Access cover to housing) | нет в наличии, поставок нет |
| 20 | 0332200 | Винт, Заземление (SCREW, Ground) | нет в наличии, поставок нет |
| 21 | 0320978 | Заглушка. Also Available in Installation Hardware Kit Part № 391773 (PLUG. Also Available in Installation Hardware Kit Part No. 391773) | нет в наличии, поставок нет |
| 22 | 0334762 | Заглушка (PLUG) | нет в наличии, поставок нет |
| 23 | 0397272 | Переключатель & Дроссель Пластина в сборе. (SHIFT & THROTTLE PLATE ASSY.) | нет в наличии, поставок нет |
| 24 | 0323766 | КреплениеING Пластина, Neutral start Переключатель (MOUNTING PLATE, Neutral start switch) | нет в наличии, поставок нет |
| 25 | 0321966 | Проставка, Рычаг дросселя to cam (SPACER, Throttle lever to cam) | нет в наличии, поставок нет |
| 26 | 0327490 | APPLIQUE (APPLIQUE) | нет в наличии, поставок нет |
| 26 | 0350143 | (последний код) APPLIQUE-SPROCKET | нет в наличии, поставок нет |
| 27 | 0332428 | SLIDE, Neutral lock (SLIDE, Neutral lock) | нет в наличии, поставок нет |
| 27 | 0323770 | (последний код) SLIDE | нет в наличии, поставок нет |
| 28 | 0323775 | Винт, Handle (SCREW, Handle) | нет в наличии, поставок нет |
| 29 | 0323762 | Пыльник, верхний half (GROMMET, Upper half) | нет в наличии, поставок нет |
| 30 | 0323757 | Втулка рычага дросселя (BUSHING, Throttle lever) | нет в наличии, поставок нет |
| 31 | 0318321 | Шайба, Дистанционное управление to boat. Also Available in Installation Hardware Kit Part № 391773 (WASHER, Remote control to boat. Also Available in Installation Hardware Kit Part No. 391773) | нет в наличии, поставок нет |
| 32 | 0318322 | Крепёжный хомут, Пыльник (TIE STRAP, Grommet) | нет в наличии, поставок нет |
| 33 | 0318324 | Винт, Ручка to Управление handle (SCREW, Knob to control handle) | нет в наличии, поставок нет |
| 33 | 0321999 | (последний код) SCREW | нет в наличии, поставок нет |
| 34 | 0318349 | Гайка, Креплениеing Винт. Also Available in Installation Hardware Kit Part № 391773 (NUT, Mounting screw. Also Available in Installation Hardware Kit Part No. 391773) | нет в наличии, поставок нет |
| 35 | 0323772 | Винт, Пластина (SCREW, Plate) | нет в наличии, поставок нет |
| 36 | 0323773 | Пружина, Slide return (SPRING, Slide return) | нет в наличии, поставок нет |
| 37 | 0393301 | Переключатель & Ключ ASSEMBLY, Ignition (SWITCH & KEY ASSEMBLY, Ignition) | нет в наличии, поставок нет |
| 37 | 0508180 | (последний код) IGNITION SWITCH | нет в наличии, поставок нет |
| 0322693 | 0322693 | IGNITION Ключ BLANK. Not Shown (IGNITION KEY BLANK. Not Shown) | нет в наличии, поставок нет |
| 38 | 0394032 | Рычаг дросселя в сборе. (THROTTLE LEVER ASSY.) | нет в наличии, поставок нет |
| 38 | 0389261 | (последний код) THR.LEVER | нет в наличии, поставок нет |
| 39 | 0391036 | Ручка & FRICTION ADJ. Винт в сборе. (KNOB & FRICTION ADJ. SCREW ASSY.) | нет в наличии, поставок нет |
| 40 | 0331050 | LATCH, Fast idle Рычаг (LATCH, Fast idle lever) | нет в наличии, поставок нет |
| 40 | 0329358 | (последний код) CLIP-LATCH | нет в наличии, поставок нет |
| 41 | 0389265 | Переключатель нейтрали, в сборе start (SWITCH ASSY., Neutral start) | нет в наличии, поставок нет |
| 42 | 0393129 | Тросик дистанционного управления в сборе. (REMOTE CONTROL CABLE ASSY.) | нет в наличии, поставок нет |
| 42 | 0392284 | (последний код) INST-CABLE | нет в наличии, поставок нет |
| 43 | 0204036 | Кольцо Клемма (RING TERMINAL) | нет в наличии, поставок нет |
| 43 | 3852035 | (последний код) TERMINAL,RIN | нет в наличии, поставок нет |
| 44 | 0309437 | SLIDE ON Клемма (SLIDE ON TERMINAL) | нет в наличии, поставок нет |
| 44 | 3852084 | (последний код) TERMINAL,SID | нет в наличии, поставок нет |
| 45 | 0204038 | Кольцо Клемма (RING TERMINAL) | нет в наличии, поставок нет |
| 46 | 0390760 | LEAD в сборе (LEAD ASSY) | нет в наличии, поставок нет |
| 47 | 0608774 | Клемма (TERMINAL) | нет в наличии, поставок нет |
| 47 | 0336846 | (последний код) TERMINAL,RCP | нет в наличии, поставок нет |
| 48 | 0581656 | SOCKET (SOCKET) | нет в наличии, поставок нет |
| 48 | 3852257 | (последний код) TERMINAL AY,SCKT | нет в наличии, поставок нет |
| 49 | 0327166 | Клемма (TERMINAL) | нет в наличии, поставок нет |
| 50 | 0511990 | Заглушка (PLUG) | нет в наличии, поставок нет |
| 50 | 0511450 | (последний код) CONNECTOR | нет в наличии, поставок нет |
| 51 | 0581959 | LEAD в сборе., Заземление (LEAD ASSY., Ground) | нет в наличии, поставок нет |
| 52 | 0393132 | EMERGENCY IGNITION CUTOFF Переключатель в сборе. (EMERGENCY IGNITION CUTOFF SWITCH ASSY.) | нет в наличии, поставок нет |
| 52 | 0585134 | (последний код) SWITCH AY,CUT OFF | нет в наличии, поставок нет |
| 53 | 0323765 | Волнистая шайба, Переключатель & thr. hub (WAVE WASHER, Shift & thr. hub) | нет в наличии, поставок нет |
| 54 | 0323771 | Пластина, Slide Контрольный рычаг (PLATE, Slide control lever) | нет в наличии, поставок нет |
| 55 | 0318625 | Фиксатор пружины (SPRING, Detent) | нет в наличии, поставок нет |
| 56 | 0323763 | Пыльник, нижний (GROMMET, Lower) | нет в наличии, поставок нет |
| 57 | 0389267 | FRICTION ADJUSTMENT Рычаг (FRICTION ADJUSTMENT LEVER) | нет в наличии, поставок нет |
| 58 | 0325191 | Гайка, Фрикционный рычаг (NUT, Friction lever) | нет в наличии, поставок нет |
| 58 | 0318269 | (последний код) NUT | нет в наличии, поставок нет |
| 59 | 0318228 | Шайба, Fast idle Рычаг (WASHER, Fast idle lever) | нет в наличии, поставок нет |
| 60 | 0318277 | Винт (SCREW) | нет в наличии, поставок нет |
| 61 | 0331049 | Крышка, Handle to Дистанционное управление (COVER, Handle to remote control) | нет в наличии, поставок нет |
| 61 | 0336241 | (последний код) COVER,NEUT LOCK SL | нет в наличии, поставок нет |
| 62 | 0321889 | SHOE, Detent, Переключатель & Дроссель Пластина (SHOE, Detent, Shift & throttle plate) | нет в наличии, поставок нет |
| 63 | 0322012 | SEPARATOR, Рычагs (SEPARATOR, Levers) | нет в наличии, поставок нет |
| 63 | 0390179 | (последний код) SEPARATOR&TRANS | нет в наличии, поставок нет |
| 64 | 0318277 | Винт, Index Пластина (SCREW, Index plate) | нет в наличии, поставок нет |
| 65 | 0323749 | ФланецD Втулка, Переключатель & Дроссель Пластина (FLANGED BUSHING, Shift & throttle plate) | нет в наличии, поставок нет |
| 66 | 0325779 | ФланецD Втулка, Fast idle Рычаг (FLANGED BUSHING, Fast idle lever) | нет в наличии, поставок нет |
| 67 | 0325781 | Рычаг переключателя lockout (LEVER, Shift lockout) | нет в наличии, поставок нет |
| 68 | 0306396 | LOCKШайба, Управление to boat. Also Available in Installation Hardware Kit Part № 391773 (LOCKWASHER, Control to boat. Also Available in Installation Hardware Kit Part No. 391773) | нет в наличии, поставок нет |
| 68 | 3852057 | (последний код) WASHER,LOCK | нет в наличии, поставок нет |
| 69 | 0323759 | INDEX Пластина, Neutral lock (INDEX PLATE, Neutral lock) | нет в наличии, поставок нет |
| 69 | 0127152 | (последний код) PLATE,INDEX | нет в наличии, поставок нет |
| 70 | 0396124 | Рычаг, Fast idle (LEVER, Fast idle) | нет в наличии, поставок нет |
| 70 | 0329357 | (последний код) LEVER | нет в наличии, поставок нет |
| 71 | 0331428 | Винт, Fast idle Рычаг (SCREW, Fast idle lever) | нет в наличии, поставок нет |
| 72 | 0331430 | Винт, Latch (SCREW, Latch) | нет в наличии, поставок нет |
| 73 | 0331429 | Гайка, Fast idle Рычаг (NUT, Fast idle lever) | нет в наличии, поставок нет |
| 74 | 0330868 | KEEPER Пластина (KEEPER PLATE) | нет в наличии, поставок нет |
| 75 | 0324064 | Винт, Пластина (SCREW, Plate) | нет в наличии, поставок нет |
| 76 | 0331048 | LATCH, Дистанционное управление в сборе (LATCH, Remote control box) | нет в наличии, поставок нет |
| 76 | 0329362 | (последний код) LATCH | нет в наличии, поставок нет |
| 77 | 0432230 | Зажим & LANYARD (CLIP & LANYARD) | нет в наличии, поставок нет |
| 77 | 0393079 | (последний код) CAP-&-LANYAR | нет в наличии, поставок нет |
| 78 | 0328169 | Гайка (NUT) | нет в наличии, поставок нет |
| 79 | 0328170 | GUARD (GUARD) | нет в наличии, поставок нет |
| 80 | 0327164 | Рычаг, Дистанционное управление (LEVER, Remote control) | нет в наличии, поставок нет |
| 80 | 0127055 | (последний код) HANDL,RMT CONT-BLK | нет в наличии, поставок нет |
| 81 | 0395390 | Кабель аккумулятора в сборе. (BATTERY CABLE ASSY.) | нет в наличии, поставок нет |
| 81 | 0584381 | (последний код) CABLE AY,BATTERY | нет в наличии, поставок нет |
| 82 | 0322815 | Клемма Крышка (TERMINAL COVER) | нет в наличии, поставок нет |
| 82 | 0312970 | (последний код) COVER | нет в наличии, поставок нет |
| 83 | 0327121 | Пыльник (GROMMET) | нет в наличии, поставок нет |
| 84 | 0390795 | Проставка KIT, Дистанционное управление mtg. (SPACER KIT, Remote control mtg.) | нет в наличии, поставок нет |
| 85 | 0335707 | Наклейка, Horn (DECAL, Horn) | нет в наличии, поставок нет |