вконтакте

Контактный телефон: +7 (981) 121-46-93, +7 (800) 200-90-76 , Email: parts-katalog@yandex.ru, где купить

 
 

  Логин:

Пароль:

Регистрация

www.partskatalog.ru Все каталоги Запчасти Mercury Запчасти Suzuki Запчасти Tohatsu Запчасти Honda Контакты



УВАЖАЕМЫЕ КЛИЕНТЫ!
C 19 ДЕКАБРЯ 2025 ПО 02 МАРТА 2026 ГОДА ОТДЕЛ ЗАПЧАСТЕЙ И СЕРВИС РАБОТАТЬ НЕ БУДУТ
ПРОДАЖА ЛОДОЧНЫХ МОТОРОВ В ШТАТНОМ РЕЖИМЕ
ОБ ИЗМЕНЕНИЯХ В ГРАФИКЕ РАБОТЫ ЧИТАЙТЕ НА САЙТА



назад Раздел:   вперёд

Модификация Вашего двигателя:   Honda BF2DX SCD
Модели с серийным номером двигателя от BEBF-1000001 до BEBF-1999999
Модели с серийным номером рамы от BZBF-1000001 до BZBF-1099999

Вернуться к выбору узлов мотора

   Румпель
Steering Handle      


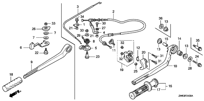
ДЕТАЛИРОВКА ДЛЯ МОДЕЛИ: HONDA BF2DX

Подвесной четырёх тактный лодочный двигатель BF2DX - Steering Handle - Румпель
Номер на
рисунке
АртикулНаименованиеКол-во
на складе
Цена
116576-ZV0-000

Держатель кабеля (Holder, cable)

под заказпо запросу 
116576-ZW6-010

Держатель кабеля (Holder, cable)

под заказпо запросу 
317920-ZW6-000

Тросик дросселя (b) (Cable comp., throttle (b))

под заказ1720 руб. 
317920-ZVA-000

(последний код) CABLE COMP. B, THROTTLE

1 шт1290 руб. 
617931-ZW6-000

Рычаг дросселя (Lever, throttle)

под заказпо запросу 
717932-ZV0-000

Пружина рычага (Spring, lever)

под заказпо запросу 
953101-ZW6-000ZA

Ручка руля (румпель) *nh246 * (Handle, steering *nh246 *)

под заказ7700 руб. 
1353107-ZV0-000

Воротник крепления румпеля (Collar, handle mounting)

под заказ860 руб. 
1353107-ZVA-000

(последний код) COLLAR, HANDLE MOUNTING

1 шт860 руб. 
1453108-ZV0-000

Монтажная резинка румпеля (Rubber, handle mounting)

под заказ610 руб. 
1453108-ZVA-010

(последний код) RUBBER, HANDLE MOUNTING

2 шт780 руб. 
1553109-ZV0-000

Промежуточный воротник (Collar, distance)

3 шт1180 руб. 
1853165-ZV0-000

Рукоятка рычага (Grip, lever)

1 шт1990 руб. 
2177235-GC2-000

Воротник захватки седла (Collar, seat catch)

под заказ320 руб. 
2290008-ZV0-000

Болт под шестигранник., 6x16 (Bolt, hex., 6x16)

под заказ180 руб. 
2490105-ZV0-000

Фланцевый болт, 8x40 (Bolt, flange, 8x40)

под заказ430 руб. 
2690481-ZV0-000

Шайба рычага управления (Washer, control lever)

под заказпо запросу 
2890508-ZV0-000

Шайба, 12.5x32 (Washer, 12.5x32)

под заказ360 руб. 
3394001-060200S

Шестигранная гайка, 6 мм (Nut, hex., 6mm)

под заказ110 руб. 
3495701-060-120-2

Болт (Bolt)

под заказ140 руб. 

Время выполнения запроса 1.5719921588898 сек.

 
 

данный сайт носит информационный характер и не является публичной офертой

склад запчастей для водомоторной техники