Контактный телефон: +7 (981) 121-46-93, +7 (800) 200-90-76 , Email: parts-katalog@yandex.ru, где купить |
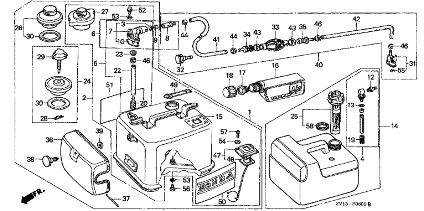
Модификация Вашего двигателя: Honda BF5AM LC Вернуться к выбору узлов мотора Топливный бак / Вспомогательный бак |
|||||||||||||||||||||||||||||||||||||||||||||||||||||||||||||||||||||||||||||||||||||||||||||||||||||||||||||||||||||||||||||||||||||||||||||||||||||||||||||||||||||||||||||||||||||||||||||||||
| Номер на рисунке | Артикул | Наименование | Кол-во на складе | Цена | |
| 4 | 16900-ZV4-A21 | Соеденитель топливного бака, в сборе (Joint assy., fuel) | под заказ | 8700 руб. | |
| 12 | 16977-ZV5-A00 | Фитинг для быстрого отключения (Fitting, quick disconnect) | 2 шт | 5520 руб. | |
| 13 | 16979-ZV5-900 | Уплотнительное кольцо (O-ring) | под заказ | 370 руб. | |
| 13 | 16979-ZV5-901 | (последний код) O-RING | под заказ | 380 руб. | |
| 14 | 17500-ZV4-A21 | Топливный бак, в сборе (Tank assy., fuel) | под заказ | 23630 руб. | |
| 14 | 17500-ZZ5-013 | (последний код) TANK ASSY,FUEL 12 | под заказ | 25890 руб. | |
| 19 | 17583-ZV5-900 | Топливный фильтр (Filter, fuel) | под заказ | 1820 руб. | |
| 19 | 17583-ZV5-901 | (последний код) FILTER, FUEL | 1 шт | 1570 руб. | |
| 25 | 17620-ZV4-A20 | Крышка топливного фильтра (Cap comp., fuel filler) | под заказ | 6640 руб. | |
| 31 | 17650-921-003ZB | Коннектор топливного бака *nh1 * (Connector comp., fuel *nh1 *) | под заказ | 6730 руб. | |
| 31 | T-SF80212-7 | (не оригинальный аналог) Коннектор топливный SUNFINE тип Suzuki, Johnson, Evinrude, OMC, Honda, 9мм, 775641 | под заказ | 1240 руб. | |
| 32 | 17660-ZV5-A00 | Коннектор топливного бака (Connector comp., fuel) | под заказ | 8280 руб. | |
| 32 | 17660-ZW9-003 | (последний код) CONNECTOR COMP., FUEL | под заказ | 6730 руб. | |
| 33 | 17661-921-000 | Груша для подкачки топлива (Bulb, primer) | под заказ | 2990 руб. | |
| 33 | 17661-921-010 | (последний код) BULB, PRIMER | под заказ | 2990 руб. | |
| 34 | 17665-ZV5-000 | Внутренний клапан (Valve comp., in.) | под заказ | 3190 руб. | |
| 35 | 17680-921-000 | Наружный клапан (Valve comp., outlet) | под заказ | по запросу | |
| 40 | 17700-881-C01ZA | Топливная трубка *nh1 * (Tube comp., fuel *nh1 *) | под заказ | 11760 руб. | |
| 40 | 17700-881-C03ZA | (последний код) TUBE COMP., FUEL *NH1 * | под заказ | 17810 руб. | |
| 41 | 17701-ZV5-000 | Длинная топливная трубка (7.3x2000) (Tube, fuel long (7.3x2000)) | под заказ | 4740 руб. | |
| 42 | 17702-921-000 | Короткая топливная трубка (Tube, fuel short) | под заказ | 1180 руб. | |
| 43 | 17703-921-000 | Зажимной ремешек трубки, 20 мм (Band, tube clip, 20mm) | под заказ | 580 руб. | |
| 43 | 17703-921-010 | (последний код) BAND, TUBE CLIP, 20MM | под заказ | 580 руб. | |
| 44 | 17704-ZV4-000 | Зажимной ремешек трубки, 12.5 мм (Band, tube clip, 12.5mm) | 5 шт | 320 руб. | |
| 44 | 17704-ZV4-010 | (последний код) BAND, TUBE CLIP, 12.5MM | под заказ | 320 руб. | |
| 46 | 17704-921-000 | Зажимной ремешек трубки, 11 мм (Band, tube clip, 11mm) | под заказ | по запросу | |
| 55 | 91353-921-310 | Уплотнительное кольцо, 5.5 мм (O-ring, 5.5mm) | под заказ | 210 руб. | |
| 58 | 17624-ZV4-A20 | Прокладка крышки бака (Packing, fuel cap) | под заказ | 1520 руб. | |
| 58 | 17624-ZV5-902 | (последний код) PACKING, FUEL CAP | под заказ | 1520 руб. | |
Время выполнения запроса 2.6318969726562 сек.
склад запчастей для водомоторной техники