вконтакте

Контактный телефон: +7 (981) 121-46-93, +7 (800) 200-90-76 , Email: parts-katalog@yandex.ru, где купить

 
 

  Логин:

Пароль:

Регистрация

www.partskatalog.ru Все каталоги Запчасти Mercury Запчасти Suzuki Запчасти Tohatsu Запчасти Honda Контакты



УВАЖАЕМЫЕ КЛИЕНТЫ!
C 19 ДЕКАБРЯ 2025 ПО 02 МАРТА 2026 ГОДА ОТДЕЛ ЗАПЧАСТЕЙ И СЕРВИС РАБОТАТЬ НЕ БУДУТ
ПРОДАЖА ЛОДОЧНЫХ МОТОРОВ В ШТАТНОМ РЕЖИМЕ
ОБ ИЗМЕНЕНИЯХ В ГРАФИКЕ РАБОТЫ ЧИТАЙТЕ НА САЙТА



назад Раздел:   вперёд

Модификация Вашего двигателя:   Honda BFP8D1 XHSD; Power Thrust
Модели с серийным номером двигателя от BEAAJ-1000001 до BEAAJ-1999999
Модели с серийным номером рамы от BAAJ-1000001 до BAAJ-1099999

Вернуться к выбору узлов мотора

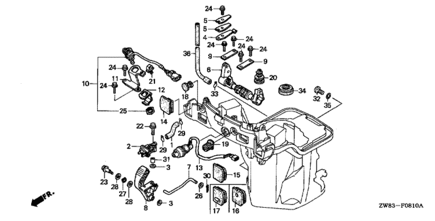
   Переключающий вал (для моделей с румпелем)
Shift Shaft (handle Specification)      


ДЕТАЛИРОВКА ДЛЯ МОДЕЛИ: HONDA BFP8D1

Подвесной лодочный  двигатель BFP8D1 - Переключающий вал (для моделей с румпелем) - Shift Shaft (handle Specification)
Номер на
рисунке
АртикулНаименованиеКол-во
на складе
Цена
116851-ZW9-000

Топливная трубка А (Tube a, fuel)

под заказ1180 руб. 
217710-ZW9-003

Топливный коннектор, в сборе (b) (Connector assy., fuel (b))

под заказ8320 руб. 
217710-ZW9-033

(последний код) CONNECTOR ASSY., FUEL (B)

под заказ6760 руб. 
217710-ZW9-013

Топливный коннектор, в сборе (b) (Connector assy., fuel (b))

под заказ5420 руб. 
317936-921-000

Опорная шайба (Washer, pivot)

3 шт260 руб. 
424218-ZW9-000

Нажимная пружина (Spring, click)

2 шт1500 руб. 
524221-ZW9-000

Пружина с помощью при нажатии (Spring, click assist)

под заказ1740 руб. 
524221-ZW9-010

(последний код) SPRING, CLICK ASSIST

5 шт1740 руб. 
624611-ZW9-000

Переключающий вал (Shaft, shift)

под заказпо запросу 
724613-ZW9-000

Соеденительная тяга (Rod, link)

под заказ1490 руб. 
824614-ZW9-010

Рычаг переключателя (Lever, shift)

под заказ5400 руб. 
824614-ZW9-020

(последний код) LEVER, SHIFT

1 шт5400 руб. 
924626-ZW9-000

Пластина переключающего вала (Plate, shift shaft)

под заказпо запросу 
1035470-ZW9-731

Переключатель нейтрали, в сборе (Switch assy., neutral)

под заказ9370 руб. 
1004304-ZW9-010

(последний код) SWITCH SET, NEUTRAL

под заказ9370 руб. 
1135476-ZW9-730

Кронштейн переключателя нейтрали (Bracket, neutral switch)

под заказ1290 руб. 
1235618-ZV5-000

Пластина переключателя нейтрали (Plate, neutral switch)

под заказ1200 руб. 
1337210-ZW9-003

Индикаторная лампа, в сборе (Lamp assy., indicator)

2 шт8090 руб. 
1440105-ZW9-010

Пыльник A масляного картера (Grommet a, oil case)

под заказ990 руб. 
1440105-ZW9-020

(последний код) GROMMET A, OIL CASE

5 шт990 руб. 
1740106-ZW9-730

Пыльник B масляного картера (Grommet b, oil case)

под заказ1190 руб. 
1840107-ZW9-720

Пыльник F масляного картера (Grommet f, oil case)

под заказ680 руб. 
1940108-ZW9-000

Пыльник D масляного картера (Grommet d, oil case)

под заказ940 руб. 
2040109-ZW9-000

Пыльник E масляного картера (Grommet e, oil case)

1 шт990 руб. 
2146391-VM0-003

Зажим тормозной трубки (a) (Clip, brake pipe (a))

под заказ330 руб. 
2290012-ZW9-000

Фланцевый болт, 6x22 (ct200) (Bolt, flange, 6x22 (ct200))

под заказ420 руб. 
2290012-ZW9-020

(последний код) BOLT, FLANGE, 6X22 (CT200

под заказ520 руб. 
2390105-ZV1-000

Болт блокировки реверса (Bolt, reverse lock)

2 шт830 руб. 
2490113-ZW9-000

Фланцевый болт, 5x12 (ct200) (Bolt, flange, 5x12 (ct200))

под заказ270 руб. 
2490113-ZW9-020

(последний код) BOLT, FLANGE, 5X12 (CT200

под заказ270 руб. 
2590302-ZV5-003

Шестигранная гайка, 20 мм (Nut, hex., 20mm)

под заказ750 руб. 
2690452-GK4-600

Плоская шайба, 5 мм (Washer, plain, 5mm)

под заказ250 руб. 
2790506-ZW9-000

Волнистая шайба, 10 мм (Washer, wave, 10mm)

под заказ230 руб. 
2890511-ZW9-000

Плоская шайба, 9 мм (Washer, plain, 9mm)

под заказ730 руб. 
2990604-ZV0-000

Зажим трубки (b12) (Clip, tube (b12))

под заказ150 руб. 
3090759-ZV1-000

Стопорный шплинт, 2.0 (Pin, split, 2.0)

2 шт230 руб. 
3191551-ZV4-000

Промежуточный воротник (6 мм) (Collar, distance (6mm))

под заказ440 руб. 

Время выполнения запроса 4.4663319587708 сек.

 
 

данный сайт носит информационный характер и не является публичной офертой

склад запчастей для водомоторной техники