вконтакте

Контактный телефон: +7 (981) 121-46-93, +7 (800) 200-90-76 , Email: parts-katalog@yandex.ru, где купить

 
 

  Логин:

Пароль:

Регистрация

www.partskatalog.ru Все каталоги Запчасти Mercury Запчасти Suzuki Запчасти Tohatsu Запчасти Honda Контакты



УВАЖАЕМЫЕ КЛИЕНТЫ!
C 31 ОКТЯБРЯ 2025 ПО 10 НОЯБРЯ 2025 ГОДА РАБОТАТЬ НЕ БУДЕМ



назад Раздел:   вперёд

Модификация Вашего двигателя:   Honda BF15AH LCS
Модели с серийным номером двигателя от BAAE-1000001 до BAAE-1099999
Модели с серийным номером рамы от BAAL-1000001 до BAAL-1099999

Вернуться к выбору узлов мотора

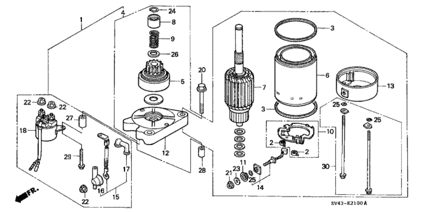
   Двигатель стартера
Starter Motor      


ДЕТАЛИРОВКА ДЛЯ МОДЕЛИ: HONDA BF15AH

Подвесной fourstroke лодочный мотор BF15AH - Starter Motor / Двигатель стартера
Номер на
рисунке
АртикулНаименованиеКол-во
на складе
Цена
131200-ZV4-812

Электростартер, в сборе (Motor assy., starter)

под заказпо запросу 
231204-KS5-901

Пружина угольной щётки (Spring, carbon brush)

под заказ480 руб. 
331207-KS5-901

Кольцо (Ring)

под заказ660 руб. 
431210-ZV4-812

Двигатель электростартера, в сборе (Motor unit, starter)

под заказпо запросу 
531214-ZV4-811

Сцепление (Clutch comp.)

под заказпо запросу 
631216-ZV4-811

Обойма (Yoke comp.)

под заказ32940 руб. 
731217-ZV4-811

Ротор (Rotor comp)

под заказпо запросу 
831221-ZV4-811

Часть стопора (Piece, stopper)

под заказ2140 руб. 
931223-ZV4-811

Возвратная пружина (Spring, return)

под заказ1110 руб. 
1031231-ZV4-811

Держатель щётки, комплект (Holder comp., brush)

под заказ9840 руб. 
1131233-ZV4-811

Изолятор (Insulator)

под заказ1490 руб. 
1231235-ZV4-811

Кронштейн, передний (Bracket comp., fr.)

под заказ23560 руб. 
1331236-ZV4-811

Кронштейн, задний (Bracket, rr.)

под заказ14350 руб. 
1431238-ZV4-811

Оконечное устройство (Terminal unit)

под заказпо запросу 
1532402-ZV4-810

Провод магнитного переключателя (Cord, magnet switch)

под заказпо запросу 
1632411-ZV4-811

Колпачок оконечного устройства (Cover, starter terminal)

под заказ380 руб. 
1732412-ZV4-811

Крышка клеммы магнитного переключателя (Cover, magnetic switch terminal)

под заказ380 руб. 
1835850-ZV4-811

Выключатель магнитного переключателя, в сборе (Switch assy., starter magnetic)

под заказ13470 руб. 
2090126-881-000

Фланцевый болт, 8x45 (Bolt, flange, 8x45)

под заказ350 руб. 
2090126-ZW4-000

(последний код) BOLT, FLANGE, 8X45

под заказ350 руб. 
2190202-ZV4-811

Гайка, terminal (Nut, terminal)

под заказпо запросу 
2190203-ZV4-811

Гайка с шайбой, 6 мм (Nut-washer, 6mm)

под заказ680 руб. 
2390405-ZV4-811

Шайба, 6 мм (Washer, 6mm)

под заказ440 руб. 
2490602-ZV4-811

Стопорное кольцо, 14 мм (Circlip, 14mm)

под заказ90 руб. 
2590301-ZV4-811

Уплотнительное кольцо (O-ring)

под заказпо запросу 
2691401-ZV4-811

Шайба (Washer)

под заказ550 руб. 
2791551-ZV4-810

Промежуточный воротник (Collar, distance)

под заказпо запросу 
2894301-10160

Шпонка (Dowel pin)

10 шт210 руб. 
2996001-0603202

Фланцевый болт, 6x32 (Bolt, flange, 6x32)

под заказ150 руб. 
3090012-ZV4-812

Комплект установочных болтов (Bolt set, setting)

под заказ1180 руб. 

Время выполнения запроса 1.174996137619 сек.

 
 

данный сайт носит информационный характер и не является публичной офертой

склад запчастей для водомоторной техники