Контактный телефон: +7 (981) 121-46-93, +7 (800) 200-90-76 , Email: parts-katalog@yandex.ru, где купить |
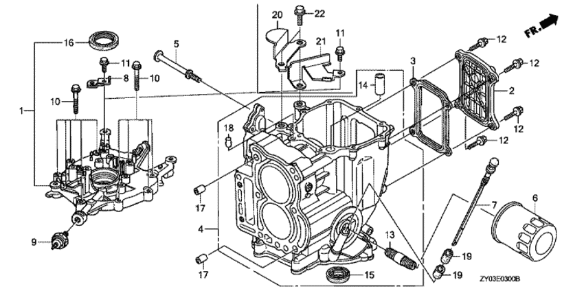
Модификация Вашего двигателя: Honda BF15D3 SRTU Вернуться к выбору узлов мотора Блок цилиндра |
||||||||||||||||||||||||||||||||||||||||||||||||||||||||||||||||||||||||||||||||||||||||||||||||||||||||||||||||||||||||||||||||||||||||||||||||||||||||||||||||||||||||||||||||||||||||||||||||||||||||||||||||||||||||||||||
| Номер на рисунке | Артикул | Наименование | Кол-во на складе | Цена | |
| 1 | 11300-ZY1-406 | Крышка картера двигателя, в сборе (Cover assy., crankcase) | под заказ | 27620 руб. | |
| 2 | 11340-ZY1-000 | Боковая крышка картера двигателя (Cover comp., crankcase side) | под заказ | 4270 руб. | |
| 3 | 11342-ZW9-000 | Прокладка боковой крышки картера (Packing, crankcase side cover) | 1 шт | 1840 руб. | |
| 4 | 12000-ZY1-405ZA | Блок цилиндров в сборе (частично) *nh8 * (Block assy., cylinder *nh8 *) | под заказ | 169310 руб. | |
| 5 | 12166-ZW9-000 | Стопор сбоку двигателя (Stopper, engine side) | под заказ | 1110 руб. | |
| 5 | 12166-ZW9-010 | (последний код) STOPPER, ENGINE SIDE | под заказ | 1110 руб. | |
| 6 | 15400-PFB-014 | Картридж масляного фильтра (toyo roki) (Cartridge, oil filter (toyo roki)) | 1 шт | 2530 руб. | |
| 6 | 15400-ZZ3-003 | (последний код) CARTRIDGE, OIL FILTER (TO | 150 шт | 2530 руб. | |
| 6 | W67/1 | (не оригинальный аналог) Масляный фильтр W67/1 | 21 шт | 500 руб. | |
| 6 | T-AT-07067 | (не оригинальный аналог) Масляный фильтр Arctic Cat / Kawasaki / Yamaha AT-07067 (Bronco) | под заказ | 990 руб. | |
| 6 | T-615-110 | (не оригинальный аналог) Масляный фильтр Mercury / Honda 615-110 (WSM) | под заказ | 1590 руб. | |
| 6 | T-15400-PFB-014 | (не оригинальный аналог) Масляный фильтр Honda 15400-PFB-014 (MIZASHI) | под заказ | по запросу | |
| 6 | T-10-82230 | (не оригинальный аналог) Фильтр масляный 10-82230 (EMGO) | под заказ | 620 руб. | |
| 6 | T-10-82240 | (не оригинальный аналог) Фильтр масляный 10-82240 (EMGO) | под заказ | 620 руб. | |
| 6 | T-18-7913 | (не оригинальный аналог) Масляный фильтр Mercury / / Mariner / Honda 18-7913 (Sierra) | под заказ | 940 руб. | |
| 6 | T-55-1321 | (не оригинальный аналог) Масляный фильтр 55-1321 (WSM) | под заказ | 1230 руб. | |
| 6 | T-AT-MZ1439 | (не оригинальный аналог) Масляный фильтр Arctic Cat / Kawasaki / Yamaha AT-MZ1439 (MIZASHI) | под заказ | 530 руб. | |
| 6 | T-AT-MZ1424 | (не оригинальный аналог) Масляный фильтр Arctic Cat / Kawasaki / Yamaha AT-MZ1424 (MIZASHI) | под заказ | 600 руб. | |
| 6 | T-SC-OT227 | (не оригинальный аналог) Масляный фильтр Honda / Kawasaki / Polaris / Yamaha SC-OT227 | под заказ | по запросу | |
| 6 | T-SC-CN036 | (не оригинальный аналог) Масляный фильтр Honda SC-CN036 | под заказ | по запросу | |
| 7 | 15655-ZW9-000 | Датчик уровня масла (Gauge comp., oil level) | 2 шт | 2560 руб. | |
| 8 | 32114-ZY1-730 | Кронштейн зажима b (Bracket, clip b) | под заказ | по запросу | |
| 8 | 32114-ZW9-730 | Кронштейн зажима b (Bracket, clip b) | под заказ | 560 руб. | |
| 9 | 35490-ZW9-003 | Выключатель при низком давлении масла (Switch assy., oil pressure) | под заказ | 6360 руб. | |
| 10 | 90004-ZW9-000 | Фланцевый болт, 6x28 (Bolt, flange, 6x28) | под заказ | 480 руб. | |
| 11 | 90011-ZW9-000 | Фланцевый болт, 6x14 (ct200) (Bolt, flange, 6x14 (ct200)) | под заказ | 370 руб. | |
| 12 | 90012-ZW9-000 | Фланцевый болт, 6x22 (ct200) (Bolt, flange, 6x22 (ct200)) | под заказ | 420 руб. | |
| 12 | 90012-ZW9-020 | (последний код) BOLT, FLANGE, 6X22 (CT200 | под заказ | 520 руб. | |
| 13 | 90018-PN3-000 | Крепление масляного фильтра (Holder, oil filter) | под заказ | 980 руб. | |
| 14 | 90705-PG2-000 | Шпонка (Dowel pin) | под заказ | 660 руб. | |
| 15 | 91203-ZY1-003 | Сальник, 28x45x8 (Oil seal, 28x45x8) | 1 шт | 1580 руб. | |
| 16 | 91213-PL2-003 | Сальник (Oil seal) | под заказ | 2560 руб. | |
| 17 | 94301-10120 | Шпонка (Dowel pin) | под заказ | 270 руб. | |
| 18 | 94302-08140 | Штифт b (Pin b) | под заказ | 240 руб. | |
Время выполнения запроса 0.4406909942627 сек.
склад запчастей для водомоторной техники