Контактный телефон: +7 (981) 121-46-93, +7 (800) 200-90-76 , Email: parts-katalog@yandex.ru, где купить |
Модификация Вашего двигателя: Honda BF50A4 YHTD Вернуться к выбору узлов мотора Регулятор |
|||||||||||||||||||||||||||||||||||||||||||||||||||||||||||||||||||||||||||||||||||||||||||||||||||||||||||||||||||||||||||||||||||||||||||||||||||||||||||||||||||||||||||||||||||||||||||||||||||||||||||||||||||||||||||||||||||||||||||||||||||||||||||||||||||||||||||||||||||||||||||||||||||||||||||||||||||||||||||||||||||||||||||
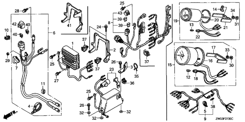
| Номер на рисунке | Артикул | Наименование | Кол-во на складе | Цена | |
| 1 | 31600-ZV5-003 | Выпрямитель-регулятор, в сборе (12a) (Rectifier assy., regulator (12a)) | под заказ | 31620 руб. | |
| 1 | 31750-ZW4-003 | Выпрямитель-регулятор, в сборе (12a) (Rectifier assy., regulator (12a)) | под заказ | 33500 руб. | |
| 1 | 31750-ZW4-013 | Выпрямитель-регулятор, в сборе (12a) (Rectifier assy., regulator (12a)) | под заказ | 33500 руб. | |
| 2 | 31604-ZW4-H00 | Кронштейн регулятора (Bracket, regulator) | под заказ | по запросу | |
| 3 | 32114-ZV5-821 | Кронштейн клипсы жгута проводов (Bracket, harness clip) | под заказ | 1820 руб. | |
| 4 | 32121-HA0-003 | Ремешок шнура (Band, cord) | под заказ | 840 руб. | |
| 5 | 32161-404-000 | Ремешок провода B1 (Band b1, wire) | под заказ | 420 руб. | |
| 6 | 32410-ZW4-H10 | Кабель стартера, в сборе (ptt) (Cable assy., starter (ptt)) | под заказ | 34570 руб. | |
| 7 | 32411-ZV5-003 | Колпачок свечи зажигания (Cover, terminal) | под заказ | по запросу | |
| 8 | 32520-ZW4-H10 | Кабель для дистанционного управления (a) (Cable assy., remote control (a)) | под заказ | по запросу | |
| 8 | 32520-ZW4-H11 | Кабель для дистанционного управления (a) (Cable assy., remote control (a)) | под заказ | по запросу | |
| 8 | 32520-ZW4-H12 | Кабель для дистанционного управления (a) (Cable assy., remote control (a)) | под заказ | по запросу | |
| 9 | 32540-ZV5-911 | Жгут проводов для подключения приборов (a) (Harness assy., meter (a)) | 1 шт | 14660 руб. | |
| 10 | 32660-MJ6-710 | Фиксатор провода (Clamper, cord) | под заказ | 600 руб. | |
| 11 | 32903-701-000 | Фиксатор высоковольтного провода (Clamper, high tension cord) | под заказ | 140 руб. | |
| 12 | 34908-MB9-871 | Лампочка, без цоколя (t10) (12v 1.7w) (stanley) (Bulb, wedge base (t10) (12v 1.7w) (stanley)) | под заказ | 380 руб. | |
| 13 | 34908-MG9-951 | Лампочка, без цоколя (12v 1.7w) (Bulb, wedge base (12v 1.7w)) | под заказ | 350 руб. | |
| 13 | 34907-KW3-003 | (последний код) BULB, WEDGE BASE (12V 1.7 | под заказ | 350 руб. | |
| 14 | 37215-KM1-670 | Струбцина (Clamp) | под заказ | 180 руб. | |
| 15 | 37250-ZV5-823 | Тахометр в сборе (Tachometer assy.) | под заказ | 46950 руб. | |
| 15 | 37250-ZV7-912 | Тахометр в сборе (Tachometer assy.) | под заказ | 38610 руб. | |
| 15 | 37250-ZV7-913 | (последний код) TACHOMETER ASSY. | под заказ | 38610 руб. | |
| 16 | 37253-ZV5-821 | Прокладка (Packing) | под заказ | 550 руб. | |
| 17 | 37256-ZV5-821 | Кронштейн (Bracket) | под заказ | 3540 руб. | |
| 18 | 37258-ZV5-821 | Розетка (Socket comp.) | под заказ | 4140 руб. | |
| 19 | 37260-ZW4-821 | Указатель трима в сборе (Meter assy., trim) | под заказ | 29710 руб. | |
| 19 | 37260-ZV5-821 | Указатель трима в сборе (Meter assy., trim) | под заказ | 37020 руб. | |
| 19 | 37260-ZV5-822 | (последний код) METER ASSY., TRIM | под заказ | 37020 руб. | |
| 20 | 37263-ZV5-821 | Прокладка (Packing) | под заказ | 450 руб. | |
| 21 | 37266-ZV5-821 | Кронштейн (Bracket) | под заказ | 2590 руб. | |
| 22 | 37268-ZV5-821 | Розетка (Socket comp.) | под заказ | 4520 руб. | |
| 23 | 38550-ZV5-823 | Реле системы управления наклоном (Relay assy., power tilt) | под заказ | 40940 руб. | |
| 24 | 90013-ZV0-010 | Фланцевый болт, 6x12 (Bolt, flange, 6x12) | под заказ | 350 руб. | |
| 25 | 90013-ZW4-000 | Фланцевый болт, 6x12 (ct200) (Bolt, flange, 6x12 (ct200)) | под заказ | 490 руб. | |
| 26 | 90017-ZV0-C10 | Фланцевый болт, 6x18 (ct200) (Bolt, flange, 6x18 (ct200)) | под заказ | 370 руб. | |
| 27 | 90018-ZW5-000 | Фланцевый болт, 6x20 (Bolt, flange, 6x20) | под заказ | 290 руб. | |
| 28 | 90107-ZW4-000 | Фланцевый болт, 8x12 (Bolt, flange, 8x12) | под заказ | по запросу | |
| 29 | 90203-ZV5-000 | Шестигранная гайка, 6 мм (Nut, hex., 6mm) | под заказ | 0 руб. | |
| 30 | 90309-ZV5-821 | Шестигранная гайка, 5 мм (Nut, hex., 5mm) | под заказ | 200 руб. | |
| 31 | 90310-ZV5-821 | Шестигранная гайка, 4 мм (Nut, hex., 4mm) | под заказ | 150 руб. | |
| 32 | 90406-ZV5-010 | Шайба, 6 мм (Washer, 6mm) | под заказ | 600 руб. | |
| 32 | 90403-ZW1-000 | Плоская шайба, 6 мм (Washer, plain, 6mm) | под заказ | 600 руб. | |
| 33 | 90550-ZV5-821 | Пружинистая шайба, 5 мм (Washer, spring, 5mm) | под заказ | 260 руб. | |
| 34 | 90560-ZV5-821 | Пружинистая шайба, 4 мм (Washer, spring, 4mm) | под заказ | 250 руб. | |
| 35 | 90630-751-000 | Зажим, purse lock (Clip, purse lock) | под заказ | 550 руб. | |
| 36 | 90659-735-921 | Зажим провода (Clip, cord) | под заказ | по запросу | |
| 37 | 90682-ZV5-003 | Зажим под жгут проводов (Clip, wire harness) | под заказ | 300 руб. | |
| 38 | 9820011000 | Предохранитель A (10a) (Fuse a (10a)) | под заказ | 70 руб. | |
| 39 | 98200-31000 | Предохранитель (Fuse) | под заказ | 70 руб. | |
| 40 | 98200-31500 | Предохранитель (Fuse) | под заказ | 70 руб. | |
| 42 | 38216-ZV5-003 | Крышка предохранителя (15a) (Cover assy., fuse (15a)) | под заказ | 960 руб. | |
| 43 | 38218-ZW5-004 | Крышка предохранителя (10a) (Cover assy., fuse (10a)) | под заказ | 1560 руб. | |
Время выполнения запроса 2.4573020935059 сек.
склад запчастей для водомоторной техники